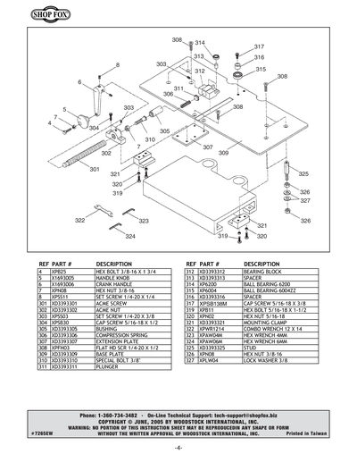
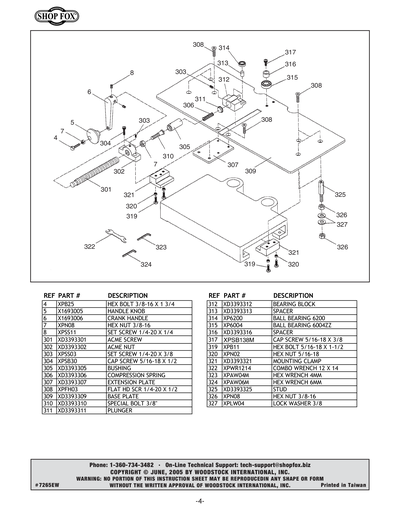
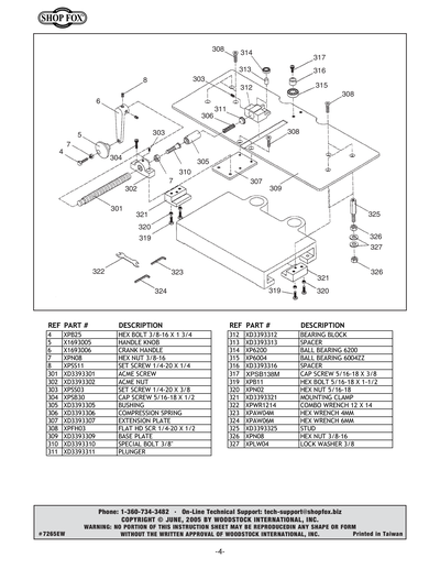
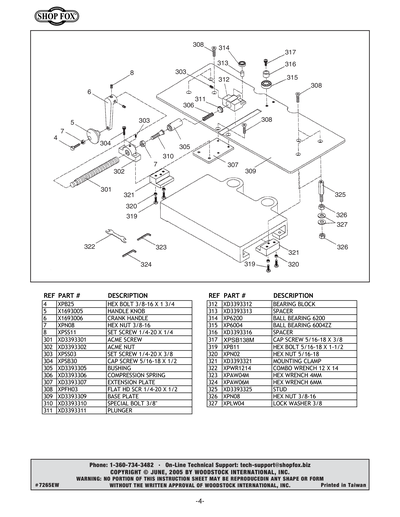
Parts for D3393 - Elliptical Jig For Planer/Moulder

IMPORTANT: Parts may have multiple versions that have changed over time. This will be indicated by V1, V2, V3, etc. in the parts description, followed by the version month and year that it was first used. Example: V2.01.17 indicates version 2 of a part went into use in January 2017. Please reference the manufacture date on the ID Label for your machine to ensure you are selecting the correct part when multiple versions are indicated.
If you cannot locate your part below, please contact our tech support department at techsupport@grizzly.com or 570-546-9663.
Please note: All parts ship out of our Springfield, Missouri facility.