Parts for G0582 24" 10 HP Platen Type Wide-Belt Sander

Parts Diagrams for G0582 - 24" 10 HP Platen Type Wide-Belt Sander

IMPORTANT

Parts may have multiple versions that have changed over time. This will be indicated by V1, V2, V3, etc. in the parts description, followed by the version month and year that it was first used. Example: V2.01.17 indicates version 2 of a part went into use in January 2017. Please reference the manufacture date on the ID Label for your machine to ensure you are selecting the correct part when multiple versions are indicated.

If you cannot locate your part below, please contact our tech support department at techsupport@grizzly.com or 570-546-9663.

Please note: All parts ship out of our Springfield, Missouri facility.

Parts List for Parts for G0582 24" 10 HP Platen Type Wide-Belt Sander

1
*DISCD*FELT PLATEN REMOVAL TOOL
Price
N/A
2
LIMIT SWITCH CERAMIC TIP
Price
N/A
3
TOOL BOX
Price
N/A
4
FELT PAD
Price
N/A
5
GRAPHITE 3.5 X 26"
Price
N/A
6
DOOR HANDLE
Price
N/A
7
SANDING BELT 100 GRIT
$51.35
Enter quantity between 1 and 99
8
PHLP HD SCREWDRIVER
Price
N/A
9
FLAT HD SCREWDRIVER
Price
N/A
10
WRENCH 8 X 10MM OPEN-ENDS
Price
N/A
11
WRENCH 12 X 14MM OPEN-ENDS
Price
N/A
12
WRENCH 17 X 19MM OPEN-ENDS
Price
N/A
13
HEX WRENCH SET
Price
N/A
4
FELT PAD
$54.10
Enter quantity between 1 and 99
5
GRAPHITE 3.5 X 26"
Price
N/A
1101
MACHINE FRAME
Price
N/A
1102
MOTOR BASE
Price
N/A
1103
MOTOR BASE HINGE
Price
N/A
1104
Now: PN06
HEX NUT 1/2-12
Price
N/A
1105
MOTOR BASE ADJUSTMENT ROD
Price
N/A
1106
Now: PLW07
LOCK WASHER 1/2
Price
N/A
1107
Now: PB24
HEX BOLT 3/8-16 X 1-1/4
Price
N/A
1108
Now: PW01
FLAT WASHER 1/2
Price
N/A
1109
SANDING BELT MOTOR 10HP 220V/440V 3-PH
Price
N/A
1109-1
MOTOR FAN
Price
N/A
1109-2
MOTOR FAN COVER
Price
N/A
1110
PULLEY
$18.75
Enter quantity between 1 and 99
1111
CAP SCREW 5/16-18 X 1-1/4
Price
N/A
1112
Now: PLW01
LOCK WASHER 5/16
Price
N/A
1113
KEY 8 X 10 X 75
Price
N/A
1114
Now: PB03
HEX BOLT 5/16-18 X 1
Price
N/A
1115
Now: PLW01
LOCK WASHER 5/16
Price
N/A
1116
DISK BRAKE
Price
N/A
1118
PULLEY BUSHING
Price
N/A
1119
Now: PVA71
V-BELT A71
Price
N/A
1121
BRAKE BRACKET
Price
N/A
1122
Now: PW02
FLAT WASHER 3/8
Price
N/A
1123
Now: PB21
HEX BOLT 3/8-16 X 3/4
Price
N/A
1124
FLAT HEAD NUT 5/8 X 11
Price
N/A
1125
CAP SCREW 1/4-20 X 3/4
Price
N/A
1126
LIMIT SWITCH
Price
N/A
1127
LIMIT SWITCH PLATE
Price
N/A
1128
Now: PB19
HEX BOLT 1/4-20 X 1/2
Price
N/A
1129
Now: PW06
FLAT WASHER 1/4
Price
N/A
1130
CAP SCREW 5/16-18 X 3/4
Price
N/A
1131
FIXING COVER OF MOTOR BASE
Price
N/A
1301
BRAKE BRACKET
Price
N/A
1301-1
BRACKET FRONT GUARD
Price
N/A
1302-1
BRAKE LINING
Price
N/A
1302-2
BRAKE LINING
Price
N/A
1303
BRAKE ARBOR
Price
N/A
1304
BRAKE SPRING 3.3 X 24.5 X 24
Price
N/A
1305
BRAKE ARBOR PLATE
Price
N/A
1306
FLAT HD SCR M6-1 X 25
Price
N/A
1307
BRAKE PIN
Price
N/A
1308
CAP SCREW M5-.8 X 15
Price
N/A
1309
*DISCD*"C" CIRCLIP S12
Price
N/A
1310
Now: PLW04
LOCK WASHER 3/8
Price
N/A
1311
Now: PN08
HEX NUT 3/8-16
Price
N/A
1312
CAP SCREW M6-1 X 12
Price
N/A
1313
BRAKE GASKET
Price
N/A
200
MACHINE ID LABEL
Price
N/A
201
DISCONNECT SANDER 220V 2W X 3.3H
Price
N/A
202
DONT OPEN 2W X 3.3H
Price
N/A
203
SANDER BELT PINCH 4W X 2.1H
Price
N/A
204
DUST MASK 2W X 3.3H V1
Price
N/A
205
EMERGENCY STOP LABEL
Price
N/A
206
ROTATION LABEL
$3.15
Enter quantity between 1 and 99
207
SAFETY GLASSES 2W X 3.3H V2.04.08
Price
N/A
208
READ MANUAL 2W X 3.3H V2.07.05
Price
N/A
209
CONTROL PANEL LABEL
Price
N/A
210
MM CONVERSION CHART 3.6W X 5.5H
Price
N/A
2101
ELEVATION SCREW 1 X 5 X 280
Price
N/A
2102
Now: PB03
HEX BOLT 5/16-18 X 1
Price
N/A
2103
Now: PW07
FLAT WASHER 5/16
Price
N/A
2104
Now: PLW01
LOCK WASHER 5/16
Price
N/A
2105
Now: PLW04
LOCK WASHER 3/8
Price
N/A
2106
Now: PB18
HEX BOLT 3/8-16 X 1
Price
N/A
2107
ELEVATION SLIDE
Price
N/A
2108
DUST GUARD BELLOW
Price
N/A
2109
Now: PB07
HEX BOLT 5/16-18 X 3/4
Price
N/A
211
AMP LOAD LABEL
$1.60
Enter quantity between 1 and 99
2110
Now: PLW01
LOCK WASHER 5/16
Price
N/A
2111
CHAIN
Price
N/A
212
AMP METER LABEL
$1.60
Enter quantity between 1 and 99
213
SANDER REAR EJECT 5.3W X 2.8H V2.04.08
Price
N/A
214
MACHINE ID LABEL
$16.40
Enter quantity between 1 and 99
215
DANGER STRIPE LABEL
Price
N/A
216
PREWIRED 220V 3.3W X 2.2H
Price
N/A
217
ELECTRICAL LABEL
Price
N/A
219
Now: G8589
Nameplate - Large
Price
N/A
2201
SPROCKET SHAFT HOUSING
Price
N/A
2202
***USE P08190402***
Price
N/A
2203
THRUST BEARING 51107
Price
N/A
2204
Now: PR12M
EXT RETAINING RING 35MM
Price
N/A
2206
LEADSCREW SPROCKET 24T
Price
N/A
2301
ELEVATION GEAR BOX
Price
N/A
2302
WORM GEAR
Price
N/A
2303
BALL BEARING 6005ZZ
Price
N/A
2304
BEARING CAP
Price
N/A
2305
CAP SCREW 1/4-20 X 3/4
Price
N/A
2306
WORM GEAR
Price
N/A
2307
BALL BEARING 6002ZZ
Price
N/A
2308
BEARING CAP
Price
N/A
2309
CAP SCREW 10-24 X 3/4
Price
N/A
2310
BEARING CAP
Price
N/A
2311
CAP SCREW 1/4-20 X 5/8
Price
N/A
2312
SPROCKET WHEEL
Price
N/A
2313
Now: PSS08
SET SCREW 5/16-18 X 1/2
Price
N/A
2314
PULLEY
Price
N/A
2315
Now: PVA36
V-BELT A36
Price
N/A
2316
PULLEY
Price
N/A
2317
Now: PSS07
SET SCREW 1/4-20 X 1/2
Price
N/A
2318
Now: PLW01
LOCK WASHER 5/16
Price
N/A
2319
Now: PB07
HEX BOLT 5/16-18 X 3/4
Price
N/A
2320
Now: PSS07
SET SCREW 1/4-20 X 1/2
Price
N/A
2321
HAND WHEEL
Price
N/A
2322
MOTOR BASE
Price
N/A
2323
Now: PB31
HEX BOLT 1/4-20 X 1
Price
N/A
2324
Now: PLW02
LOCK WASHER 1/4
Price
N/A
2325
MOTOR BASE ADJUSTMENT ROD
Price
N/A
2326
Now: PW01
FLAT WASHER 1/2
Price
N/A
2327
Now: PN06
HEX NUT 1/2-12
Price
N/A
2328
Now: PLW07
LOCK WASHER 1/2
Price
N/A
2331
MOTOR 1/4HP 220V/440V 3-PH
Price
N/A
2331-1
MOTOR FAN
Price
N/A
2331-2
MOTOR FAN COVER
Price
N/A
2332
Now: PN05
HEX NUT 1/4-20
Price
N/A
2333
Now: PB89
HEX BOLT 1/2-12 X 4-1/2
Price
N/A
2334
PROXIMITY SWITCH PLATE
Price
N/A
2335
Now: PB19
HEX BOLT 1/4-20 X 1/2
Price
N/A
2336
PROXIMITY SWITCH
Price
N/A
2337
Now: PS55M
PHLP HD SCR M3-.5 X 10
Price
N/A
2338
Now: PN07M
HEX NUT M3-.5
Price
N/A
2339
Now: PK14
KEY 5/16 X 5/16 X 3/4
Price
N/A
2340
Now: PK48M
KEY 4 X 4 X 20
Price
N/A
2341
Now: PK48M
KEY 4 X 4 X 20
Price
N/A
2401
CHAIN TENSIONER BRACKET
Price
N/A
2402
SPROCKET SHAFT
Price
N/A
2403
Now: G3850
Bearing - 35mm x 17mm
Price
N/A
2404
SPROCKET WHEEL
Price
N/A
2405
SPROCKET WHEEL ADJUSTMENT ROD
Price
N/A
2406
Now: PW02
FLAT WASHER 3/8
Price
N/A
2407
Now: PN08
HEX NUT 3/8-16
Price
N/A
2408
Now: PN02
HEX NUT 5/16-18
Price
N/A
2409
Now: PLW01
LOCK WASHER 5/16
Price
N/A
2410
Now: PB07
HEX BOLT 5/16-18 X 3/4
Price
N/A
3101
CONVEYOR TABLE
Price
N/A
3102
CONVEYOR BELT
Price
N/A
3103
GEARBOX FIX PLATE
Price
N/A
3104
CUSHION
Price
N/A
3105
Now: PW02
FLAT WASHER 3/8
Price
N/A
3106
Now: PB18
HEX BOLT 3/8-16 X 1
Price
N/A
3107
OUTFEED ROLLER
Price
N/A
3108
MOUNTED BEARING UCF205
Price
N/A
3109
REDUCER
Price
N/A
3110
PLUG
Price
N/A
3111
PLUG
Price
N/A
3112
MOUNTED BEARING UCF205
Price
N/A
3113
Now: PLW04
LOCK WASHER 3/8
Price
N/A
3114
Now: PB24
HEX BOLT 3/8-16 X 1-1/4
Price
N/A
3115
BEARING CAP
Price
N/A
3116
DRIVEN PULLEY
Price
N/A
3117
Now: PB16
HEX BOLT 3/8-16 X 1-1/2
Price
N/A
3118
DRIVING PULLEY
Price
N/A
3119
Now: PK66M
KEY 7 X 7 X 55
Price
N/A
3120
Now: PB07M
HEX BOLT M8-1.25 X 25
Price
N/A
3121
LOCK WASHER 8MM
Price
N/A
3123
FEED MOTOR 1HP 220V/440V 3-PH
Price
N/A
3123-1
MOTOR FAN
Price
N/A
3123-2
MOTOR FAN COVER
Price
N/A
3124
LOCK WASHER 10MM
Price
N/A
3126
TIMING BELT
Price
N/A
3127
Now: PB32M
HEX BOLT M10-1.5 X 25
Price
N/A
3128
VARIABLE SPEED UNIT BASE PLATE & COVER
Price
N/A
3129
VARIABLE SPEED UNIT BASE PLATE & COVER
Price
N/A
3130
SET SCREW M8-1.25 X 20
Price
N/A
3131
INFEED ROLLER BRACKET
Price
N/A
3132
CAP SCREW 3/8-16 X 3/4
Price
N/A
3133
INFEED ROLLER BRACKET
Price
N/A
3135
CONVEYOR BELT POSITIONING WHEEL
Price
N/A
3136
CAP SCREW 5/16-18 X 2
Price
N/A
3137
Now: PLW01
LOCK WASHER 5/16
Price
N/A
3138
Now: PN02
HEX NUT 5/16-18
Price
N/A
3140
EMGNCY BRAKE PUSH-PLATE
Price
N/A
3141
Now: PS04
PHLP HD SCR 1/4-20 X 1/2
Price
N/A
3142
LIMIT SWITCH
Price
N/A
3143
Now: PS31
PHLP HD SCR 10-24 X 1-3/4
Price
N/A
3144
Now: PB74
HEX BOLT 1/2-13 X 3
Price
N/A
3201
INFEED ROLLER SHAFT
Price
N/A
3202
INFEED ROLLER
Price
N/A
3203
BALL BEARING 6206-2RS
Price
N/A
3204
Now: PR15M
EXT RETAINING RING 30MM
Price
N/A
3205
ELEVATION ALUMINUM LIMITER
Price
N/A
3206
CAP SCREW 1/4-20 X 1-1/4
Price
N/A
4101
PISTON SLIDE RAIL
$40.85
Enter quantity between 1 and 99
4102
PISTON BRACKET
$104.10
Enter quantity between 1 and 99
4103
SPRING 2 X 16 X 60
Price
N/A
4104
Now: PB12
HEX BOLT 5/16-18 X 1-1/4
Price
N/A
4105
Now: PSS07
SET SCREW 1/4-20 X 1/2
Price
N/A
4106
Now: PB11
HEX BOLT 5/16-18 X 1-1/2
Price
N/A
4107
Now: PN02
HEX NUT 5/16-18
Price
N/A
4108
Now: PB12
HEX BOLT 5/16-18 X 1-1/4
Price
N/A
4109
Now: PLW01
LOCK WASHER 5/16
Price
N/A
4201
PISTON ROLLER SHAFT
Price
N/A
4202
PISTON ROLLER
Price
N/A
4203
BALL BEARING 6003-2RS
Price
N/A
4204
SHAFT BEARING COLLAR
Price
N/A
4205
Now: PSS07
SET SCREW 1/4-20 X 1/2
Price
N/A
5104
CARTRIDGE BEARING UCC206
Price
N/A
5107
Now: PK11
KEY 5/16 X 5/16 X 1-3/16
Price
N/A
5108
Now: PLW01
LOCK WASHER 5/16
Price
N/A
5110
Now: PLW07
LOCK WASHER 1/2
Price
N/A
5111
Now: PB41
HEX BOLT 1/2-12 X 1-1/2
Price
N/A
5112
CAP SCREW 1/4-20 X 1/2
Price
N/A
5114
GREASE FITTING W/CAP 1/16" STRAIGHT
Price
N/A
5115
GREASE FITTING 45 DEG W/CAP
Price
N/A
5116
BEARING HOUSING PLUG
Price
N/A
5118
Now: PS04
PHLP HD SCR 1/4-20 X 1/2
Price
N/A
5202
STEEL ROLLER (G0582/G0445)
$727.55
Enter quantity between 1 and 99
5203
SET SCREW M6-1 X 6
Price
N/A
5204
CARTRIDGE BEARING UCC205
Price
N/A
5205
***USE P0539625***
Price
N/A
5206
FLAT HD SCR 5/8 X 11
Price
N/A
5301
BRACKET MALE
$173.90
Enter quantity between 1 and 99
5302
BRACKET FEMALE
$135.00
Enter quantity between 1 and 99
5303
FELT 26 X 1-13/16 X 1/2"
$53.95
Enter quantity between 1 and 99
5304
GRAPHITE 3.5 X 26"
$29.95
Enter quantity between 1 and 99
5305
Now: PS01
PHLP HD SCR 10-24 X 1/2
Price
N/A
5306
PLATE
$48.30
Enter quantity between 1 and 99
5307
BRACKET BASE
$60.40
Enter quantity between 1 and 99
5308
BRACKET SHAFT
$79.15
Enter quantity between 1 and 99
5309
LOCK COLLAR
$36.90
Enter quantity between 1 and 99
5310
Now: PSS03
SET SCREW 1/4-20 X 3/8
Price
N/A
5311
KEY 1/4 X 1/4 X 25MM
Price
N/A
5312
COMPRESSION SPRING 3.5 X 21 X 65
Price
N/A
5313
HOUSING
$42.90
Enter quantity between 1 and 99
5314
BRACKET SHAFT
$30.85
Enter quantity between 1 and 99
5315
CAP SCREW 3/8-16 X 3/4
Price
N/A
5316
Now: PW02
FLAT WASHER 3/8
Price
N/A
5317
Now: PW02
FLAT WASHER 3/8
Price
N/A
5318
HANDLE
Price
N/A
5319
Now: PSS08
SET SCREW 5/16-18 X 1/2
Price
N/A
5320
ADJUSTMENT RING
$60.40
Enter quantity between 1 and 99
5321
Now: PB03
HEX BOLT 5/16-18 X 1
Price
N/A
5322
Now: PW07
FLAT WASHER 5/16
Price
N/A
5323
HANDLE
$35.40
Enter quantity between 1 and 99
5401
HOUSING
$247.00
Enter quantity between 1 and 99
5402
ROLLER
$1,322.25
Enter quantity between 1 and 99
5403
FASTENING TUBE
Price
N/A
5405
PULLEY
$144.90
Enter quantity between 1 and 99
5406
CAP SCREW 5/16-18 X 1-1/4
Price
N/A
5407
HOUSING
$528.90
Enter quantity between 1 and 99
5408
BRACKET PAD
$35.95
Enter quantity between 1 and 99
5409
BALL BEARING 6205-2RS
Price
N/A
5410
SCREW CAP
Price
N/A
5411
BEARING CAP
Price
N/A
5417
COVER
$60.40
Enter quantity between 1 and 99
6101
SQUARE FRAME
Price
N/A
6103
RIGHT SQUARE FRAME SEAL
Price
N/A
6104
LEFT SQUARE FRAME SEAL
Price
N/A
6105
Now: PFH05
FLAT HD SCR 1/4-20 X 3/4
Price
N/A
6106
Now: PLW04
LOCK WASHER 3/8
Price
N/A
6107
Now: PB18
HEX BOLT 3/8-16 X 1
Price
N/A
6108
Now: PLW07
LOCK WASHER 1/2
Price
N/A
6109
CAP SCREW 1/2-12 X 1
Price
N/A
6111
CAP SCREW 5/16-18 X 3/4
Price
N/A
6112
Now: PB09M
HEX BOLT M8-1.25 X 20
Price
N/A
6113
AIR CYLINDER
Price
N/A
6114
LIMIT SWITCH HOLDER L-TYPE
Price
N/A
6115
LIMIT SWITCH CERAMIC ASSY
Price
N/A
6116
LIMIT SWITCH CERAMIC TIP
Price
N/A
6117
LIMIT SWITCH HOLDER
Price
N/A
6118
AIR NOZZLE FEMALE
Price
N/A
6119
***USE PH29336119***
Price
N/A
6120
***USE PH29336120***
Price
N/A
6121
Now: PLW04
LOCK WASHER 3/8
Price
N/A
6122
THROTTLE VALVE BASE
Price
N/A
6123
PLATE
Price
N/A
6124
***SEE EXT. DESCRIPTION***
Price
N/A
6125
OIL CAP
Price
N/A
6126
***USE PH29336126***
Price
N/A
6127
Now: PS52M
PHLP HD SCR M4-.7 X 20
Price
N/A
6128
SANDING BELT POWER OFF PLATE
Price
N/A
6129
Now: PN11
HEX NUT 3/8-24
Price
N/A
6131
Now: PLW01
LOCK WASHER 5/16
Price
N/A
6132
Now: PB07
HEX BOLT 5/16-18 X 3/4
Price
N/A
6133
Now: PS08
PHLP HD SCR 10-24 X 3/4
Price
N/A
6134
Now: PN07
HEX NUT 10-24
Price
N/A
6135
CONNECTOR OF OIL CAP
Price
N/A
6136
SHAFT OF OIL CAP
Price
N/A
6139
CAP SCREW 5/16-18 X 2-1/2
Price
N/A
6140
FLAT HD TORX SCR T20 M6-1 X 16
Price
N/A
6201
UPPER ROLLER BRACKET
Price
N/A
6202
UPPER ROLLER
Price
N/A
6203
ROLLER BRACKET UPPER
Price
N/A
6204
CARTRIDGE BEARING UCC205
Price
N/A
6205
SET SCREW M6-1 X 6
Price
N/A
6206
CAP SCREW 3/8-16 X 3/4
Price
N/A
6207
Now: PLW04
LOCK WASHER 3/8
Price
N/A
6208
FILTER
Price
N/A
6212
Now: PLW04
LOCK WASHER 3/8
Price
N/A
6213
CAP SCREW 3/8-16 X 3/4
Price
N/A
6301
TRIMMING ADJUSTER
Price
N/A
6302
ECCENTRIC ROD
Price
N/A
6303
CAP SCREW 1/2-12 X 3-1/2
Price
N/A
6304
Now: PW01
FLAT WASHER 1/2
Price
N/A
6305
ECCENTRIC
Price
N/A
6306
UNIVERSAL JOINT FORK
Price
N/A
6307
OSCILLATION AIR CYLINDER 30 X 4 V2.01.14
Price
N/A
6308
Now: PN02M
HEX NUT M10-1.5
Price
N/A
6309
OSCILLATION AIR CYLINDER 30 X 4 V2.01.14
Price
N/A
6310
Now: PN06
HEX NUT 1/2-12
Price
N/A
6311
OSCILLATION AIR CYLINDER 30 X 4 V2.01.14
Price
N/A
6312
OSCILLATION AIR CYLINDER 30 X 4 V2.01.14
Price
N/A
6313
OSCILLATION AIR CYLINDER 30 X 4 V2.01.14
Price
N/A
6314
Now: PS14M
PHLP HD SCR M6-1 X 12
Price
N/A
6315
OSCILLATION AIR CYLINDER 30 X 4 V2.01.14
Price
N/A
6316
OSCILLATION AIR CYLINDER 30 X 4 V2.01.14
Price
N/A
6317
Now: PN06M
HEX NUT M5-.8
Price
N/A
6318
Now: PS20M
PHLP HD SCR M5-.8 X 15
Price
N/A
6319
OSCILLATION AIR CYLINDER 30 X 4 V2.01.14
Price
N/A
6320
FRAME OF ECCENTRIC SHAFT
Price
N/A
6321
AIR VALVE
Price
N/A
6322
Now: PN02
HEX NUT 5/16-18
Price
N/A
6323
OSCILLATION AIR CYLINDER 30 X 4 V2.01.14
Price
N/A
6323V2
OSCILLATION AIR CYLINDER 30 X 4 V2.01.14
Price
N/A
6324
Now: PB11
HEX BOLT 5/16-18 X 1-1/2
Price
N/A
7101
UPPER FRAME COVER V1
$1,427.30
Enter quantity between 1 and 99
7101V2
UPPER FRAME COVER V2.01.22
$2,061.25
Enter quantity between 1 and 99
7102
DUST HOOD
Price
N/A
7103
Now: PS14M
PHLP HD SCR M6-1 X 12
Price
N/A
7104
LEFT DOOR UPPER FRAME
$385.20
Enter quantity between 1 and 99
7105
DOOR RIGHT UPPER FRAME
$406.95
Enter quantity between 1 and 99
7106
DOOR LOCK (SQUARE KEY)
Price
N/A
7107
Now: PB03
HEX BOLT 5/16-18 X 1
Price
N/A
7108
Now: PW07
FLAT WASHER 5/16
Price
N/A
7109
DOOR RIGHT LOWER FRAME
Price
N/A
7109-1
DOOR LEFT LOWER FRAME
Price
N/A
7110
Now: PS04
PHLP HD SCR 1/4-20 X 1/2
Price
N/A
7111
FRONT PROTECTION AL PLATE
Price
N/A
8101
ELECTRICAL CONTROL BOX
Price
N/A
8102
HINGE
Price
N/A
8103
ELECTRICAL CONTROL BOX OF DOOR
Price
N/A
8104
BASE PLATE
Price
N/A
8105
Now: PN05
HEX NUT 1/4-20
Price
N/A
8106
Now: PLW02
LOCK WASHER 1/4
Price
N/A
8107
CONTROL PANEL
Price
N/A
8108
Now: PS07M
PHLP HD SCR M4-.7 X 8
Price
N/A
8109
PROPORTIONAL CURRENT DEVICE
Price
N/A
8110
TRANSFORMER 250VA 440V-200/220V
Price
N/A
8110V2
TRANSFORMER 250VA 440V-200/220V
Price
N/A
8111
CONTACTOR SCHN LC1D38 220V
Price
N/A
8112
OL RELAY TELE LR3D-326 220V
Price
N/A
8113-1
FUSE 4A V1.08.02
Price
N/A
8113-2
FUSE 4A V1.08.02
Price
N/A
8113-3
FUSE 4A V1.08.02
Price
N/A
8113V2
FUSE HOUSING KTK-4 BUSSMANN 2PC V2.03.10
Price
N/A
8113V2-1
FUSE BUSSMAN KTK-4 FA 100KA 600V
Price
N/A
8114
OL RELAY SCHN LR3D08 2.5-4A
Price
N/A
8115
***USE PH29338115***
Price
N/A
8116
POWER WIRE TERMINAL 3P110A V1.08.02
Price
N/A
8116V2
POWER TERMINAL BLOCK ENTRELEC V2.03.10
Price
N/A
8117
Now: PS52M
PHLP HD SCR M4-.7 X 20
Price
N/A
8118
TERMINAL PLATE IN13BK MARK V1.08.02
Price
N/A
8118V2
TERMINAL BLOCK ENTRELEC V2.03.10
Price
N/A
8119
Now: PW06
FLAT WASHER 1/4
Price
N/A
8120
Now: PLW02
LOCK WASHER 1/4
Price
N/A
8121
Now: PB26
HEX BOLT 1/4-20 X 1-1/2
Price
N/A
8122
PU CONNECTOR 1/2"
Price
N/A
8123
PU CONNECTOR 3/4"
Price
N/A
8124
CABLE CONNECTOR 1"
Price
N/A
8126A
DIGITAL AMP METER V2.02.06
Price
N/A
8128-1
START SWITCH
Price
N/A
8128-2
***USE P05398128-1***
Price
N/A
8129-1
***USE P08191748***
Price
N/A
8129-2
BUTTON SWITCH, YK 10A 250V RED
Price
N/A
8130
POWER INDICATOR LIGHT 220V 22MM WHT
Price
N/A
8131
E-STOP BUTTON 250V 10A
Price
N/A
8132
WIRE COLUMN
Price
N/A
8133
COMPUTER
Price
N/A
8135
OL RELAY SCHN LR3D21 12-18A
Price
N/A
8136
OL RELAY SCHN LR3D07 1.6-2.5A
Price
N/A
9101
FILTER CUP W/PRESSURE REGULATOR
Price
N/A
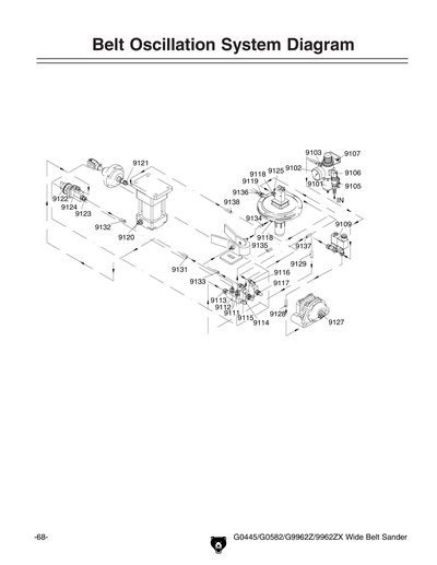
9102
GAUGE ASSEMBLY
Price
N/A
9103
BRONZE CONNECTOR
Price
N/A
9104
FLEXIBLE HOSE
Price
N/A
9105
AIR SWITCH
Price
N/A
9106
ELBOW
Price
N/A
9107
Now: PS01
PHLP HD SCR 10-24 X 1/2
Price
N/A
9108
ELBOW
Price
N/A
9109
SOLENOID VALVE
Price
N/A
9110
T-JOINT
Price
N/A
9111
CONNECTOR 5/16 X 1/4T BRONZE
Price
N/A
9112
MULTIPLE HOSE CONNECTOR
Price
N/A
9113
CONNECTOR, BRONZE
Price
N/A
9114
ELBOW 1/4N X 1/8T X 90 DEG, BRONZE
Price
N/A
9115
CONNECTOR 1/4N X 1/8T X 90 DEG
Price
N/A
9116
CONNECTOR 1/4N X 1/8T X 90 DEG
Price
N/A
9117
THROTTLE VALVE
Price
N/A
9118
CONNECTOR, BRONZE
Price
N/A
9119
***USE PH29339119***
Price
N/A
9120
CONNECTOR 1/4N X 3/8T
Price
N/A
9121
PLASTIC CONNECTOR
Price
N/A
9122
***USE P99799122***
Price
N/A
9123
CONNECTOR, BRONZE
Price
N/A
9124
***USE P08191824***
Price
N/A
9125
***USE P0539525***
Price
N/A
9126
MULTIPLE HOLE CONNECTOR
Price
N/A
9127
CONNECTOR 5/16N X 1/8T X 90 DEG
Price
N/A
9128
FLEXIBLE HOSE 8MM
Price
N/A
9129
FLEXIBLE HOSE 8MM
Price
N/A
9130
*DISCD*FLEXIBLE HOSE
Price
N/A
9131
FLEXIBLE HOSE 6MM
Price
N/A
9132
FLEXIBLE HOSE 6MM
Price
N/A
9133
FLEXIBLE HOSE 6MM
Price
N/A
9134
FLEXIBLE HOSE 6MM
Price
N/A
9135
FLEXIBLE HOSE 6MM
Price
N/A
9136
FLEXIBLE HOSE 6MM
Price
N/A
9137
FLEXIBLE HOSE 6MM
Price
N/A
9138
FLEXIBLE HOSE 6MM
Price
N/A
MAN
MANUAL FOR G0582 10/05
$13.50
Enter quantity between 1 and 99