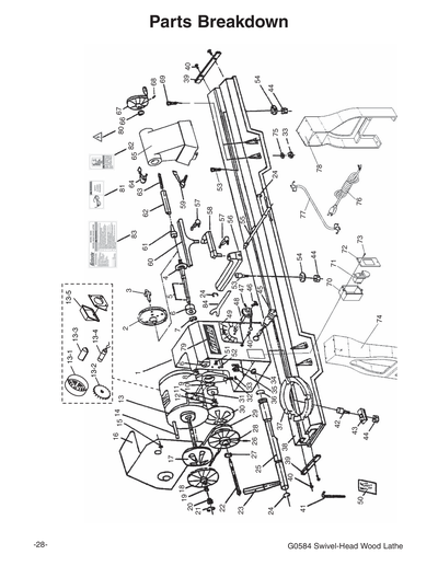
Parts for G0584 VS Wood Lathe w/ Cast-Iron Legs

Parts Diagrams for G0584 - VS Wood Lathe w/ Cast-Iron Legs

IMPORTANT

Parts may have multiple versions that have changed over time. This will be indicated by V1, V2, V3, etc. in the parts description, followed by the version month and year that it was first used. Example: V2.01.17 indicates version 2 of a part went into use in January 2017. Please reference the manufacture date on the ID Label for your machine to ensure you are selecting the correct part when multiple versions are indicated.

If you cannot locate your part below, please contact our tech support department at techsupport@grizzly.com or 570-546-9663.

Please note: All parts ship out of our Springfield, Missouri facility.

Parts List for Parts for G0584 VS Wood Lathe w/ Cast-Iron Legs

1
HEADSTOCK
$91.75
Enter quantity between 1 and 99
1-1
COMPLETE HEADSTOCK ASSY
$944.15
Enter quantity between 1 and 99
2
FACEPLATE 6" 1" X 12 (STEEL)V2.03.23
Price
N/A
2V2
FACEPLATE 6" 1" X 12 (STEEL)V2.03.23
$53.50
Enter quantity between 1 and 99
3
SPUR CENTER MT#2
$23.65
Enter quantity between 1 and 99
4
SPINDLE 1"-12 TPI RH
$66.90
Enter quantity between 1 and 99
5
Now: PK93M
KEY 4 X 4 X 80
Price
N/A
6
BALL BEARING 6205ZZ
Price
N/A
7
Now: PR11M
EXT RETAINING RING 25MM
Price
N/A
8
*DISCD*COMPRESSION SPRING
$2.85
Enter quantity between 1 and 99
9
SHIFTING LEVER BRACKET
$14.00
Enter quantity between 1 and 99
10
Now: PR06M
EXT RETAINING RING 16MM
Price
N/A
11
Now: PR11M
EXT RETAINING RING 25MM
Price
N/A
12
Now: PR15M
EXT RETAINING RING 30MM
Price
N/A
13
MOTOR 3/4HP 110V 1-PH
$275.50
Enter quantity between 1 and 99
13-1
FAN COVER
$5.75
Enter quantity between 1 and 99
13-2
$5.10
Enter quantity between 1 and 99
13-3
CAPACITOR COVER
$3.20
Enter quantity between 1 and 99
13-4
S CAPACITOR 200M 125V 1-1/2 X 2-3/8
Price
N/A
13-5
JUNCTION BOX
Item is no longer available
Price
N/A
14
Now: PK93M
KEY 4 X 4 X 80
Price
N/A
15
Now: PS05M
PHLP HD SCR M5-.8 X 8
Price
N/A
16
MOTOR COVER
$22.35
Enter quantity between 1 and 99
17
MOTOR PULLEY LEFT & RIGHT
Price
N/A
18
MOTOR PULLEY LEFT & RIGHT
$52.15
Enter quantity between 1 and 99
19
COMPRESSION SPRING
$2.90
Enter quantity between 1 and 99
20
SLEEVE
$2.60
Enter quantity between 1 and 99
21
Now: PR06M
EXT RETAINING RING 16MM
Price
N/A
22
PUSH-OUT ROD
$6.50
Enter quantity between 1 and 99
22-1
KNOB FOR PUSH-OUT ROD
$2.60
Enter quantity between 1 and 99
23
QUICK RELEASE HANDLE
Item is no longer available
Price
N/A
24
Now: PR08M
EXT RETAINING RING 19MM
Price
N/A
25
ECCENTRIC ROD
$15.85
Enter quantity between 1 and 99
26
HOLLOW KNURL SET SCR M6 X 10
$1.90
Enter quantity between 1 and 99
27
Now: PR58M
EXT RETAINING RING 24MM
Price
N/A
28
SPINDLE PULLEY SET
Price
N/A
28A
SPINDLE PULLEY SET
$56.85
Enter quantity between 1 and 99
29
Now: PVM24
V-BELT M24 3L240
Price
N/A
30
SPINDLE PULLEY SET
Price
N/A
31
BALL BEARING 6007ZZ
Price
N/A
32
SET SCREW M8-1.25 X 20
Price
N/A
33
Now: PN29M
HEX NUT M18-2.5
Price
N/A
34
CLAMP TWO WIRE
Item is no longer available
Price
N/A
35
Now: PN04M
HEX NUT M4-.7
Price
N/A
36
Now: PR10M
EXT RETAINING RING 22MM
Price
N/A
37
TURNING BASE
$69.50
Enter quantity between 1 and 99
38
$230.90
Enter quantity between 1 and 99
39
BAFFLE
Item is no longer available
Price
N/A
40
Now: PS09M
PHLP HD SCR M5-.8 X 10
Price
N/A
41
HEX WRENCH 6MM
Price
N/A
42
BED CLAMP BOLT A
Item is no longer available
Price
N/A
43
BED CLAMP A
$2.85
Enter quantity between 1 and 99
44
Now: PN17
HEX NUT 3/4-10
Price
N/A
45
SWIVEL PIN ASSEMBLY
$8.35
Enter quantity between 1 and 99
46
Now: PS08M
PHLP HD SCR M5-.8 X 12
Price
N/A
47
SET SCREW M8-1.25 X 12
Price
N/A
48
GEAR ASSEMBLY
$36.25
Enter quantity between 1 and 99
49
SPEED LABEL
$16.40
Enter quantity between 1 and 99
50
SPEED INSTRUCTION LABEL
$16.40
Enter quantity between 1 and 99
51
Now: PB26M
HEX BOLT M8-1.25 X 30
Price
N/A
52
LOCK WASHER 8MM
Price
N/A
53
***SEE EXT. DESCRIPTION***
Item is no longer available
Price
N/A
54
***SEE EXT. DESCRIPTION***
Item is no longer available
Price
N/A
55
***SEE EXT. DESCRIPTION***
Item is no longer available
Price
N/A
56
***SEE EXT. DESCRIPTION***
Item is no longer available
Price
N/A
57
HANDLE ASSY M10-1.5 X 15
$16.85
Enter quantity between 1 and 99
58
*DISCD* EXTENSION TOOL REST
Item is no longer available
Price
N/A
59
*DISCD*TAILSTOCK LOCK HANDLE
$7.60
Enter quantity between 1 and 99
60
***SEE EXT. DESCRIPTION***
Item is no longer available
Price
N/A
61
TAILSTOCK LIVE CENTER MT#2
$30.20
Enter quantity between 1 and 99
62
TAILSTOCK QUILL
$11.50
Enter quantity between 1 and 99
63
*DISCD*TAILSTOCK LEADSCREW
$9.40
Enter quantity between 1 and 99
64
HANDLE ASSY M10-1.5 X 20
Item is no longer available
Price
N/A
65
*DISCD*TAILSTOCK
Item is no longer available
Price
N/A
66
Now: PW14M
FLAT WASHER 14MM
Price
N/A
67
HANDWHEEL
$12.25
Enter quantity between 1 and 99
68
Now: PSS02
SET SCREW 5/16-18 X 3/8
Price
N/A
69
CAP SCREW M8-1.25 X 35
Price
N/A
70
SWITCH BOX
$10.20
Enter quantity between 1 and 99
71
Now: G8988
Safety Paddle Switch
Price
N/A
72
SWITCH BOX PLATE
$9.25
Enter quantity between 1 and 99
73
Now: PS07M
PHLP HD SCR M4-.7 X 8
Price
N/A
74
*DISCD*STAND LEG LEFT/RIGHT V1 2.17.05
Price
N/A
75
LOCK WASHER 8MM
Price
N/A
76
POWER CORD 16G X 3W 73"L
Price
N/A
77
POWER CORD 16G X 3W 24"L
Price
N/A
78
*DISCD*STAND LEG LEFT/RIGHT V1 2.17.05
$154.70
Enter quantity between 1 and 99
78A
COMPLETE LEG ASSY BOX 2
Item is no longer available
Price
N/A
78V2
STAND LEG LEFT/RIGHT
Price
N/A
79
GRIZZLY LOGO LABEL
$16.40
Enter quantity between 1 and 99
80
ELECTRICITY 1.4W X 1.2H
Price
N/A
81
SAFETY GLASSES LABEL HORZ
$4.25
Enter quantity between 1 and 99
82
READ MANUAL 2W X 3.3H V2.07.05
Price
N/A
83
MACHINE ID LABEL
Item is no longer available
Price
N/A
84
FLAT WRENCH 32MM
$7.95
Enter quantity between 1 and 99
85
HARDWARE BAG
$29.35
Enter quantity between 1 and 99
KIT
UPGRADE TOOL REST KIT FOR G0584
$223.20
Enter quantity between 1 and 99
MANUAL
MANUAL FOR G0584 02/05
$11.25
Enter quantity between 1 and 99