Parts for G0593 8" Jointer w/ Spiral Cutterhead

Parts Diagrams for G0593 - 8" Jointer w/ Spiral Cutterhead

IMPORTANT

Parts may have multiple versions that have changed over time. This will be indicated by V1, V2, V3, etc. in the parts description, followed by the version month and year that it was first used. Example: V2.01.17 indicates version 2 of a part went into use in January 2017. Please reference the manufacture date on the ID Label for your machine to ensure you are selecting the correct part when multiple versions are indicated.

If you cannot locate your part below, please contact our tech support department at techsupport@grizzly.com or 570-546-9663.

Please note: All parts ship out of our Springfield, Missouri facility.

Parts List for Parts for G0593 8" Jointer w/ Spiral Cutterhead

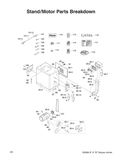
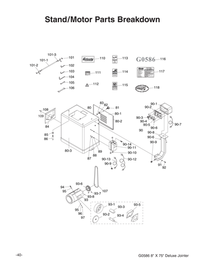
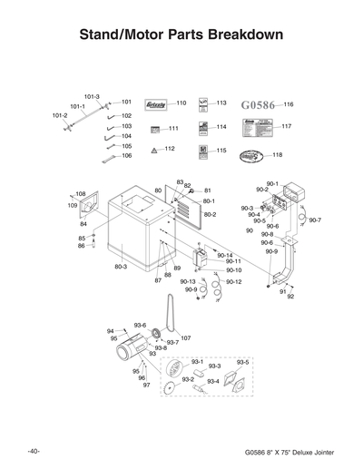
1
FENCE LOCK HANDLE
Price
N/A
2
WASHER 7 X 29 X 3MM
Price
N/A
3
FENCE BRACKET
Price
N/A
4
ROLL PIN 4 X 14
Price
N/A
5
STOP TAB
Price
N/A
6
FENCE SHOULDER BOLT 5/16-18 X 5/8
Price
N/A
7
FENCE
Price
N/A
8
SWIVEL SHAFT
Price
N/A
9
Now: PN02
HEX NUT 5/16-18
Price
N/A
10
Now: PB12
HEX BOLT 5/16-18 X 1-1/4
Price
N/A
11
FENCE LOCK NUT
Price
N/A
12
COVER
Price
N/A
13
Now: PW03
FLAT WASHER #10
Price
N/A
14
Now: PS06
PHLP HD SCR 10-24 X 3/8
Price
N/A
15
*DISCD*TOOTH GIB
Price
N/A
16
Now: PS01
PHLP HD SCR 10-24 X 1/2
Price
N/A
17
SHOULDER BOLT 9.5 X 5/16 -18NC, 39.2
Price
N/A
18
TAB BLOCK
Price
N/A
19
SPACING COLLAR
Price
N/A
20
Now: PN09
HEX NUT 5/8-18
Price
N/A
21
PIVOT NUT
Price
N/A
22
SHOULDER STUD
Price
N/A
23
Now: PB22
HEX BOLT 5/16-18 X 1-3/4
Price
N/A
24
Now: PN19
HEX NUT 7/16-14
Price
N/A
25
STOP TAB
Price
N/A
26
FENCE BLOCK
Price
N/A
27
FENCE HINGE
Price
N/A
28
CONE POINT SET SCREW 3/8-16 X 1-1/2
Price
N/A
29
Now: PN08
HEX NUT 3/8-16
Price
N/A
30
*DISCD*DOG PT SET SCR 3/8-16 X 1-1/2
Price
N/A
31
Now: PB76
HEX BOLT 5/16-18 X 1-5/8
Price
N/A
32
Now: PN01M
HEX NUT M6-1
Price
N/A
33
ROUND FEMALE KNOB
Price
N/A
34
STUD-DE 3/8-16 X 3-1/8, 3/8
Price
N/A
35
Now: PW02
FLAT WASHER 3/8
Price
N/A
36
CAP SCREW 3/8-16 X 1-1/2
Price
N/A
37
TABLE BRACKET
Price
N/A
38
FENCE KEY
Price
N/A
39
BUSHING
Price
N/A
40
WORM GEAR
Price
N/A
41
BALL BEARING 6001ZZ
Price
N/A
42
ROLL PIN 3 X 20
Price
N/A
43
Now: PR20M
INT RETAINING RING 28MM
Price
N/A
44
Now: PR03M
EXT RETAINING RING 12MM
Price
N/A
45
Now: PSS11
SET SCREW 1/4-20 X 1/4
Price
N/A
46
HANDWHEEL
Price
N/A
46-1
HANDLE
Price
N/A
47
*DISCD*WORM GEAR
Price
N/A
48
*DISCD*BRACKET
Price
N/A
49
Now: PS22
PHLP HD SCR 10-24 X 5/8
Price
N/A
50
Now: PLW03
LOCK WASHER #10
Price
N/A
51
TABLE ASSEMBLY
Price
N/A
51-1
INFEED TABLE
Price
N/A
51-10
TABLE BRACKET
Price
N/A
51-11
Now: PLW04
LOCK WASHER 3/8
Price
N/A
51-12
CAP SCREW 3/8-16 X 1-1/4
Price
N/A
51-13
WORM GEAR
Price
N/A
51-14
Now: PK01M
KEY 5 X 5 X 22
Price
N/A
51-15
BRACKET
Price
N/A
51-16
CAP SCREW 1/2-12 X 1-3/4
Price
N/A
51-17
Now: PSS03
SET SCREW 1/4-20 X 3/8
Price
N/A
51-18
COLLAR
Price
N/A
51-2
Now: PLW07
LOCK WASHER 1/2
Price
N/A
51-3
GIB
Price
N/A
51-4
*DISCD*BASE
Price
N/A
51-5
Now: PSS01
SET SCREW 5/16-18 X 1
Price
N/A
51-6
Now: PN02
HEX NUT 5/16-18
Price
N/A
51-7
OUTFEED TABLE
Price
N/A
51-8
CAP SCREW 5/16-18 X 1/2
Price
N/A
51-9
Now: PW07
FLAT WASHER 5/16
Price
N/A
52
CUTTERHEAD PULLEY 2 SHEAVE
Item is no longer available
Price
N/A
53
Now: PSS02
SET SCREW 5/16-18 X 3/8
Price
N/A
54
BEARING BLOCK
$17.25
Enter quantity between 1 and 99
55
BALL BEARING 6205ZZ
Price
N/A
56
Now: PK01M
KEY 5 X 5 X 22
Price
N/A
57
SPIRAL CUTTERHEAD
Price
N/A
57-1
Now: H7319
Indexable Carbide Inserts - 14 x 14 x 2mm, 10-Pk.
Price
N/A
57-2
FLAT HD TORX T20 M6-1 X 15
Price
N/A
57-3
KNIFE 4PC
Price
N/A
57A
SPIRAL CUTTERHEAD 8" V2.03.08
Item is no longer available
Price
N/A
57A-1
Now: H9893
Indexable Carbide Insert - 15 x 15 x 2.5mm, 10-Pk.
Price
N/A
57A-2
Now: PFH32
FLAT HEAD TORX 10-32 X 1/2
Price
N/A
58
STUD-DE 5/16-24 X 4-3/4 5/8RH
Price
N/A
59
Now: PW02
FLAT WASHER 3/8
Price
N/A
60
Now: PN08
HEX NUT 3/8-16
Price
N/A
61
BASE DOUBLE END STUD
Price
N/A
62
BELT COVER
Price
N/A
63
ROUND KNOB 5/16-18
Price
N/A
64
Now: PR48M
EXT RETAINING RING 11MM
Price
N/A
65
CUTTERHEAD GUARD
Price
N/A
66
Now: PR31M
EXT RETAINING RING 38MM
Price
N/A
67
CUTTERHEAD GUARD
Price
N/A
68
*DISCD*PIVOT SHAFT
Price
N/A
69
ROLL PIN 5 X 28
Price
N/A
70
*DISCD*SWIVELING LOCK HANDLE 1/4-18 X 1"
Price
N/A
71
STEEL BALL 5MM
Price
N/A
72
DEPTH SCALE
Price
N/A
72-1
RIVET 2 X 4MM NAMEPLATE, COPPER
Price
N/A
73
HANDWHEEL 6"
Price
N/A
73-1
HANDLE
Price
N/A
74
Now: PW07
FLAT WASHER 5/16
Price
N/A
75
Now: PS38
PHLP HD SCR 5/16-18 X 1/2
Price
N/A
76
DEPTH POINTER
Price
N/A
77
Now: PS23
PHLP HD SCR 8-32 X 1/4
Price
N/A
78
GUARD LOCK HANDLE
Price
N/A
79
*DISCD*RABBET TABLE
Price
N/A
80
STAND ASSY W/MOTOR 2HP 220V 1-PH
$513.50
Enter quantity between 1 and 99
80-1
COVER
Price
N/A
80-2
SEAL
Price
N/A
80-3
CABLE CONNECTOR O
Item is no longer available
Price
N/A
81
STAR KNOB 3/8-16 X 7/8
Price
N/A
82
LATCH
Price
N/A
83
Now: PN08
HEX NUT 3/8-16
Price
N/A
84
DUST PORT
Price
N/A
85
Now: PLW04
LOCK WASHER 3/8
Price
N/A
86
CABINET STAND MOUNTING BOLT
Price
N/A
87
Now: PN06M
HEX NUT M5-.8
Price
N/A
88
Now: PW02M
FLAT WASHER 5MM
Price
N/A
89
Now: PS06M
PHLP HD SCR M5-.8 X 20
Price
N/A
90
PEDESTAL SWITCH ASSY
Price
N/A
90-1
SWITCH BOX
Price
N/A
90-10
STRAIN RELIEF M15 TYPE-6 ST
Price
N/A
90-11
MAGNETIC SWITCH 220V
Price
N/A
90-12
POWER CORD 12G X 3W 86"L
Price
N/A
90-13
POWER CORD 12G X 3W 36"L
Price
N/A
90-14
SWITCH COVER SCREW PLASTIC
Price
N/A
90-2
*DISCD*SWITCH PANEL
Price
N/A
90-3
***USE P0495X151***
Price
N/A
90-4
POWER INDICATOR LIGHT 220V 22MM RED
Price
N/A
90-5
START SWITCH TE XB4-BA31
Price
N/A
90-6
Now: PS09M
PHLP HD SCR M5-.8 X 10
Price
N/A
90-7
CONTROL CORD 18AWG X 5C
Price
N/A
90-8
PEDESTAL ARM
Price
N/A
90-9
RELIEF SB8R-3
Price
N/A
91
Now: PW01M
FLAT WASHER 8MM
Price
N/A
92
Now: PB09M
HEX BOLT M8-1.25 X 20
Price
N/A
93
MOTOR 2HP 110V/220V 1-PH
Price
N/A
93-1
FAN COVER
Price
N/A
93-2
*DISCD*FAN
Price
N/A
93-3
CAPACITOR COVER
Price
N/A
93-4
Now: PC500
S CAPACITOR 500M 125V 1-3/4 X 3-3/8
Price
N/A
93-5
JUNCTION BOX
Price
N/A
93-6
MOTOR PULLEY
Price
N/A
93-7
Now: PSS15
SET SCREW 3/8-16 X 3/8
Price
N/A
93-8
Now: PK12M
KEY 5 X 5 X 30
Price
N/A
94
CAP SCREW 5/16-18 X 1
Price
N/A
95
Now: PW07
FLAT WASHER 5/16
Price
N/A
96
Now: PLW01
LOCK WASHER 5/16
Price
N/A
97
Now: PN02
HEX NUT 5/16-18
Price
N/A
101
WRENCH T-HANDLE TORX 6MM
$12.75
Enter quantity between 1 and 99
101-1
TORX BIT T-20
Item is no longer available
Price
N/A
101-1A
TORX BIT T-25
$13.80
Enter quantity between 1 and 99
102
HEX WRENCH 3MM
Price
N/A
103
HEX WRENCH 4MM
Price
N/A
104
HEX WRENCH 5MM
Price
N/A
105
WRENCH 8 X 10MM OPEN-ENDS
Price
N/A
106
WRENCH 12 X 14MM OPEN-ENDS
Price
N/A
107
Now: PVM40
V-BELT M40 3L400
Price
N/A
108
Now: PS07
PHLP HD SCR 1/4-20 X 3/8
Price
N/A
109
Now: PW06
FLAT WASHER 1/4
Price
N/A
110
GRIZZLY LOGO-FLAT METALLIC
Price
N/A
111
*DISCD*CUTTERHEAD GUARD WARNING
Price
N/A
112
ELECTRICITY 1.4W X 1.2H
Price
N/A
113
SAFETY GLASSES 2W X 3.3H V2.04.08
Price
N/A
114
*DISCD*PUSH BLOCKS WARNING
Price
N/A
115
READ MANUAL 2W X 3.3H V2.07.05
Price
N/A
116
MODEL NUMBER LABEL
$16.40
Enter quantity between 1 and 99
117
MACHINE ID LABEL
Item is no longer available
Price
N/A
118
Now: G8588
Nameplate - Small
Price
N/A
119
GREEN TAPE 48 X 2000MM
Price
N/A
MAN
MANUAL FOR G0593 05/05
$12.00
Enter quantity between 1 and 99