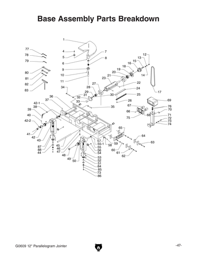
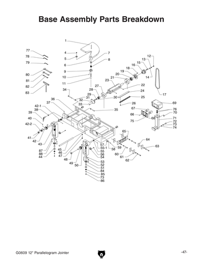
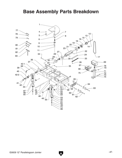
Parts for G0609 12" Parallelogram Jointer w/ 4 Knife Cutterhead

Parts Diagrams for G0609 - 12" Parallelogram Jointer w/ 4 Knife Cutterhead

IMPORTANT

Parts may have multiple versions that have changed over time. This will be indicated by V1, V2, V3, etc. in the parts description, followed by the version month and year that it was first used. Example: V2.01.17 indicates version 2 of a part went into use in January 2017. Please reference the manufacture date on the ID Label for your machine to ensure you are selecting the correct part when multiple versions are indicated.

If you cannot locate your part below, please contact our tech support department at techsupport@grizzly.com or 570-546-9663.

Please note: All parts ship out of our Springfield, Missouri facility.

Parts List for Parts for G0609 12" Parallelogram Jointer w/ 4 Knife Cutterhead

1
CUTTERHEAD GUARD
$96.35
Enter quantity between 1 and 99
4
FLAT HD SCR M8-1.25 X 16
Price
N/A
5
CUTTERHEAD GUARD FLAT WASHER
$1.90
Enter quantity between 1 and 99
6
SET SCREW M6-1 X 12
Price
N/A
7
ADAPTER
$1.90
Enter quantity between 1 and 99
8
TORSION SPRING
$1.90
Enter quantity between 1 and 99
9
SHAFT COLLAR
$6.90
Enter quantity between 1 and 99
10
SET SCREW M6-1 X 12
Price
N/A
11
SHAFT
$3.25
Enter quantity between 1 and 99
12
CUTTERHEAD PULLEY SCREW
$1.90
Enter quantity between 1 and 99
13
LOCK WASHER 10MM
Price
N/A
14
Now: PW04M
FLAT WASHER 10MM
Price
N/A
15
Now: PK111
KEY 8 X 8 X 60
Price
N/A
16
CAST IRON CUTTERHEAD PULLEY V1.01.09
$11.90
Enter quantity between 1 and 99
16V2
ALUMINUM CUTTERHEAD PULLEY V2.03.09
$21.60
Enter quantity between 1 and 99
17
Now: PVA54
V-BELT A54
Price
N/A
17V2
RIBBED V-BELT 8PK-1371 V2.03.09
$21.60
Enter quantity between 1 and 99
18
CAP SCREW M6-1 X 20
Price
N/A
19
BEARING COVER
$11.25
Enter quantity between 1 and 99
20
BALL BEARING 6206ZZ
Price
N/A
21
BEARING SUPPORT
$39.95
Enter quantity between 1 and 99
22
FLAT HD SCR M5-.8 X 12
Price
N/A
23
CUTTERHEAD 12" 4-KNIFE
$204.50
Enter quantity between 1 and 99
24
Now: H9246
12" x 1-1/8" x 1/8" HSS Jointer Knives for G0609, Set of 4
Price
N/A
25
KNIFE BAR GIB
$6.50
Enter quantity between 1 and 99
26
KNIFE LOCK/GIB SCREW
$1.90
Enter quantity between 1 and 99
27
BEARING SUPPORT
$33.45
Enter quantity between 1 and 99
28
BALL BEARING 6204-2RS
Price
N/A
29
Now: PW01M
FLAT WASHER 8MM
Price
N/A
30
CUTTERHEAD SCREW
$1.90
Enter quantity between 1 and 99
31
Now: PN02M
HEX NUT M10-1.5
Price
N/A
32
BEARING COVER
$12.95
Enter quantity between 1 and 99
33
CAP SCREW M6-1 X 20
Price
N/A
34
HEX BOLT M10-1.5 X 150
Price
N/A
35
SET SCREW M10-1.5 X 60
Price
N/A
36
BASE
Item is no longer available
Price
N/A
37
SET SCREW M6-1 X 12
Price
N/A
38
Now: PW04M
FLAT WASHER 10MM
Price
N/A
39
LOCK HANDLE
$10.45
Enter quantity between 1 and 99
40
SET SCREW M6-1 X 8
Price
N/A
41
ECCENTRIC BUSHING
$3.65
Enter quantity between 1 and 99
42
SHAFT
Item is no longer available
Price
N/A
42-1
LEFT TORSION SPRING
Item is no longer available
Price
N/A
42-2
RIGHT TORSION SPRING
Item is no longer available
Price
N/A
43
STOP BLOCK
Item is no longer available
Price
N/A
44
Now: PR21M
INT RETAINING RING 35MM
Price
N/A
45
SHAFT
$11.25
Enter quantity between 1 and 99
46
LOCK WASHER 10MM
Price
N/A
47
Now: PB32M
HEX BOLT M10-1.5 X 25
Price
N/A
48
BUSHING
$3.65
Enter quantity between 1 and 99
49
WORM GEAR
$15.15
Enter quantity between 1 and 99
50
Now: PK12M
KEY 5 X 5 X 30
Price
N/A
51
GEAR
$15.15
Enter quantity between 1 and 99
52
WORM
$25.60
Enter quantity between 1 and 99
53
Now: PK37M
KEY 4 X 4 X 16
Price
N/A
54
SLIDE STOP BLOCK
Item is no longer available
Price
N/A
55
SLIDE STOP BLOCK
Item is no longer available
Price
N/A
55-1
SET SCREW M8-1.25 X 10
Price
N/A
56
BASE FLAT SCREW
Item is no longer available
Price
N/A
57
POINTER
$1.90
Enter quantity between 1 and 99
58
Now: PW02M
FLAT WASHER 5MM
Price
N/A
59
Now: PS09M
PHLP HD SCR M5-.8 X 10
Price
N/A
60
Now: PB73M
HEX BOLT M10-1.5 X 50
Price
N/A
61
CLAMP BLOCK
$3.20
Enter quantity between 1 and 99
62
LOCK WASHER 10MM
Price
N/A
63
Now: PW04M
FLAT WASHER 10MM
Price
N/A
64
CLAMPING BLOCK (OUTER)
Price
N/A
65
CLAMP PLATE
$83.75
Enter quantity between 1 and 99
66
TAP SCREW M4 X 8
Price
N/A
67
*DISCD*STOP BUTTON 1 ARROW V1
Item is no longer available
Price
N/A
67V2
E-STOP BUTTON NHD NLB22-R 22MM V2.01.11
Price
N/A
68
*DISCD*START BUTTON SOLID V1
Item is no longer available
Price
N/A
68V2
START BUTTON CLEAR V2.01.11
Price
N/A
69
SWITCH BOX
$19.10
Enter quantity between 1 and 99
70
FLANGE SCREW M6-1 X 16
Price
N/A
71
SWITCH BOX BRACKET
$21.60
Enter quantity between 1 and 99
72
Now: PB32M
HEX BOLT M10-1.5 X 25
Price
N/A
73
LOCK WASHER 10MM
Price
N/A
74
Now: PW04M
FLAT WASHER 10MM
Price
N/A
75
CONTROL PANEL PLATE
$9.40
Enter quantity between 1 and 99
76
STRAIN RELIEF M20 TYPE-6 ST
Item is no longer available
Price
N/A
77
HEX WRENCH 10MM
Price
N/A
78
HEX WRENCH 8MM
Price
N/A
79
HEX WRENCH 3MM
Price
N/A
80
WRENCH 17 X 19MM OPEN-ENDS
Price
N/A
81
WRENCH 12 X 14MM OPEN-ENDS
Price
N/A
82
WRENCH 10 X 12MM OPEN-ENDS
Price
N/A
83
T-HANDLE WRENCH 4MM
$7.80
Enter quantity between 1 and 99
84
BUSHING
Item is no longer available
Price
N/A
85
BALL BEARING 6202ZZ
Price
N/A
86
Now: PB06M
HEX BOLT M8-1.25 X 12
Price
N/A
87
Now: PW03M
FLAT WASHER 6MM
Price
N/A
88
Now: PB02M
HEX BOLT M6-1 X 12
Price
N/A
101
LEFT TABLE
$403.10
Enter quantity between 1 and 99
102
LEFT TABLE LIP
$25.20
Enter quantity between 1 and 99
103
LOCK WASHER 10MM
Price
N/A
104
CAP SCREW M10-1.5 X 35
Price
N/A
105
SHAFT
Item is no longer available
Price
N/A
106
RIGHT TABLE
$512.90
Enter quantity between 1 and 99
107
RIGHT TABLE LIP
$26.25
Enter quantity between 1 and 99
108
CAP SCREW M10-1.5 X 35
Price
N/A
109
LOCK WASHER 10MM
Price
N/A
110
RABBETING ARM
Item is no longer available
Price
N/A
111
CAP SCREW M10-1.5 X 30
Price
N/A
112
LOCK WASHER 10MM
Price
N/A
113
DEPTH SCALE
$1.90
Enter quantity between 1 and 99
114
RIVET 2 X 4MM NAMEPLATE, STEEL
Price
N/A
115
Now: PW03M
FLAT WASHER 6MM
Price
N/A
116
CAP SCREW M6-1 X 10
Price
N/A
117
DUST DEFLECTOR
Item is no longer available
Price
N/A
118
CAP SCREW M5-.8 X 25
Price
N/A
119
STOP BLOCK
$4.35
Enter quantity between 1 and 99
120
BAR
Item is no longer available
Price
N/A
201
FENCE BRACKET
$33.45
Enter quantity between 1 and 99
202
Now: PW06M
FLAT WASHER 12MM
Price
N/A
203
LOCK WASHER 12MM
Price
N/A
204
CAP SCREW M12-1.75 X 30
Price
N/A
205
SLIDING RAIL
$9.00
Enter quantity between 1 and 99
206
CAP SCREW M5-.8 X 14
Price
N/A
207
SLIDING BRACKET
$35.95
Enter quantity between 1 and 99
210
BLOCK
$4.70
Enter quantity between 1 and 99
211
Now: PW01M
FLAT WASHER 8MM
Price
N/A
212
Now: PB07M
HEX BOLT M8-1.25 X 25
Price
N/A
213
COLLAR
$5.10
Enter quantity between 1 and 99
214
SET SCREW M8-1.25 X 12
Price
N/A
215
SET SCREW M6-1 X 12
Price
N/A
216
Now: PB30M
HEX BOLT M8-1.25 X 55
Price
N/A
217
Now: PN03M
HEX NUT M8-1.25
Price
N/A
218
COLLAR
$1.90
Enter quantity between 1 and 99
219
ECCENTRIC SHAFT
$16.20
Enter quantity between 1 and 99
220
HANDLE ROD
$1.90
Enter quantity between 1 and 99
221
HANDLE
$1.90
Enter quantity between 1 and 99
222
SLIDING BUSHING ASSY
$2.90
Enter quantity between 1 and 99
223
Now: PW06M
FLAT WASHER 12MM
Price
N/A
224
FENCE BRACKET HEX NUT M12-1.75
$1.90
Enter quantity between 1 and 99
225
LEFT BRACKET
$4.35
Enter quantity between 1 and 99
226
$6.50
Enter quantity between 1 and 99
227
HANDLE
$1.90
Enter quantity between 1 and 99
228
HANDLE ROD
$2.90
Enter quantity between 1 and 99
229
Now: PN09M
HEX NUT M12-1.75
Price
N/A
230
FENCE
$286.10
Enter quantity between 1 and 99
231
CLAMP
$20.15
Enter quantity between 1 and 99
232
CAP SCREW M10-1.5 X 25
Price
N/A
233
LOCK LEVER ASSY
$7.95
Enter quantity between 1 and 99
234
LOCK LEVER FLAT WASHER 13 X 35 X 3
$1.90
Enter quantity between 1 and 99
235
DOUBLE END THREADED ROD
$6.15
Enter quantity between 1 and 99
236
ROLL PIN 5 X 20
Price
N/A
237
ACORN NUT M12-1.75 PINNED
$1.90
Enter quantity between 1 and 99
238
SUPPORT BRACKET
$9.40
Enter quantity between 1 and 99
239
Now: PB09M
HEX BOLT M8-1.25 X 20
Price
N/A
240
Now: PN03M
HEX NUT M8-1.25
Price
N/A
241
RIGHT BRACKET
$4.35
Enter quantity between 1 and 99
242
Now: PN03M
HEX NUT M8-1.25
Price
N/A
243
Now: PB20M
HEX BOLT M8-1.25 X 35
Price
N/A
245
RIVET 2 X 5MM NAMEPLATE, STEEL
Price
N/A
301
LEFT ACCESS DOOR
Item is no longer available
Price
N/A
301-1
BUTTON HD CAP SCR M6-1 X 20
Price
N/A
301-2
Now: PW03M
FLAT WASHER 6MM
Price
N/A
302
DUST HOOD
$50.70
Enter quantity between 1 and 99
302-1
BUTTON HD CAP SCR M6-1 X 10
Price
N/A
304
TAP SCREW M4 X 8
Price
N/A
305
CABINET
Item is no longer available
Price
N/A
306
RUBBER WASHER 8MM
Item is no longer available
Price
N/A
307
SET SCREW M8-1.25 X 15
Price
N/A
308
PULLEY COVER
$47.45
Enter quantity between 1 and 99
309
TENSION ROD
$2.20
Enter quantity between 1 and 99
310
Now: PW06M
FLAT WASHER 12MM
Price
N/A
311
Now: PN09M
HEX NUT M12-1.75
Price
N/A
312
TENSION PLATE
$9.50
Enter quantity between 1 and 99
313
HEX BOLT M10-1.5 X 45
Price
N/A
314
Now: PW04M
FLAT WASHER 10MM
Price
N/A
315
MOTOR 3HP 1PH 240V 60HZ V1.06.06
$420.50
Enter quantity between 1 and 99
315-1
Now: PK33M
KEY 5 X 5 X 45
Price
N/A
315-2
MOTOR FAN COVER V1.06.06
Item is no longer available
Price
N/A
315-3
MOTOR FAN V1.06.06
$3.25
Enter quantity between 1 and 99
315-4
CENTRIFUGAL SWITCH V1.06.06
Item is no longer available
Price
N/A
315-5
S CAPACITOR 200M 250V 1-9/16 X 3-9/16
Price
N/A
315-6
R CAPACITOR 20M 450V 1-9/16 X 2-3/4
$8.65
Enter quantity between 1 and 99
315-7
JUNCTION BOX V1.06.06
Item is no longer available
Price
N/A
315A
MOTOR 3HP 240V 1-PH V2.03.08
Price
N/A
315A-1
Now: PK33M
KEY 5 X 5 X 45
Price
N/A
315A-10
CONTACT PLT-TUNGSTEN 5HP OR LESS
Price
N/A
315A-2
MOTOR FAN COVER V2.03.08
Price
N/A
315A-3
MOTOR FAN V2.03.08
Price
N/A
315A-4
CENT SWITCH 5/8-3450
Price
N/A
315A-5
S CAPACITOR 200M 250V 1-9/16 X 3-9/16
Price
N/A
315A-6
R CAPACITOR 20M 400V V2.03.08
Price
N/A
315A-7
JUNCTION BOX V2.03.08
Price
N/A
315A-8
BALL BEARING 6205ZZ
Price
N/A
315A-9
BALL BEARING 6203ZZ
Price
N/A
316
CAST IRON MOTOR PULLEY V1.01.09
$47.45
Enter quantity between 1 and 99
316V2
ALUMINUM MOTOR PULLEY V2.03.09
$33.10
Enter quantity between 1 and 99
317
SET SCREW M10-1.5 X 16
Price
N/A
318
MOTOR BRACKET
$10.10
Enter quantity between 1 and 99
319
Now: PN09M
HEX NUT M12-1.75
Price
N/A
320
Now: PN02M
HEX NUT M10-1.5
Price
N/A
321
PULLEY COVER LOCK KNOB
Item is no longer available
Price
N/A
322
BUTTON HD CAP SCR M6-1 X 20
Price
N/A
323
RIGHT ACCESS DOOR
$19.85
Enter quantity between 1 and 99
324
LATCH HEX NUT M6-1
Item is no longer available
Price
N/A
325
Now: PW03M
FLAT WASHER 6MM
Price
N/A
326
ADAPTOR
Item is no longer available
Price
N/A
327
LATCH
Item is no longer available
Price
N/A
328
SMALL PANEL GASKET
Item is no longer available
Price
N/A
329
CAP SCREW M10-1.25 X 25
Price
N/A
330
LOCK WASHER 10MM
Price
N/A
331
CONTROL PANEL CORD GASKET
Item is no longer available
Price
N/A
332
CAP SCREW M6-1 X 10
Price
N/A
333
Now: PW03M
FLAT WASHER 6MM
Price
N/A
334
*DISCD*MAGNETIC SWITCH V1
Item is no longer available
Price
N/A
334-1
Now: PS06M
PHLP HD SCR M5-.8 X 20
Price
N/A
334-2
CONTACTOR 12D 230V
$133.70
Enter quantity between 1 and 99
334-3
MAG SWITCH COVER ASSEMBLY
$25.90
Enter quantity between 1 and 99
334-4
OL RELAY NHD NTH-17 14-17A
$41.40
Enter quantity between 1 and 99
334-5
MAG SWITCH COVER ASSEMBLY
Price
N/A
334V2
MAGNETIC SWITCH V2.01.11
$154.95
Enter quantity between 1 and 99
335
SWITCH PLATE
Item is no longer available
Price
N/A
335A
KNIFE SETTING JIG ASSEMBLY
Price
N/A
336
Now: PW02M
FLAT WASHER 5MM
Price
N/A
337
Now: PN06M
HEX NUT M5-.8
Price
N/A
338
SET SCREW M6-1 X 8
Price
N/A
339
COLLAR
$6.15
Enter quantity between 1 and 99
340
SPIRAL GEAR SHAFT
$22.35
Enter quantity between 1 and 99
341
Now: PR29M
INT RETAINING RING 32MM
Price
N/A
342
BALL BEARING 6206ZZ
Price
N/A
343
BEARING SUPPORT
Item is no longer available
Price
N/A
344
FLAT HD SCR M6-1 X 8
Price
N/A
345
FLANGE SCREW M6-1 X 16
Price
N/A
346
HANDWHEEL
$23.40
Enter quantity between 1 and 99
347
ROLL PIN 4 X 10
Price
N/A
348
Now: PN09M
HEX NUT M12-1.75
Price
N/A
349
Now: PW06M
FLAT WASHER 12MM
Price
N/A
350
FOLDING HANDLE
$21.95
Enter quantity between 1 and 99
351
Now: PK34M
KEY 5 X 5 X 20
Price
N/A
352
Now: W1400
Safety Push Block - Small
Price
N/A
353
Now: PR39M
EXT RETAINING RING 8MM
Price
N/A
354
KNIFE JIG ROD
$1.49
Enter quantity between 1 and 99
355
KNIFE JIG BLOCK
Item is no longer available
Price
N/A
355A
KNIFE SETTING JIG ASSEMBLY
$7.95
Enter quantity between 1 and 99
356
POWER CORD 12G 3W V1
Item is no longer available
Price
N/A
356V2
POWER CORD 12G 3W 72" 6-20P V2.08.12
Price
N/A
401
MACHINE ID LABEL NO CSA V1
$16.40
Enter quantity between 1 and 99
401V2
MACHINE ID LABEL CSA V2.08.12
Item is no longer available
Price
N/A
402
CUTTERHEAD WARNING LABEL
Item is no longer available
Price
N/A
403
CUTTERHEAD GUARD LABEL 4.1W X 2.2H
Price
N/A
404
ELECTRICITY 1.4W X 1.2H
Price
N/A
405
CONTROL PANEL PLATE
Price
N/A
406
SAFETY GLASSES 2W X 3.3H V2.04.08
Price
N/A
407
READ MANUAL 2W X 3.3H V2.07.05
Price
N/A
408
Now: G8589
Nameplate - Large
Price
N/A
409
MODEL NUMBER LABEL
$16.50
Enter quantity between 1 and 99
410
EAR PROTECTION/RESPIRATOR 2W X 3.3H
Price
N/A
411
DISCONNECT 220V 2W X 3.3H
Price
N/A
412
N/S GRIZZLY GREEN G1023S
Price
N/A
413
GREY PUTTY REF G0504
Price
N/A
414
HANDWHEEL UP/DOWN LABEL
$1.25
Enter quantity between 1 and 99
MANUAL
MANUAL FOR G0609 02/08
$14.65
Enter quantity between 1 and 99
MANV2
MANUAL G0609 MFG 07/12 V2.07.12
Item is no longer available
Price
N/A