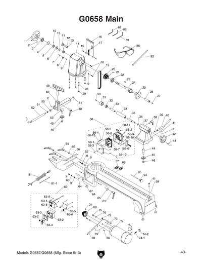
Parts for G0658 12 x 20 Heavy-Duty Bench-Top Wood Lathe

Parts Diagrams for G0658 - 12 x 20 Heavy-Duty Bench-Top Wood Lathe

IMPORTANT

Parts may have multiple versions that have changed over time. This will be indicated by V1, V2, V3, etc. in the parts description, followed by the version month and year that it was first used. Example: V2.01.17 indicates version 2 of a part went into use in January 2017. Please reference the manufacture date on the ID Label for your machine to ensure you are selecting the correct part when multiple versions are indicated.

If you cannot locate your part below, please contact our tech support department at techsupport@grizzly.com or 570-546-9663.

Please note: All parts ship out of our Springfield, Missouri facility.

Parts List for Parts for G0658 12 x 20 Heavy-Duty Bench-Top Wood Lathe

1
SPINDLE HANDWHEEL
$11.80
Enter quantity between 1 and 99
2
Now: PSS11
SET SCREW 1/4-20 X 1/4
Price
N/A
3
BALL BEARING 6004-2RS
Price
N/A
4
WAVY WASHER 30MM
$1.85
Enter quantity between 1 and 99
5
COLLAR
$2.75
Enter quantity between 1 and 99
6
SENSOR RING
$1.85
Enter quantity between 1 and 99
7
Now: PS22
PHLP HD SCR 10-24 X 5/8
Price
N/A
8
CORD CLAMP
Item is no longer available
Price
N/A
9
Now: PN07
HEX NUT 10-24
Price
N/A
10
SET SCREW M4-.7 X 4
Price
N/A
11
SENSOR BRACKET
Price
N/A
12
CAP SCREW 5/32-32 X 3/8
Item is no longer available
Price
N/A
13
WAVY WASHER 30MM
Price
N/A
14
HEADSTOCK
Item is no longer available
Price
N/A
15
ROLL PIN 3 X 20
Price
N/A
16
REAR ACCESS COVER
$6.05
Enter quantity between 1 and 99
17
TENSION SPRING
Item is no longer available
Price
N/A
18
Now: PS10
PHLP HD SCR 10-24 X 1-1/2
Price
N/A
19
RIBBED V-BELT 260J4
$18.15
Enter quantity between 1 and 99
20
SPINDLE PULLEY
Price
N/A
21
SET SCREW M6-1 X 8
Price
N/A
22
BALL BEARING 6005-2RS
Price
N/A
23
Now: PK34M
KEY 5 X 5 X 20
Price
N/A
24
SPINDLE
$39.85
Enter quantity between 1 and 99
25
FACEPLATE
Price
N/A
26
SPUR CENTER
Price
N/A
27
*DISCD*CENTER POINTER
Price
N/A
28
CAP SCREW 5/16-18 X 1
Price
N/A
29
Now: PLW01
LOCK WASHER 5/16
Price
N/A
30
CENTER POINT
Price
N/A
31
LIVE CENTER HEAD
Price
N/A
32
BALL BEARING 6002ZZ
Price
N/A
33
LIVE CENTER SHAFT
Price
N/A
34
TAILSTOCK QUILL
$22.70
Enter quantity between 1 and 99
35
LEADSCREW
$11.20
Enter quantity between 1 and 99
36
E-CLIP 12MM
Price
N/A
37
TAILSTOCK
$61.25
Enter quantity between 1 and 99
37A
COMPLETE TAILSTOCK ASSY
Item is no longer available
Price
N/A
38
TOOL REST LOCK HANDLE
Price
N/A
39
Now: PR01M
EXT RETAINING RING 10MM
Price
N/A
40
TAILSTOCK LEVER
Price
N/A
41
END STOP
Item is no longer available
Price
N/A
42
HANDWHEEL
$24.75
Enter quantity between 1 and 99
43
HANDWHEEL KNOB
Item is no longer available
Price
N/A
44
TAILSTOCK CLAMP BOLT
Price
N/A
45
CLAMP PLATE
Price
N/A
46
LOCK NUT M10-1.5
Price
N/A
48
TOOL REST
Price
N/A
49
TOOL REST BASE 8-7/8" LONG
$19.55
Enter quantity between 1 and 99
50
BUSHING
Price
N/A
51
Now: PR03M
EXT RETAINING RING 12MM
Price
N/A
52
ECCENTRIC ROD
Item is no longer available
Price
N/A
53
CLAMP BOLT
Price
N/A
54
LARGE HANDLE ASSEMBLY
Item is no longer available
Price
N/A
55
Now: PW04M
FLAT WASHER 10MM
Price
N/A
56
OUTBOARD TURNING BRACKET
$56.10
Enter quantity between 1 and 99
57
STRAIN RELIEF M20 TYPE-6 ST
Item is no longer available
Price
N/A
58
CONTROL BOX
Item is no longer available
Price
N/A
58-1
*DISCD*DOOR PLATE
Item is no longer available
Price
N/A
58-13
EXT TOOTH WASHER #10
Price
N/A
58-2
Now: PS17M
PHLP HD SCR M4-.7 X 6
Price
N/A
58-3
Now: PS06
PHLP HD SCR 10-24 X 3/8
Price
N/A
58-4
EXT TOOTH WASHER #10
Price
N/A
58-5
Now: PN07
HEX NUT 10-24
Price
N/A
58-7
*DISCD*MOTOR CIRCUIT BOARD
Item is no longer available
Price
N/A
58-9
*DISCD*CASE
Item is no longer available
Price
N/A
59
LATHE BED
Item is no longer available
Price
N/A
60
EXT TOOTH WASHER #10
Price
N/A
61
LEVER ASSY
Price
N/A
62
PHLP HD SCR 10-24 X 7/8
Item is no longer available
Price
N/A
63
ELECTRIC BOX
Item is no longer available
Price
N/A
63-1
*DISCD*CIRCUIT BOARD
Price
N/A
63-2
CONTROL BOX
Price
N/A
63-3
BOX COVER
Price
N/A
63-4
Now: G8988
Safety Paddle Switch
Price
N/A
63-5
BACK PLATE
Price
N/A
63-6
GROMMET M3.5
Price
N/A
63-7
KNOB
Price
N/A
63-8
*DISCD*SPEED CONTROL
Price
N/A
63-9
TAP SCREW 10-24 X 3/8
Price
N/A
64
SET SCREW M5-.8 X 15
Price
N/A
65
Now: PW01M
FLAT WASHER 8MM
Price
N/A
66
HANDLE ASSY
Item is no longer available
Price
N/A
67
LEVELING FOOT
$1.85
Enter quantity between 1 and 99
68
MOTOR PULLEY
Price
N/A
69
STRAIN RELIEF M16 TYPE-6 ST
Price
N/A
72
Now: PLN03
LOCK NUT 5/16-18
Price
N/A
73
Now: PB12
HEX BOLT 5/16-18 X 1-1/4
Price
N/A
74
MOTOR 3/4HP 110V 1-PH
Item is no longer available
Price
N/A
74-1
MOTOR BRUSH
$4.85
Enter quantity between 1 and 99
74-2
MOTOR BRUSH CAP
$5.80
Enter quantity between 1 and 99
75
Now: PB83M
HEX BOLT M6-1 X 16
Price
N/A
76
LOCK WASHER 6MM
Price
N/A
78
RUBBER HANDLE
Item is no longer available
Price
N/A
79
MOTOR PLATE
Price
N/A
80
Now: PK48M
KEY 4 X 4 X 20
Price
N/A
81
POWER CORD
Price
N/A
81-1
WIRE HARNESS
Price
N/A
82
ZIP TIE
Item is no longer available
Price
N/A
86
SAFETY GLASSES
Item is no longer available
Price
N/A
87
HEX WRENCH 3MM
Price
N/A
88
HEX WRENCH 5MM
Price
N/A
89
HEX WRENCH 6MM
Price
N/A
94
KNOCKOUT BAR HANDLE
Price
N/A
95
KNOCKOUT BAR ROD
Price
N/A
101
READ MANUAL LABEL
Item is no longer available
Price
N/A
102
SPINDLE SPEED LABEL
Item is no longer available
Price
N/A
103
ENTANGLEMENT HAZARD
Item is no longer available
Price
N/A
104
MACHINE ID LABEL
Item is no longer available
Price
N/A
105
ELECTRICITY 1.4W X 1.2H
Price
N/A
106
EYE/FACE/LUNG LABEL
Item is no longer available
Price
N/A
MAN
MANUAL FOR G0657 02/08
Price
N/A