Parts for G0764 14" Sliding Table Saw

Parts Diagrams for G0764 - 14" Sliding Table Saw

IMPORTANT

Parts may have multiple versions that have changed over time. This will be indicated by V1, V2, V3, etc. in the parts description, followed by the version month and year that it was first used. Example: V2.01.17 indicates version 2 of a part went into use in January 2017. Please reference the manufacture date on the ID Label for your machine to ensure you are selecting the correct part when multiple versions are indicated.

If you cannot locate your part below, please contact our tech support department at techsupport@grizzly.com or 570-546-9663.

Please note: All parts ship out of our Springfield, Missouri facility.

Parts List for Parts for G0764 14" Sliding Table Saw

1
FRONT PANEL
Item is no longer available
Price
N/A
2
Now: PB31M
HEX BOLT M10-1.5 X 40
Price
N/A
3
Now: PN02M
HEX NUT M10-1.5
Price
N/A
8
LOCK WASHER 6MM
Price
N/A
9
CAP SCREW M6-1 X 16
Price
N/A
12
ATTACHMENT ACCESS PANEL
$20.05
Enter quantity between 1 and 99
13
BUTTON HD CAP SCR M6-1 X 12
Price
N/A
14
CAP SCREW M5-.8 X 12
Price
N/A
15
LOCK WASHER 5MM
Price
N/A
16
HINGE POST
$23.10
Enter quantity between 1 and 99
17
CAP SCREW M4-.7 X 30
Price
N/A
18
LOCK WASHER 4MM
Price
N/A
19
Now: PW05M
FLAT WASHER 4MM
Price
N/A
20
DOOR LIMIT SWITCH SHINOZAK AZD-211
$60.90
Enter quantity between 1 and 99
24
CAP SCREW M5-.8 X 8
Price
N/A
25
LOCK WASHER 5MM
Price
N/A
27
PANEL PLUG
$3.60
Enter quantity between 1 and 99
28
MASTER POWER SWITCH KONCAR 07-40U06
$48.20
Enter quantity between 1 and 99
29
ELECTRICAL BOX ACCESS PANEL
$68.45
Enter quantity between 1 and 99
30
BUTTON HD CAP SCR M6-1 X 10
Price
N/A
31
TRUNNION
$65.05
Enter quantity between 1 and 99
32
Now: PW04M
FLAT WASHER 10MM
Price
N/A
33
LOCK WASHER 10MM
Price
N/A
34
CAP SCREW M10-1.5 X 35
Price
N/A
35
TAP SCREW M5 X 20
Price
N/A
36
EMERGENCY STOP BUTTON
Price
N/A
37
SWITCH BOX GASKET
$12.10
Enter quantity between 1 and 99
38
SWITCH BOX
$14.40
Enter quantity between 1 and 99
39
STRAIN RELIEF M17 TYPE-6 ST
Price
N/A
40
DOOR KNOB ASSEMBLY
$36.95
Enter quantity between 1 and 99
41
DOOR W/HINGE ASSEMBLIES
$107.30
Enter quantity between 1 and 99
42
LOCK WASHER 4MM
Price
N/A
43
Now: PS02M
PHLP HD SCR M4-.7 X 12
Price
N/A
44
BUTTON HD CAP SCR M6-1 X 20
Price
N/A
45
JUNCTION BOX
$28.55
Enter quantity between 1 and 99
46
TERMINAL BAR 4P PB2504
$11.95
Enter quantity between 1 and 99
47
Now: PS05M
PHLP HD SCR M5-.8 X 8
Price
N/A
48
BUTTON HD CAP SCR M5-.8 X 12
Price
N/A
49
STRAIN RELIEF TYPE-3 M20-1.5
Price
N/A
50
CAP SCREW M6-1 X 45
Price
N/A
51
DOOR LATCH
$30.65
Enter quantity between 1 and 99
55
STRAIN RELIEF M20 TYPE-6 ST
$16.15
Enter quantity between 1 and 99
56
CONDUIT FITTING PGN21-28 LT STRAIGHT
$15.85
Enter quantity between 1 and 99
57
STRAIN RELIEF TYPE-3 M20-1.5
Price
N/A
58
STRAIN RELIEF PLATE
$33.95
Enter quantity between 1 and 99
59
LOCK WASHER 6MM
Price
N/A
60
CAP SCREW M6-1 X 12
Price
N/A
61
PANEL PLUG
Price
N/A
62
COVER PLATE (RH)
Item is no longer available
Price
N/A
63
COVER PLATE (LH)
$24.55
Enter quantity between 1 and 99
64
FLANGE SCREW M6-1 X 10
Price
N/A
65
ELECTRICAL MOUNTING BOARD
Item is no longer available
Price
N/A
67
Now: PW03M
FLAT WASHER 6MM
Price
N/A
68
FLANGE NUT M6-1
Price
N/A
69
GASKET 2 X 300 X 7.5MM
$5.55
Enter quantity between 1 and 99
71
TILT INDICATOR ASSEMBLY
$86.70
Enter quantity between 1 and 99
71-1
Now: PW02M
FLAT WASHER 5MM
Price
N/A
71-10
CAP SCREW M6-1 X 12
Price
N/A
71-11
LOCK WASHER 6MM
Price
N/A
71-12
SHAFT
$11.60
Enter quantity between 1 and 99
71-13
Now: PW03M
FLAT WASHER 6MM
Price
N/A
71-14
COMPRESSION SPRING
$17.50
Enter quantity between 1 and 99
71-2
Now: PS09M
PHLP HD SCR M5-.8 X 10
Price
N/A
71-3
POINTER
$13.75
Enter quantity between 1 and 99
71-4
SUPPORT PLATE
$50.00
Enter quantity between 1 and 99
71-5
Now: PW03M
FLAT WASHER 6MM
Price
N/A
71-6
STEEL WIRE
$24.30
Enter quantity between 1 and 99
71-7
CAP SCREW M5-.8 X 10
Price
N/A
71-8
SET SCREW M5-.8 X 10
Price
N/A
71-9
POINTER MOUNT
$15.85
Enter quantity between 1 and 99
72
FLANGE SCREW M4-.7 X 20
Price
N/A
73
TILT SCALE
$19.65
Enter quantity between 1 and 99
74
Now: PW05M
FLAT WASHER 4MM
Price
N/A
75
Now: PN04M
HEX NUT M4-.7
Price
N/A
80
TRUNNION PLATE
Item is no longer available
Price
N/A
81
Now: PW03M
FLAT WASHER 6MM
Price
N/A
82
LOCK WASHER 6MM
Price
N/A
83
CAP SCREW M6-1 X 16
Price
N/A
84
TILT SCALE WINDOW
$8.20
Enter quantity between 1 and 99
86
Now: PB51M
HEX BOLT M16-2 X 50
Price
N/A
87
Now: PN13M
HEX NUT M16-2
Price
N/A
88
SET SCREW M8-1.25 X 25
Price
N/A
89
Now: PN03M
HEX NUT M8-1.25
Price
N/A
90
CORD CONNECTOR
$9.05
Enter quantity between 1 and 99
91
TAP SCREW M4 X 16
Price
N/A
92
TOOL HANGER
$8.80
Enter quantity between 1 and 99
93
TOOLBOX
$30.55
Enter quantity between 1 and 99
95
WRENCH 24 X 27MM OPEN-ENDS
Price
N/A
96
Now: PWR19
WRENCH 19MM COMBO
Price
N/A
97
Now: PWR30
WRENCH 30MM COMBO
Price
N/A
101
SET SCREW M10-1.5 X 20
Price
N/A
102
Now: PN02M
HEX NUT M10-1.5
Price
N/A
103
EXTENSION TABLE (LH)
$223.35
Enter quantity between 1 and 99
104
CAP SCREW M10-1.5 X 25
Price
N/A
105
MAIN TABLE
Item is no longer available
Price
N/A
106
EXTENSION TABLE (RH)
$410.45
Enter quantity between 1 and 99
107
Now: PW04M
FLAT WASHER 10MM
Price
N/A
108
LOCK WASHER 10MM
Price
N/A
109
BUTTON HD CAP SCR M6-1 X 12
Price
N/A
110
SAW TABLE ANGLE INSERT
Price
N/A
111
STUD-FT M16-2 X 100
$31.80
Enter quantity between 1 and 99
112
LOCK NUT M16-2
Price
N/A
113
Now: PW08M
FLAT WASHER 16MM
Price
N/A
114
Now: PN13M
HEX NUT M16-2
Price
N/A
201
BUTTON DUST COVER (PLASTIC)
$9.50
Enter quantity between 1 and 99
202
ON BUTTON RENY R9C01VN 22MM GRN
$16.60
Enter quantity between 1 and 99
203
OFF BUTTON RENY R9C01VN 22MM RED
$16.60
Enter quantity between 1 and 99
204
POWER LAMP KEYON KE22DS
$15.70
Enter quantity between 1 and 99
205
CONTROL PANEL LABEL
$27.95
Enter quantity between 1 and 99
206
CONTROL PANEL PLATE
$114.75
Enter quantity between 1 and 99
207
LOCK WASHER 6MM
Price
N/A
208
CAP SCREW M6-1 X 16
Price
N/A
209
E-STOP BUTTON RENY R9C01VN 22MM
$30.20
Enter quantity between 1 and 99
301
CAP SCREW M4-.7 X 30
Price
N/A
302
BLADE COVER LATCH (LH)
$7.90
Enter quantity between 1 and 99
303
BLADE COVER TORSION SPRING (LH)
$4.60
Enter quantity between 1 and 99
304
BLADE COVER
$143.45
Enter quantity between 1 and 99
305
BLADE COVER LIMIT SWITCH ASSY
Item is no longer available
Price
N/A
305-1
BLADE LIMIT SWITCH SHINOZAK AZD-1112
$33.65
Enter quantity between 1 and 99
305-2
LIMIT SWITCH CORD 2W 8FT
Item is no longer available
Price
N/A
305-3
Now: PN04M
HEX NUT M4-.7
Price
N/A
305-4
Now: PW05M
FLAT WASHER 4MM
Price
N/A
305-5
LIMIT SWITCH BRACKET
Item is no longer available
Price
N/A
305-6
Now: PS25M
PHLP HD SCR M4-.7 X 35
Price
N/A
306
CAP SCREW M6-1 X 10
Price
N/A
307
LOCK WASHER 6MM
Price
N/A
308
Now: PW03M
FLAT WASHER 6MM
Price
N/A
312
CUSHION STRIP
$5.55
Enter quantity between 1 and 99
315
FLANGE BOLT M8-1.25 X 12
Price
N/A
316
DUST PORT 5"
Item is no longer available
Price
N/A
317
BLADE COVER HINGE
$13.75
Enter quantity between 1 and 99
318
Now: PW02M
FLAT WASHER 5MM
Price
N/A
319
LOCK WASHER 5MM
Price
N/A
320
CAP SCREW M5-.8 X 8
Price
N/A
321
L-BRACKET
$9.95
Enter quantity between 1 and 99
322
LOCK NUT M4-.7
Price
N/A
324
BLADE COVER LATCH HOOK
Item is no longer available
Price
N/A
325
Now: PW02M
FLAT WASHER 5MM
Price
N/A
326
LOCK WASHER 5MM
Price
N/A
327
CAP SCREW M5-.8 X 10
Price
N/A
328
BLADE COVER TORSION SPRING (RH)
$4.60
Enter quantity between 1 and 99
329
BLADE COVER LATCH (RH)
$7.90
Enter quantity between 1 and 99
332
Now: PB22M
HEX BOLT M8-1.25 X 50
Price
N/A
333
Now: PN03M
HEX NUT M8-1.25
Price
N/A
334
BLADE SHROUD
Item is no longer available
Price
N/A
335
Now: PB04M
HEX BOLT M6-1 X 10
Price
N/A
336
BLADE COVER LATCH BRACKET
Item is no longer available
Price
N/A
337
CAP SCREW M8-1.25 X 45
Price
N/A
338
SLIDE SHAFT (TALL)
Item is no longer available
Price
N/A
339
CAP SCREW M8-1.25 X 45
Price
N/A
340
SLIDE SHAFT (SHORT)
Item is no longer available
Price
N/A
341
SET SCREW M8-1.25 X 20
Price
N/A
342
Now: PW02M
FLAT WASHER 5MM
Price
N/A
343
CAP SCREW M5-.8 X 16
Price
N/A
344
LOCK WASHER 5MM
Price
N/A
345
Now: PN06M
HEX NUT M5-.8
Price
N/A
346
CAP SCREW M6-1 X 10
Price
N/A
347
LOCK WASHER 6MM
Price
N/A
348
Now: PW03M
FLAT WASHER 6MM
Price
N/A
349
L-BRACKET
Item is no longer available
Price
N/A
401
Now: PN32M
HEX NUT M14-2
Price
N/A
402
Now: PW10M
FLAT WASHER 14MM
Price
N/A
403
CUSHION SLEEVE
$2.75
Enter quantity between 1 and 99
404
ADJUSTING SHAFT
$59.50
Enter quantity between 1 and 99
405
BUSHING
$4.85
Enter quantity between 1 and 99
406
BUTTON HD CAP SCR M8-1.25 X 30
Price
N/A
407
SOLID ROD END
$24.80
Enter quantity between 1 and 99
408
Now: PR01M
EXT RETAINING RING 10MM
Price
N/A
409
ADJUSTABLE HANDLE M8-1.25 X 20
$14.85
Enter quantity between 1 and 99
410
FENDER WASHER 8MM
Price
N/A
411
Now: PN03M
HEX NUT M8-1.25
Price
N/A
412
MOTOR MOUNT
Item is no longer available
Price
N/A
413
MOTOR MOUNT BRACKET
$31.15
Enter quantity between 1 and 99
414
STUD-FT M10-1.5 X 55
Item is no longer available
Price
N/A
415
Now: PN02M
HEX NUT M10-1.5
Price
N/A
416
Now: PW04M
FLAT WASHER 10MM
Price
N/A
417
MAIN MOTOR 10HP 220V/440V 3-PH
$1,351.55
Enter quantity between 1 and 99
417-1
MOTOR FAN COVER
Item is no longer available
Price
N/A
417-2
MOTOR FAN
Item is no longer available
Price
N/A
417-3
MOTOR JUNCTION BOX
Item is no longer available
Price
N/A
417-4
BALL BEARING 6206-2RS
Price
N/A
417-5
BALL BEARING 6205-2RS
Price
N/A
418
Now: PW04M
FLAT WASHER 10MM
Price
N/A
419
LOCK WASHER 10MM
Price
N/A
420
Now: PB31M
HEX BOLT M10-1.5 X 40
Price
N/A
421
KEY 8 X 7 X 50
Price
N/A
422
MOTOR PULLEY
Item is no longer available
Price
N/A
423
V-BELT AX30
Price
N/A
424
CAP SCREW M8-1.25 X 25
Price
N/A
425
LOCK WASHER 8MM
Price
N/A
426
Now: PW01M
FLAT WASHER 8MM
Price
N/A
427
SET SCREW M8-1.25 X 12
Price
N/A
428
PIVOT SHAFT
Item is no longer available
Price
N/A
429
FLANGE CAP SCREW M10-1.5 X 20
$8.15
Enter quantity between 1 and 99
430
PULLEY FLAT WASHER M10
$4.65
Enter quantity between 1 and 99
431
FLANGE WASHER 10MM
Item is no longer available
Price
N/A
436
CAP SCREW M8-1.25 X 10
Price
N/A
437
MOTOR LABEL
Item is no longer available
Price
N/A
501
RIVING KNIFE BRACKET ASSY
$135.00
Enter quantity between 1 and 99
501-1
Now: PN09M
HEX NUT M12-1.75
Price
N/A
501-2
Now: PW06M
FLAT WASHER 12MM
Price
N/A
501-3
LOCK PLATE
Item is no longer available
Price
N/A
501-4
MOUNT PLATE
Item is no longer available
Price
N/A
501-5
SUPPORT BRACKET
Item is no longer available
Price
N/A
501-6
MOUNT PLATE BOLT M12-1.75
Item is no longer available
Price
N/A
501-7
BUTTON HD CAP SCR M6-1 X 12
Price
N/A
501-8
Now: PW03M
FLAT WASHER 6MM
Price
N/A
504
ARBOR SUPPORT BRACKET
Item is no longer available
Price
N/A
505
ARBOR FLANGE BOLT M16-2 (LH)
$18.15
Enter quantity between 1 and 99
506
ARBOR FLANGE FLAT WASHER 16MM
$42.90
Enter quantity between 1 and 99
507
MAIN BLADE FLANGE (OUTSIDE)
$44.10
Enter quantity between 1 and 99
508
MAIN BLADE FLANGE (INSIDE)
$49.25
Enter quantity between 1 and 99
509
MAIN BLADE ARBOR ASSY
$290.45
Enter quantity between 1 and 99
509-1
BALL BEARING 6206LLB
Price
N/A
509-10
KEY 8 X 7 X 40
Price
N/A
509-2
MAIN BLADE ARBOR
Item is no longer available
Price
N/A
509-3
BALL BEARING 6206LLB
Price
N/A
509-4
MAIN BLADE PULLEY
Item is no longer available
Price
N/A
509-5
FLAT HD CAP SCR M10-1.5 X 20
Price
N/A
509-6
PULLEY FLAT WASHER 10MM
Item is no longer available
Price
N/A
509-7
BUSHING
Item is no longer available
Price
N/A
509-8
WAVY WASHER 42MM
Item is no longer available
Price
N/A
509-9
BUSHING
Item is no longer available
Price
N/A
510
Now: PK67M
KEY 8 X 7 X 15
Price
N/A
511
ARBOR LOCK SHAFT
$6.40
Enter quantity between 1 and 99
512
SHAFT SLEEVE
$18.75
Enter quantity between 1 and 99
513
CONE COMPRESSION SPRING
$4.30
Enter quantity between 1 and 99
514
SPRING FLAT WASHER 5MM
$5.50
Enter quantity between 1 and 99
515
FLAT HD SCR M5-.8 X 12
Price
N/A
516
LOCK WASHER 16MM
Price
N/A
517
CAP SCREW M6-1 X 25
Price
N/A
518
MAIN BLADE SPACER
Item is no longer available
Price
N/A
519
GREASE FITTING 1/4-32 UNEF
$5.80
Enter quantity between 1 and 99
520
SET SCREW M8-1.25 X 10
Price
N/A
601
LOCK KNOB M10-1.5
$12.70
Enter quantity between 1 and 99
602
Now: PW04M
FLAT WASHER 10MM
Price
N/A
603
HANDWHEEL FLAT WASHER 10MM
$4.65
Enter quantity between 1 and 99
604
HANDWHEEL W/HANDLE
$151.15
Enter quantity between 1 and 99
605
Now: PK25M
KEY 7 X 7 X 20
Price
N/A
606
TILT HANDWHEEL SHAFT ASSY
$134.05
Enter quantity between 1 and 99
606-1
HANDWHEEL SHAFT
Item is no longer available
Price
N/A
606-2
BALL BEARING 6902ZZ
Price
N/A
606-3
SHAFT BRACKET
Item is no longer available
Price
N/A
606-4
Now: PR19M
EXT RETAINING RING 28MM
Price
N/A
606-5
THRUST BEARING NTB1528+AS
Item is no longer available
Price
N/A
606-6
UNIVERSAL JOINT
Price
N/A
606-7
SET SCREW M6-1 X 6
Price
N/A
606-8
ROLL PIN 6 X 25
Price
N/A
607
SPACER
$14.95
Enter quantity between 1 and 99
613
TILT LEADSCREW
$49.25
Enter quantity between 1 and 99
614
Now: PW01M
FLAT WASHER 8MM
Price
N/A
615
CAP SCREW M8-1.25 X 25
Price
N/A
617
TILT LEADSCREW NUT
$30.40
Enter quantity between 1 and 99
618
BLADE SHROUD TILT BRACKET
$123.20
Enter quantity between 1 and 99
620
CAP SCREW M10-1.5 X 20
Price
N/A
621
CAP SCREW M8-1.25 X 20
Price
N/A
622
LOCK WASHER 8MM
Price
N/A
623
SET SCREW M6-1 X 6
Price
N/A
624
LOCK COLLAR
$30.85
Enter quantity between 1 and 99
625
LOCK WASHER 8MM
Price
N/A
626
LOCK WASHER 10MM
Price
N/A
627
TILT LEADSCREW END NUT
$30.85
Enter quantity between 1 and 99
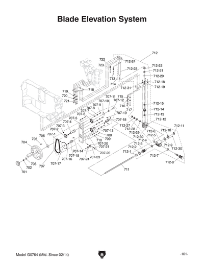
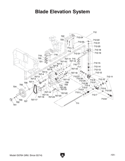
701
LOCK KNOB M10-1.5
Price
N/A
702
Now: PW04M
FLAT WASHER 10MM
Price
N/A
703
HANDWHEEL FLAT WASHER 10MM
Price
N/A
704
HANDWHEEL W/HANDLE
Price
N/A
705
Now: PK25M
KEY 7 X 7 X 20
Price
N/A
706
SPACER
Price
N/A
707
ELEVATION DRIVE ASSEMBLY
$355.65
Enter quantity between 1 and 99
707-1
*DISCD*CHAIN
Item is no longer available
Price
N/A
707-10
BEARING FLAT WASHER 10MM
Item is no longer available
Price
N/A
707-11
LOCK WASHER 10MM
Price
N/A
707-12
CAP SCREW M10-1.5 X 20
Price
N/A
707-13
Now: PR15M
EXT RETAINING RING 30MM
Price
N/A
707-14
KEY 7 X 7 X 15
Price
N/A
707-15
SPROCKET SHAFT (LOWER)
Item is no longer available
Price
N/A
707-16
SET SCREW M6-1 X 8
Price
N/A
707-17
CHAIN SPROCKET LOWER)
Item is no longer available
Price
N/A
707-18
UNIVERSAL JOINT
Price
N/A
707-19
SET SCREW M6-1 X 8
Price
N/A
707-2
CHAIN SPROCKET (UPPER)
$40.90
Enter quantity between 1 and 99
707-20
L-BRACKET
Item is no longer available
Price
N/A
707-21
LOCK WASHER 6MM
Price
N/A
707-22
BUTTON HD CAP SCR M6-1 X 12
Price
N/A
707-23
Now: PW03M
FLAT WASHER 6MM
Price
N/A
707-24
ROLLER
Item is no longer available
Price
N/A
707-3
SET SCREW M6-1 X 10
Price
N/A
707-4
SPROCKET SHAFT (UPPER)
Item is no longer available
Price
N/A
707-5
BEARING BRACKET
Item is no longer available
Price
N/A
707-6
BALL BEARING 6006ZZ
Price
N/A
707-7
Now: PW01M
FLAT WASHER 8MM
Price
N/A
707-8
LOCK WASHER 8MM
Price
N/A
707-9
CAP SCREW M8-1.25 X 20
Price
N/A
708
CAP SCREW M6-1 X 35
Price
N/A
709
LOCK WASHER 6MM
Price
N/A
710
Now: PW03M
FLAT WASHER 6MM
Price
N/A
711
*DISCD*CONNECTING ROD
Item is no longer available
Price
N/A
712
*DISCD*BLADE ELEVATION GEAR ASSEMBLY
Item is no longer available
Price
N/A
712-1
Now: PR15M
EXT RETAINING RING 30MM
Price
N/A
712-10
*DISCD*BEARING CAP
$7.60
Enter quantity between 1 and 99
712-11
*DISCD*SPANNER NUT M20-1
$36.10
Enter quantity between 1 and 99
712-12
UPPER WORM HOUSING
Item is no longer available
Price
N/A
712-13
SPANNER NUT M15-1
$37.30
Enter quantity between 1 and 99
712-14
WORM GEAR (UPPER)
$87.90
Enter quantity between 1 and 99
712-15
THRUST BEARING NTB1528+AS
Item is no longer available
Price
N/A
712-18
TAP SCREW #10 X 1-1/2
Price
N/A
712-19
SUPPORT BRACKET
$50.15
Enter quantity between 1 and 99
712-2
*DISCD*SPACER
$15.45
Enter quantity between 1 and 99
712-20
BUSHING DU-1515
Item is no longer available
Price
N/A
712-21
THRUST BEARING NTB1730+AS
Item is no longer available
Price
N/A
712-22
BEARING CAP
Item is no longer available
Price
N/A
712-23
BLADE ELEVATION LEADSCREW
Item is no longer available
Price
N/A
712-24
LEADSCREW BRACKET
Item is no longer available
Price
N/A
712-27
Now: PN09M
HEX NUT M12-1.75
Price
N/A
712-28
BEARING CAP
Item is no longer available
Price
N/A
712-29
THRUST BEARING NTB1226+AS
Item is no longer available
Price
N/A
712-3
*DISCD*WORM GEAR (LOWER)
$137.45
Enter quantity between 1 and 99
712-30
GREASE FITTING 1/4-32 UNEF
Price
N/A
712-31
Now: PW03M
FLAT WASHER 6MM
Price
N/A
712-4
THRUST BEARING NTB2035+AS
$10.35
Enter quantity between 1 and 99
712-5
*DISCD*SPACER
$5.60
Enter quantity between 1 and 99
712-6
*DISCD*LOWER WORM HOUSING
Item is no longer available
Price
N/A
712-7
THRUST BEARING NTB2035+AS
Price
N/A
712-8
WORM SHAFT
$168.45
Enter quantity between 1 and 99
712-9
THRUST BEARING NTB2035+AS
Price
N/A
713
CAP SCREW M8-1.25 X 30
Price
N/A
714
Now: PK34M
KEY 5 X 5 X 20
Price
N/A
715
Now: PW01M
FLAT WASHER 8MM
Price
N/A
716
LOCK WASHER 8MM
Price
N/A
717
CAP SCREW M8-1.25 X 40
Price
N/A
718
LEADSCREW BRACKET MOUNT
Item is no longer available
Price
N/A
719
Now: PW01M
FLAT WASHER 8MM
Price
N/A
720
LOCK WASHER 8MM
Price
N/A
721
CAP SCREW M8-1.25 X 25
Price
N/A
722
Now: PW01M
FLAT WASHER 8MM
Price
N/A
723
LOCK WASHER 8MM
Price
N/A
801
Now: PN15M
HEX NUT M18-1.5
Price
N/A
802
BLADE FLANGE
$22.05
Enter quantity between 1 and 99
807
SCORING BLADE ARBOR ASSY
$306.45
Enter quantity between 1 and 99
807-1
Now: PR24M
INT RETAINING RING 42MM
Price
N/A
807-10
ROLL PIN 6 X 40
Price
N/A
807-11
Now: PR09M
EXT RETAINING RING 20MM
Price
N/A
807-12
CAP SCREW M6-1 X 16
Price
N/A
807-13
L-BRACKET
Item is no longer available
Price
N/A
807-14
Now: PW03M
FLAT WASHER 6MM
Price
N/A
807-15
LOCK WASHER 6MM
Price
N/A
807-2
WAVY WASHER 30MM
Item is no longer available
Price
N/A
807-3
BALL BEARING 6004LLB
Price
N/A
807-4
SCORING BLADE ARBOR
Item is no longer available
Price
N/A
807-5
ARBOR HOUSING
Item is no longer available
Price
N/A
807-6
BUSHING DU-2015
$12.10
Enter quantity between 1 and 99
807-7
SCORING BLADE PULLEY
Item is no longer available
Price
N/A
807-8
PULLEY FLAT WASHER 8MM
Item is no longer available
Price
N/A
807-9
FLAT HD CAP SCR M8-1.25 X 25
Price
N/A
813
SCORING BLADE 4-3/4" X 20MM
$95.80
Enter quantity between 1 and 99
815
BLADE LOCKING TOOL
Item is no longer available
Price
N/A
816
ROUND KNOB M8-1.25
$13.00
Enter quantity between 1 and 99
901
SET SCREW M8-1.25 X 20
Price
N/A
902
COMPRESSION SPRING
$9.10
Enter quantity between 1 and 99
903
SHAFT
$39.30
Enter quantity between 1 and 99
904
SET SCREW M6-1 X 12
Price
N/A
905
SHAFT SLEEVE (SINGLE ANGLE)
$23.60
Enter quantity between 1 and 99
906
SHAFT SLEEVE (DOUBLE ANGLE)
$32.35
Enter quantity between 1 and 99
908
Now: PW01M
FLAT WASHER 8MM
Price
N/A
909
LOCK WASHER 8MM
Price
N/A
910
CAP SCREW M8-1.25 X 16
Price
N/A
911
Now: PB83M
HEX BOLT M6-1 X 16
Price
N/A
912
L-BRACKET
Item is no longer available
Price
N/A
913
Now: PW03M
FLAT WASHER 6MM
Price
N/A
914
LOCK WASHER 6MM
Price
N/A
915
Now: PN01M
HEX NUT M6-1
Price
N/A
916
ADJUSTMENT SHAFT BRACKET ASSY
$168.80
Enter quantity between 1 and 99
916-1
SHAFT BRACKET
Item is no longer available
Price
N/A
916-2
TILT ADJUSTMENT LEADSCREW
$39.10
Enter quantity between 1 and 99
916-3
CAP SCREW M5-.8 X 35
Price
N/A
916-4
ALIGNMENT PLATE (INNER)
Item is no longer available
Price
N/A
916-5
ALIGNMENT PLATE (OUTER)
Item is no longer available
Price
N/A
916-6
ELEVATION ADJUSTMENT LEADSCREW
Item is no longer available
Price
N/A
916-7
LOCK NUT M6-1 W/THREADED HOLE
Item is no longer available
Price
N/A
916-8
SET SCREW M6-1 X 5
Price
N/A
916-9
LOCK NUT M5-.8
Price
N/A
923
ADJUSTMENT KNOB
$7.90
Enter quantity between 1 and 99
924
BUTTON HD CAP SCR M6-1 X 30
Price
N/A
925
KNURLED LOCK COLLAR
$24.80
Enter quantity between 1 and 99
926
CAP SCREW M8-1.25 X 35
Price
N/A
927
LOCK WASHER 8MM
Price
N/A
928
Now: PW01M
FLAT WASHER 8MM
Price
N/A
929
SET SCREW M5-.8 X 10
Price
N/A
931
SHAFT BUSHING (LH)
$7.90
Enter quantity between 1 and 99
932
SHAFT BUSHING (RH)
$7.90
Enter quantity between 1 and 99
933
THREADED SLEEVE
Item is no longer available
Price
N/A
1001
TORSION SPRING
Item is no longer available
Price
N/A
1002
PIVOT SHAFT
Item is no longer available
Price
N/A
1003
CAP SCREW M8-1.25 X 45
Price
N/A
1004
LOCK WASHER 8MM
Price
N/A
1005
Now: PW01M
FLAT WASHER 8MM
Price
N/A
1006
Now: PN03M
HEX NUT M8-1.25
Price
N/A
1007
SCORING MOTOR 1HP 220V/440V 3-PH
Item is no longer available
Price
N/A
1007-1
MOTOR FAN COVER
Item is no longer available
Price
N/A
1007-2
MOTOR FAN
Item is no longer available
Price
N/A
1007-3
MOTOR JUNCTION BOX
Item is no longer available
Price
N/A
1007-4
BALL BEARING 6203ZZ
Price
N/A
1007-5
BALL BEARING 6202ZZ
Price
N/A
1008
Now: PK12M
KEY 5 X 5 X 30
Price
N/A
1009
MOTOR PULLEY
$662.05
Enter quantity between 1 and 99
1010
SET SCREW M6-1 X 20
Price
N/A
1011
ROLL PIN 8 X 75
Item is no longer available
Price
N/A
1012
FLAT BELT 15 X 1050MM
$49.85
Enter quantity between 1 and 99
1013
Now: PW04M
FLAT WASHER 10MM
Price
N/A
1014
LOCK NUT M10-1.5
Price
N/A
1015
LOCK WASHER 6MM
Price
N/A
1016
CAP SCREW M6-1 X 20
Price
N/A
1018
Now: PW03M
FLAT WASHER 6MM
Price
N/A
1019
LIMIT PLATE
Item is no longer available
Price
N/A
1020
Now: PW01M
FLAT WASHER 8MM
Price
N/A
1021
STOP PLATE
Item is no longer available
Price
N/A
1026
LOCK WASHER 8MM
Price
N/A
1027
CAP SCREW M8-1.25 X 12
Price
N/A
1101
MAGNETIC WASHER
$22.75
Enter quantity between 1 and 99
1102
CROSSCUT FRAME PIVOT ROD M20-2.5 X 220
Item is no longer available
Price
N/A
1103
Now: PN28M
HEX NUT M20-2.5
Price
N/A
1104
TUBE END CAP
$9.25
Enter quantity between 1 and 99
1105
FLAT HD SCR M5-.8 X 55
Price
N/A
1106
SLEEVE
$9.05
Enter quantity between 1 and 99
1107
SLIDING TUBE
$220.25
Enter quantity between 1 and 99
1108
Now: PB09M
HEX BOLT M8-1.25 X 20
Price
N/A
1109
Now: PN03M
HEX NUT M8-1.25
Price
N/A
1110
BUTTON HD CAP SCR M6-1 X 10
Price
N/A
1111
SWING ARM END CAP (LH)
$34.30
Enter quantity between 1 and 99
1112
Now: PW01M
FLAT WASHER 8MM
Price
N/A
1113
SET SCREW M8-1.25 X 25
Price
N/A
1115
TUBE ROLLER ASSEMBLY (LOWER)
$51.50
Enter quantity between 1 and 99
1115-1
ROLLER SHAFT
$13.75
Enter quantity between 1 and 99
1115-2
ROLLER
$29.95
Enter quantity between 1 and 99
1115-3
BALL BEARING 6202ZZ
Price
N/A
1115-4
Now: PR05M
EXT RETAINING RING 15MM
Price
N/A
1118
TUBE ROLLER ASSEMBLY (UPPER)
$43.30
Enter quantity between 1 and 99
1118-1
BALL BEARING 6202ZZ
Price
N/A
1118-2
ROLLER
$17.95
Enter quantity between 1 and 99
1118-3
ROLLER SHAFT
$22.20
Enter quantity between 1 and 99
1118-4
Now: PR05M
EXT RETAINING RING 15MM
Price
N/A
1120
SWING ARM
$301.35
Enter quantity between 1 and 99
1121
Now: PW13M
FLAT WASHER 20MM
Price
N/A
1122
BALL BEARING 6004ZZ
Price
N/A
1123
BRUSH
$17.50
Enter quantity between 1 and 99
1124
Now: PW03M
FLAT WASHER 6MM
Price
N/A
1125
CAP SCREW M6-1 X 20
Price
N/A
1126
Now: PW13M
FLAT WASHER 20MM
Price
N/A
1127
SWING ARM END CAP (RH)
$12.10
Enter quantity between 1 and 99
1128
LOCK WASHER 5MM
Price
N/A
1129
Now: PN06M
HEX NUT M5-.8
Price
N/A
1130
SET SCREW M10-1.5 X 10
Price
N/A
1131
PIVOT SHAFT
$26.35
Enter quantity between 1 and 99
1132
SET SCREW M10-1.5 X 20
Price
N/A
1133
Now: PN02M
HEX NUT M10-1.5
Price
N/A
1134
Now: PN03M
HEX NUT M8-1.25
Price
N/A
1135
SET SCREW PROTECTIVE CAP
Item is no longer available
Price
N/A
1136
BUTTON HD CAP SCR M5-.8 X 8
Price
N/A
1137
SWING ARM TOP PLATE
Item is no longer available
Price
N/A
1201
T-SLOT NUT M8-1.25
$1.49
Enter quantity between 1 and 99
1203
FENCE LOCK HANDLE
$25.30
Enter quantity between 1 and 99
1204
FRAME T-SLOT CLAMP BLOCK
$30.75
Enter quantity between 1 and 99
1205
ADJUSTMENT HANDLE M12-1.75 X 55
$30.05
Enter quantity between 1 and 99
1206
KNOB BOLT M8-1.25 X 50
Price
N/A
1207
KNOB BOLT M8-1.25 X 50
Price
N/A
1208
CROSSCUT TABLE ASSEMBLY
$384.75
Enter quantity between 1 and 99
1208-1
BALL BEARING 6201ZZ
Price
N/A
1208-10
CUSHION PAD 55MM
$2.90
Enter quantity between 1 and 99
1208-11
Now: PW03M
FLAT WASHER 6MM
Price
N/A
1208-12
LOCK WASHER 6MM
Price
N/A
1208-13
BUTTON HD CAP SCR M6-1 X 16
Price
N/A
1208-14
PROTECTIVE CAP
$3.60
Enter quantity between 1 and 99
1208-15
Now: PB26M
HEX BOLT M8-1.25 X 30
Price
N/A
1208-16
Now: PN03M
HEX NUT M8-1.25
Price
N/A
1208-17
BUTTON HD CAP SCR M8-1.25 X 25
Price
N/A
1208-18
Now: PN03M
HEX NUT M8-1.25
Price
N/A
1208-19
LOCK WASHER 8MM
Price
N/A
1208-2
BUSHING
$3.30
Enter quantity between 1 and 99
1208-20
SOLID ROD END M8-1.25 X 40
$20.90
Enter quantity between 1 and 99
1208-21
FRAME PLUG HP-16
$3.45
Enter quantity between 1 and 99
1208-3
ROLLER
$33.30
Enter quantity between 1 and 99
1208-4
FRAME END CAP
$5.65
Enter quantity between 1 and 99
1208-5
CROSSCUT TABLE FRAME
$323.05
Enter quantity between 1 and 99
1208-6
Now: PW01M
FLAT WASHER 8MM
Price
N/A
1208-7
Now: PR29M
INT RETAINING RING 32MM
Price
N/A
1208-8
CROSSCUT FRAME PIVOT BLOCK
$6.90
Enter quantity between 1 and 99
1208-9
T-SLOT ALIGNMENT PLATE
$25.75
Enter quantity between 1 and 99
1209
FRAME LONG BRACE ASSEMBLY
$88.85
Enter quantity between 1 and 99
1209-1
TAP SCREW #8 X 3/8
Price
N/A
1209-2
BRACE END CAP
$16.15
Enter quantity between 1 and 99
1209-3
FRAME LONG BRACE
$74.50
Enter quantity between 1 and 99
1210
FIXED BLOCK
Price
N/A
1211
BRACE END CAP
$9.50
Enter quantity between 1 and 99
1212
FRAME SHORT BRACE
$88.25
Enter quantity between 1 and 99
1213
ANGLE SCALE (RH)
$33.20
Enter quantity between 1 and 99
1214
SET SCREW M5-.8 X 10
Price
N/A
1215
ANGLE SCALE (LH)
$33.20
Enter quantity between 1 and 99
1216
TAP SCREW #8 X 3/8
Price
N/A
1217
LOCK WASHER 8MM
Price
N/A
1218
CAP SCREW M8-1.25 X 25
Price
N/A
1219
T-NUT BLOCK
Price
N/A
1220
Now: PW06M
FLAT WASHER 12MM
Price
N/A
1221
Now: PW01M
FLAT WASHER 8MM
Price
N/A
1222
SET SCREW M5-.8 X 5
Price
N/A
1301
FLIP STOP ASSEMBLY
$121.45
Enter quantity between 1 and 99
1301-1
FLIP STOP
$46.60
Enter quantity between 1 and 99
1301-10
SLEEVE
$11.60
Enter quantity between 1 and 99
1301-11
CAP SCREW M3-.5 X 12
Price
N/A
1301-2
PIVOT SHAFT
$13.25
Enter quantity between 1 and 99
1301-3
KNOB BOLT M8-1.25 X 40
Price
N/A
1301-4
FLIP STOP BRACKET
$33.05
Enter quantity between 1 and 99
1301-5
T-SLOT NUT M8-1.25
Price
N/A
1301-6
LOCK NUT M10-1.5
Price
N/A
1301-7
FLAT WASHER 10MM (COPPER)
$4.30
Enter quantity between 1 and 99
1302
EXT. FENCE ASSEMBLY V2.05.12
Price
N/A
1302-1
T-SLOT NUT M8-1.25
Price
N/A
1302-10
SET SCREW M6-1 X 6
Price
N/A
1302-11
EXTENSION FENCE CONNECTOR ROD
$57.20
Enter quantity between 1 and 99
1302-12
CROSSCUT MAIN FENCE
$399.35
Enter quantity between 1 and 99
1302-13
FENCE SCALE 3"-72"
$55.45
Enter quantity between 1 and 99
1302-14
RULER 1720-3420MM
Price
N/A
1302-15
T-NUT M5-.8
Price
N/A
1302-16
CAP SCREW M5-.8 X 6
Price
N/A
1302-17
SET SCREW M5-.8 X 5
Price
N/A
1302-2
CROSSCUT EXTENSION FENCE
$66.05
Enter quantity between 1 and 99
1302-3
EXTENSION FENCE END CAP
$16.40
Enter quantity between 1 and 99
1302-4
TAP SCREW M4 X 10
Price
N/A
1302-5
BUTTON HD CAP SCR M8-1.25 X 16
Price
N/A
1302-6
LOCK WASHER 8MM
Price
N/A
1302-7
STOCK SUPPORT PLATE
$27.05
Enter quantity between 1 and 99
1302-8
CROSSCUT MAIN FENCE END CAP
$5.20
Enter quantity between 1 and 99
1302-9
Now: PS38M
PHLP HD SCR M4-.7 X 10
Price
N/A
1303
KNOB BOLT M8-1.25 X 25
Price
N/A
1304
FENCE PIVOT PIN
$9.05
Enter quantity between 1 and 99
1305
FIBER FLAT WASHER 10MM
Price
N/A
1306
T-SLOT NUT M8-1.25
Price
N/A
1307
CAP SCREW M8-1.25 X 35
Price
N/A
1308
LOCK WASHER 8MM
Price
N/A
1309
FLIP STOP CLAMP BLOCK
$28.80
Enter quantity between 1 and 99
1310
T-SLOT NUT M8-1.25
Price
N/A
1311
T-SLOT BOLT M8-1.25 X 35
$9.35
Enter quantity between 1 and 99
1312
FENDER WASHER 8MM
Price
N/A
1313
FENCE LOCK HANDLE
Price
N/A
1401
RIP FENCE ASSEMBLY
$360.75
Enter quantity between 1 and 99
1401-1
FLAT HD SCR M6-1 X 16
Price
N/A
1401-10
Now: PW13M
FLAT WASHER 20MM
Price
N/A
1401-11
STEEL BALL 8MM
Price
N/A
1401-12
COMPRESSION SPRING
$3.15
Enter quantity between 1 and 99
1401-13
SET SCREW M10-1.5 X 10
Price
N/A
1401-14
Now: PR09M
EXT RETAINING RING 20MM
Price
N/A
1401-15
LOCK WASHER 8MM
Price
N/A
1401-16
BALL BEARING 6202ZZ
Price
N/A
1401-17
Now: PN03M
HEX NUT M8-1.25
Price
N/A
1401-18
SPACER
$16.95
Enter quantity between 1 and 99
1401-19
BUSHING
$11.60
Enter quantity between 1 and 99
1401-2
FENCE T-SLOT PLATE
$28.50
Enter quantity between 1 and 99
1401-20
Now: PW01M
FLAT WASHER 8MM
Price
N/A
1401-21
Now: PB20M
HEX BOLT M8-1.25 X 35
Price
N/A
1401-22
Now: PR05M
EXT RETAINING RING 15MM
Price
N/A
1401-23
SPACER
$9.50
Enter quantity between 1 and 99
1401-24
RAIL LOCK SHAFT
$28.55
Enter quantity between 1 and 99
1401-25
FENCE RAIL BRACKET
$44.00
Enter quantity between 1 and 99
1401-26
LOCK NUT M10-1.5
Price
N/A
1401-27
Now: PW04M
FLAT WASHER 10MM
Price
N/A
1401-28
KNOB BOLT M10-1.5 X 110
$20.05
Enter quantity between 1 and 99
1401-29
CAP SCREW M6-1 X 10
Price
N/A
1401-3
THREADED SHAFT M8-1.25 16
$13.75
Enter quantity between 1 and 99
1401-30
RAIL WIPER
$12.10
Enter quantity between 1 and 99
1401-4
LOCK NUT M8-1.25
Price
N/A
1401-5
ALIGNMENT PLATE
$32.95
Enter quantity between 1 and 99
1401-6
Now: PB83M
HEX BOLT M6-1 X 16
Price
N/A
1401-7
ECCENTRIC RING
$16.40
Enter quantity between 1 and 99
1401-8
RIP FENCE BODY
$221.25
Enter quantity between 1 and 99
1401-9
ECCENTRIC SHAFT
$54.95
Enter quantity between 1 and 99
1402
FENCE LOCK LEVER
$21.85
Enter quantity between 1 and 99
1403
KNOB BOLT M10-1.5 X 55
$19.85
Enter quantity between 1 and 99
1404
LEVER HANDLE M10-1.5 X 12, 140L
Price
N/A
1405
RIP FENCE
Price
N/A
1406
STUD-FT M12-1.75 X 115
$4.35
Enter quantity between 1 and 99
1407
Now: PN09M
HEX NUT M12-1.75
Price
N/A
1408
CAP SCREW M8-1.25 X 16
Price
N/A
1409
LOCK WASHER 8MM
Price
N/A
1410
RAIL END PLATE (RH)
$8.70
Enter quantity between 1 and 99
1411
RIP FENCE RAIL
Price
N/A
1412
SET SCREW M6-1 X 10
Price
N/A
1413
RAIL STOP RING
$21.05
Enter quantity between 1 and 99
1414
BUTTON HD CAP SCR M6-1 X 12
Price
N/A
1415
Now: PW03M
FLAT WASHER 6MM
Price
N/A
1416
L-BRACKET
$44.30
Enter quantity between 1 and 99
1417
Now: PW06M
FLAT WASHER 12MM
Price
N/A
1418
LOCK WASHER 12MM
Price
N/A
1419
Now: PN09M
HEX NUT M12-1.75
Price
N/A
1420
Now: PN01M
HEX NUT M6-1
Price
N/A
1421
Now: PW03M
FLAT WASHER 6MM
Price
N/A
1422
LOCK WASHER 6MM
Price
N/A
1423
RIP FENCE SCALE
$55.25
Enter quantity between 1 and 99
1500A
SLIDING TABLE ASSEMBLY
$4,134.55
Enter quantity between 1 and 99
1501
Now: PN09M
HEX NUT M12-1.75
Price
N/A
1502
LOCK WASHER 12MM
Price
N/A
1503
Now: PW06M
FLAT WASHER 12MM
Price
N/A
1504
T-SLOT BOLT M12-1.75 X 50
$7.80
Enter quantity between 1 and 99
1505
SLIDING TABLE BASE
$2,793.95
Enter quantity between 1 and 99
1506
SLIDING TABLE BASE END CAP
$38.30
Enter quantity between 1 and 99
1507
FLAT HD SCR M6-1 X 30
Price
N/A
1508
STOP BLOCK (RUBBER)
$8.65
Enter quantity between 1 and 99
1509
STOP BLOCK BRACKET
$8.65
Enter quantity between 1 and 99
1510
PROTECTIVE CAP
$38.30
Enter quantity between 1 and 99
1511
SLIDING TABLE END CAP (REAR)
$42.95
Enter quantity between 1 and 99
1512
SLIDING TABLE
$2,793.95
Enter quantity between 1 and 99
1513
LOCK ROD
Price
N/A
1514
BUTTON HD CAP SCR M6-1 X 10
Price
N/A
1515
STEEL RAIL W/ADHEVISE TAPE
$52.05
Enter quantity between 1 and 99
1516
COTTON PAD
$2.60
Enter quantity between 1 and 99
1517
COVER STRIP
$12.30
Enter quantity between 1 and 99
1518
STEEL RAIL W/ADHEVISE TAPE
Price
N/A
1519
CAP SCREW M8-1.25 X 12
Price
N/A
1520
SLIDING TABLE HANDLE
$27.95
Enter quantity between 1 and 99
1521
FLAT HD CAP SCR M10-1.5 X 20
Price
N/A
1522
BUTTON HD CAP SCR M5-.8 X 10
Price
N/A
1523
SLIDING TABLE END CAP (FRONT)
$81.95
Enter quantity between 1 and 99
1524
BUTTON HD CAP SCR M6-1 X 12
Price
N/A
1525
BUTTON HD CAP SCR M6-1 X 16
Price
N/A
1526
NOTCHED LOCK PLATE
$51.75
Enter quantity between 1 and 99
1527
TAP SCREW M4 X 10
Price
N/A
1528
LOCK NUT M10-1.5
Price
N/A
1529
STEEL BALL BEARING 16.6MM
$12.10
Enter quantity between 1 and 99
1530
SLIDING PLATE
$75.90
Enter quantity between 1 and 99
1531
LOCK ROD HANDLE
$8.50
Enter quantity between 1 and 99
1532
LOCK NUT M10-1.5
Price
N/A
1601
GUIDE ROD
Price
N/A
1602
GUIDE ROD BUSHING
Price
N/A
1603
GUIDE ROD SLEEVE
Price
N/A
1604
BUTTON HD CAP SCR M6-1 X 12
Price
N/A
1605
LOCK WASHER 6MM
Price
N/A
1606
Now: PW03M
FLAT WASHER 6MM
Price
N/A
1607
*DISCD*GUIDE ROD MOUNTING BRACKET
Price
N/A
1608
BUTTON HD CAP SCR M6-1 X 10
Price
N/A
1609
LOCK WASHER 6MM
Price
N/A
1610
Now: PW03M
FLAT WASHER 6MM
Price
N/A
1611
*DISCD*KNOB SCREW M6-1 X 15
Price
N/A
1612
*DISCD*DUST CHUTE
Price
N/A
1613
*DISCD*DUST SEAL 90MM THIN V2.03.10
Price
N/A
1614
*DISCD*DUST SEAL 40MM V2.03.10
Price
N/A
1615
*DISCD*DUST SEAL 90MM THICK V2.03.10
Price
N/A
1616
BUTTON HD CAP SCR M6-1 X 20
Price
N/A
1617
SET SCREW M6-1 X 6
Price
N/A
1618
GUIDE ROD SLEEVE BRACKET
Price
N/A
1619
CAP SCREW M8-1.25 X 16
Price
N/A
1620
COVER HANDLE
Price
N/A
1621
LEFT BLADE COVER V2.03.10
Price
N/A
1622
BUTTON HD CAP SCR M4-.7 X 6
Price
N/A
1623
Now: PB28M
HEX BOLT M8-1.25 X 60
Price
N/A
1624
CASTER
Price
N/A
1625
CASTER BUSHING
Price
N/A
1626
BLADE COVER FRAME V2.03.10
Price
N/A
1627
LOCK NUT M8-1.25
Price
N/A
1629
RIGHT BLADE COVER V2.03.10
Price
N/A
1631
SET SCREW M6-1 X 12
Price
N/A
1632
Now: PW01M
FLAT WASHER 8MM
Price
N/A
1633
LOCK WASHER 8MM
Price
N/A
1634
CAP SCREW M8-1.25 X 25
Price
N/A
1635
EXTENSION TUBE
$159.95
Enter quantity between 1 and 99
1636
*DISCD*SUPPORT FRAME
Price
N/A
1637
LOCK LEVER ASSEMBLY
Price
N/A
1638
Now: PW03M
FLAT WASHER 6MM
Price
N/A
1639
LOCK WASHER 6MM
Price
N/A
1640
KNURLED KNOB SCREW M6-1 X 12
Price
N/A
1641
PIVOT BOLT
Price
N/A
1642
TOP SLEEVE COVER
Price
N/A
1643
SPRING SLEEVE
Price
N/A
1644
SPRING ROD SCREW
Price
N/A
1645
SPRING ROD
Price
N/A
1646
COMPRESSION SPRING
Price
N/A
1647
BOTTOM SLEEVE COVER
Price
N/A
1648
*DISCD*CUSHION
Price
N/A
1649
CAP SCREW M8-1.25 X 30
Price
N/A
1650
Now: PN03M
HEX NUT M8-1.25
Price
N/A
1651
CAP SCREW M8-1.25 X 16
Price
N/A
1652
RIVET 4 X 10MM BLIND, STEEL
Price
N/A
1653
DUST PORT 2-1/2" V2.03.10
Price
N/A
1654
Now: PN01M
HEX NUT M6-1
Price
N/A
1655
HEX BOLT M12-1.75 X 70
Price
N/A
1656
Now: PN28M
HEX NUT M20-2.5
Price
N/A
1657
FENDER WASHER 20MM
Price
N/A
1658
STUD-FT M20-2.5 X 130
$9.50
Enter quantity between 1 and 99
1659
SUPPORT BRACKET
$179.05
Enter quantity between 1 and 99
1660
Now: PN28M
HEX NUT M20-2.5
Price
N/A
1661
Now: PN02M
HEX NUT M10-1.5
Price
N/A
1662
LOCK WASHER 10MM
Price
N/A
1663
SET SCREW M8-1.25 X 16
Price
N/A
1664
Now: PN03M
HEX NUT M8-1.25
Price
N/A
1665
CLAMP BRACKET
$32.75
Enter quantity between 1 and 99
1666
FENDER WASHER 10MM
Price
N/A
1667
BUTTON HD CAP SCR M10-1.5 X 25
Price
N/A
1668
Now: PN09M
HEX NUT M12-1.75
Price
N/A
1669
BLADE COVER FLAT (RH)
$66.15
Enter quantity between 1 and 99
1701
LEVER HANDLE M12-1.75 X 20, 215L
Price
N/A
1702
Now: PW06M
FLAT WASHER 12MM
Price
N/A
1703
PLASTIC WASHER 12MM
Price
N/A
1704
T-SLOT NUT M12-1.75
$10.10
Enter quantity between 1 and 99
1705
EDGE SHOE ASSEMBLY V2.04.12
Price
N/A
1705-1
EDGE SHOE PLATE
$34.50
Enter quantity between 1 and 99
1705-2
ROLL PIN 5 X 16
Price
N/A
1705-3
Now: PW04M
FLAT WASHER 10MM
Price
N/A
1705-4
KNOB M10-1.5
$9.50
Enter quantity between 1 and 99
1705-5
T-SLOT BOLT M10-1.5 X 25
$11.00
Enter quantity between 1 and 99
1706
HOLD DOWN ASSEMBLY
$187.20
Enter quantity between 1 and 99
1706-1
ADJUSTABLE HANDLE M10-1.5 X 25
$15.80
Enter quantity between 1 and 99
1706-10
Now: PN02
HEX NUT 5/16-18
Price
N/A
1706-11
HOLD-DOWN PAD
Item is no longer available
Price
N/A
1706-12
SUPPORT SHAFT
$47.75
Enter quantity between 1 and 99
1706-13
SHAFT BASE
$9.95
Enter quantity between 1 and 99
1706-14
T-SLOT NUT 14MM WITH HOLE M12-1.75
$21.85
Enter quantity between 1 and 99
1706-2
ROUND KNOB M8-1.25
Price
N/A
1706-3
STUD-DE M8-1.25 X 100, 10
$17.50
Enter quantity between 1 and 99
1706-4
$43.30
Enter quantity between 1 and 99
1706-5
Now: PR02M
EXT RETAINING RING 14MM
Price
N/A
1706-6
COMPRESSION SPRING
$15.60
Enter quantity between 1 and 99
1706-7
FLUTED PIVOT PIN
$11.50
Enter quantity between 1 and 99
1706-8
HOLD-DOWN BRACKET
$90.85
Enter quantity between 1 and 99
1706-9
HOLD-DOWN SHAFT
$18.30
Enter quantity between 1 and 99
1801
TERMINAL BAR 3P
$17.20
Enter quantity between 1 and 99
1802
TERMINAL BAR 6P
$14.50
Enter quantity between 1 and 99
1803
TRANSFORMER 46VA 220/440V-24V
$133.30
Enter quantity between 1 and 99
1804
STAR-DELTA TIMER TRD-N
$65.05
Enter quantity between 1 and 99
1805
FUSE BLOCK
$17.50
Enter quantity between 1 and 99
1806
PLASTIC FUSE HOLDER/COVER
$12.75
Enter quantity between 1 and 99
1807
FUSE 2A, GLASS
$2.05
Enter quantity between 1 and 99
1808
CONTACTOR SHIHLIN S-P11 24V
$39.10
Enter quantity between 1 and 99
1809
CONTACTOR SHIHLIN S-P21 35A 600V
Price
N/A
1810
OL RELAY SHIHLIN TH-P20 22-34A
$106.85
Enter quantity between 1 and 99
1811
OL RELAY SHIHLIN TH-P12 2.5-4.1A
$52.05
Enter quantity between 1 and 99
1812
OL RELAY SHIHLIN TH-P20 12-18A
$115.75
Enter quantity between 1 and 99
1813
OL RELAY SHIHLIN TH-P12 1.3-2.1A
$56.65
Enter quantity between 1 and 99
1814
440V CONVERSION KIT
$170.20
Enter quantity between 1 and 99
1901
Now: G8589
Nameplate - Large
Price
N/A
1902
SHIPPING BRACE NOTICE LABEL
Item is no longer available
Price
N/A
1903
*DISCD*BLADE ELEVATION LABEL
Item is no longer available
Price
N/A
1904
BLADE TILT LABEL
Item is no longer available
Price
N/A
1905
KICKBACK WARNING LABEL
Item is no longer available
Price
N/A
1906
DISCONNECT HARDWIRED POWER 1.5W X 2.5H
Price
N/A
1907
MODEL NUMBER LABEL P-586C
Item is no longer available
Price
N/A
1908
GRIZZLY.COM LABEL 13",GREEN
Price
N/A
1909
MACHINE ID LABEL
$16.40
Enter quantity between 1 and 99
1910
GLASSES/RESPIRATOR 1.5W X 2.5H
Price
N/A
1911
READ MANUAL 1.5W X 2.5H
Price
N/A
1912
GREY PUTTY REF G0504
Price
N/A
1913
N/S GRIZZLY GREEN G1023S
Price
N/A
1914
TABLE SAW BLADE GUARD 4.7W X 1.8H
Price
N/A
1915
ELECTRICITY 1.4W X 1.2H
Price
N/A
1916
QUALIFIED PERSONNEL NOTICE LABEL
Item is no longer available
Price
N/A
1917
PREWIRED 220V 4.3W X 2.9H
Price
N/A
1918
MOVING BLADE/AMPUTATION 3.8W X 2H
Price
N/A
BOX2
G0699 BOX 2 OF 2 SLIDING TABLE
Price
N/A
MAN
MANUAL G0764 MFD-10/13+ V1.03.14
$25.25
Enter quantity between 1 and 99
P
FLAT HD SCR M5-.8 X 55
$5.35
Enter quantity between 1 and 99
P
FLANGE SCREW M4-.7 X 20
$2.85
Enter quantity between 1 and 99
P
FENDER WASHER 20MM
$9.95
Enter quantity between 1 and 99
P
WRENCH 30MM COMBO
$42.10
Enter quantity between 1 and 99