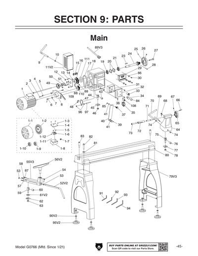
Parts for G0766 - 22" x 42" Variable-Speed Wood Lathe

Part Diagram for G0766
Part Diagram for G0766
Part Diagram for G0766
Part Diagram for G0766
Part Diagram for G0766
Part Diagram for G0766

IMPORTANT: Parts may have multiple versions that have changed over time. This will be indicated by V1, V2, V3, etc. in the parts description, followed by the version month and year that it was first used. Example: V2.01.17 indicates version 2 of a part went into use in January 2017. Please reference the manufacture date on the ID Label for your machine to ensure you are selecting the correct part when multiple versions are indicated.

If you cannot locate your part below, please contact our tech support department at techsupport@grizzly.com or 570-546-9663.

Please note: All parts ship out of our Springfield, Missouri facility.

Ref #
Part #
Description
1
Price
$638.40
1-1
Price
$7.20
1-10
BALL BEARING 6204ZZ
Price
N/A
1-11
FLAT WASHER 4MM
Price
N/A
1-12
PHLP HD SCR M4-.7 X 8
Price
N/A
1-2
Price
$3.25
1-3
Price
$1.90
1-4
MOTOR TERMINAL BOX COVER
Price
$12.65
1-5
PHLP HD SCR M4-.7 X 20
Price
N/A
1-6
Price
$6.50
1-7
STRAIN RELIEF PG13.5 TYPE-3
Price
$2.60
1-8
Price
$1.90
1-9
BALL BEARING 6205ZZ
Price
N/A
2
Price
$1.90
3
KEY 6 X 6 X 60
Price
N/A
4
CAP SCREW M10-1.5 X 30
Price
N/A
5
KNOCKOUT ROD M8-1.25 X 14, 369L
Price
$5.45
6
BELT TENSION LOCK LEVER
Price
$4.15
7
FENDER WASHER 10MM
Price
N/A
8
Price
$75.15
8-1
Price
$2.90
9
Price
$23.75
10
EXT RETAINING RING 19MM
Price
N/A
11
***SEE EXTENDED DESCRIPTION***
Item is no longer available
Price
N/A
11-1
INVERTER COVER
Price
N/A
11V2
INVERTER DELTA VFD11AMS21ANSAA V2.05.19
Price
$2,292.50
11V2-1
Price
$22.35
11V2-2
Price
$9.75
12
PHLP HD SCR M5-.8 X 12
Price
N/A
13
Price
$5.10
14
SET SCREW M8-1.25 X 10
Price
N/A
15
STRAIN RELIEF PG13.5 TYPE-3
Price
$1.90
16
SPINDLE PULLEY W/MAGNETS
Price
$70.45
16-1
SPINDLE PULLEY MAGNETS - SET OF 3
Price
$2.90
17
Price
$61.35
18
Price
$479.85
18A
COMPLETE HEADSTOCK ASSY
Price
$4,122.10
19
BALL BEARING 6206ZZ
Price
N/A
20
INT RETAINING RING 62MM
Price
N/A
21
BALL BEARING 6206ZZ
Price
N/A
22
TOOL REST HOLDER ASSEMBLY
Price
$165.60
23
KEY 8 X 8 X 45
Price
N/A
24
Price
$140.90
25
SET SCREW M6-1 X 12 DOG-PT
Price
N/A
26
Price
$51.45
27
Price
$23.75
28
SPINDLE LOCK TOOL
Price
N/A
29
Price
$85.60
30
PHLP HD SCR M4-.7 X 8
Price
N/A
31
Price
$5.45
32
Price
$1.90
33
ROTARY SWITCH KEDU ZH-A FOR/OFF/REV
Price
$1.90
34
POTENTIOMETER WX1 10 010 10K
Price
N/A
35
ON/OFF SWITCH KJD178 250V 18A
Price
$30.85
36
PHLP HD SCR M4-.7 X 6
Price
N/A
37
KNURLED THUMB SCREW M5-.8 X 8
Price
$1.90
39
PHLP HD SCR M5-.8 X 8
Price
N/A
40
Price
$2.90
41
FLAT WASHER 5MM
Price
N/A
43
Price
$6.15
44
HEADSTOCK CLAMP BOLT M18-2.5 X 44
Price
$8.05
45
Price
$5.75
46
HEX NUT M18-2.5
Price
N/A
47
Price
$7.60
48
PHLP HD SCR M4-.7 X 8
Price
N/A
49
HANDWHEEL 49MM DIA DISHED
Price
$20.90
50
SPANNER NUT
Price
N/A
51
EXT TOOTH WASHER 30MM BLACK
Price
$1.90
52
TOOL REST BASE LOCK LEVER V1
Price
$19.10
52V2
TOOL REST BASE LOCK LEVER V2.07.15
Price
$33.95
53
EXT RETAINING RING 19MM
Price
N/A
54
TOOL REST LOCK LEVER
Price
N/A
55
TOOL REST BASE (25MM HOLE) V2.07.15
Price
N/A
55V2
TOOL REST BASE (25MM HOLE) V2.07.15
Price
$82.70
55V2A
EXTENDED TOOL REST BASE KIT
Price
$113.60
55V3
TOOL REST BASE (1" HOLE) V3.12.17
Price
$99.60
56
TOOL REST (25MM POST) V1
Price
$42.45
56V2
TOOL REST (1" POST) V2.12.17
Price
$90.25
57
Price
$3.25
58
PHLP HD SCR M5-.8 X 12
Price
N/A
59
TOOL REST CLAMP BOLT M18-2.5 X 44
Price
$10.45
60
Price
$4.35
61
*DISCD*SLIDE BUSHING V1
Item is no longer available
Price
N/A
61V2
SLIDE BUSHING
Price
N/A
62
Price
$5.75
63
HEX NUT M18-2.5
Price
N/A
64
Price
$246.65
64A
COMPLETE TAILSTOCK ASSEMBLY
Price
$359.40
65
HANDWHEEL 137MM DIA DISHED
Price
$49.65
66
HANDWHEEL HANDLE M8-1.25 X 13, 94L
Price
$2.20
67
SET SCREW M8-1.25 X 12
Price
N/A
68
Price
$4.35
69
STOP PIN M8-1.25 X 10, 152L
Price
$3.25
70
Price
$17.15
71
Price
$12.40
72
Price
$77.65
73
Price
$30.10
74
EXT RETAINING RING 19MM
Price
N/A
75
TAILSTOCK CLAMP BOLT M18-2.5 X 44
Price
$8.05
76
BUSHING
Price
N/A
77
Price
$4.50
78
HEX NUT M18-2.5
Price
N/A
79
Price
$450.70
79V2
Price
$403.65
79V3
Price
$655.15
80
Price
$1,399.35
81
LOCK WASHER 10MM
Price
N/A
82
CAP SCREW M10-1.5 X 35
Price
N/A
83
Price
$2.50
84
Price
$2.20
85
E-CLIP 5MM
Price
N/A
86
FLAT WASHER 4MM
Price
N/A
87
LOCK WASHER 5MM
Price
N/A
88
SET SCREW M6-1 X 10
Price
N/A
89
POWER CORD 14G 3W 72" 6-15P
Price
$34.20
89V2
POWER CORD 12G 3W 72" 6-20P V2.12.17
Price
$70.45
89V3
POWER CORD 12G 3W 72" 6-20P 90-DEG V3
Price
$76.95
90
HEX NUT M10-1.5
Price
N/A
90V2
HEX NUT M16-2
Price
N/A
91
HEX WRENCH 3MM
Price
N/A
92
HEX WRENCH 4MM
Price
N/A
93
HEX WRENCH 6MM
Price
N/A
94
HEX WRENCH 8MM
Price
N/A
95
ADJ FOOT M10-1.5 X 18, 60D V1
Price
$5.75
95V2
ADJ FOOT M16-2 X 50, 100D V2.01.21
Price
$18.35
96
HEX NUT M12-1.5 THIN
Price
N/A
97
RPM SENSOR M12-1.5 X 35
Price
$2.10
98
Price
$2.90
99
ELECTRICITY 0.7W X 0.6H
Price
N/A
100
Price
$1.90
101
SPINDLE DIRECTION SWITCH NOTICE
Price
$1.90
102
Price
$1.49
103
EYE/FACE INJURY HAZARD LABEL
Price
$1.00
104
MACHINE ID LABEL V2.12.17
Price
N/A
104V2
MACHINE ID LABEL V2.12.17
Price
$16.40
104V3
MACHINE ID LABEL V3.11.19
Price
$16.40
105
READ MANUAL 1.5W X 2.5H
Price
N/A
106
BEIGE REF G0555
Price
N/A
107
N/S GRIZZLY GREEN G1023S
Price
N/A
108
CIRCUIT BREAKER GEN. IND. 220V 15A
Price
$4.70
109
FLAT HD CAP SCR M8-1.25 X 20
Price
N/A
110
Price
$34.90
111
Price
$13.70
MAN
MANUAL G0766 MFD-01.15-06.15 V1.03.15
Price
$14.65
MANV2
MANUAL G0766 MFD-07.15-10.17 V2.10.15
Price
$18.75
MANV3
MANUAL G0766 MFD-11.17-04.19 V3.12.17
Price
$18.50
MANV4
MANUAL G0766 MFD-05.19-10.19 V4.05.19
Price
$18.50
MANV5
MANUAL G0766 MFD-11.19-12.20 V5.11.19
Price
$18.50
MANV6
MANUAL G0766 MFD-01.21+ V6.02.21
Price
$19.25