Parts for G0774 Automatic Edgebander

Parts Diagrams for G0774 - Automatic Edgebander

IMPORTANT

Parts may have multiple versions that have changed over time. This will be indicated by V1, V2, V3, etc. in the parts description, followed by the version month and year that it was first used. Example: V2.01.17 indicates version 2 of a part went into use in January 2017. Please reference the manufacture date on the ID Label for your machine to ensure you are selecting the correct part when multiple versions are indicated.

If you cannot locate your part below, please contact our tech support department at techsupport@grizzly.com or 570-546-9663.

Please note: All parts ship out of our Springfield, Missouri facility.

Parts List for Parts for G0774 Automatic Edgebander

1
EXTENSION BRACKET
$138.90
Enter quantity between 1 and 99
2
ROLLER SKID 78-1/2 X 3/4 X 3/4"
$86.15
Enter quantity between 1 and 99
3
Now: PW01M
FLAT WASHER 8MM
Price
N/A
4
WHEEL SEAT 9"
$17.50
Enter quantity between 1 and 99
5
CABINET BODY
$1,719.75
Enter quantity between 1 and 99
6
FENCE PLATE (NOTCHED)
$170.60
Enter quantity between 1 and 99
7
LIMIT SWITCH SNZ AZD-S11 2A 400V
$94.85
Enter quantity between 1 and 99
8
STRAIN RELIEF TYPE-1 PG9 (1PC)
$12.60
Enter quantity between 1 and 99
9
STRAIN RELIEF TYPE-1 PG13.5 (1PC)
$16.15
Enter quantity between 1 and 99
10
PRESSURE SWITCH DANFOSS KP36
$112.55
Enter quantity between 1 and 99
11
ELECTRICAL PANEL ASSEMBLY
$3,285.75
Enter quantity between 1 and 99
12
FLANGE NUT M8-1.25
Price
N/A
13
BUTTON HD CAP SCR M8-1.25 X 25
Price
N/A
14
CAP SCREW M6-1 X 16
Price
N/A
15
CAP SCREW M8-1.25 X 30
Price
N/A
16
MAGNETIC CATCH
$15.85
Enter quantity between 1 and 99
17
ELECTRICAL PANEL DOOR (L)
$73.50
Enter quantity between 1 and 99
18
ELECTRICAL PANEL DOOR (R)
$60.90
Enter quantity between 1 and 99
19
WORKPIECE SUPPORT BAR
$13.75
Enter quantity between 1 and 99
20
ELECTRICAL PANEL DOOR LOCK
$34.80
Enter quantity between 1 and 99
21
BUTTON HD CAP SCR M5-.8 X 10
Price
N/A
22
Now: PW02M
FLAT WASHER 5MM
Price
N/A
23
BRUSH
$12.80
Enter quantity between 1 and 99
24
BUTTON HD CAP SCR M5-.8 X 20
Price
N/A
25
FLAT WASHER 10 X 16 X .5MM
$1.49
Enter quantity between 1 and 99
26
STRAIN RELIEF 15MM
$11.60
Enter quantity between 1 and 99
27
Now: PB10M
HEX BOLT M6-1 X 25
Price
N/A
28
PRESSURE REGULATOR ASSY V1
$221.25
Enter quantity between 1 and 99
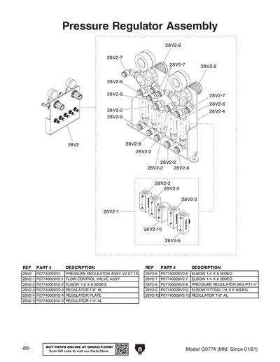
28-1
FLOW CONTROL VALVE ASSY
Price
N/A
28-10
REGULATOR 1/8" AL
Price
N/A
28-2
ELBOW 1/8 X 8 90DEG
Price
N/A
28-3
REGULATOR 1/8" AL
Price
N/A
28-4
REGULATOR PLATE
Price
N/A
28-5
REGULATOR 1/4" AL
Price
N/A
28-6
ELBOW 1/4 X 8 90DEG
Price
N/A
28-7
ELBOW 1/4 X 6 90DEG
Price
N/A
28-8
PRESSURE REGULATOR 5KG-PT1/4"
Price
N/A
28-9
ELBOW FITTING 1/8 X 6 90DEG
Price
N/A
28V2
PRESSURE REGULATOR ASSY V2.07.19
$221.25
Enter quantity between 1 and 99
28V2-1
FLOW CONTROL VALVE ASSY
$107.30
Enter quantity between 1 and 99
28V2-10
REGULATOR 1/8" AL
$28.50
Enter quantity between 1 and 99
28V2-2
ELBOW 1/8 X 8 90DEG
$12.10
Enter quantity between 1 and 99
28V2-3
REGULATOR 1/8" AL
$20.05
Enter quantity between 1 and 99
28V2-4
REGULATOR PLATE
$28.50
Enter quantity between 1 and 99
28V2-5
REGULATOR 1/4" AL
$22.20
Enter quantity between 1 and 99
28V2-6
ELBOW 1/4 X 8 90DEG
$12.10
Enter quantity between 1 and 99
28V2-7
ELBOW 1/4 X 6 90DEG
$12.10
Enter quantity between 1 and 99
28V2-8
PRESSURE REGULATOR 5KG-PT1/4"
$28.50
Enter quantity between 1 and 99
28V2-9
ELBOW FITTING 1/8 X 6 90DEG
$12.10
Enter quantity between 1 and 99
29
SOLENOID FONRAY 0.15-.8MP 24V 4.51A
$466.10
Enter quantity between 1 and 99
29-1
SOLENOID FONRAY 0.15-.8MP 24V 4.51A
Price
N/A
29-2
SOLENOID FONRAY GASKET W/ SCREW
$9.70
Enter quantity between 1 and 99
30
FILTER/LUBRICATOR/REG FONRAY AFC2000A
$143.60
Enter quantity between 1 and 99
31
WIRING JUNCTION BOX
$28.55
Enter quantity between 1 and 99
32
CAP SCREW M6-1 X 12
Price
N/A
33
LOCK WASHER 6MM
Price
N/A
34
Now: PS51M
PHLP HD SCR M4-.7 X 30
Price
N/A
35
Now: PS21M
PHLP HD SCR M4-.7 X 15
Price
N/A
36
ROTARY SWITCH ZH-HD-2
$47.50
Enter quantity between 1 and 99
36-1
CORD 3W 12G 16"
$17.95
Enter quantity between 1 and 99
37
SWITCH BOX
$51.75
Enter quantity between 1 and 99
38
EXTENSION BRACKET BLOCK
$45.35
Enter quantity between 1 and 99
39
BUSHING
$12.10
Enter quantity between 1 and 99
40
EXTENSION ROD 21 X 3/4"
$39.10
Enter quantity between 1 and 99
41
FENDER WASHER 8MM
$2.25
Enter quantity between 1 and 99
42
LOCK WASHER 8MM
Price
N/A
43
Now: PB06M
HEX BOLT M8-1.25 X 12
Price
N/A
44
CAP SCREW M6-1 X 20
Price
N/A
45
Now: PW03M
FLAT WASHER 6MM
Price
N/A
46
EXTENSION SUPPORT ROLLER
$6.55
Enter quantity between 1 and 99
47
BUTTON HD CAP SCR M8-1.25 X 16
Price
N/A
48
LOCK NUT M5-.8
Price
N/A
49
Now: PS14M
PHLP HD SCR M6-1 X 12
Price
N/A
50
CAP SCREW M6-1 X 25
Price
N/A
51
Now: PN01M
HEX NUT M6-1
Price
N/A
52
CONTROL PANEL BACKPLATE
$107.30
Enter quantity between 1 and 99
53
Now: PW01M
FLAT WASHER 8MM
Price
N/A
54
CAP SCREW M8-1.25 X 12
Price
N/A
55
BUTTON HD CAP SCR M8-1.25 X 16
Price
N/A
56
STRAIN RELIEF 32MM
$22.20
Enter quantity between 1 and 99
57
SET SCREW M8-1.25 X 8
Price
N/A
58
GROUNDING PLATE
$17.95
Enter quantity between 1 and 99
59
EXTENSION TABLE LEG
$77.70
Enter quantity between 1 and 99
60
Now: PN09M
HEX NUT M12-1.75
Price
N/A
61
ADJUSTABLE FOOT M12-1.75 X 75
$5.20
Enter quantity between 1 and 99
62
SET SCREW M6-1 X 16
Price
N/A
63
STRAIN RELIEF TYPE-3 PG20
$8.60
Enter quantity between 1 and 99
64
CAP SCREW M6-1 X 12
Price
N/A
65
LOCK WASHER 6MM
Price
N/A
66
OUTFEED SKID BAR 14 X 3/4 X 1" METAL
$124.20
Enter quantity between 1 and 99
67
MOTOR CONTACT BAR
$22.20
Enter quantity between 1 and 99
68
CAP SCREW M8-1.25 X 10
Price
N/A
69
ROLLER 96MM W/BEARING V2.01.21
Price
N/A
69A
ROLLER 96MM W/BEARING V2.01.21
Price
N/A
69AV2
ROLLER 96MM W/BEARING V2.01.21
$44.10
Enter quantity between 1 and 99
70
ROLLER 96MM W/BEARING V2.01.21
Price
N/A
71
CONTROL PANEL COVER
$689.80
Enter quantity between 1 and 99
71-1
TEMPERATURE CONTROLLER FOTEK NT-72RE
$233.90
Enter quantity between 1 and 99
71-2
CONTROL PANEL LABEL
$44.55
Enter quantity between 1 and 99
71-3
OFF BUTTON FUJI AH164-TFR11 16MM
$38.30
Enter quantity between 1 and 99
71-4
ON BUTTON FUJI AH164-TLG11E3 16MM
$65.05
Enter quantity between 1 and 99
71-5
POWER LIGHT FUJI AH164-ZRE3 16MM
$32.10
Enter quantity between 1 and 99
71-6
E-STOP BUTTON RENY R2PNR4-1B-R 22MM
$30.10
Enter quantity between 1 and 99
71A
CONTROL PANEL ASSEMBLY
$689.80
Enter quantity between 1 and 99
72
BUTTON HD CAP SCR M5-.8 X 10
Price
N/A
73
STRAIN RELIEF 32MM
$22.20
Enter quantity between 1 and 99
74
CONDUIT 1-3/8" X 32"
$13.75
Enter quantity between 1 and 99
75
CORD 3W 12G 16"
Price
N/A
76
Now: PW03M
FLAT WASHER 6MM
Price
N/A
77
LIMIT SWITCH SNZ AZD-S11 2A 400V
Price
N/A
78
POWER CORD 12G 3W 72" L6-30P
$113.45
Enter quantity between 1 and 99
79
TERMINAL BLOCK 4P
$11.95
Enter quantity between 1 and 99
101
REAR ACCESS PANEL V1
$98.85
Enter quantity between 1 and 99
101V2
REAR ACCESS PANEL V2.07.19
$98.85
Enter quantity between 1 and 99
102
CAP SCREW M6-1 X 12
Price
N/A
103
HINGE
$9.50
Enter quantity between 1 and 99
104
RIVET 3.2 X 8.9 BLIND
$2.25
Enter quantity between 1 and 99
105
CLEAR COVER
$69.30
Enter quantity between 1 and 99
106
REAR COVER HANDLE
$4.05
Enter quantity between 1 and 99
107
LIMIT SWITCH ASSY AZD-S11
$68.25
Enter quantity between 1 and 99
108
LOCK NUT M6-1
Price
N/A
109
KNOB 10-LOBE 60MM
$5.70
Enter quantity between 1 and 99
110
CAP SCREW M6-1 X 25
Price
N/A
111
REAR COVER (UPPER)
$111.50
Enter quantity between 1 and 99
112
MAGNETIC CATCH
$15.85
Enter quantity between 1 and 99
113
FRONT COVER (UPPER)
$170.60
Enter quantity between 1 and 99
114
PANEL FEEDER COVER
$115.75
Enter quantity between 1 and 99
115
PANEL FEEDER HOUSING
$280.35
Enter quantity between 1 and 99
116
TOP COVER
$284.60
Enter quantity between 1 and 99
117
FLANGE NUT M8-1.25
Price
N/A
118
CAP SCREW M8-1.25 X 16
Price
N/A
119
BUTTON HD CAP SCR M5-.8 X 8
Price
N/A
120
Now: PN01M
HEX NUT M6-1
Price
N/A
121
HINGE PLATE
$11.60
Enter quantity between 1 and 99
122
DO NOT LEAN LABEL
$3.15
Enter quantity between 1 and 99
123
FLANGE BOLT M6-1 X 8
Price
N/A
124
RIVET 3.2 X 8.9 BLIND
Price
N/A
125
CAP SCREW M5-.8 X 12
Price
N/A
126
HINGE
$39.10
Enter quantity between 1 and 99
127
CONDUIT 2.5" X 25"
$15.85
Enter quantity between 1 and 99
128
CONDUIT 2.5" X 36"
$24.30
Enter quantity between 1 and 99
129
CONDUIT 2.5" X 46"
$28.50
Enter quantity between 1 and 99
130
BUTTON HD CAP SCR M4-.7 X 35
Price
N/A
131
FLANGE NUT M4-.7
Price
N/A
132
FLANGE BOLT M5-.8 X 8
$2.70
Enter quantity between 1 and 99
133
CABLE TIE (WHITE)
$2.25
Enter quantity between 1 and 99
134
Now: PW02M
FLAT WASHER 5MM
Price
N/A
135
FRONT COVER (LOWER)
$170.60
Enter quantity between 1 and 99
201
PRESSURE BEAM BRACKET
$141.05
Enter quantity between 1 and 99
202
THRUST BEARING 51201
Price
N/A
203
STUD-SE M14-1.5 X 115
$43.30
Enter quantity between 1 and 99
204
BEARING SLEEVE BUSHING
$13.75
Enter quantity between 1 and 99
205
Now: PN09M
HEX NUT M12-1.75
Price
N/A
206
ADAPTER SHAFT
$15.85
Enter quantity between 1 and 99
207
BEARING SLEEVE
$9.50
Enter quantity between 1 and 99
208
BEARING CAP
$13.75
Enter quantity between 1 and 99
209
SLIDER BRACKET
$179.05
Enter quantity between 1 and 99
211
HANDWHEEL 2-SPOKE 165MM W/HANDLE
$43.30
Enter quantity between 1 and 99
212
SET SCREW M8-1.25 X 10
Price
N/A
213
POSITION INDICATOR
$49.60
Enter quantity between 1 and 99
214
SLIDER RING
$69.30
Enter quantity between 1 and 99
215
SHOULDER BOLT M14-1.25 X 15, 25L
$13.75
Enter quantity between 1 and 99
216
SHAFT SEAT M14-1.5
$24.30
Enter quantity between 1 and 99
217
COLUMN
$79.85
Enter quantity between 1 and 99
218
CAP SCREW M5-.8 X 45
Price
N/A
219
LOCK NUT M5-.8
Price
N/A
220
ROLL PIN 5 X 20
Price
N/A
222
Now: PB15M
HEX BOLT M8-1.25 X 40
Price
N/A
223
Now: PB26M
HEX BOLT M8-1.25 X 30
Price
N/A
224
LOCK WASHER 8MM
Price
N/A
225
SET SCREW M8-1.25 X 16
Price
N/A
226
CAP SCREW M8-1.25 X 30
Price
N/A
227
Now: PN03M
HEX NUT M8-1.25
Price
N/A
228
Now: PN46M
HEX NUT M8-1.25 THIN
Price
N/A
229
Now: PB06M
HEX BOLT M8-1.25 X 12
Price
N/A
230
COUNTER ARM SUPPORT
$73.50
Enter quantity between 1 and 99
231
SUPPORT ARM PLATE
$41.15
Enter quantity between 1 and 99
232
FLAT HD CAP SCR M6-1 X 25
$4.50
Enter quantity between 1 and 99
234
PRESSURE BEAM FIXED PLATE
$34.80
Enter quantity between 1 and 99
235
Now: PW13M
FLAT WASHER 20MM
Price
N/A
236
FLAT HD CAP SCR M8-1.25 X 12
$12.10
Enter quantity between 1 and 99
237
SET SCREW M5-.8 X 6
Price
N/A
301
CONVEYOR BODY
$314.10
Enter quantity between 1 and 99
302
CONVEYOR BASE PLATE
$181.15
Enter quantity between 1 and 99
303
BELT IDLER ROLLER 70 X 60MM, PLASTIC
$43.30
Enter quantity between 1 and 99
304
ROLLER BUSHING
$12.10
Enter quantity between 1 and 99
305
BELT DRIVE ROLLER 70 X 60MM, PLASTIC
$122.05
Enter quantity between 1 and 99
306
KEYED SHAFT
$49.60
Enter quantity between 1 and 99
307
Now: PK07M
KEY 6 X 6 X 20
Price
N/A
308
Now: PK11M
KEY 6 X 6 X 40
Price
N/A
309
ROLLER SHAFT
$24.30
Enter quantity between 1 and 99
310
CAP SCREW M8-1.25 X 80
Price
N/A
311
Now: PR07M
EXT RETAINING RING 18MM
Price
N/A
312
DRIVE ROLLER GASKET
$17.50
Enter quantity between 1 and 99
313
GEARBOX NMRV040
$364.75
Enter quantity between 1 and 99
314
GEARBOX NMRV040
Price
N/A
315
HEX BOLT M8-1.25 X 90
Price
N/A
316
Now: PW01M
FLAT WASHER 8MM
Price
N/A
317
FLANGE NUT M8-1.25
Price
N/A
318
CONVEYER BELT (RUBBER)
$267.70
Enter quantity between 1 and 99
319
MOTOR 3/4HP 220V 1-PH (PANEL FEEDER)
$398.55
Enter quantity between 1 and 99
319-1
MOTOR FAN COVER
$13.75
Enter quantity between 1 and 99
319-10
S CAPACITOR 150MFD 250V
$17.50
Enter quantity between 1 and 99
319-2
MOTOR FAN
$11.60
Enter quantity between 1 and 99
319-4
R CAPACITOR 30MFD 250V
$15.85
Enter quantity between 1 and 99
319-5
MOTOR JUNCTION BOX
$11.60
Enter quantity between 1 and 99
319-6
CONTACT PLATE W/CENTRIFUGAL SWITCH
$13.45
Enter quantity between 1 and 99
319-7
CONTACT PLATE W/CENTRIFUGAL SWITCH
Price
N/A
319-8
BALL BEARING 6203ZZ
Price
N/A
319-9
BALL BEARING 6202ZZ
Price
N/A
320
BALL BEARING 6301-2RS
$8.80
Enter quantity between 1 and 99
321
SET SCREW M6-1 X 30
Price
N/A
322
FENDER WASHER 6 X 23 X 3MM
$6.55
Enter quantity between 1 and 99
323
Now: PN01M
HEX NUT M6-1
Price
N/A
324
BUTTON HD CAP SCR M6-1 X 20
Price
N/A
325
Now: PB08M
HEX BOLT M6-1 X 20
Price
N/A
326
CAP SCREW M8-1.25 X 40
Price
N/A
327
FLAT WASHER 20 X 30 X .5MM
$6.55
Enter quantity between 1 and 99
328
STRAIN RELIEF 15MM
$11.60
Enter quantity between 1 and 99
329
CONDUIT 30" NGN-12B-50 RIBBED
$9.50
Enter quantity between 1 and 99
330
MOTOR CORD 16G 4W 40"
$17.95
Enter quantity between 1 and 99
331
BUSHING
$9.50
Enter quantity between 1 and 99
332
BEARING PLATE
$30.65
Enter quantity between 1 and 99
333
BALL BEARING 6904-2RS
$13.80
Enter quantity between 1 and 99
334
CAP SCREW M6-1 X 20
Price
N/A
335
Now: PR85M
INT RETAINING RING 37MM
Price
N/A
336
PNEUMATIC STOP PISTON
$86.15
Enter quantity between 1 and 99
337
STOP PISTON BRACKET
$13.75
Enter quantity between 1 and 99
338
STOP (RUBBER)
$17.50
Enter quantity between 1 and 99
339
Now: PN03M
HEX NUT M8-1.25
Price
N/A
340
Now: PN01M
HEX NUT M6-1
Price
N/A
341
BRUSH MOUNTING BRACKET
$11.60
Enter quantity between 1 and 99
342
BRUSH
$17.50
Enter quantity between 1 and 99
343
Now: PW03M
FLAT WASHER 6MM
Price
N/A
344
CAP SCREW M6-1 X 25
Price
N/A
345
CONVEYOR MOUNTING BLOCK
$36.95
Enter quantity between 1 and 99
346
BUTTON HD CAP SCR M5-.8 X 10
Price
N/A
347
Now: PW05M
FLAT WASHER 4MM
Price
N/A
401
ADJUSTMENT COLUMN
$32.75
Enter quantity between 1 and 99
402
Now: PW05M
FLAT WASHER 4MM
Price
N/A
403
LOCK WASHER 8MM
Price
N/A
404
CAP SCREW M8-1.25 X 20
Price
N/A
405
CONVEYOR LOCK BRACKET
$32.75
Enter quantity between 1 and 99
406
SWITCH CONTACT PLATE
$15.85
Enter quantity between 1 and 99
407
Now: PN01M
HEX NUT M6-1
Price
N/A
408
Now: PS07M
PHLP HD SCR M4-.7 X 8
Price
N/A
409
PHLP HD SCR M8-1.25 X 40
Price
N/A
410
Now: PW01M
FLAT WASHER 8MM
Price
N/A
411
ADJUSTMENT BRACKET
$39.10
Enter quantity between 1 and 99
412
DOOR SWITCH MOUNTING PLATE
$13.75
Enter quantity between 1 and 99
413
FLAT HD CAP SCR M10-1.5 X 35
$12.10
Enter quantity between 1 and 99
414
FLAT WASHER 10 X 20 X 2MM
$2.25
Enter quantity between 1 and 99
415
WAVY WASHER 10MM
$2.25
Enter quantity between 1 and 99
416
Now: PS51M
PHLP HD SCR M4-.7 X 30
Price
N/A
417
LIMIT SWITCH AZDS11 W/KEY
$56.65
Enter quantity between 1 and 99
417-1
LIMIT SWITCH AZDS11 W/KEY
Price
N/A
418
ADJUSTABLE HANDLE M10-1.5 X 35, 92L
$13.75
Enter quantity between 1 and 99
419
FENDER WASHER 10 X 27 X 4MM
$6.55
Enter quantity between 1 and 99
420
Now: PB29M
HEX BOLT M6-1 X 30
Price
N/A
421
WAVY WASHER 10MM
Price
N/A
422
Now: PW04M
FLAT WASHER 10MM
Price
N/A
423
LOCK BRACKET BLOCK
$17.95
Enter quantity between 1 and 99
427
BELT 20 X 730MM
Price
N/A
500
GUILLOTINE ASSEMBLY
$413.30
Enter quantity between 1 and 99
501
CUTTER GUIDE PLATE
$124.20
Enter quantity between 1 and 99
502
CUTTER MOUNTING BLOCK
$56.65
Enter quantity between 1 and 99
503
ROLLER LOCK PLATE M8-1.25
Price
N/A
504
CUTTER ALIGNMENT PLATE
$41.15
Enter quantity between 1 and 99
505
LOCATE BLOCK
$30.65
Enter quantity between 1 and 99
506
CUTTER
$72.65
Enter quantity between 1 and 99
507
CYLINDER MOUNTING PLATE
$13.75
Enter quantity between 1 and 99
508
FLAT HD CAP SCR M6-1 X 16
Price
N/A
509
FLAT HD CAP SCR M6-1 X 20
Price
N/A
510
FLAT HD CAP SCR M6-1 X 12
Price
N/A
511
CAP SCREW M6-1 X 35
Price
N/A
512
LOCK NUT M6-1
Price
N/A
513
FLAT HD CAP SCR M6-1 X 25
$6.55
Enter quantity between 1 and 99
514
PNEUMATIC CYLINDER ASSEMBLY
$232.25
Enter quantity between 1 and 99
515
SET SCREW M10-1.5 X 90
$11.60
Enter quantity between 1 and 99
516
HEX BOLT M6-1 X 70
Price
N/A
517
Now: PW03M
FLAT WASHER 6MM
Price
N/A
518
Now: PN02M
HEX NUT M10-1.5
Price
N/A
519
ROLL PIN 4 X 12
Price
N/A
520
LOCK WASHER 6MM
Price
N/A
521
CAP SCREW M6-1 X 20
Price
N/A
522
FENDER WASHER 6MM
Price
N/A
600
FLUSH TRIMMER MOTOR ASSEMBLY
$803.75
Enter quantity between 1 and 99
601
COLUMN SEAT
$77.70
Enter quantity between 1 and 99
602
HEIGHT ROD
$30.65
Enter quantity between 1 and 99
603
HEIGHT ROD LOCK PLATE (UPPER)
$17.95
Enter quantity between 1 and 99
604
HEIGHT ROD LOCK PLATE (LOWER)
$26.40
Enter quantity between 1 and 99
605
MOTOR MOVEMENT PLATE
$34.80
Enter quantity between 1 and 99
606
MOTOR BLOCK
$69.30
Enter quantity between 1 and 99
607
MOTOR MOUNTING BRACKET
$51.75
Enter quantity between 1 and 99
608
LOCK COLLAR
$17.50
Enter quantity between 1 and 99
609
COMPRESSION SPRING 7 X 22 X 1.5
$9.50
Enter quantity between 1 and 99
610
CAP SCREW M6-1 X 10
Price
N/A
611
MOTOR 3/4HP 220V 1-PH (TRIM ROUTER)
$450.25
Enter quantity between 1 and 99
611-1
MOTOR FAN COVER
Price
N/A
611-10
S CAPACITOR 150MFD 250V
Price
N/A
611-2
MOTOR FAN
Price
N/A
611-3
*DISCD*CAPACITOR COVER
Price
N/A
611-4
R CAPACITOR 20M 300V 1-5/16 X 2
Price
N/A
611-5
MOTOR JUNCTION BOX
Price
N/A
611-6
CONTACT PLATE W/CENTRIFUGAL SWITCH
Price
N/A
611-7
CONTACT PLATE W/CENTRIFUGAL SWITCH
Price
N/A
611-8
BALL BEARING 6203ZZ
Price
N/A
611-9
BALL BEARING 6202ZZ
Price
N/A
612
FLAT BELT PULLEY
$47.50
Enter quantity between 1 and 99
613
CAP SCREW M5-.8 X 16
Price
N/A
614
Now: PW02M
FLAT WASHER 5MM
Price
N/A
615
LINEAR BEARING LM12UU
$20.05
Enter quantity between 1 and 99
616
CAP SCREW M6-1 X 16
Price
N/A
617
LOCK WASHER 6MM
Price
N/A
618
Now: PW03M
FLAT WASHER 6MM
Price
N/A
619
Now: PB07M
HEX BOLT M8-1.25 X 25
Price
N/A
620
LOCK WASHER 8MM
Price
N/A
621
Now: PW01M
FLAT WASHER 8MM
Price
N/A
622
SET SCREW M6-1 X 6
Price
N/A
624
CAP SCREW M6-1 X 25
Price
N/A
625
Now: PW28M
FLAT WASHER 13MM
Price
N/A
626
Now: PN01M
HEX NUT M6-1
Price
N/A
627
BELT 20 X 730MM
$57.60
Enter quantity between 1 and 99
628
FLAT WASHER 6 X 19 X 2MM
$2.25
Enter quantity between 1 and 99
629
MOTOR CORD 16G 3W 12"
$20.05
Enter quantity between 1 and 99
630
SET SCREW M6-1 X 20
Price
N/A
631
INT RETAINING RING R21
$3.20
Enter quantity between 1 and 99
700
COIL SUPPORT ASSEMBLY
$352.15
Enter quantity between 1 and 99
701
SUPPORT ARM
$77.70
Enter quantity between 1 and 99
702
COIL SUPPORT
$155.85
Enter quantity between 1 and 99
703
ROLLER LOCK PLATE M8-1.25
$9.50
Enter quantity between 1 and 99
704
BANDING TENSION ROLLER 40 X 25MM
$13.15
Enter quantity between 1 and 99
705
FENDER WASHER 10MM
Price
N/A
706
Now: PN02M
HEX NUT M10-1.5
Price
N/A
707
STUD-FT M10-1.5 X 150
$15.85
Enter quantity between 1 and 99
708
BUTTON HD CAP SCR M8-1.25 X 16
Price
N/A
709
Now: PW01M
FLAT WASHER 8MM
Price
N/A
710
SHOULDER BOLT M8-1.25 X 12, 14 X 52L
$10.35
Enter quantity between 1 and 99
711
CAP SCREW M8-1.25 X 20
Price
N/A
712
Now: PW01M
FLAT WASHER 8MM
Price
N/A
713
LOCK WASHER 8MM
Price
N/A
714
BANDING ROLLER 375 X 40MM
$41.15
Enter quantity between 1 and 99
715
Now: PR29M
INT RETAINING RING 32MM
Price
N/A
716
BALL BEARING 6201ZZ
Price
N/A
717
BEARING SPACER
$6.55
Enter quantity between 1 and 99
718
LOCK NUT M10-1.5
Price
N/A
800
EDGEBANDING INTAKE ASSEMBLY
$111.50
Enter quantity between 1 and 99
801
GUIDE (INNER)
$34.80
Enter quantity between 1 and 99
802
GUIDE (OUTER)
$56.65
Enter quantity between 1 and 99
803
SHOULDER BOLT M5-.8 X 8, 8 X 18
$11.60
Enter quantity between 1 and 99
804
KNOB 4-LOBE M5-.8
$17.50
Enter quantity between 1 and 99
805
Now: PW02M
FLAT WASHER 5MM
Price
N/A
806
Now: PB06M
HEX BOLT M8-1.25 X 12
Price
N/A
807
FLANGE NUT M8-1.25
Price
N/A
808
Now: PW03M
FLAT WASHER 6MM
Price
N/A
809
CAP SCREW M6-1 X 10
Price
N/A
900
PRESSURE ROLLER ASSEMBLY
$276.15
Enter quantity between 1 and 99
901
BEARING PLATE
$13.75
Enter quantity between 1 and 99
902
WHEEL SUPPORT PLATE
$43.30
Enter quantity between 1 and 99
903
ROLLER WHEEL 40 X 65MM METAL (OUTER)
$32.75
Enter quantity between 1 and 99
904
WHEEL SPINDLE 15 X 80MM (OUTER)
$11.60
Enter quantity between 1 and 99
905
WHEEL SPINDLE 15 X 80MM (OUTER)
Price
N/A
906
T-PLATE SUPPORT BLOCK
$34.80
Enter quantity between 1 and 99
907
BASE PLATE TOP BLOCK
$22.20
Enter quantity between 1 and 99
908
FLAT HD CAP SCR M6-1 X 12
Price
N/A
909
Now: PW01M
FLAT WASHER 8MM
Price
N/A
910
CAP SCREW M6-1 X 16
Price
N/A
911
Now: PB09M
HEX BOLT M8-1.25 X 20
Price
N/A
912
Now: PR24M
INT RETAINING RING 42MM
Price
N/A
913
Now: PR09M
EXT RETAINING RING 20MM
Price
N/A
914
Now: PR05M
EXT RETAINING RING 15MM
Price
N/A
915
HEX BOLT M6-1 X 65
Price
N/A
916
COMPRESSION SPRING 2.5 X 14 X 30
$9.50
Enter quantity between 1 and 99
917
Now: PW03M
FLAT WASHER 6MM
Price
N/A
918
FENDER WASHER 6 X 16 X 2
$2.50
Enter quantity between 1 and 99
919
ROLLER WHEEL 79 X 58MM METAL (INNER)
$65.05
Enter quantity between 1 and 99
920
BALL BEARING 6004LLU
Price
N/A
921
CLEVIS ROD END
$30.65
Enter quantity between 1 and 99
922
Now: PN01M
HEX NUT M6-1
Price
N/A
923
LOCK NUT M6-1
Price
N/A
924
BUTTON HD CAP SCR M5-.8 X 8
Price
N/A
925
SELF-LUBE BEARING DU1520
$12.10
Enter quantity between 1 and 99
926
BASE PLATE
$60.90
Enter quantity between 1 and 99
927
SET SCREW M8-1.25 X 8
Price
N/A
928
BUTTON HD CAP SCR M6-1 X 20
Price
N/A
929
LOCK WASHER 6MM
Price
N/A
930
FLAT HD CAP SCR M8-1.25 X 20
Price
N/A
931
ROLLER SCRAPER
$17.50
Enter quantity between 1 and 99
932
LOCK WASHER 8MM
Price
N/A
933
FLAT WASHER 6 X 18 X 2MM
$2.25
Enter quantity between 1 and 99
1000
HEATED FENCE ASSEMBLY
$364.75
Enter quantity between 1 and 99
1001
FENCE MOUNTING PLATE
$65.05
Enter quantity between 1 and 99
1002
LIMIT BLOCK
$28.50
Enter quantity between 1 and 99
1003
FENCE SLIDER
$45.35
Enter quantity between 1 and 99
1004
SLIDER BLOCK
$49.60
Enter quantity between 1 and 99
1005
HEATED FENCE
$132.65
Enter quantity between 1 and 99
1006
STUD-DE M8-1.25 X 160, 10
$9.50
Enter quantity between 1 and 99
1007
ECCENTRIC KNURLED CYLINDER
$36.95
Enter quantity between 1 and 99
1008
HEATED FENCE COVER
$43.30
Enter quantity between 1 and 99
1009
HEATING ELEMENT
$94.60
Enter quantity between 1 and 99
1010
Now: PB06M
HEX BOLT M8-1.25 X 12
Price
N/A
1011
Now: PW01M
FLAT WASHER 8MM
Price
N/A
1012
CAP SCREW M8-1.25 X 55
Price
N/A
1013
FLANGE BOLT M5-.8 X 10
Price
N/A
1014
LOCK WASHER 8MM
Price
N/A
1015
CAP SCREW M5-.8 X 12
Price
N/A
1016
CAP SCREW M6-1 X 35
Price
N/A
1017
LOCK WASHER 5MM
Price
N/A
1018
LOCK WASHER 6MM
Price
N/A
1019
CAP SCREW M6-1 X 20
Price
N/A
1020
ADJUSTABLE HANDLE M8-1.25, 82L
$13.75
Enter quantity between 1 and 99
1021
FENDER WASHER 8 X 30 X 3MM
$4.75
Enter quantity between 1 and 99
1100
EDGEBANDING FEEDER ASSEMBLY
$466.10
Enter quantity between 1 and 99
1101
ROLLER BASE PLATE
$65.05
Enter quantity between 1 and 99
1102
VERTICAL PLATE
$43.30
Enter quantity between 1 and 99
1103
PRESSURE WHEEL
$112.55
Enter quantity between 1 and 99
1104
BEARING PLATE (UPPER)
$49.60
Enter quantity between 1 and 99
1105
TENSION WHEEL BASE PLATE
$22.20
Enter quantity between 1 and 99
1106
WHEEL SHAFT
$9.50
Enter quantity between 1 and 99
1107
STUD-DE M8-1.25 X 30, 82L
$17.50
Enter quantity between 1 and 99
1108
FLAT HD CAP SCR M8-1.25 X 40
$6.55
Enter quantity between 1 and 99
1109
TENSION WHEEL 40 X 60MM PLASTIC
$45.35
Enter quantity between 1 and 99
1110
GEAR
$49.90
Enter quantity between 1 and 99
1111
FIXED BRACKET
$26.40
Enter quantity between 1 and 99
1112
WHEEL SHAFT W/GEAR
$65.05
Enter quantity between 1 and 99
1113
BEARING PLATE (LOWER)
$36.95
Enter quantity between 1 and 99
1114
WHEEL 55MM, RUBBER
$41.00
Enter quantity between 1 and 99
1115
BALL BEARING 6002-2RS
Price
N/A
1116
CAP SCREW M6-1 X 20
Price
N/A
1117
CAP SCREW M5-.8 X 12
Price
N/A
1118
CAP SCREW M4-.7 X 25
Price
N/A
1119
FLAT HD CAP SCR M8-1.25 X 20
Price
N/A
1120
SELF-LUBE BEARING DU0810
$6.55
Enter quantity between 1 and 99
1121
Now: PN01M
HEX NUT M6-1
Price
N/A
1122
Now: PN65M
HEX NUT M6-1 LH
Price
N/A
1123
LOCK NUT M8-1.25
Price
N/A
1124
LOCK WASHER 8MM
Price
N/A
1125
Now: PW01M
FLAT WASHER 8MM
Price
N/A
1126
SELF-LUBE BEARING DU1520
$12.10
Enter quantity between 1 and 99
1127
Now: PR05M
EXT RETAINING RING 15MM
Price
N/A
1128
COMPRESSION SPRING 1.6 X 12 X 22
$9.50
Enter quantity between 1 and 99
1129
Now: PN03M
HEX NUT M8-1.25
Price
N/A
1130
CLEVIS ROD END
$32.75
Enter quantity between 1 and 99
1131
KNOB 4-LOBE M8-1.25
Price
N/A
1132
Now: G3845
Bearing - 22mm x 8mm
Price
N/A
1133
E-CLIP 7MM
Price
N/A
1134
Now: PW03M
FLAT WASHER 6MM
Price
N/A
1135
CONNECTOR PLATE
$9.50
Enter quantity between 1 and 99
1136
STAND-OFF HEX M6-1 X 52, 60L
$17.50
Enter quantity between 1 and 99
1137
LOCK WASHER 6MM
Price
N/A
1138
Now: PB83M
HEX BOLT M6-1 X 16
Price
N/A
1139
CAP SCREW M6-1 X 12
Price
N/A
1140
LOCK WASHER 4MM
Price
N/A
1141
Now: PW05M
FLAT WASHER 4MM
Price
N/A
1142
WHEEL BUSHING
$3.30
Enter quantity between 1 and 99
1143
Now: PW01M
FLAT WASHER 8MM
Price
N/A
1144
LOCK WASHER 5MM
Price
N/A
1145
FENDER WASHER 8 X 23 X 2MM
$2.25
Enter quantity between 1 and 99
1146
Now: PN03M
HEX NUT M8-1.25
Price
N/A
1200
END TRIMMER CARRIAGE ASSEMBLY
$1,141.45
Enter quantity between 1 and 99
1201
BASE
$179.05
Enter quantity between 1 and 99
1202
VERTICAL ROD 18 X 128L
$45.35
Enter quantity between 1 and 99
1203
BALL BEARING 6002LLU
$5.35
Enter quantity between 1 and 99
1204
HORIZONTAL ROD 10 X 155L
$22.20
Enter quantity between 1 and 99
1205
GUIDE PLATE
$79.85
Enter quantity between 1 and 99
1206
HORIZONTAL ROD 16 X 350L
$41.15
Enter quantity between 1 and 99
1207
LIFTING BLOCK
$130.45
Enter quantity between 1 and 99
1208
SELF-LUBE BEARING DU1020
$6.55
Enter quantity between 1 and 99
1209
VERTICAL ROD 12 X 246.5L
$34.80
Enter quantity between 1 and 99
1210
VERTICAL PLATE
$39.10
Enter quantity between 1 and 99
1211
TOP PLATE
$30.65
Enter quantity between 1 and 99
1212
CYLINDER FIXED BLOCK
$30.65
Enter quantity between 1 and 99
1213
CAP SCREW M8-1.25 X 80
Price
N/A
1214
CAP SCREW M6-1 X 70
Price
N/A
1215
BELLEVILLE WASHER 8 X 15MM
$12.10
Enter quantity between 1 and 99
1216
Now: PN03M
HEX NUT M8-1.25
Price
N/A
1217
LOCK NUT M8-1.25
Price
N/A
1218
LOCK NUT M6-1
Price
N/A
1219
SET SCREW M6-1 X 8
Price
N/A
1220
LINEAR BEARING LME16
$26.40
Enter quantity between 1 and 99
1221
FLAT WASHER 25 X 35 X 1
$6.55
Enter quantity between 1 and 99
1222
VERTICAL AIR CYLINDER SMC-25M100
$165.80
Enter quantity between 1 and 99
1223
HORIZONTAL AIR CYLINDER SMC-16N150
$117.00
Enter quantity between 1 and 99
1225
CAP SCREW M8-1.25 X 20
Price
N/A
1226
SPACER 20 X 30L
$11.60
Enter quantity between 1 and 99
1227
ABS STRIP 4 X 5L
$28.50
Enter quantity between 1 and 99
1228
HEX BOLT M4-.7 X 6
Price
N/A
1229
Now: PB07M
HEX BOLT M8-1.25 X 25
Price
N/A
1230
LOCK WASHER 8MM
Price
N/A
1231
Now: PW01M
FLAT WASHER 8MM
Price
N/A
1232
CYCLINDER BLOCK 25 X 19L
$6.35
Enter quantity between 1 and 99
1233
CAP SCREW M6-1 X 20
Price
N/A
1234
SET SCREW M6-1 X 6
Price
N/A
1235
Now: PN01M
HEX NUT M6-1
Price
N/A
1237
Now: PB82M
HEX BOLT M8-1.25 X 80
Price
N/A
1238
SPACER
$6.55
Enter quantity between 1 and 99
1239
Now: PW01M
FLAT WASHER 8MM
Price
N/A
1240
Now: PW03M
FLAT WASHER 6MM
Price
N/A
1241
LOCK WASHER 6MM
Price
N/A
1242
CAP SCREW M6-1 X 16
Price
N/A
1243
Now: PW02M
FLAT WASHER 5MM
Price
N/A
1244
Now: PB96M
HEX BOLT M5-.8 X 10
Price
N/A
1245
BUFFER BLOCK
$4.50
Enter quantity between 1 and 99
1246
LOCK WASHER 10MM
Price
N/A
1247
BUTTON HD CAP SCR M8-1.25 X 30
Price
N/A
1249
CONNECTING ROD
$13.75
Enter quantity between 1 and 99
1250
CYLINDER PLATE
$11.60
Enter quantity between 1 and 99
1251
Now: PW03M
FLAT WASHER 6MM
Price
N/A
1252
Now: PW04M
FLAT WASHER 10MM
Price
N/A
1301
MOTOR 1/4HP 220V 1-PH (END TRIMMER)
$248.55
Enter quantity between 1 and 99
1301-1
MOTOR FAN COVER
$11.60
Enter quantity between 1 and 99
1301-2
MOTOR FAN
$17.50
Enter quantity between 1 and 99
1301-4
R CAPACITOR 5M 500V 1-1/2 X 2
$11.60
Enter quantity between 1 and 99
1301-5
MOTOR JUNCTION BOX
$17.50
Enter quantity between 1 and 99
1301-8
BALL BEARING 6202ZZ
Price
N/A
1301-9
BALL BEARING 6200ZZ
Price
N/A
1302
MOTOR MOUNT BRACKET V2.05.24
Price
N/A
1302V2
MOTOR MOUNT BRACKET V2.05.24
$221.15
Enter quantity between 1 and 99
1303
BOARD SUPPORT BRACKET
$82.00
Enter quantity between 1 and 99
1304
BRACKET PLATE
$88.30
Enter quantity between 1 and 99
1305
BALL BEARING 692ZZ
Price
N/A
1306
FLAT HD CAP SCR M5-.8 X 16
Price
N/A
1307
SET SCREW M3-.5 X 5
Price
N/A
1308
ROLL PIN 1 X 20
$5.55
Enter quantity between 1 and 99
1309
FLAT WASHER 5 X 12 X .6
$12.10
Enter quantity between 1 and 99
1310
BALL BEARING 6202LLB
Price
N/A
1311
BEARING SPACER
$9.50
Enter quantity between 1 and 99
1312
Now: PR21M
INT RETAINING RING 35MM
Price
N/A
1313
SPROCKET SPINDLE
$69.30
Enter quantity between 1 and 99
1314
BEARING SPACER
$9.50
Enter quantity between 1 and 99
1315
SPROCKET WASHER 8MM
$20.05
Enter quantity between 1 and 99
1316
CAP SCREW M8-1.25 X 20
Price
N/A
1317
BLADE FLANGE
$13.75
Enter quantity between 1 and 99
1318
BLADE 16T 6MM BORE
$174.60
Enter quantity between 1 and 99
1319
BLADE SPACER
$17.95
Enter quantity between 1 and 99
1320
FLANGE
$9.50
Enter quantity between 1 and 99
1321
***SEE EXT DESC***
Item is no longer available
Price
N/A
1321V2
SPROCKET 48T V2.05.24
$113.75
Enter quantity between 1 and 99
1322
SPACER BLOCK
$22.20
Enter quantity between 1 and 99
1323
BELT TENSION PLATE
$45.35
Enter quantity between 1 and 99
1324
BELT COVER
$39.10
Enter quantity between 1 and 99
1325
DUST COVER
$84.05
Enter quantity between 1 and 99
1326
BRUSH
$20.05
Enter quantity between 1 and 99
1327
HEX BOLT M6-1 X 16 LH
Price
N/A
1328
LINEAR BEARING LM12UU
$20.05
Enter quantity between 1 and 99
1329
TIMING BELT 10T5-500
$41.00
Enter quantity between 1 and 99
1330
BALL BEARING 6904-LLB
Price
N/A
1331
CAP SCREW M6-1 X 20
Price
N/A
1332
LOCK WASHER 6MM
Price
N/A
1333
CAP SCREW M5-.8 X 12
Price
N/A
1334
Now: PW02M
FLAT WASHER 5MM
Price
N/A
1335
CAP SCREW M6-1 X 40
Price
N/A
1336
Now: PW03M
FLAT WASHER 6MM
Price
N/A
1337
CAP SCREW M5-.8 X 16
Price
N/A
1338
END TRIMMER TRACER
$86.15
Enter quantity between 1 and 99
1340
FLANGE BOLT M5-.8 X 16
Price
N/A
1341
MOTOR CORD 16G 3W 36"
$43.30
Enter quantity between 1 and 99
1342
WASHER 15.2 X 22 X .2MM
$12.10
Enter quantity between 1 and 99
1343
Now: PW02M
FLAT WASHER 5MM
Price
N/A
1344
SET SCREW M5-.8 X 5
Price
N/A
1345
Now: PK48M
KEY 4 X 4 X 20
Price
N/A
1346
SET SCREW M5-.8 X 5
Price
N/A
1400
VERTICAL EDGEBANDING GUIDE ASSY
$186.35
Enter quantity between 1 and 99
1401
EDGEBAND SEAT (LOWER)
$90.40
Enter quantity between 1 and 99
1402
EDGEBAND SEAT (UPPER)
$65.05
Enter quantity between 1 and 99
1403
VERTICAL ROD 10 X 90L
$12.05
Enter quantity between 1 and 99
1404
SET SCREW M10-1.5 X 190
$13.75
Enter quantity between 1 and 99
1405
KNOB 4-LOBE M10-1.5
$17.50
Enter quantity between 1 and 99
1406
PROTECTION PLATE
$20.05
Enter quantity between 1 and 99
1407
SPRING PLATE
$11.60
Enter quantity between 1 and 99
1408
Now: PB96M
HEX BOLT M5-.8 X 10
Price
N/A
1409
LOCK WASHER 5MM
Price
N/A
1410
BUTTON HD CAP SCR M4-.7 X 10
Price
N/A
1412
SET SCREW M6-1 X 6
Price
N/A
1413
Now: PN02M
HEX NUT M10-1.5
Price
N/A
1414
FLAT WASHER 6 X 15 X .5MM
$4.50
Enter quantity between 1 and 99
1415
FENDER WASHER 6MM
Price
N/A
1416
CAP SCREW M6-1 X 20
Price
N/A
1417
BUTTON HD CAP SCR M5-.8 X 10
Price
N/A
1418
ABS STRIP 4 X 5L
$28.50
Enter quantity between 1 and 99
1419
SET SCREW M5-.8 X 8
Price
N/A
1420
Now: PW05M
FLAT WASHER 4MM
Price
N/A
1421
LOCK WASHER 4MM
Price
N/A
1422
Now: PW03M
FLAT WASHER 6MM
Price
N/A
1423
LOCK NUT M6-1
Price
N/A
1431
HEAT ROD MOUNTING PLATE
Price
N/A
1455
HEATING ELEMENT 220V 160W
Price
N/A
1456
HEATING ELEMENT 220V 250W
Price
N/A
1458
STRAIN RELIEF TYPE-1 PG11
Price
N/A
1459
JUNCTION BOX
Price
N/A
1465
CERAMIC TERMINAL BLOCK
Price
N/A
1500
GLUE SPINDLE ASSEMBLY
$398.55
Enter quantity between 1 and 99
1501
GLUE SPINDLE BASE
$86.15
Enter quantity between 1 and 99
1501V2
GLUE SPINDLE BASE V2.12.23
$104.95
Enter quantity between 1 and 99
1502
GLUE SPINDLE
$128.40
Enter quantity between 1 and 99
1503
SPACER 46.5 X 3 X 0.6MM
$9.50
Enter quantity between 1 and 99
1504
FLAT WASHER 25 X 35 X 1MM
$12.10
Enter quantity between 1 and 99
1505
SPANNER NUT W/ BEARING LOCK WASHER
$22.20
Enter quantity between 1 and 99
1506
BALL BEARING 6005ZZ
Price
N/A
1507
BUSHING
$117.85
Enter quantity between 1 and 99
1508
COLLAR
$17.95
Enter quantity between 1 and 99
1509
Now: PR25M
INT RETAINING RING 47MM
Price
N/A
1510
BALL BEARING 6005ZZ
Price
N/A
1511
BUSHING
$15.85
Enter quantity between 1 and 99
1512
CAP SCREW M6-1 X 25
Price
N/A
1513
LOCK WASHER 5MM
Price
N/A
1514
SET SCREW M5-.8 X 6
Price
N/A
1514V2
GREASE FITTING 1/4-28 UNF STRAIGHT V2.12
$6.25
Enter quantity between 1 and 99
1515
INTERNAL GASKET
$22.20
Enter quantity between 1 and 99
1516
EXTERNAL GASKET
$26.40
Enter quantity between 1 and 99
1517
GEAR 21T
$54.50
Enter quantity between 1 and 99
1518
SET SCREW M6-1 X 8
Price
N/A
1522
MOTOR 1/3HP 220V 1-PH (GLUE SPINDLE)
Price
N/A
1600
GLUE POT COVER ASSEMBLY
$423.85
Enter quantity between 1 and 99
1601
ADJUSTMENT BLOCK SPACER
$39.10
Enter quantity between 1 and 99
1602
SPACER
$11.60
Enter quantity between 1 and 99
1603
LOCATE BLOCK
$51.75
Enter quantity between 1 and 99
1604
FRONT COVER PLATE
$11.60
Enter quantity between 1 and 99
1605
BASE
$103.05
Enter quantity between 1 and 99
1606
SIDE COVER PLATE
$9.50
Enter quantity between 1 and 99
1607
BOTTOM COVER PLATE
$9.50
Enter quantity between 1 and 99
1608
GUIDE PLATE
$30.65
Enter quantity between 1 and 99
1609
BLOCK PIN
$9.50
Enter quantity between 1 and 99
1610
ADJUSTMENT BLOCK
$41.15
Enter quantity between 1 and 99
1611
SUPPORT PLATE
$13.75
Enter quantity between 1 and 99
1612
GLUE POT HEATING ELEMENT
$112.55
Enter quantity between 1 and 99
1613
ROTATION SHAFT
$149.50
Enter quantity between 1 and 99
1614
BRACKET
$11.60
Enter quantity between 1 and 99
1615
***SEE EXT DESC***
Item is no longer available
Price
N/A
1615V2
GLUE POT COVER (UPPER) V2.12.23
$26.95
Enter quantity between 1 and 99
1616
***SEE EXT DESC***
Item is no longer available
Price
N/A
1616V2
FIXED HANDLE 33 X 118, M8-1.25 V2.12.23
$14.85
Enter quantity between 1 and 99
1617
CAP SCREW M8-1.25 X 55
Price
N/A
1617V2
CAP SCREW M8-1.25 X 20
Price
N/A
1618
Now: PN03M
HEX NUT M8-1.25
Price
N/A
1619
***SEE EXT DESC***
Item is no longer available
Price
N/A
1619V2
GLUE POT LID V2.12.23
$34.60
Enter quantity between 1 and 99
1620
CAP SCREW M4-.7 X 6
Price
N/A
1621
CAP SCREW M6-1 X 16
Price
N/A
1622
LOCK WASHER 6MM
Price
N/A
1623
FENDER WASHER 6 X 19 X 2
$2.25
Enter quantity between 1 and 99
1624
BUTTON HD CAP SCR M4-.7 X 6
Price
N/A
1625
WAVY WASHER 15 X 22MM
$3.15
Enter quantity between 1 and 99
1626
CAP SCREW M6-1 X 12
Price
N/A
1627
Now: PW03M
FLAT WASHER 6MM
Price
N/A
1628
Now: PN01M
HEX NUT M6-1
Price
N/A
1629
BELLEVILLE LOCK WASHER 6MM
$4.50
Enter quantity between 1 and 99
1630
KNOB BOLT 4-LOBE M6-1 X 75
$9.50
Enter quantity between 1 and 99
1631
HEAT ROD MOUNTING PLATE
$9.95
Enter quantity between 1 and 99
1632
FLANGE BOLT M6-1 X 8
$1.49
Enter quantity between 1 and 99
1633
Now: PB83M
HEX BOLT M6-1 X 16
Price
N/A
1634
SET SCREW M6-1 X 8
Price
N/A
1635
Now: PB26M
HEX BOLT M8-1.25 X 30
Price
N/A
1636
LOCK WASHER 8MM
Price
N/A
1637
CAP SCREW M5-.8 X 16
Price
N/A
1638
LOCK WASHER 5MM
Price
N/A
1639
Now: PW02M
FLAT WASHER 5MM
Price
N/A
1640
FLANGE NUT M6-1
Price
N/A
1641
CAP SCREW M6-1 X 20
Price
N/A
1642
CAP SCREW M6-1 X 20
Price
N/A
1643
LOCK WASHER 6MM
Price
N/A
1644
Now: PW03M
FLAT WASHER 6MM
Price
N/A
1645
***SEE EXT DESC***
Item is no longer available
Price
N/A
1645V2
HEAT ELEMENT BRACKET V2.12.23
$35.55
Enter quantity between 1 and 99
1647
SET SCREW M6-1 X 12
Price
N/A
1700
GLUE POT ASSEMBLY
$592.70
Enter quantity between 1 and 99
1701
GLUE POT
$225.50
Enter quantity between 1 and 99
1702
ISOLATION BLOCK
$56.65
Enter quantity between 1 and 99
1703
TUBING BRACKET
$11.60
Enter quantity between 1 and 99
1704
GLUE POT GASKET
$12.10
Enter quantity between 1 and 99
1705
HEATING ELEMENT 220V 160W
$77.10
Enter quantity between 1 and 99
1706
HEATING ELEMENT 220V 250W
$77.10
Enter quantity between 1 and 99
1707
BRASS TUBING 300 X 4MM
$26.40
Enter quantity between 1 and 99
1708
STRAIN RELIEF TYPE-1 PG11
$12.60
Enter quantity between 1 and 99
1709
JUNCTION BOX
$23.30
Enter quantity between 1 and 99
1710
CONNECTOR 1/4" ID BRASS FEMALE
$17.50
Enter quantity between 1 and 99
1711
CONNECTOR 1/4" ID BRASS MALE
$17.50
Enter quantity between 1 and 99
1712
GREASE ADAPTER
$17.50
Enter quantity between 1 and 99
1713
GREASE FITTING M6-1.0 STRAIGHT
$6.25
Enter quantity between 1 and 99
1714
THERMOCOUPLE W/ WIRES
$43.30
Enter quantity between 1 and 99
1715
CERAMIC TERMINAL BLOCK
$18.80
Enter quantity between 1 and 99
1716
CAP SCREW M6-1 X 50
Price
N/A
1717
Now: PW03M
FLAT WASHER 6MM
Price
N/A
1718
SET SCREW M6-1 X 6
Price
N/A
1719
CAP SCREW M5-.8 X 12
Price
N/A
1720
BELLEVILLE LOCK WASHER 6MM
Price
N/A
1721
CAP SCREW M6-1 X 20
Price
N/A
1722
Now: PW03M
FLAT WASHER 6MM
Price
N/A
1723
FLAT HD CAP SCR M6-1 X 20
Price
N/A
1724
CAP SCREW M6-1 X 25
Price
N/A
1725
Now: PN05
HEX NUT 1/4-20
Price
N/A
1726
CORD 14G 2W 24"
$20.05
Enter quantity between 1 and 99
1727
CAP SCREW M6-1 X 12
Price
N/A
1728
BUTTON HD CAP SCR M4-.7 X 8
Price
N/A
1800
GLUE SPINDLE MOTOR ASSEMBLY
$917.70
Enter quantity between 1 and 99
1801
REDUCER CONNECTION PLATE
$45.35
Enter quantity between 1 and 99
1802
SPINDLE BRACKET
$63.00
Enter quantity between 1 and 99
1803
REDUCER BRACKET
$117.85
Enter quantity between 1 and 99
1804
COMPRESSION SPRING 1.7 X 18 X 45
$9.50
Enter quantity between 1 and 99
1805
GASKET
$12.10
Enter quantity between 1 and 99
1806
BALL BEARING 6005ZZ
Price
N/A
1807
BEARING RING
$15.85
Enter quantity between 1 and 99
1808
Now: PR11M
EXT RETAINING RING 25MM
Price
N/A
1809
GEAR 21T
$32.10
Enter quantity between 1 and 99
1810
KNOB M8-1.25, 30MM OD
$13.75
Enter quantity between 1 and 99
1811
STUD-FT M8-1.25 X 180
$17.50
Enter quantity between 1 and 99
1812
CLEVIS ROD-END
$36.95
Enter quantity between 1 and 99
1813
Now: PN03M
HEX NUT M8-1.25
Price
N/A
1814
FENDER WASHER 8 X 23 X 2MM
$43.75
Enter quantity between 1 and 99
1815
LOCK NUT M8-1.25
Price
N/A
1816
KEYED SHAFT
$15.85
Enter quantity between 1 and 99
1817
Now: PR02M
EXT RETAINING RING 14MM
Price
N/A
1818
Now: PK20M
KEY 5 X 5 X 15
Price
N/A
1819
GEAR CONNECTION SHAFT
$17.50
Enter quantity between 1 and 99
1820
SET SCREW M6-1 X 8
Price
N/A
1821
GEAR REDUCER
$297.25
Enter quantity between 1 and 99
1822
MOTOR 1/3HP 220V 1-PH (GLUE SPINDLE)
$371.50
Enter quantity between 1 and 99
1822-1
MOTOR FAN COVER
$13.75
Enter quantity between 1 and 99
1822-10
S CAPACITOR 100MFD 250V
$17.50
Enter quantity between 1 and 99
1822-2
MOTOR FAN
$11.60
Enter quantity between 1 and 99
1822-4
R CAPACITOR 20MFD 250V
$11.60
Enter quantity between 1 and 99
1822-5
MOTOR JUNCTION BOX
$11.60
Enter quantity between 1 and 99
1822-6
CONTACT PLATE W/ CENTRIFUGAL SWITCH
$13.45
Enter quantity between 1 and 99
1822-7
CONTACT PLATE W/ CENTRIFUGAL SWITCH
Price
N/A
1822-8
BALL BEARING 6203ZZ
Price
N/A
1822-9
BALL BEARING 6202ZZ
Price
N/A
1823
CLEVIS ROD-END
$15.85
Enter quantity between 1 and 99
1824
BUSHING
$3.30
Enter quantity between 1 and 99
1825
SET SCREW M8-1.25 X 65
$12.10
Enter quantity between 1 and 99
1826
CAP SCREW M8-1.25 X 20
Price
N/A
1827
Now: PW01M
FLAT WASHER 8MM
Price
N/A
1828
LOCK WASHER 8MM
Price
N/A
1829
CAP SCREW M6-1 X 90
Price
N/A
1830
Now: PW03M
FLAT WASHER 6MM
Price
N/A
1831
LOCK WASHER 6MM
Price
N/A
1832
Now: PN01M
HEX NUT M6-1
Price
N/A
1833
CAP SCREW M8-1.25 X 90
Price
N/A
1834
Now: PW01M
FLAT WASHER 8MM
Price
N/A
1835
Now: PB26M
HEX BOLT M8-1.25 X 30
Price
N/A
1836
HEX BOLT M5-.8 X 12
Price
N/A
1837
Now: PB08M
HEX BOLT M6-1 X 20
Price
N/A
1838
Now: PW03M
FLAT WASHER 6MM
Price
N/A
1839
SET SCREW M8-1.25 X 16
Price
N/A
1840
MOTOR CORD 16G 3W 18"
$20.05
Enter quantity between 1 and 99
1841
BUTTON HD CAP SCR M6-1 X 8
Price
N/A
1900
UPPER BUFFING MOTOR ASSEMBLY
$450.25
Enter quantity between 1 and 99
1901
MOTOR 1/4HP 220V 1-PH (UPPER BUFF)
$363.50
Enter quantity between 1 and 99
1901-1
MOTOR FAN COVER
Price
N/A
1901-2
MOTOR FAN
Price
N/A
1901-3
*DISCD*CAPACITOR COVER
Price
N/A
1901-4
R CAPACITOR 5M 500V 1-1/2 X 2
Price
N/A
1901-5
MOTOR JUNCTION BOX
Price
N/A
1901-6
*DISCD*CONTACT PLATE
Price
N/A
1901-7
*DISCD*CENTRIFUGAL SWITCH
Price
N/A
1901-8
BALL BEARING 6202ZZ
Price
N/A
1901-9
BALL BEARING 6200ZZ
Price
N/A
1902
***USE P07741902V2***
$40.00
Enter quantity between 1 and 99
1902V2
MOTOR MOUNTING PLATE V2.01.21
$43.30
Enter quantity between 1 and 99
1903
BUFFING WHEEL 5 X 1/2 X 3/4
$36.55
Enter quantity between 1 and 99
1904
CAP SCREW M5-.8 X 16
Price
N/A
1905
LOCK WASHER 5MM
Price
N/A
1906
BOLT PLATE
$13.75
Enter quantity between 1 and 99
1907
Now: PB07M
HEX BOLT M8-1.25 X 25
Price
N/A
1908
Now: PW01M
FLAT WASHER 8MM
Price
N/A
1909
WHEEL FLANGE
$17.95
Enter quantity between 1 and 99
1910
SPINDLE (UPPER)
$34.80
Enter quantity between 1 and 99
1912
LOCK WASHER 8MM
Price
N/A
1915
CAP SCREW M6-1 X 12
Price
N/A
1917
HEX BOLT M8-1.25 X 20 LH
$3.05
Enter quantity between 1 and 99
1918
FLAT WASHER 22 X 55 X 3MM
$17.50
Enter quantity between 1 and 99
1919
MOTOR CORD 16G 3W 36"
$24.30
Enter quantity between 1 and 99
1922
PLW04M
$1.85
Enter quantity between 1 and 99
2000
LOWER BUFFING MOTOR ASSEMBLY
$356.30
Enter quantity between 1 and 99
2001
MOTOR 1/4HP 220V 1-PH (LOWER BUFF)
$338.10
Enter quantity between 1 and 99
2001-1
MOTOR FAN COVER
Price
N/A
2001-2
MOTOR FAN
Price
N/A
2001-3
*DISCD*CAPACITOR COVER
Price
N/A
2001-4
R CAPACITOR 5M 500V 1-1/2 X 2
Price
N/A
2001-5
MOTOR JUNCTION BOX
Price
N/A
2001-6
*DISCD*CONTACT PLATE
Price
N/A
2001-7
*DISCD*CENTRIFUGAL SWITCH
Price
N/A
2001-8
BALL BEARING 6202ZZ
Price
N/A
2001-9
BALL BEARING 6200ZZ
Price
N/A
2002
MOTOR MOUNTING PLATE V2.01.21
Price
N/A
2002V2
MOTOR MOUNTING PLATE V2.01.21
Price
N/A
2003
BUFFING WHEEL 5 X 1/2 X 3/4
Price
N/A
2004
CAP SCREW M5-.8 X 16
Price
N/A
2005
LOCK WASHER 5MM
Price
N/A
2006
BOLT PLATE
Price
N/A
2007
Now: PB07M
HEX BOLT M8-1.25 X 25
Price
N/A
2008
Now: PW01M
FLAT WASHER 8MM
Price
N/A
2009
WHEEL FLANGE
Price
N/A
2011
Now: PB09M
HEX BOLT M8-1.25 X 20
Price
N/A
2012
LOCK WASHER 8MM
Price
N/A
2015
CAP SCREW M6-1 X 12
Price
N/A
2016
SPINDLE (LOWER)
$34.80
Enter quantity between 1 and 99
2018
FLAT WASHER 22 X 55 X 3MM
Price
N/A
2020
MOTOR CORD 16G 3W 24"
$17.95
Enter quantity between 1 and 99
2100
UPPER FLUSH TRIMMER ASSEMBLY
$1,310.30
Enter quantity between 1 and 99
2101
LINEAR BEARING LM12
$20.05
Enter quantity between 1 and 99
2102
BALL BEARING 6002-LLB
Price
N/A
2103
STAND-OFF HEX 61.5MM
$17.50
Enter quantity between 1 and 99
2104
SPINDLE SPACER
$17.50
Enter quantity between 1 and 99
2105
MOUNTING PLATE
$17.95
Enter quantity between 1 and 99
2106
WAVY WASHER 8MM
$2.25
Enter quantity between 1 and 99
2107
ADAPTER SHAFT M8-1.25
$39.10
Enter quantity between 1 and 99
2108
KNOB 4-LOBE M8-1.25
$17.50
Enter quantity between 1 and 99
2109
STUD-FT M8-1.25 X 125
$33.60
Enter quantity between 1 and 99
2110
Now: PN03M
HEX NUT M8-1.25
Price
N/A
2111
CONNECTION PLATE
$32.75
Enter quantity between 1 and 99
2112
FLAT HD CAP SCR M4-.7 X 8
Price
N/A
2113
FLAT PULLEY
$17.95
Enter quantity between 1 and 99
2114
THREADED ROD M12-1.75 X 104
$20.05
Enter quantity between 1 and 99
2115
Now: PN09M
HEX NUT M12-1.75
Price
N/A
2116
BALL BEARING 6000LLB
Price
N/A
2117
PROFILING WHEEL
$49.60
Enter quantity between 1 and 99
2118
WHEEL SPINDLE
$15.85
Enter quantity between 1 and 99
2119
Now: PR01M
EXT RETAINING RING 10MM
Price
N/A
2120
WHEEL MOUNTING PLATE (OUTER)
$22.20
Enter quantity between 1 and 99
2121
WHEEL MOUNTING PLATE (INNER)
$24.30
Enter quantity between 1 and 99
2122
BUTTON HD CAP SCR M5-.8 X 8
Price
N/A
2123
FLAT HD CAP SCR M5-.8 X 8
Price
N/A
2124
CAP SCREW M5-.8 X 10
Price
N/A
2125
CAP SCREW M5-.8 X 30
Price
N/A
2126
LOCK NUT M5-.8
Price
N/A
2127
BELLEVILLE LOCK WASHER 5MM
$12.10
Enter quantity between 1 and 99
2128
Now: PN06M
HEX NUT M5-.8
Price
N/A
2129
SPRING PLATE
$12.10
Enter quantity between 1 and 99
2130
MOUNTING BLOCK
$105.20
Enter quantity between 1 and 99
2131
BEARING COLLAR (UPPER)
$32.75
Enter quantity between 1 and 99
2132
ADJUSTMENT BRACKET
$26.40
Enter quantity between 1 and 99
2133
FENDER WASHER 6MM
Price
N/A
2134
CAP SCREW M6-1 X 12
Price
N/A
2135
DUST COVER
$84.05
Enter quantity between 1 and 99
2136
STUD-DE M6-1
$9.50
Enter quantity between 1 and 99
2137
COMPRESSION SPRING 1 X 12 X 46
$17.50
Enter quantity between 1 and 99
2138
FENDER WASHER 6MM
Price
N/A
2139
FENDER WASHER 6MM
Price
N/A
2140
COMPRESSION SPRING 1.5 X 17 X 22
$9.50
Enter quantity between 1 and 99
2141
LOCK NUT M6-1
Price
N/A
2142
FLUSH TRIMMER SPINDLE (UPPER)
$36.95
Enter quantity between 1 and 99
2143
CAP SCREW M5-.8 X 20
Price
N/A
2144
FLUSH TRIMMER ASSEMBLY (UPPER)
$511.45
Enter quantity between 1 and 99
2144-1
FLUSH TRIMMER CUTTERHEAD (UPPER)
$280.35
Enter quantity between 1 and 99
2144-2
CUTTERHEAD BLOCK (UPPER)
$15.85
Enter quantity between 1 and 99
2144-3
Upper Flush Trim Blades for G0774 and G0985, 4-Pk.
Price
N/A
2144-4
SET SCREW M6-1 X 16 DOG-PT
Price
N/A
2145
SPANNER NUT M10-.75
$13.75
Enter quantity between 1 and 99
2146
POSITION COUNTER
$51.75
Enter quantity between 1 and 99
2147
ABS STRIP 4 X 5L
Price
N/A
2148
SET SCREW M6-1 X 6
Price
N/A
2149
CAP SCREW M6-1 X 16
Price
N/A
2150
FENDER WASHER 6MM
Price
N/A
2151
DUST COVER BRUSH
$9.50
Enter quantity between 1 and 99
2152
LOCK WASHER 5MM
Price
N/A
2153
LOCK WASHER 6MM
Price
N/A
2154
Now: PN01M
HEX NUT M6-1
Price
N/A
2155
FLAT HD CAP SCR M4-.7 X 8
Price
N/A
2156
SET SCREW M5-.8 X 8
Price
N/A
2200
LOWER FLUSH TRIMMER ASSEMBLY
$1,436.90
Enter quantity between 1 and 99
2201
LOWER MOUNTING BLOCK
$94.60
Enter quantity between 1 and 99
2202
LINEAR BEARING LM12
Price
N/A
2203
BEARING COLLAR (LOWER)
$32.75
Enter quantity between 1 and 99
2204
BALL BEARING 6002LLB
$5.35
Enter quantity between 1 and 99
2205
FLUSH TRIMMER SPINDLE (LOWER)
$36.95
Enter quantity between 1 and 99
2206
STAND-OFF HEX 61.5MM
Price
N/A
2207
SPINDLE SPACER
Price
N/A
2208
MOUNTING PLATE
Price
N/A
2209
WAVY WASHER 8MM
Price
N/A
2210
ADAPTER SHAFT M8-1.25
Price
N/A
2211
KNOB 4-LOBE M8-1.25
Price
N/A
2212
STUD-FT M8-1.25 X 125
Price
N/A
2213
Now: PN03M
HEX NUT M8-1.25
Price
N/A
2214
CONNECTION PLATE
Price
N/A
2215
FLAT HD CAP SCR M4-.7 X 8
Price
N/A
2216
FLAT PULLEY
Price
N/A
2217
THREADED ROD M12-1.75 X 104
Price
N/A
2218
Now: PN09M
HEX NUT M12-1.75
Price
N/A
2219
BALL BEARING 6000LLB
Price
N/A
2220
PROFILING WHEEL
Price
N/A
2221
WHEEL SPINDLE
Price
N/A
2222
Now: PR01M
EXT RETAINING RING 10MM
Price
N/A
2223
WHEEL MOUNTING PLATE (OUTER)
Price
N/A
2224
WHEEL MOUNTING PLATE (INNER)
Price
N/A
2225
BUTTON HD CAP SCR M5-.8 X 8
Price
N/A
2226
FLAT HD CAP SCR M5-.8 X 8
Price
N/A
2227
CAP SCREW M5-.8 X 10
Price
N/A
2228
CAP SCREW M5-.8 X 30
Price
N/A
2229
LOCK NUT M5-.8
Price
N/A
2230
BELLEVILLE LOCK WASHER 5.2 X 12 X .6MM
$12.10
Enter quantity between 1 and 99
2231
Now: PN06M
HEX NUT M5-.8
Price
N/A
2232
SPRING PLATE
Price
N/A
2233
DUST COVER
$75.60
Enter quantity between 1 and 99
2234
CAP SCREW M5-.8 X 16 LH
$6.55
Enter quantity between 1 and 99
2235
FLUSH TRIMMER ASSEMBLY (LOWER)
$511.45
Enter quantity between 1 and 99
2235-1
FLUSH TRIMMER CUTTERHEAD (LOWER)
$280.35
Enter quantity between 1 and 99
2235-2
CUTTERHEAD BLOCK (LOWER)
$15.85
Enter quantity between 1 and 99
2235-3
Lower Flush Trim Blades for G0774 and G0985, 4-Pk.
Price
N/A
2235-4
SET SCREW M6-1 X 16 DOG-PT
Price
N/A
2236
SPANNER NUT M10-.75
Price
N/A
2237
POSITION COUNTER
Price
N/A
2238
LOCK WASHER 5MM
Price
N/A
2239
CAP SCREW M6-1 X 16
Price
N/A
2240
FENDER WASHER 6MM
Price
N/A
2241
SET SCREW M6-1 X 6
Price
N/A
2242
CAP SCREW M6-1 X 20
Price
N/A
2243
LOCK WASHER 6MM
Price
N/A
2244
ABS STRIP
$28.50
Enter quantity between 1 and 99
2245
DUST COVER BRUSH
Price
N/A
2247
FLAT HD CAP SCR M4-.7 X 8
Price
N/A
2248
SET SCREW M5-.8 X 8
Price
N/A
2249
FLANGE BOLT M6-1 X 12
Price
N/A
2301
TERMINAL BAR PYK2 1-PC
$12.10
Enter quantity between 1 and 99
2302
TERMINAL BAR PYK2, GROUND 1-PC
$17.95
Enter quantity between 1 and 99
2303
TERMINAL END PLATE
$12.10
Enter quantity between 1 and 99
2304
MOUNTING RAIL END PLATE
$12.10
Enter quantity between 1 and 99
2305
TERMINAL JUMPER
$12.10
Enter quantity between 1 and 99
2306
TRANSFORMER 220V LCE LCP-TBSM-100120
$115.75
Enter quantity between 1 and 99
2307
PLC DELTA DVP32ES200R
$812.20
Enter quantity between 1 and 99
2308
CONTACTOR SHIHLIN S-P11S 24V
$39.10
Enter quantity between 1 and 99
2309
FLANGE SCREW M5-.8 X 10
Price
N/A
2310
FLANGE SCREW M5-.8 X 10
Price
N/A
2311
OL RELAY SHIHLIN MR-32S-2.5 1.6-2.5A
$107.30
Enter quantity between 1 and 99
2312
OL RELAY SHIHLIN MR-32S-4 2.5-4A
$103.05
Enter quantity between 1 and 99
2313
OL RELAY SHIHLIN MR-32S-6.3 4-6.3A
$107.30
Enter quantity between 1 and 99
2314
FUSE HOLDER PMX-10 X 38 RM32 32A 680V
$22.20
Enter quantity between 1 and 99
2315
FUSE 10 X 38MM 6A 600V F-A, CERAMIC
$26.40
Enter quantity between 1 and 99
2316
FUSE 10 X 38MM 3A 600V F-A, CERAMIC
$26.40
Enter quantity between 1 and 99
2317
GROUND TERMINAL 6-POLE 20A
$17.50
Enter quantity between 1 and 99
2318
CONTROL PANEL MOUNT
$90.40
Enter quantity between 1 and 99
2319
RELAY OMRON MY4N-J 24V
$26.40
Enter quantity between 1 and 99
2320
WIRING LOOM 1 X 2-1/2 X 34"
$26.40
Enter quantity between 1 and 99
2321
WIRING LOOM 1 X 2-1/2 X 7"
$26.40
Enter quantity between 1 and 99
2322
WIRING LOOM 1 X 2-1/2 X 5"
$26.40
Enter quantity between 1 and 99
2323
MOUNTING RAIL 1-3/8 X 1-3/8 X 17"
$17.95
Enter quantity between 1 and 99
2324
MOUNTING RAIL 1-3/8 X 1-3/8 X 6-1/4"
$17.95
Enter quantity between 1 and 99
2325
MOUNTING RAIL 1-3/8 X 1-3/8 X 17-1/4"
$17.95
Enter quantity between 1 and 99
2326
MOUNTING RAIL 1-3/8 X 1-3/8 X 12-1/4"
$17.95
Enter quantity between 1 and 99
2401
NOTICE UNLOCK CONVEYOR LABEL
$6.60
Enter quantity between 1 and 99
2402
N/S GRIZZLY GREEN G1023S
Price
N/A
2403
Now: G8589
Nameplate - Large
Price
N/A
2404
WARNING HOT SURFACE LABEL
$4.50
Enter quantity between 1 and 99
2405
NOTICE AIR PRESSURE LABEL
$6.55
Enter quantity between 1 and 99
2406
GREY PUTTY REF G0504
Price
N/A
2407
ELECTRICITY 1.4W X 1.2H
Price
N/A
2408
GLASSES/RESPIRATOR 2W X 3.3H
Price
N/A
2409
ENTANGLEMENT HAZARD 2W X 3.3H
Price
N/A
2410
GRIZZLY.COM LABEL 13",BEIGE
Price
N/A
2411
MODEL NUMBER LABEL
$15.85
Enter quantity between 1 and 99
2412
DISCONNECT 110V 2W X 3.3H
Price
N/A
2413
READ MANUAL 2W X 3.3H V2.07.05
Price
N/A
2414
MACHINE ID LABEL
$16.40
Enter quantity between 1 and 99
2415
CONVEYOR BELT TENSION LABEL
$12.10
Enter quantity between 1 and 99
2416
NOTICE COMPONENTS POWERED UP
$9.50
Enter quantity between 1 and 99
2417
WARNING FEEDER AMPUTATION LABEL
$12.10
Enter quantity between 1 and 99
2418
NOTICE FEEDER MISALIGNMENT LABEL
$12.10
Enter quantity between 1 and 99
2420
LUBRICATION NOTICE LABEL
$4.25
Enter quantity between 1 and 99
2501
WARNING HOT SURFACE LABEL
$4.50
Enter quantity between 1 and 99
2502
ELECTRICITY 1.4W X 1.2H
Price
N/A
2503
COUNTER ROTATION LABEL
$6.55
Enter quantity between 1 and 99
2505
DISCONNECT 110V 2W X 3.3H
Price
N/A
2506
VALVE ADJUSTMENT LABEL
$4.50
Enter quantity between 1 and 99
2507
LUBRICATION NOTICE LABEL
Price
N/A
2508
WARNING FEEDER AMPUTATION LABEL
Price
N/A
2509
GLUE SPINDLE HANG TAG
$17.20
Enter quantity between 1 and 99
MAN
MANUAL G0774 MFD-02.15-09.18 V1.02.18
$26.50
Enter quantity between 1 and 99
MANV2
MANUAL G0774 MFD-10.18-06.19 V2.10.18
$26.50
Enter quantity between 1 and 99
MANV3
MANUAL G0774 MFD-07.19-12.20 V3.07.19
$26.50
Enter quantity between 1 and 99
MANV4
MANUAL G0774 MFD-01.21-11.23 V4.08.22
$26.75
Enter quantity between 1 and 99
MANV5
MANUAL G0774 MFD-12.23+ V5.04.24
$22.80
Enter quantity between 1 and 99
P
BALL BEARING 692ZZ
$12.25
Enter quantity between 1 and 99
P
FLANGE BOLT M6-1 X 8
$2.25
Enter quantity between 1 and 99
P
FLANGE BOLT M5-.8 X 16
$2.20
Enter quantity between 1 and 99