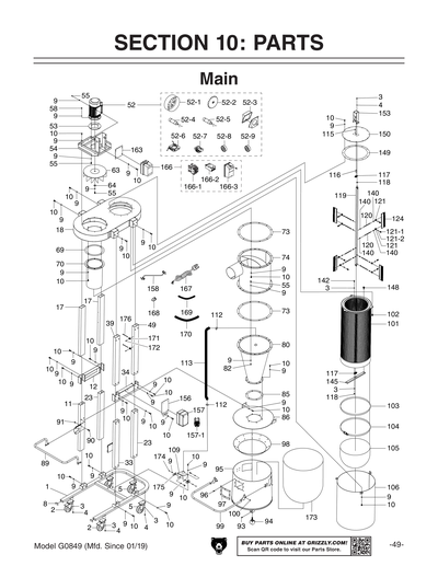
Parts for G0849 3 HP Cyclone Dust Collector

Parts Diagrams for G0849 - 3 HP Cyclone Dust Collector

IMPORTANT

Parts may have multiple versions that have changed over time. This will be indicated by V1, V2, V3, etc. in the parts description, followed by the version month and year that it was first used. Example: V2.01.17 indicates version 2 of a part went into use in January 2017. Please reference the manufacture date on the ID Label for your machine to ensure you are selecting the correct part when multiple versions are indicated.

If you cannot locate your part below, please contact our tech support department at techsupport@grizzly.com or 570-546-9663.

Please note: All parts ship out of our Springfield, Missouri facility.

Parts List for Parts for G0849 3 HP Cyclone Dust Collector

1
STAND BASE
$123.65
Enter quantity between 1 and 99
2
CASTER 3" SWIVEL (LOCKING)
$11.80
Enter quantity between 1 and 99
3
Now: PW06
FLAT WASHER 1/4
Price
N/A
4
Now: PB05
HEX BOLT 1/4-20 X 3/4
Price
N/A
5
CASTER 3" SWIVEL
$10.35
Enter quantity between 1 and 99
6
Now: PW06
FLAT WASHER 1/4
Price
N/A
7
Now: PB05
HEX BOLT 1/4-20 X 3/4
Price
N/A
8
TUBE END PLUG
Item is no longer available
Price
N/A
9
Now: PWF01
FENDER WASHER 5/16
Price
N/A
10
Now: PB07
HEX BOLT 5/16-18 X 3/4
Price
N/A
11
LOWER FRONT LEG (LEFT)
$48.30
Enter quantity between 1 and 99
12
LEG BRACE (LEFT)
$34.25
Enter quantity between 1 and 99
13
Now: PWF01
FENDER WASHER 5/16
Price
N/A
14
Now: PB07
HEX BOLT 5/16-18 X 3/4
Price
N/A
15
Now: PWF01
FENDER WASHER 5/16
Price
N/A
16
Now: PB07
HEX BOLT 5/16-18 X 3/4
Price
N/A
17
UPPER LEG (LEFT)
$25.05
Enter quantity between 1 and 99
18
IMPELLER HOUSING
$334.25
Enter quantity between 1 and 99
19
Now: PWF01
FENDER WASHER 5/16
Price
N/A
20
Now: PB07
HEX BOLT 5/16-18 X 3/4
Price
N/A
21
Now: PWF01
FENDER WASHER 5/16
Price
N/A
22
Now: PB07
HEX BOLT 5/16-18 X 3/4
Price
N/A
23
LOWER LEG (REAR)
$46.00
Enter quantity between 1 and 99
24
Now: PWF01
FENDER WASHER 5/16
Price
N/A
25
Now: PB07
HEX BOLT 5/16-18 X 3/4
Price
N/A
26
Now: PWF01
FENDER WASHER 5/16
Price
N/A
27
Now: PB07
HEX BOLT 5/16-18 X 3/4
Price
N/A
28
UPPER LEG (LEFT)
Price
N/A
29
Now: PWF01
FENDER WASHER 5/16
Price
N/A
30
Now: PB07
HEX BOLT 5/16-18 X 3/4
Price
N/A
31
Now: PWF01
FENDER WASHER 5/16
Price
N/A
32
Now: PB07
HEX BOLT 5/16-18 X 3/4
Price
N/A
33
LOWER FRONT LEG (RIGHT)
$48.30
Enter quantity between 1 and 99
34
LEG BRACE (RIGHT)
$36.00
Enter quantity between 1 and 99
35
Now: PWF01
FENDER WASHER 5/16
Price
N/A
36
Now: PB07
HEX BOLT 5/16-18 X 3/4
Price
N/A
37
Now: PWF01
FENDER WASHER 5/16
Price
N/A
38
Now: PB07
HEX BOLT 5/16-18 X 3/4
Price
N/A
39
UPPER FRONT LEG (RIGHT)
$25.05
Enter quantity between 1 and 99
40
Now: PWF01
FENDER WASHER 5/16
Price
N/A
41
Now: PB07
HEX BOLT 5/16-18 X 3/4
Price
N/A
42
Now: PWF01
FENDER WASHER 5/16
Price
N/A
43
Now: PB07
HEX BOLT 5/16-18 X 3/4
Price
N/A
44
LOWER LEG (REAR)
Price
N/A
45
Now: PWF01
FENDER WASHER 5/16
Price
N/A
46
Now: PB07
HEX BOLT 5/16-18 X 3/4
Price
N/A
47
Now: PWF01
FENDER WASHER 5/16
Price
N/A
48
Now: PB07
HEX BOLT 5/16-18 X 3/4
Price
N/A
49
UPPER REAR LEG (RIGHT)
$25.05
Enter quantity between 1 and 99
50
Now: PWF01
FENDER WASHER 5/16
Price
N/A
51
Now: PB07
HEX BOLT 5/16-18 X 3/4
Price
N/A
52
MOTOR 3HP 230V 1-PH
$683.45
Enter quantity between 1 and 99
52-1
MOTOR FAN COVER
$18.15
Enter quantity between 1 and 99
52-2
MOTOR FAN
$5.80
Enter quantity between 1 and 99
52-3
MOTOR JUNCTION BOX
Item is no longer available
Price
N/A
52-4
S CAPACITOR 500M 125V 1-3/4 X 3-1/2
$21.85
Enter quantity between 1 and 99
52-5
R CAPACITOR 60M 250V 1-3/4 X 3-1/2
Item is no longer available
Price
N/A
52-6
CONTACT PLATE
$26.20
Enter quantity between 1 and 99
52-7
CENTRIFUGAL SWITCH
$13.25
Enter quantity between 1 and 99
52-8
BALL BEARING 6203ZZ
Price
N/A
52-9
BALL BEARING 6205ZZ
Price
N/A
53
MOTOR MOUNT GASKET 195 MM
Item is no longer available
Price
N/A
54
IMPELLER COVER
$16.40
Enter quantity between 1 and 99
55
Now: PB03
HEX BOLT 5/16-18 X 1
Price
N/A
56
Now: PWF01
FENDER WASHER 5/16
Price
N/A
57
Now: PWF01
FENDER WASHER 5/16
Price
N/A
58
Now: PLN03
LOCK NUT 5/16-18
Price
N/A
59
Now: PB03
HEX BOLT 5/16-18 X 1
Price
N/A
60
Now: PWF01
FENDER WASHER 5/16
Price
N/A
61
Now: PWF01
FENDER WASHER 5/16
Price
N/A
62
Now: PLN03
LOCK NUT 5/16-18
Price
N/A
63
IMPELLER 15"
$92.00
Enter quantity between 1 and 99
64
IMPELLER WASHER 5/16 X 1-3/16 X 3/32
Item is no longer available
Price
N/A
65
Now: PWF01
FENDER WASHER 5/16
Price
N/A
66
Now: PB03
HEX BOLT 5/16-18 X 1
Price
N/A
67
Now: PW07
FLAT WASHER 5/16
Price
N/A
68
Now: PB07
HEX BOLT 5/16-18 X 3/4
Price
N/A
69
INTAKE CYLINDER GASKET 317 MM
Item is no longer available
Price
N/A
70
INTAKE CYLINDER
$40.25
Enter quantity between 1 and 99
71
Now: PWF01
FENDER WASHER 5/16
Price
N/A
72
Now: PB07
HEX BOLT 5/16-18 X 3/4
Price
N/A
73
INTAKE BARREL GASKET 570 MM
Item is no longer available
Price
N/A
74
INTAKE BARREL
$178.55
Enter quantity between 1 and 99
75
Now: PWF01
FENDER WASHER 5/16
Price
N/A
76
Now: PB07
HEX BOLT 5/16-18 X 3/4
Price
N/A
77
Now: PB03
HEX BOLT 5/16-18 X 1
Price
N/A
78
Now: PWF01
FENDER WASHER 5/16
Price
N/A
79
INTAKE BARREL GASKET 570 MM
Price
N/A
80
CYCLONE FUNNEL
$175.70
Enter quantity between 1 and 99
81
Now: PWF01
FENDER WASHER 5/16
Price
N/A
82
Now: PN02
HEX NUT 5/16-18
Price
N/A
83
Now: PB07
HEX BOLT 5/16-18 X 3/4
Price
N/A
84
Now: PWF01
FENDER WASHER 5/16
Price
N/A
85
CYCLONE FUNNEL GASKET 284 MM
Item is no longer available
Price
N/A
86
COLLECTION DRUM LID
$79.15
Enter quantity between 1 and 99
87
Now: PWF01
FENDER WASHER 5/16
Price
N/A
88
Now: PB07
HEX BOLT 5/16-18 X 3/4
Price
N/A
89
COLLECTION DRUM LOCK HANDLE
$22.75
Enter quantity between 1 and 99
90
Now: PB31
HEX BOLT 1/4-20 X 1
Price
N/A
91
Now: PLN02
LOCK NUT 1/4-20
Price
N/A
92
E-CLIP 7MM
Price
N/A
93
Now: PN08
HEX NUT 3/8-16
Price
N/A
94
CASTER 2" SWIVEL BALL 3/8-16 X 1-1/2"
$2.30
Enter quantity between 1 and 99
95
COLLECTION DRUM 35-GAL.
$163.90
Enter quantity between 1 and 99
96
Now: PS08
PHLP HD SCR 10-24 X 3/4
Price
N/A
97
DRUM WINDOW 172 X 210MM ACRYLIC
Item is no longer available
Price
N/A
98
COLLECTION DRUM VACUUM RING
$40.55
Enter quantity between 1 and 99
99
COLLECTION DRUM HANDLE
Item is no longer available
Price
N/A
100
Now: PR47M
EXT RETAINING RING 13MM
Price
N/A
101
Replacement Filter for G0849
Price
N/A
102
KNOB BOLT 5/16-18 X 1
Item is no longer available
Price
N/A
103
FILTER SEALING BAND
Item is no longer available
Price
N/A
104
BAG CLAMP 19-5/8"
$5.20
Enter quantity between 1 and 99
105
Filter Bag for G0849
Price
N/A
106
FILTER BARREL
$139.75
Enter quantity between 1 and 99
107
Now: PWF01
FENDER WASHER 5/16
Price
N/A
108
Now: PB07
HEX BOLT 5/16-18 X 3/4
Price
N/A
109
VACUUM HOSE BRACKET
$13.80
Enter quantity between 1 and 99
110
Now: PWF01
FENDER WASHER 5/16
Price
N/A
111
Now: PB07
HEX BOLT 5/16-18 X 3/4
Price
N/A
112
HOSE CLAMP 1-3/4"
Item is no longer available
Price
N/A
113
VACUUM HOSE 1-1/2" X 43-1/4"
$8.65
Enter quantity between 1 and 99
114
HOSE CLAMP 1-3/4"
Price
N/A
115
Now: PB31
HEX BOLT 1/4-20 X 1
Price
N/A
116
BRUSH SPINDLE CONNECTOR
Item is no longer available
Price
N/A
117
PILLOW BLOCK BEARING
Item is no longer available
Price
N/A
118
Now: PLN02
LOCK NUT 1/4-20
Price
N/A
119
BRUSH SPINDLE
Item is no longer available
Price
N/A
120
STUD-FT 1/4-20 X 10"
$1.49
Enter quantity between 1 and 99
121
BRUSH BRACKET
Item is no longer available
Price
N/A
121-1
SET SCREW M8-1.25 X 8 HOLLOW TIP
Item is no longer available
Price
N/A
121-2
PLASTIC TIP 6MM
Item is no longer available
Price
N/A
122
STUD-FT 1/4-20 X 10"
Price
N/A
123
BRUSH BRACKET
Price
N/A
124
FILTER BRUSH (PVC)
$21.00
Enter quantity between 1 and 99
125
STUD-FT 1/4-20 X 10"
Price
N/A
126
BRUSH BRACKET
Price
N/A
127
STUD-FT 1/4-20 X 10"
Price
N/A
128
BRUSH BRACKET
Price
N/A
129
FILTER BRUSH (PVC)
Price
N/A
130
STUD-FT 1/4-20 X 10"
Price
N/A
131
BRUSH BRACKET
Price
N/A
132
STUD-FT 1/4-20 X 10"
Price
N/A
133
BRUSH BRACKET
Price
N/A
134
FILTER BRUSH (PVC)
Price
N/A
135
STUD-FT 1/4-20 X 10"
Price
N/A
136
BRUSH BRACKET
Price
N/A
137
STUD-FT 1/4-20 X 10"
Price
N/A
138
BRUSH BRACKET
Price
N/A
139
FILTER BRUSH (PVC)
Price
N/A
140
Now: PN05
HEX NUT 1/4-20
Price
N/A
141
Now: PN05
HEX NUT 1/4-20
Price
N/A
142
Now: PB31
HEX BOLT 1/4-20 X 1
Price
N/A
143
Now: PW06
FLAT WASHER 1/4
Price
N/A
144
PILLOW BLOCK BEARING
Price
N/A
145
FILTER BRUSH BASE
$5.80
Enter quantity between 1 and 99
146
Now: PW06
FLAT WASHER 1/4
Price
N/A
147
Now: PLN02
LOCK NUT 1/4-20
Price
N/A
148
KNOB BOLT 1/4-20 X 3/4 6-LOBE D1-5/16
$1.60
Enter quantity between 1 and 99
149
FILTER COVER PLATE GASKET 445MM
Item is no longer available
Price
N/A
150
FILTER COVER PLATE
Item is no longer available
Price
N/A
151
Now: PWF01
FENDER WASHER 5/16
Price
N/A
152
Now: PB07
HEX BOLT 5/16-18 X 3/4
Price
N/A
153
FILTER BRUSH MOTOR 3W 24VDC
Item is no longer available
Price
N/A
154
Now: PW06
FLAT WASHER 1/4
Price
N/A
155
Now: PB05
HEX BOLT 1/4-20 X 3/4
Price
N/A
156
CONTROL PANEL BRACKET
Item is no longer available
Price
N/A
157
CONTROL PANEL
$309.75
Enter quantity between 1 and 99
157-1
REMOTE CONTROL
$21.50
Enter quantity between 1 and 99
158
CONTROL PANEL CORD 20G 5W 48"
$39.30
Enter quantity between 1 and 99
159
Now: PWF01
FENDER WASHER 5/16
Price
N/A
160
Now: PB07
HEX BOLT 5/16-18 X 3/4
Price
N/A
161
Now: PWF01
FENDER WASHER 5/16
Price
N/A
162
Now: PB07
HEX BOLT 5/16-18 X 3/4
Price
N/A
163
MAGNETIC SWITCH BRACKET
Item is no longer available
Price
N/A
164
Now: PWF01
FENDER WASHER 5/16
Price
N/A
165
Now: PB07
HEX BOLT 5/16-18 X 3/4
Price
N/A
166
MAGNETIC SWITCH NHD MS1-12D 220V
$94.85
Enter quantity between 1 and 99
166-1
CONTACTOR NHD C-25D10 220V
$35.10
Enter quantity between 1 and 99
166-2
OL RELAY NHD NTH21 21-25A
Item is no longer available
Price
N/A
166-3
MAGNETIC SWITCH COVER
Item is no longer available
Price
N/A
167
POWER CORD 12G 3W 72" L6-30P
$13.05
Enter quantity between 1 and 99
168
STRAIN RELIEF TYPE-6 PG13.5
Item is no longer available
Price
N/A
169
CONDUIT 3/8" X 42"
$8.20
Enter quantity between 1 and 99
170
CONDUIT 1/2" X 48"
$8.65
Enter quantity between 1 and 99
171
CONDUIT MOUNTING BLOCK
Item is no longer available
Price
N/A
172
Now: PFS17
FLANGE SCREW 10-24 X 1/2
Price
N/A
173
Collection Bag for G0977
Price
N/A
174
Now: PLN03
LOCK NUT 5/16-18
Price
N/A
175
VACUUM HOSE BRACKET CONNECTOR
Item is no longer available
Price
N/A
176
CABLE TIE 100MM
Item is no longer available
Price
N/A
201
MACHINE ID LABEL
Item is no longer available
Price
N/A
202
ELECTRICITY 0.7W X 0.6H
Price
N/A
203
CONTROL PANEL LABEL
Item is no longer available
Price
N/A
204
REMOTE CONTROL LABEL
Item is no longer available
Price
N/A
205
N/S GRIZZLY GREEN G1023S
Price
N/A
206
GREY PUTTY REF G0504
Price
N/A
207
EAR PROTECTION 1.5W X 2.5H
Price
N/A
208
GLASSES/RESPIRATOR 1.5W X 2.5H
Price
N/A
209
DISCONNECT 220V 1.5W X 2.5H
Price
N/A
210
READ MANUAL 1.5W X 2.5H
Price
N/A
211
ELECTRICITY 1.4W X 1.2H
Price
N/A
212
MODEL NUMBER LABEL
Item is no longer available
Price
N/A
213
GRIZZLY.COM LABEL 13",BEIGE
Price
N/A
MAN
G0849 MANUAL MFD-01.19+ V1.02.19
Item is no longer available
Price
N/A