Parts for G1018HW 8" x 65" Super Jointer w/ Handwheels

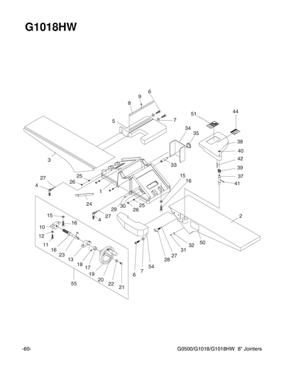
Parts Diagrams for G1018HW - 8" x 65" Super Jointer w/ Handwheels

IMPORTANT

Parts may have multiple versions that have changed over time. This will be indicated by V1, V2, V3, etc. in the parts description, followed by the version month and year that it was first used. Example: V2.01.17 indicates version 2 of a part went into use in January 2017. Please reference the manufacture date on the ID Label for your machine to ensure you are selecting the correct part when multiple versions are indicated.

If you cannot locate your part below, please contact our tech support department at techsupport@grizzly.com or 570-546-9663.

Please note: All parts ship out of our Springfield, Missouri facility.

Parts List for Parts for G1018HW 8" x 65" Super Jointer w/ Handwheels

PG1018HW001
*DISCD*BASE
Item is no longer available
Price
N/A
PG1018HW002
*DISCD*INFEED TABLE
Item is no longer available
Price
N/A
PG1018HW003
*DISCD*OUTFEED TABLE
Item is no longer available
Price
N/A
PG1018HW004
LOCK HANDLE
Price
N/A
PG1018HW005
FENCE SUPPORT
Price
N/A
PG1018HW006
CAP SCREW 3/8-16 X 1-1/2
Price
N/A
PG1018HW007
Now: PW02
FLAT WASHER 3/8
Price
N/A
PG1018HW008
KEY 9.5 X 9.5 X 268
Price
N/A
PG1018HW009
ROLL PIN 4 X 14
Price
N/A
P
*DISCD*FEED SCREW BRACKET
$14.70
Enter quantity between 1 and 99
PG1018HW011
CAP SCREW 3/8-16 X 1-1/4
Price
N/A
PG1018HW012
Now: PLW04
LOCK WASHER 3/8
Price
N/A
P
*DISCD*BRACKET
$9.50
Enter quantity between 1 and 99
PG1018HW014
CAP SCREW 3/8-16 X 1-1/2
Price
N/A
PG1018HW015
Now: PLW07
LOCK WASHER 1/2
Price
N/A
P
*DISCD*HANDWHEEL SHAFT
$14.70
Enter quantity between 1 and 99
P
*DISCD*RING
$1.49
Enter quantity between 1 and 99
PG1018HW018
Now: PSS03
SET SCREW 1/4-20 X 3/8
Price
N/A
PG1018HW019
*DISCD*HANDWHEEL
Item is no longer available
Price
N/A
PG1018HW020
*DISCD*HANDLE
Item is no longer available
Price
N/A
PG1018HW021
Now: PS38
PHLP HD SCR 5/16-18 X 1/2
Price
N/A
PG1018HW022
Now: PW07
FLAT WASHER 5/16
Price
N/A
PG1018HW023
Now: PK21M
KEY 5 X 5 X 23
Price
N/A
PG1018HW024
GIB
Price
N/A
PG1018HW025
Now: PSS01
SET SCREW 5/16-18 X 1
Price
N/A
PG1018HW026
Now: PN02
HEX NUT 5/16-18
Price
N/A
PG1018HW027
BALL 6MM
Price
N/A
PG1018HW028
GUARD LOCK HANDLE
Price
N/A
PG1018HW029
RIVET 2 X 5MM NAMEPLATE, STEEL
Price
N/A
PG1018HW030
SCALE
Price
N/A
PG1018HW031
Now: PS41
PHLP HD SCR 6-32 X 1/4
Price
N/A
PG1018HW032
POINTER
Price
N/A
PG1018HW033
STUD M14-18 X 78 10
Price
N/A
PG1018HW034
BELT GUARD
Price
N/A
P
*DISCD*KNOB
$2.30
Enter quantity between 1 and 99
PG1018HW037
PIVOT SHAFT
Price
N/A
PG1018HW038
CUTTERHEAD GUARD
Price
N/A
PG1018HW039
SPRING HELICAL 1.8 X 18.7
Price
N/A
PG1018HW040
Now: PR48M
EXT RETAINING RING 11MM
Price
N/A
PG1018HW041
ROLL PIN 5 X 28
Price
N/A
PG1018HW042
ROLL PIN 6 X 40
Price
N/A
PG1018HW044
CUTTERHEAD GUARD LABEL 4.1W X 2.2H
Price
N/A
P
*DISCD*NAME PLATE METAL
$2.90
Enter quantity between 1 and 99
PG1018HW051
USE PUSH BLOCKS LABEL
Price
N/A
PG1018HW053
ROLL PIN 5 X 24
Price
N/A
PG1018HW054
RABBET LEDGE
Price
N/A
PG1018HW055
*DISCD*HANDWHEEL ASSY
Item is no longer available
Price
N/A
PG1018HW101
FENCE
Price
N/A
PG1018HW102
FENCE HINGE
Price
N/A
PG1018HW103
STANDOFF-HEX MF
Price
N/A
PG1018HW104
FENCE HINGE SCREW
Price
N/A
PG1018HW105
Now: PN08
HEX NUT 3/8-16
Price
N/A
PG1018HW106
TILT LEVER
Price
N/A
PG1018HW107
KNOB
Price
N/A
PG1018HW108
FENCE SCREW
Price
N/A
PG1018HW109
FENCE BRACKET
Price
N/A
PG1018HW110
FENCE STOP BRACKET
Price
N/A
PG1018HW111
FENCE BRACKET HEX HD BOLT 5/16-18
Price
N/A
PG1018HW112
Now: PN10
HEX NUT 7/16-20
Price
N/A
PG1018HW113
FENCE ADJ ROD
Price
N/A
PG1018HW114
FENCE TILT CLAMP
Price
N/A
PG1018HW115
STOP TAB 90DEG
Price
N/A
PG1018HW116
ROLL PIN 4 X 12
Price
N/A
PG1018HW117
STOP TAB
Price
N/A
PG1018HW118
Now: PN09
HEX NUT 5/8-18
Price
N/A
PG1018HW119
FENCE TILT SLEEVE
Price
N/A
PG1018HW120
FENCE BASE V2.03.03
Price
N/A
PG1018HW121
Now: PW01
FLAT WASHER 1/2
Price
N/A
PG1018HW122
*DISCD*LOCK SCREW 1/2-12
Price
N/A
PG1018HW123
FENCE BASE NUT 1/2-12
Price
N/A
PG1018HW125
Now: PN02
HEX NUT 5/16-18
Price
N/A
PG1018HW126
Now: PB22
HEX BOLT 5/16-18 X 1-3/4
Price
N/A
PG1018HW127
FENCE BASE BOLT 5/16-18
Price
N/A
PG1018HW128
FENCE HINGE SET SCREW
Price
N/A
PG1018HW201
*DISCD*CUTTERHEAD
Price
N/A
PG1018HW202
Now: G6698
8" x 1" x 1/8" HSS Jointer Knives, Set of 3
Price
N/A
PG1018HW203
COMPRESSION SPRING 0.6 X 5.9 X 16
Price
N/A
PG1018HW204
KNIFE GIB 8"
Price
N/A
PG1018HW205
HEX HD GIB BOLT 1/4-28 X 7
Price
N/A
PG1018HW206
Now: PN11
HEX NUT 3/8-24
Price
N/A
PG1018HW207
Now: PLW04
LOCK WASHER 3/8
Price
N/A
PG1018HW208
STUD-DE 3/8-24 X 4-3/4 1/2RH
Price
N/A
PG1018HW209
BEARING BLOCK
Price
N/A
PG1018HW210
BALL BEARING 6204ZZ
Price
N/A
PG1018HW211
Now: PK23M
KEY 5 X 5 X 25
Price
N/A
PG1018HW212
PULLEY 3/4ID
Price
N/A
PG1018HW213
Now: PSS17
SET SCREW 5/16-18 X 5/16
Price
N/A
PG1018HW214
KNIFE GAUGE ASSY V2.01.03
Price
N/A
PG1018HW215
HEX WRENCH 3MM
Price
N/A
PG1018HW216
HEX WRENCH 4MM
Price
N/A
PG1018HW217
HEX WRENCH 5MM
Price
N/A
PG1018HW218
WRENCH 8 X 10MM OPEN-ENDS
Price
N/A
PG1018HW219
WRENCH 12 X 14MM OPEN-ENDS
Price
N/A
PG1018HW301
CABINET
Price
N/A
PG1018HW302
MOTOR MOUNT
Price
N/A
PG1018HW303
DOOR
Price
N/A
PG1018HW304
KNOB
Price
N/A
PG1018HW305
LATCH
Price
N/A
PG1018HW306
Now: PN08
HEX NUT 3/8-16
Price
N/A
PG1018HW307
MOTOR PULLEY
Price
N/A
PG1018HW308
Now: PSS15
SET SCREW 3/8-16 X 3/8
Price
N/A
PG1018HW309
Now: PVM52
V-BELT M52 3L520
Price
N/A
PG1018HW310
Now: PB07
HEX BOLT 5/16-18 X 3/4
Price
N/A
PG1018HW312
Now: PW02
FLAT WASHER 3/8
Price
N/A
PG1018HW313
Now: PN02
HEX NUT 5/16-18
Price
N/A
PG1018HW314
Now: PB53
HEX BOLT 1/2-12 X 1
Price
N/A
PG1018HW315
Now: PW01
FLAT WASHER 1/2
Price
N/A
PG1018HW316
*DISCD*MOTOR 1.5HP 220V 1-PH
Price
N/A
PG1018HW316A
FAN COVER FOR MOTOR
Price
N/A
PG1018HW317
Now: PK12M
KEY 5 X 5 X 30
Price
N/A
PG1018HW318
POWER CORD 12G X 3W 36"L
Price
N/A
PG1018HW319
Now: G4572
Magnetic Switch, Single-Phase, 220V Only, 2 HP
Price
N/A
PG1018HW320
Now: PS01
PHLP HD SCR 10-24 X 1/2
Price
N/A
PG1018HW321
STRAIN RELIEF M15 TYPE-2
Price
N/A
PG1018HW322
STRAIN RELIEF M15 TYPE-2
Price
N/A
PG1018HW324
POWER CORD 12G X 3W 86"L
Price
N/A
PG1018HW325
WHITE SWITCH COVER SCREW V1.12.95
Price
N/A
PG1018HW326
Now: G8588
Nameplate - Small
Price
N/A
PG1018HW327
Now: PLW06
LOCK WASHER 5/8
Price
N/A
PG1018HW328
STRAIN RELIEF M15 TYPE-2
Price
N/A
PG1018HW329
SAFETY GLASSES 2W X 3.3H V2.04.08
Price
N/A
P
*DISCD*ID/WARNING LABEL
$3.50
Enter quantity between 1 and 99
PG1018HW331
READ MANUAL 2W X 3.3H V2.07.05
Price
N/A
PG1018HW332
ELECTRICITY 1.4W X 1.2H
Price
N/A
PG1018HW333
BASE MOUNTING BOLT
Price
N/A
PG1018HW334
Now: PLW04
LOCK WASHER 3/8
Price
N/A