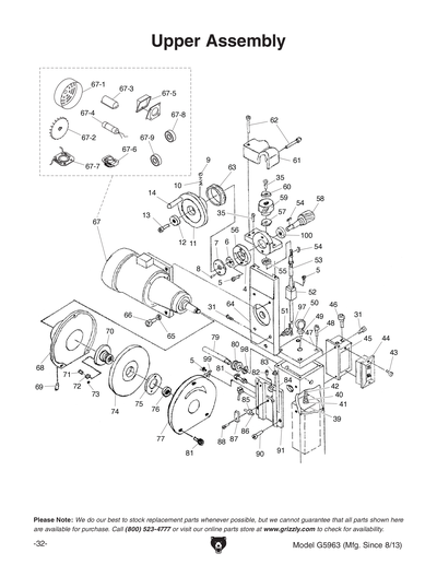
Parts for G5963 6" x 12" Surface Grinder with Stand

Parts Diagrams for G5963 - 6" x 12" Surface Grinder with Stand

IMPORTANT

Parts may have multiple versions that have changed over time. This will be indicated by V1, V2, V3, etc. in the parts description, followed by the version month and year that it was first used. Example: V2.01.17 indicates version 2 of a part went into use in January 2017. Please reference the manufacture date on the ID Label for your machine to ensure you are selecting the correct part when multiple versions are indicated.

If you cannot locate your part below, please contact our tech support department at techsupport@grizzly.com or 570-546-9663.

Please note: All parts ship out of our Springfield, Missouri facility.

Parts List for Parts for G5963 6" x 12" Surface Grinder with Stand

1
BASE
$840.95
Enter quantity between 1 and 99
2
SADDLE
$646.90
Enter quantity between 1 and 99
3
OIL PIPE ELBOW
$8.95
Enter quantity between 1 and 99
4
BEARING BLOCK
$38.85
Enter quantity between 1 and 99
5
CAP SCREW M5-.8 X 16
Price
N/A
6
BALL BEARING 6202ZZ
Price
N/A
7
LOCK PLATE 28.5
$6.50
Enter quantity between 1 and 99
8
Now: PS09M
PHLP HD SCR M5-.8 X 10
Price
N/A
9
STEEL BALL 6MM
Price
N/A
10
COMPRESSION SPRING 6.7 X 9
$1.80
Enter quantity between 1 and 99
11
HANDWHEEL
$37.10
Enter quantity between 1 and 99
12
DOCK WASHER 6MM
$5.45
Enter quantity between 1 and 99
13
CAP SCREW M6-1 X 16
Price
N/A
14
HANDWHEEL HANDLE
$14.35
Enter quantity between 1 and 99
15
GRADUATED DIAL
$25.90
Enter quantity between 1 and 99
16
Now: PK37M
KEY 4 X 4 X 16
Price
N/A
17
CROSS FEED LEADSCREW 5/8-10 X 34
$108.75
Enter quantity between 1 and 99
18
CROSS FEED LEADSCREW NUT 5/8-10
$202.85
Enter quantity between 1 and 99
19
LONGITUDINAL HANDWHEEL HUB
$15.15
Enter quantity between 1 and 99
20
Now: PN03M
HEX NUT M8-1.25
Price
N/A
21
LONGITUDINAL HANDWHEEL SPOKE
$18.00
Enter quantity between 1 and 99
22
SPOKE KNOB
$2.20
Enter quantity between 1 and 99
23
LONGITUDINAL LEADSCREW
$32.45
Enter quantity between 1 and 99
24
TAPERED PIN 5 X 30
$2.25
Enter quantity between 1 and 99
25
CROSS FEED HELICAL GEAR
$56.10
Enter quantity between 1 and 99
26
Now: PN08M
HEX NUT M10-1.25
Price
N/A
27
TABLE STOP PIN
$3.65
Enter quantity between 1 and 99
28
BALL OILER 8MM PRESS-IN
Price
N/A
29
LONGITUDINAL SCALE
$4.35
Enter quantity between 1 and 99
30
TABLE RACK
$51.75
Enter quantity between 1 and 99
31
CAP SCREW M6-1 X 12
Price
N/A
32
TABLE LIMIT PIN
$3.60
Enter quantity between 1 and 99
33
SLIDING TABLE
$668.45
Enter quantity between 1 and 99
34
CHIP GUARD
$31.35
Enter quantity between 1 and 99
35
CAP SCREW M6-1 X 20
Price
N/A
36
SADDLE BASE
$325.65
Enter quantity between 1 and 99
37
TAPERED PIN 6 X 40
$1.90
Enter quantity between 1 and 99
38
CAP SCREW M10-1.25 X 35
Price
N/A
39
ELEVATION COUNTERWEIGHT
$189.75
Enter quantity between 1 and 99
40
EYE BOLT M16-2 X 56
$11.65
Enter quantity between 1 and 99
41
CABLE CLIP
$1.90
Enter quantity between 1 and 99
42
STEEL CABLE 3MM
$13.70
Enter quantity between 1 and 99
43
Now: PS19M
PHLP HD SCR M5-.8 X 6
Price
N/A
44
ON/OFF SWITCH 110V/220V
$15.15
Enter quantity between 1 and 99
44V2
ON/OFF SWITCH V2.2008
$15.15
Enter quantity between 1 and 99
45
SWITCH BOX
$8.65
Enter quantity between 1 and 99
46
POWER INDICATOR LIGHT GREEN V2
Price
N/A
46V2
POWER INDICATOR LIGHT GREEN V2
$30.20
Enter quantity between 1 and 99
47
COLUMN TOP COVER
$28.10
Enter quantity between 1 and 99
48
CAP SCREW M10-1.25 X 25
Price
N/A
49
Now: PN13M
HEX NUT M16-2
Price
N/A
50
EYE BOLT M16-2 X 28
$9.75
Enter quantity between 1 and 99
51
ADJUSTMENT SCREW M8-1.25 X 34
$6.50
Enter quantity between 1 and 99
52
ELEVATION LEADSCREW NUT 1/2-10 X 51
$138.00
Enter quantity between 1 and 99
53
ELEVATION LEADSCREW 1/2-10 X 318
$103.50
Enter quantity between 1 and 99
54
Now: PK48M
KEY 4 X 4 X 20
Price
N/A
55
BALL BEARING 6209ZZ
Price
N/A
56
WORM SHAFT BRACKET
$66.90
Enter quantity between 1 and 99
57
THRUST BEARING 51102
Price
N/A
58
WORM SHAFT
$104.40
Enter quantity between 1 and 99
59
BEVEL GEAR
$118.65
Enter quantity between 1 and 99
60
Now: PW03M
FLAT WASHER 6MM
Price
N/A
61
GEAR COVER
$30.20
Enter quantity between 1 and 99
62
CAP SCREW M6-1 X 55
Price
N/A
63
GRADUATED DIAL
$24.45
Enter quantity between 1 and 99
64
SLIDE BASE
$284.65
Enter quantity between 1 and 99
65
Now: PW04M
FLAT WASHER 10MM
Price
N/A
66
Now: PB14M
HEX BOLT M10-1.5 X 35
Price
N/A
67
MOTOR 3/4HP 110V/220V 1-PH
$664.00
Enter quantity between 1 and 99
67-1
MOTOR FAN COVER
$27.00
Enter quantity between 1 and 99
67-2
MOTOR FAN
$10.85
Enter quantity between 1 and 99
67-3
CAPACITOR COVER
$8.95
Enter quantity between 1 and 99
67-4
Now: PC40D
R CAPACITOR 40M 300V 2 X 4
Price
N/A
67-5
MOTOR JUNCTION BOX
$20.90
Enter quantity between 1 and 99
67-6
CENTRIFUGAL SWITCH
$21.60
Enter quantity between 1 and 99
67-7
CONTACT PLATE
$10.85
Enter quantity between 1 and 99
67-8
FRONT MOTOR BEARING
$13.70
Enter quantity between 1 and 99
67-9
REAR MOTOR BEARING
$8.65
Enter quantity between 1 and 99
68
*DISCD*REAR WHEEL COVER
Item is no longer available
Price
N/A
69
HEX BOLT M8-1.25 X 10 CUP-PT
$1.80
Enter quantity between 1 and 99
70
WHEEL SLEEVE
$104.35
Enter quantity between 1 and 99
71
SET SCREW M6-1 X 6
Price
N/A
72
BALANCE WEIGHT
$18.00
Enter quantity between 1 and 99
73
STEEL BALL 4MM
Price
N/A
74
GRINDING WHEEL 7"D X 1/2"W X 1-1/4"B
$53.95
Enter quantity between 1 and 99
75
WHEEL SLEEVE WASHER
$47.15
Enter quantity between 1 and 99
76
SPINDLE NUT M16-1.5
$22.35
Enter quantity between 1 and 99
77
WHEEL GUARD
$58.25
Enter quantity between 1 and 99
78
SET SCREW M6-1 X 25
Price
N/A
79
PULLEY SHAFT
$10.85
Enter quantity between 1 and 99
80
UPPER ELEVATION PULLEY
$12.95
Enter quantity between 1 and 99
81
Now: PB28M
HEX BOLT M8-1.25 X 60
Price
N/A
82
*DISCD*HEX BOLT M8-1.25 X 20 CUP-PT
Item is no longer available
Price
N/A
83
GIB SCREW M8-1.25 X 45
$9.75
Enter quantity between 1 and 99
84
ELEVATION GIB
$25.90
Enter quantity between 1 and 99
85
LOWER ELEVATION PULLEY
$8.65
Enter quantity between 1 and 99
86
ROLL PIN 6 X 45
Price
N/A
87
LOCKING TAB
$2.20
Enter quantity between 1 and 99
88
Now: PS05M
PHLP HD SCR M5-.8 X 8
Price
N/A
89
OIL PIPE CLAMP
$4.35
Enter quantity between 1 and 99
90
CAP SCREW M10-1.25 X 14
Price
N/A
91
ELEVATION CARRIAGE
$249.85
Enter quantity between 1 and 99
92
SADDLE GIB
$37.75
Enter quantity between 1 and 99
93
OIL MANIFOLD
$43.15
Enter quantity between 1 and 99
93-1
BRASS FITTING FOR OIL MANIFOLD
$26.75
Enter quantity between 1 and 99
94
ONE-SHOT OILER 8CC
$301.90
Enter quantity between 1 and 99
95
CAP SCREW M6-1 X 16
Price
N/A
96
LOCK WASHER 6MM
Price
N/A
97
CAP SCREW M5-.8 X 10
Price
N/A
98
Now: PN09M
HEX NUT M12-1.75
Price
N/A
99
LIMIT TAB
$2.20
Enter quantity between 1 and 99
100
THRUST BEARING 51102
Price
N/A
101
DRESSING DIAMOND W/MOUNT
$139.05
Enter quantity between 1 and 99
102
ADJUSTABLE WRENCH
$8.65
Enter quantity between 1 and 99
103
COMPLETE STAND ASSY BOX 2
$517.50
Enter quantity between 1 and 99
104
HEX BOLT M12-1.75 X 70
Price
N/A
105
Now: PW06M
FLAT WASHER 12MM
Price
N/A
106
Now: PN09M
HEX NUT M12-1.75
Price
N/A
107
*DISCD*CABINET
Item is no longer available
Price
N/A
108
*DISCD*CABINET DOOR
Item is no longer available
Price
N/A
109
*DISCD*CABINET LATCH
Item is no longer available
Price
N/A
110
LOCK WASHER 4MM
Price
N/A
111
LOCK WASHER 4MM
Price
N/A
112
Now: PS07M
PHLP HD SCR M4-.7 X 8
Price
N/A
114
Now: PS17M
PHLP HD SCR M4-.7 X 6
Price
N/A
115
Now: PW05M
FLAT WASHER 4MM
Price
N/A
116
*DISCD*CABINET SHELF
$36.80
Enter quantity between 1 and 99
117
Now: PW10M
FLAT WASHER 14MM
Price
N/A
118
Now: PN09M
HEX NUT M12-1.75
Price
N/A
119
*DISCD*BOLT M12-1.75 X 70
Item is no longer available
Price
N/A
120
LEVELING PAD
$11.90
Enter quantity between 1 and 99
121
*DISCD*DRESSING DIAMOND W/MOUNT
Item is no longer available
Price
N/A
121-1
*DISCD*MOUNT
Item is no longer available
Price
N/A
121-2
*DISCD*DRESSING DIAMOND
Item is no longer available
Price
N/A
122
TOOL BOX
$47.45
Enter quantity between 1 and 99
123
HEX WRENCH 5MM
Price
N/A
124
HEX WRENCH 4MM
Price
N/A
125
HEX WRENCH 3MM
Price
N/A
126
*DISCD*SLOTTED WRENCH
$14.40
Enter quantity between 1 and 99
127
PIN WRENCH
$22.35
Enter quantity between 1 and 99
128
Now: PSDF2
SCREWDRIVER FLAT #2
Price
N/A
129
Now: PSDP2
SCREWDRIVER PHILLIPS #2
Price
N/A
130
MANDREL
$127.65
Enter quantity between 1 and 99
131
*DISCD*ADJUSTABLE WRENCH 6"
Item is no longer available
Price
N/A
132
WRENCH 17 X 19MM OPEN-ENDS
Price
N/A
151
READ MANUAL 2W X 3.3H V2.07.05
Price
N/A
152
ELECTRICITY 0.5W X 0.4H
Price
N/A
153
GRINDING WHEEL HAZARD LABEL
$5.95
Enter quantity between 1 and 99
154
N/S GRIZZLY GREEN G1023S
Price
N/A
155
DISCONNECT 110V 2.8W X 1.5H
Price
N/A
156
MACHINE ID LABEL
$16.40
Enter quantity between 1 and 99
157
MODEL NUMBER LABEL
$16.40
Enter quantity between 1 and 99
158
GRIZZLY.COM LABEL 8.625",GREEN
Price
N/A
159
GREY PUTTY REF G0504
Price
N/A
160
ONE-SHOT OILER LABEL
$2.50
Enter quantity between 1 and 99
161
WHEEL DIRECTION LABEL
$2.50
Enter quantity between 1 and 99
162
FACE SHIELD/RESPIRATOR 2W X 3.3H
Price
N/A
MANUAL
MANUAL G5963 V1.02.00
$14.65
Enter quantity between 1 and 99
MANV2
MANUAL G5963 MFG-08.13 V2.09.13
$14.65
Enter quantity between 1 and 99