Parts for G7112 Heavy-Duty Wagon w/ Wood Sides

Parts Diagrams for G7112 - Heavy-Duty Wagon w/ Wood Sides

IMPORTANT

Parts may have multiple versions that have changed over time. This will be indicated by V1, V2, V3, etc. in the parts description, followed by the version month and year that it was first used. Example: V2.01.17 indicates version 2 of a part went into use in January 2017. Please reference the manufacture date on the ID Label for your machine to ensure you are selecting the correct part when multiple versions are indicated.

If you cannot locate your part below, please contact our tech support department at techsupport@grizzly.com or 570-546-9663.

Please note: All parts ship out of our Springfield, Missouri facility.

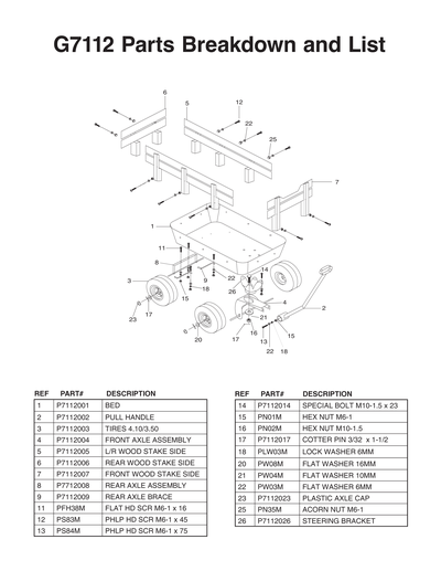
Parts List for Parts for G7112 Heavy-Duty Wagon w/ Wood Sides

1
TRAY
$17.25
Enter quantity between 1 and 99
2
HANDLE
$4.00
Enter quantity between 1 and 99
3
TIRE 4.10/3.50
$11.90
Enter quantity between 1 and 99
3-1
INNER TUBE
$1.75
Enter quantity between 1 and 99
4
STEERING ASSEMBLY
$7.20
Enter quantity between 1 and 99
5
WOOD LONG SIDE PANEL
$6.90
Enter quantity between 1 and 99
6
SHORT WOOD REAR PANEL
$4.70
Enter quantity between 1 and 99
7
SHORT WOOD FRONT PANEL
$3.25
Enter quantity between 1 and 99
8
REAR AXLE ASSEMBLY
$2.90
Enter quantity between 1 and 99
9
REAR AXLE BRACE
$1.49
Enter quantity between 1 and 99
10
HARDWARE BAG
Item is no longer available
Price
N/A
11
BOLT 1/2"
Item is no longer available
Price
N/A
12
BOLT 2"
Item is no longer available
Price
N/A
13
BOLT 2-3/4"
Item is no longer available
Price
N/A
14
BOLT 1-1/8 W/HOLE
$1.49
Enter quantity between 1 and 99
15
Now: PN01M
HEX NUT M6-1
Price
N/A
16
CAP NUT
$1.49
Enter quantity between 1 and 99
17
COTTER PIN 3/32 X 1-1/2
$1.49
Enter quantity between 1 and 99
18
LOCK WASHER 6MM
Price
N/A
19
LOCK WASHER 10MM
Price
N/A
20
Now: PW08M
FLAT WASHER 16MM
Price
N/A
21
Now: PW04M
FLAT WASHER 10MM
Price
N/A
22
Now: PW03M
FLAT WASHER 6MM
Price
N/A
23
AXLE CAP
$1.49
Enter quantity between 1 and 99
24
BOLT BAG
$2.30
Enter quantity between 1 and 99
25
Now: PN35M
ACORN NUT M6-1
Price
N/A
26
STEERING BRACKET
$5.50
Enter quantity between 1 and 99
100
PIVOT BOLT FOR BOLT BAG
Item is no longer available
Price
N/A
101
COTTER PIN FOR BOLT BAG
Item is no longer available
Price
N/A
102
WHEEL CAP FOR BOLT BAG
Item is no longer available
Price
N/A
103
PHLP HD SCR IN BOLT BAG
Item is no longer available
Price
N/A
104
FLAT HD SCREW IN BOLT BAG
Item is no longer available
Price
N/A