Parts for G9962Z 24" 10 HP Wide-Belt Sander

Parts Diagrams for G9962Z - 24" 10 HP Wide-Belt Sander

IMPORTANT

Parts may have multiple versions that have changed over time. This will be indicated by V1, V2, V3, etc. in the parts description, followed by the version month and year that it was first used. Example: V2.01.17 indicates version 2 of a part went into use in January 2017. Please reference the manufacture date on the ID Label for your machine to ensure you are selecting the correct part when multiple versions are indicated.

If you cannot locate your part below, please contact our tech support department at techsupport@grizzly.com or 570-546-9663.

Please note: All parts ship out of our Springfield, Missouri facility.

Parts List for Parts for G9962Z 24" 10 HP Wide-Belt Sander

1
*DISCD*FELT PLATEN REMOVAL TOOL
Price
N/A
2
LIMIT SWITCH CERAMIC TIP
$22.70
Enter quantity between 1 and 99
3
TOOL BOX
$61.55
Enter quantity between 1 and 99
6
DOOR HANDLE
Price
N/A
7-1
Now: G8677
25" x 60" A/O Sanding Belt 100 Grit
Price
N/A
7-2
Now: G8679
25" x 60" A/O Sanding Belt 150-Y Grit with Polyester Backing
Price
N/A
8
PHLP HD SCREWDRIVER
$10.30
Enter quantity between 1 and 99
9
FLAT HD SCREWDRIVER
$10.30
Enter quantity between 1 and 99
10
WRENCH 8 X 10MM OPEN-ENDS
Price
N/A
11
WRENCH 12 X 14MM OPEN-ENDS
Price
N/A
12
WRENCH 17 X 19MM OPEN-ENDS
Price
N/A
13
HEX WRENCH SET
$10.30
Enter quantity between 1 and 99
2
LIMIT SWITCH CERAMIC TIP
Price
N/A
3
TOOL BOX
Price
N/A
6
DOOR HANDLE
Price
N/A
7-1
Now: G8677
25" x 60" A/O Sanding Belt 100 Grit
Price
N/A
7-2
Now: G8679
25" x 60" A/O Sanding Belt 150-Y Grit with Polyester Backing
Price
N/A
8
PHLP HD SCREWDRIVER
Price
N/A
9
FLAT HD SCREWDRIVER
Price
N/A
10
WRENCH 8 X 10MM OPEN-ENDS
Price
N/A
11
WRENCH 12 X 14MM OPEN-ENDS
Price
N/A
12
WRENCH 17 X 19MM OPEN-ENDS
Price
N/A
13
HEX WRENCH SET
Price
N/A
1101
MACHINE FRAME
$1,813.70
Enter quantity between 1 and 99
1102
MOTOR BASE
$175.10
Enter quantity between 1 and 99
1103
MOTOR BASE HINGE
$5.50
Enter quantity between 1 and 99
1104
Now: PN06
HEX NUT 1/2-12
Price
N/A
1105
MOTOR BASE ADJUSTMENT ROD
$5.50
Enter quantity between 1 and 99
1106
Now: PLW04
LOCK WASHER 3/8
Price
N/A
1107
Now: PB24
HEX BOLT 3/8-16 X 1-1/4
Price
N/A
1108
Now: PW01
FLAT WASHER 1/2
Price
N/A
1109
SANDING BELT MOTOR 10HP 220V 1-PH
$1,970.50
Enter quantity between 1 and 99
1109-1
MOTOR FAN
$6.05
Enter quantity between 1 and 99
1109-2
MOTOR FAN COVER
$15.15
Enter quantity between 1 and 99
1109-3
CENTRIFUGAL SWITCH
$89.60
Enter quantity between 1 and 99
1110
PULLEY
$131.05
Enter quantity between 1 and 99
1111
CAP SCREW 5/16-18 X 1-1/4
Price
N/A
1112
Now: PLW01
LOCK WASHER 5/16
Price
N/A
1113
KEY 8 X 10 X 75
$4.60
Enter quantity between 1 and 99
1114
Now: PB03
HEX BOLT 5/16-18 X 1
Price
N/A
1115
Now: PLW04
LOCK WASHER 3/8
Price
N/A
1116
DISK BRAKE
$306.15
Enter quantity between 1 and 99
1118
PULLEY BUSHING
$56.20
Enter quantity between 1 and 99
1119
Now: PVB77
V-BELT B77
Price
N/A
1121
BRAKE BRACKET
$50.75
Enter quantity between 1 and 99
1122
Now: PW02
FLAT WASHER 3/8
Price
N/A
1123
Now: PB21
HEX BOLT 3/8-16 X 3/4
Price
N/A
1124
FLAT HEAD NUT 5/8 X 11
Price
N/A
1125
CAP SCREW 1/4-20 X 3/4
Price
N/A
1126
LIMIT SWITCH
$68.45
Enter quantity between 1 and 99
1127
LIMIT SWITCH PLATE
$13.30
Enter quantity between 1 and 99
1128
Now: PB19
HEX BOLT 1/4-20 X 1/2
Price
N/A
1129
Now: PW06
FLAT WASHER 1/4
Price
N/A
113-2
*DISCD*FUSE 4A
Item is no longer available
Price
N/A
1130
CAP SCREW 5/16-18 X 3/4
Price
N/A
1131
FIXING COVER OF MOTOR BASE
$12.10
Enter quantity between 1 and 99
1301
BRAKE BRACKET
Price
N/A
1301-1
BRACKET FRONT GUARD
Price
N/A
1301-313
COMPLETE BRAKE ASSY
Price
N/A
1302-1
BRAKE LINING
$35.95
Enter quantity between 1 and 99
1302-2
BRAKE LINING
$35.95
Enter quantity between 1 and 99
1303
BRAKE ARBOR
Price
N/A
1304
BRAKE SPRING 3.3 X 24.5 X 24
$5.50
Enter quantity between 1 and 99
1305
BRAKE ARBOR PLATE
Price
N/A
1306
Now: PFH03
FLAT HD SCR 1/4-20 X 1/2
Price
N/A
1307
BRAKE PIN
Price
N/A
1308
CAP SCREW M5-.8 X 15
Price
N/A
1309
*DISCD*"C" CIRCLIP S12
Item is no longer available
Price
N/A
1310
Now: PLW04
LOCK WASHER 3/8
Price
N/A
1311
Now: PN08
HEX NUT 3/8-16
Price
N/A
1312
CAP SCREW M6-1 X 12
Price
N/A
1313
BRAKE GASKET
$13.30
Enter quantity between 1 and 99
1401
*DISCD*VISE VERNIER
Item is no longer available
Price
N/A
1402
*DISCD*FIXING BASE OF VISE VERNIER
Item is no longer available
Price
N/A
1403
*DISCD*MAIN VERNIER
Item is no longer available
Price
N/A
1404
*DISCD*SCREW 1/4"
Item is no longer available
Price
N/A
1405
*DISCD*NUT 5/16"
Item is no longer available
Price
N/A
1406
*DISCD*CAP 1/4"
Item is no longer available
Price
N/A
1407
*DISCD*SCREW 1/4"
Item is no longer available
Price
N/A
1408
*DISCD*PLAIN WASHER 1/4"
Item is no longer available
Price
N/A
200
MACHINE ID LABEL
$16.40
Enter quantity between 1 and 99
201
DISCONNECT SANDER 220V 2W X 3.3H
Price
N/A
202
DONT OPEN 2W X 3.3H
Price
N/A
203
SANDER BELT PINCH 4W X 2.1H
Price
N/A
204
DUST MASK 2W X 3.3H V1
Price
N/A
205
EMERGENCY STOP LABEL
$6.10
Enter quantity between 1 and 99
206
ROTATION LABEL
$1.60
Enter quantity between 1 and 99
207
SAFETY GLASSES 2W X 3.3H V2.04.08
Price
N/A
208
READ MANUAL 2W X 3.3H V2.07.05
Price
N/A
209
CONTROL PANEL LABEL
$3.15
Enter quantity between 1 and 99
210
MM CONVERSION CHART 3.6W X 5.5H
Price
N/A
2101
ELEVATION SCREW 1 X 5 X 280
Price
N/A
2102
Now: PB03
HEX BOLT 5/16-18 X 1
Price
N/A
2103
Now: PW07
FLAT WASHER 5/16
Price
N/A
2104
Now: PLW01
LOCK WASHER 5/16
Price
N/A
2105
Now: PLW04
LOCK WASHER 3/8
Price
N/A
2106
Now: PB18
HEX BOLT 3/8-16 X 1
Price
N/A
2107
ELEVATION SLIDE
$51.35
Enter quantity between 1 and 99
2108
DUST GUARD BELLOW
$53.15
Enter quantity between 1 and 99
2109
Now: PB07
HEX BOLT 5/16-18 X 3/4
Price
N/A
211
AMP LOAD LABEL
$4.20
Enter quantity between 1 and 99
2110
Now: PLW01
LOCK WASHER 5/16
Price
N/A
2111
CHAIN
$77.30
Enter quantity between 1 and 99
212
AMP METER LABEL
$24.15
Enter quantity between 1 and 99
213
SANDER REAR EJECT 5.3W X 2.8H V2.04.08
Price
N/A
214
MACHINE DATA LABEL
$18.90
Enter quantity between 1 and 99
215
DANGER STRIPE LABEL
$8.40
Enter quantity between 1 and 99
216
PREWIRED 220V 3.3W X 2.2H
Price
N/A
217
ELECTRICAL LABEL
$1.60
Enter quantity between 1 and 99
219
GRIZZLY LOGO PLATE
$19.10
Enter quantity between 1 and 99
2201
SPROCKET SHAFT HOUSING
Price
N/A
2201-206
SET OF NUT HOUSING
$90.60
Enter quantity between 1 and 99
2202
SPROCKET SHAFT
Price
N/A
2203
THRUST BEARING 51107
Price
N/A
2204
Now: PR12M
EXT RETAINING RING 35MM
Price
N/A
2206
LEADSCREW SPROCKET 24T
Price
N/A
2301
ELEVATION GEAR BOX
$100.90
Enter quantity between 1 and 99
2301-313
SET OF ELEVATION GEAR BOX
$385.20
Enter quantity between 1 and 99
2302
WORM GEAR
Price
N/A
2303
BALL BEARING 6005ZZ
Price
N/A
2304
BEARING CAP
$40.50
Enter quantity between 1 and 99
2305
CAP SCREW 1/4-20 X 3/4
Price
N/A
2306
WORM GEAR
Price
N/A
2307
BALL BEARING 6002ZZ
Price
N/A
2308
BEARING CAP
$35.95
Enter quantity between 1 and 99
2309
CAP SCREW 10-24 X 5/8
Price
N/A
2310
BEARING CAP
$50.75
Enter quantity between 1 and 99
2311
CAP SCREW 1/4-20 X 5/8
Price
N/A
2312
SPROCKET WHEEL
Price
N/A
2313
Now: PSS07
SET SCREW 1/4-20 X 1/2
Price
N/A
2314
PULLEY
$64.65
Enter quantity between 1 and 99
2315
Now: PVA36
V-BELT A36
Price
N/A
2315A
Now: PVA37
V-BELT A37
Price
N/A
2316
PULLEY
$45.90
Enter quantity between 1 and 99
2317
Now: PSS07
SET SCREW 1/4-20 X 1/2
Price
N/A
2318
Now: PLW01
LOCK WASHER 5/16
Price
N/A
2319
Now: PB07
HEX BOLT 5/16-18 X 3/4
Price
N/A
2320
Now: PSS06
SET SCREW 1/4-20 X 3/4
Price
N/A
2321
HAND WHEEL
$68.45
Enter quantity between 1 and 99
2322
MOTOR BASE
$58.00
Enter quantity between 1 and 99
2323
Now: PB31
HEX BOLT 1/4-20 X 1
Price
N/A
2324
Now: PLW02
LOCK WASHER 1/4
Price
N/A
2325
MOTOR BASE ADJUSTMENT ROD
$4.30
Enter quantity between 1 and 99
2326
Now: PW01
FLAT WASHER 1/2
Price
N/A
2327
Now: PN06
HEX NUT 1/2-12
Price
N/A
2328
Now: PLW07
LOCK WASHER 1/2
Price
N/A
2331
TABLE ELV MOTOR 1/3HP 220V 1-PH
$226.45
Enter quantity between 1 and 99
2331-1
CENTRIFUGAL SWITCH 7/8-1720
Price
N/A
2331-2
MOTOR FAN COVER
$10.90
Enter quantity between 1 and 99
2332
Now: PN05
HEX NUT 1/4-20
Price
N/A
2333
Now: PB89
HEX BOLT 1/2-12 X 4-1/2
Price
N/A
2334
PROXIMITY SWITCH PLATE
$4.60
Enter quantity between 1 and 99
2336
PROXIMITY SWITCH
Price
N/A
2337
Now: PS97M
PHLP HD SCR M3-.5 X 34
Price
N/A
2338
Now: PN07M
HEX NUT M3-.5
Price
N/A
2339
Now: PK14
KEY 5/16 X 5/16 X 3/4
Price
N/A
2340
Now: PK48M
KEY 4 X 4 X 20
Price
N/A
2341
Now: PK48M
KEY 4 X 4 X 20
Price
N/A
2401
CHAIN TENSIONER BRACKET
Price
N/A
2401-410
SET OF SPROCKET WHEEL
$288.05
Enter quantity between 1 and 99
2402
SPROCKET SHAFT
Price
N/A
2403
Now: G3850
Bearing - 35mm x 17mm
Price
N/A
2404
SPROCKET WHEEL
Price
N/A
2405
SPROCKET WHEEL ADJUSTMENT ROD
$13.30
Enter quantity between 1 and 99
2406
Now: PW02
FLAT WASHER 3/8
Price
N/A
2407
Now: PN08
HEX NUT 3/8-16
Price
N/A
2408
Now: PN02
HEX NUT 5/16-18
Price
N/A
2409
Now: PLW01
LOCK WASHER 5/16
Price
N/A
2410
Now: PB07
HEX BOLT 5/16-18 X 3/4
Price
N/A
3101
CONVEYOR TABLE
$1,321.05
Enter quantity between 1 and 99
3102
CONVEYOR BELT
$619.05
Enter quantity between 1 and 99
3103
GEARBOX FIX PLATE
$121.40
Enter quantity between 1 and 99
3104
CUSHION
$15.70
Enter quantity between 1 and 99
3105
Now: PLW04
LOCK WASHER 3/8
Price
N/A
3106
Now: PB18
HEX BOLT 3/8-16 X 1
Price
N/A
3107
OUTFEED ROLLER
$1,283.00
Enter quantity between 1 and 99
3108
MOUNTED BEARING UCF205
Price
N/A
3109
REDUCER
Price
N/A
3110
PLUG
$3.05
Enter quantity between 1 and 99
3111
PLUG
$3.05
Enter quantity between 1 and 99
3112
MOUNTED BEARING UCF205
Price
N/A
3113
Now: PLW04
LOCK WASHER 3/8
Price
N/A
3114
Now: PB24
HEX BOLT 3/8-16 X 1-1/4
Price
N/A
3115
BEARING CAP
$30.20
Enter quantity between 1 and 99
3116
DRIVEN PULLEY
$347.80
Enter quantity between 1 and 99
3117
Now: PB16
HEX BOLT 3/8-16 X 1-1/2
Price
N/A
3118
DRIVING PULLEY
$347.80
Enter quantity between 1 and 99
3119
Now: PK66M
KEY 7 X 7 X 55
Price
N/A
3120
Now: PB07M
HEX BOLT M8-1.25 X 25
Price
N/A
3121
LOCK WASHER 8MM
Price
N/A
3123
MOTOR 1HP 220V 1-PH
Price
N/A
3123-1
MOTOR FAN COVER
$10.90
Enter quantity between 1 and 99
3123-2
MOTOR FAN
$6.05
Enter quantity between 1 and 99
3124
Now: PLW06
LOCK WASHER 5/8
Price
N/A
3126
TIMING BELT
Price
N/A
3127
*DISCD*SCREW M10
Item is no longer available
Price
N/A
3128
VARIABLE SPEED UNIT BASE PLATE & COVER
$327.90
Enter quantity between 1 and 99
3129
VARIABLE SPEED UNIT BASE PLATE & COVER
Price
N/A
3130
SET SCREW M8-1.25 X 20
Price
N/A
3131
INFEED ROLLER BRACKET
Price
N/A
3132
CAP SCREW 10-24 X 3/4
Price
N/A
3133
INFEED ROLLER BRACKET
$76.10
Enter quantity between 1 and 99
3135
CONVEYOR BELT POSITIONING WHEEL
$26.00
Enter quantity between 1 and 99
3136
CAP SCREW 5/16-18 X 2
Price
N/A
3137
Now: PLW01
LOCK WASHER 5/16
Price
N/A
3138
Now: PN02
HEX NUT 5/16-18
Price
N/A
3140
EMGNCY BRAKE PUSH-PLATE
Price
N/A
3141
Now: PS04
PHLP HD SCR 1/4-20 X 1/2
Price
N/A
3142
LIMIT SWITCH
Price
N/A
3143
Now: PS10
PHLP HD SCR 10-24 X 1-1/2
Price
N/A
3144
HEX HD BOLT 1/2 X 3"
$3.05
Enter quantity between 1 and 99
3201
INFEED ROLLER SHAFT
$440.75
Enter quantity between 1 and 99
3202
INFEED ROLLER
$731.20
Enter quantity between 1 and 99
3203
BALL BEARING 6206ZZ
Price
N/A
3204
Now: PR15M
EXT RETAINING RING 30MM
Price
N/A
3205
ELEVATION ALUMINUM LIMITER
$50.75
Enter quantity between 1 and 99
3206
CAP SCREW 1/4-20 X 1-1/2
Price
N/A
4103
SPRING 2 X 16 X 60
$8.65
Enter quantity between 1 and 99
4106
*DISCD*SCREW 5/16"
Item is no longer available
Price
N/A
4107
Now: PN08
HEX NUT 3/8-16
Price
N/A
4108
Now: PB12
HEX BOLT 5/16-18 X 1-1/4
Price
N/A
4109
Now: PLW01
LOCK WASHER 5/16
Price
N/A
4201
PISTON ROLLER SHAFT
$68.85
Enter quantity between 1 and 99
4201-205
SET OF PISTON ROLLER
$417.80
Enter quantity between 1 and 99
4202
PISTON ROLLER
$299.50
Enter quantity between 1 and 99
4203
BALL BEARING 6001-2RS
Price
N/A
4204
SHAFT BEARING COLLAR
$12.85
Enter quantity between 1 and 99
4205
Now: PSS07
SET SCREW 1/4-20 X 1/2
Price
N/A
4301
PISTON ROD AND SLIDE RAIL ASSY
Price
N/A
4301A
PISTON ROD AND SLIDE RAIL ASSY
$47.45
Enter quantity between 1 and 99
4302
PISTON BRACKET
$76.95
Enter quantity between 1 and 99
4303
ROLL PIN 3 X 27
Price
N/A
4304
PISTON ROD AND SLIDE RAIL ASSY
Price
N/A
5104
CARTRIDGE BEARING UCC206
Price
N/A
5107
Now: PK11
KEY 5/16 X 5/16 X 1-3/16
Price
N/A
5108
Now: PLW01
LOCK WASHER 5/16
Price
N/A
5110
Now: PLW07
LOCK WASHER 1/2
Price
N/A
5111
CAP SCREW 1/2-12 X 1-1/2
Price
N/A
5112
CAP SCREW 1/4-20 X 1/2
Price
N/A
5113
*DISCD*BEARING CAP
Item is no longer available
Price
N/A
5114
GREASE FITTING 1/4-28 STRAIGHT
Price
N/A
5115
GREASE FITTING 90 DEG W/CAP
Price
N/A
5116
BEARING HOUSING PLUG
Price
N/A
5203
CAP SCREW M6-1 X 6
Price
N/A
5204
CARTRIDGE BEARING UCC205
Price
N/A
5205
HANDLE
Price
N/A
5206
FLAT HD SCR 5/8 X 11
Price
N/A
5401
BEARING HOUSING
$202.90
Enter quantity between 1 and 99
5402
RUBBER ROLLER
$2,742.45
Enter quantity between 1 and 99
5403
FASTENING TUBE
$51.35
Enter quantity between 1 and 99
5405
PULLEY
$144.90
Enter quantity between 1 and 99
5406
CAP SCREW 5/16-18 X 1-1/4
Price
N/A
5407
BEARING HOUSING
$440.75
Enter quantity between 1 and 99
5408
BEARING BRACKET PAD
Price
N/A
5409
BALL BEARING 6205-2RS
Price
N/A
5410
SCREW CAP
$2.45
Enter quantity between 1 and 99
5411
BEARING CAP
$35.05
Enter quantity between 1 and 99
5417
COVER OF PULLEY
$50.75
Enter quantity between 1 and 99
6101
SQUARE FRAME
$144.90
Enter quantity between 1 and 99
6103
RIGHT SQUARE FRAME SEAL
$50.75
Enter quantity between 1 and 99
6104
LEFT SQUARE FRAME SEAL
$50.75
Enter quantity between 1 and 99
6105
Now: PFH03
FLAT HD SCR 1/4-20 X 1/2
Price
N/A
6106
Now: PLW04
LOCK WASHER 3/8
Price
N/A
6107
Now: PB18
HEX BOLT 3/8-16 X 1
Price
N/A
6108
Now: PLW07
LOCK WASHER 1/2
Price
N/A
6109
CAP SCREW 1/2-12 X 1
Price
N/A
6111
CAP SCREW 5/16-18 X 3/4
Price
N/A
6112
Now: PB09M
HEX BOLT M8-1.25 X 20
Price
N/A
6113
AIR CYLINDER
$384.75
Enter quantity between 1 and 99
6114
LIMIT SWITCH HOLDER L-TYPE
$13.50
Enter quantity between 1 and 99
6115
LIMIT SWITCH CERAMIC ASSY
$94.30
Enter quantity between 1 and 99
6115-1
LIMIT SWITCH W/PLASTIC TIP
$71.90
Enter quantity between 1 and 99
6116
LIMIT SWITCH CERAMIC TIP
Price
N/A
6117
LIMIT SWITCH HOLDER
$13.60
Enter quantity between 1 and 99
6118
AIR NOZZLE FEMALE
Price
N/A
6119
AIR FORK
Price
N/A
6120
AIR SENSOR NOZZLE MALE
Price
N/A
6121
Now: PLW04
LOCK WASHER 3/8
Price
N/A
6122
THROTTLE VALVE BASE
$8.65
Enter quantity between 1 and 99
6123
PLATE
$16.35
Enter quantity between 1 and 99
6124
***SEE EXT. DESCRIPTION***
Item is no longer available
Price
N/A
6124A
ALUMINUM DISC ASSY
$551.95
Enter quantity between 1 and 99
6125
OIL CAP
$76.40
Enter quantity between 1 and 99
6126
ALUMINUM PLATE
Price
N/A
6127
Now: PS52M
PHLP HD SCR M4-.7 X 20
Price
N/A
6128
SANDING BELT POWER OFF PLATE
$40.50
Enter quantity between 1 and 99
6129
Now: PN11
HEX NUT 3/8-24
Price
N/A
6131
Now: PLW01
LOCK WASHER 5/16
Price
N/A
6132
Now: PB07
HEX BOLT 5/16-18 X 3/4
Price
N/A
6133
Now: PS08
PHLP HD SCR 10-24 X 3/4
Price
N/A
6134
Now: PN07
HEX NUT 10-24
Price
N/A
6135
CONNECTOR OF OIL CAP
Price
N/A
6136
SHAFT OF OIL CAP
$12.85
Enter quantity between 1 and 99
6201
UPPER ROLLER BRACKET
$131.05
Enter quantity between 1 and 99
6202
UPPER ROLLER
$583.90
Enter quantity between 1 and 99
6203
ROLLER BRACKET UPPER
Price
N/A
6204
CARTRIDGE BEARING UCC205
Price
N/A
6205
SET SCREW M6-1 X 6
Price
N/A
6206
CAP SCREW 10-24 X 3/4
Price
N/A
6207
Now: PLW04
LOCK WASHER 3/8
Price
N/A
6208
FILTER
$4.30
Enter quantity between 1 and 99
6212
Now: PLW04
LOCK WASHER 3/8
Price
N/A
6213
CAP SCREW 3/8-16 X 3/4
Price
N/A
6301
TRIMMING ADJUSTER
$38.55
Enter quantity between 1 and 99
6302
ECCENTRIC ROD
$64.15
Enter quantity between 1 and 99
6303
CAP SCREW 1/2-12 X 3-1/2
Price
N/A
6304
Now: PW01
FLAT WASHER 1/2
Price
N/A
6305
ECCENTRIC
Price
N/A
6306
UNIVERSAL JOINT FORK
$25.90
Enter quantity between 1 and 99
6307
OSCILLATION AIR CYLINDER 30 X 4 V2.01.14
Price
N/A
6308
Now: PN27M
HEX NUT M10-1.5 LH
Price
N/A
6309
*DISCD*AIR CYLINDER SHAFT
$19.85
Enter quantity between 1 and 99
6310
Now: PN06
HEX NUT 1/2-12
Price
N/A
6311
*DISCD*BOTTOM COVER
$39.70
Enter quantity between 1 and 99
6312
OSCILLATION AIR CYLINDER 30 X 4 V2.01.14
Price
N/A
6313
OSCILLATION AIR CYLINDER 30 X 4 V2.01.14
Price
N/A
6314
FLAT HD SCR M6-1 X 12
Price
N/A
6315
OSCILLATION AIR CYLINDER 30 X 4 V2.01.14
Price
N/A
6316
*DISCD*TOP COVER
$39.70
Enter quantity between 1 and 99
6317
Now: PN07
HEX NUT 10-24
Price
N/A
6318
Now: PS08
PHLP HD SCR 10-24 X 3/4
Price
N/A
6319
*DISCD*PHLP HD SCR M5-0.8 X 15
$23.60
Enter quantity between 1 and 99
6320
FRAME OF ECCENTRIC SHAFT
$33.35
Enter quantity between 1 and 99
6321
AIR VALVE
$68.45
Enter quantity between 1 and 99
6322
Now: PN02
HEX NUT 5/16-18
Price
N/A
6323
OSCILLATION AIR CYLINDER 30 X 4 V2.01.14
Price
N/A
6323V2
OSCILLATION AIR CYLINDER 30 X 4 V2.01.14
$164.55
Enter quantity between 1 and 99
6324
Now: PB11
HEX BOLT 5/16-18 X 1-1/2
Price
N/A
6325
***USE P08191824***
Price
N/A
7101
UPPER FRAME COVER V1
$1,321.05
Enter quantity between 1 and 99
7101V2
UPPER FRAME COVER V2.01.22
$2,061.25
Enter quantity between 1 and 99
7102
DUST HOOD
$21.75
Enter quantity between 1 and 99
7103
Now: PS14M
PHLP HD SCR M6-1 X 12
Price
N/A
7104
DOOR LEFT UPPER FRAME
$417.80
Enter quantity between 1 and 99
7105
DOOR RIGHT UPPER FRAME
$406.95
Enter quantity between 1 and 99
7106
DOOR LOCK (SQUARE KEY)
Price
N/A
7107
Now: PB07
HEX BOLT 5/16-18 X 3/4
Price
N/A
7108
Now: PW07
FLAT WASHER 5/16
Price
N/A
7109
DOOR RIGHT LOWER FRAME
$406.95
Enter quantity between 1 and 99
7109-1
DOOR LEFT LOWER FRAME
$417.80
Enter quantity between 1 and 99
7110
Now: PFH03
FLAT HD SCR 1/4-20 X 1/2
Price
N/A
7111
FRONT PROTECTION AL PLATE
$76.10
Enter quantity between 1 and 99
8101
ELECTRICAL CONTROL BOX
$144.90
Enter quantity between 1 and 99
8102
HINGE
$10.30
Enter quantity between 1 and 99
8103
ELECTRICAL CONTROL BOX OF DOOR
$50.75
Enter quantity between 1 and 99
8104
BASE PLATE
$85.75
Enter quantity between 1 and 99
8105
Now: PN05
HEX NUT 1/4-20
Price
N/A
8106
Now: PLW02
LOCK WASHER 1/4
Price
N/A
8107
*DISCD*CONTROL PANEL
Price
N/A
8108
Now: PS07M
PHLP HD SCR M4-.7 X 8
Price
N/A
8109
PROPORTIONAL CURRENT DEVICE
$55.55
Enter quantity between 1 and 99
8111
*DISCD*MAGNETIC CONTACTOR TELE LC1D50 V1
Item is no longer available
Price
N/A
8111TE
CONTACTOR LC1D50A TE V2.11.10
Price
N/A
8111V2
CONTACTOR LC1D50A TE V2.11.10
$153.40
Enter quantity between 1 and 99
8112
OL RELAY TELE LR3D3359 48-65A V1
$150.40
Enter quantity between 1 and 99
8112TE
OL RELAY TELE LR3D3359 48-65A V1
Price
N/A
8112V2
OL RELAY TELE LR3D3359 48-65A V1
Price
N/A
8113
FUSE 4A GL CT 2PC V1.07.05
Price
N/A
8113-1
***USE P9962ZX8113-1***
$29.95
Enter quantity between 1 and 99
8113-2
FUSE 4A V1.08.02
Price
N/A
8113-3
FUSE 4A V1.08.02
Price
N/A
8113V2
FUSE HOUSING KTK-4 BUSSMANN 2PC V2.03.10
$86.40
Enter quantity between 1 and 99
8113V2-1
FUSE BUSSMAN KTK-4 FA 100KA 600V
Price
N/A
8114
OL RELAY SCHN LR3D12 5.5-8A
Price
N/A
8114TE
OL RELAY SCHN LR3D12 5.5-8A
Price
N/A
8114V2
OL RELAY SCHN LR3D12 5.5-8A
Price
N/A
8115
CONTACTOR SCHN LC1D09 220V
Price
N/A
8115-1
MAG CONTACTOR LCD1D096 220V TE W/LOCK V1
$82.75
Enter quantity between 1 and 99
8115-1TE
MAG CONTACTOR LCD1D096 220V TE W/LOCK V1
Price
N/A
8115-1V2
MAG CONTACTOR LCD1D096 220V TE W/LOCK V1
Price
N/A
8115-2
MAGNETIC CONTACTOR TOP 220V TE
$9.10
Enter quantity between 1 and 99
8115TE
***USE PH29338115***
Price
N/A
8115V2
***USE PH29338115***
Price
N/A
8116
POWER WIRE TERMINAL 3P110A V1.08.02
$71.90
Enter quantity between 1 and 99
8116V2
POWER TERMINAL BLOCK ENTRELEC V2.03.10
$129.25
Enter quantity between 1 and 99
8117
Now: PS51M
PHLP HD SCR M4-.7 X 30
Price
N/A
8118
TERMINAL PLATE IN13BK MARK V1.08.02
$119.55
Enter quantity between 1 and 99
8118V2
TERMINAL BLOCK ENTRELEC V2.03.10
$227.65
Enter quantity between 1 and 99
8119
Now: PW06
FLAT WASHER 1/4
Price
N/A
8120
Now: PLW02
LOCK WASHER 1/4
Price
N/A
8121
Now: PB19
HEX BOLT 1/4-20 X 1/2
Price
N/A
8122
PU CONNECTOR 1/2"
$5.50
Enter quantity between 1 and 99
8123
PU CONNECTOR 3/4"
$5.50
Enter quantity between 1 and 99
8124
CABLE CONNECTOR 1"
$5.50
Enter quantity between 1 and 99
8126
AMP METER, DIGITAL
$40.50
Enter quantity between 1 and 99
8126A
DIGITAL AMP METER V2.02.06
Price
N/A
8128-1
START SWITCH
Price
N/A
8128-2
START SWITCH
Price
N/A
8128-3
*DISCD*UP/DOWN TABLE ELEVATION SWITCH
Item is no longer available
Price
N/A
8129-1
BUTTON SWITCH, YK 10A 250V RED
Price
N/A
8129-2
BUTTON SWITCH, YK 10A 250V RED
Price
N/A
8129-3
*DISCD*STOP SWITCH
Item is no longer available
Price
N/A
8130
POWER INDICATOR LIGHT 220V 22MM WHT
Price
N/A
8131
E-STOP BUTTON 250V 10A
Price
N/A
8132
WIRE COLUMN
$121.40
Enter quantity between 1 and 99
8133
COMPUTER W/CONTROL PANEL
Price
N/A
8134
*DISCD*OL RELAY SCHN LT47 5-60A
Price
N/A
8134V2
*DISCD*OL RELAY SCHN LT47 5-60A
Price
N/A
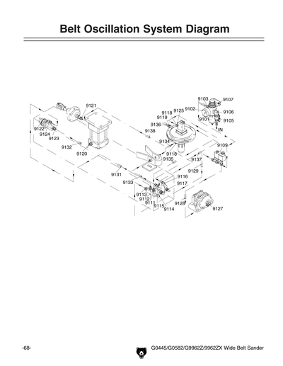
9101
FILTER CUP W/PRESSURE REGULATOR
$212.20
Enter quantity between 1 and 99
9102
GAUGE ASSEMBLY
$171.50
Enter quantity between 1 and 99
9102-1
PRESSURE REGULATOR GAUGE 1/4"
$32.65
Enter quantity between 1 and 99
9103
BRONZE CONNECTOR
$5.50
Enter quantity between 1 and 99
9104
FLEXIBLE HOSE
$4.60
Enter quantity between 1 and 99
9105
AIR SWITCH
Price
N/A
9106
ELBOW
$5.50
Enter quantity between 1 and 99
9107
Now: PS22
PHLP HD SCR 10-24 X 5/8
Price
N/A
9108
ELBOW
$5.50
Enter quantity between 1 and 99
9109
SOLENOID VALVE
$100.90
Enter quantity between 1 and 99
9109-1
SOLENOID WIRING HARNESS
$11.50
Enter quantity between 1 and 99
9110
T-JOINT
$5.50
Enter quantity between 1 and 99
9111
CONNECTOR 5/16 X 1/4T BRONZE
Price
N/A
9112
MULTIPLE HOSE CONNECTOR
$10.30
Enter quantity between 1 and 99
9113
CONNECTOR, BRONZE
$5.50
Enter quantity between 1 and 99
9114
ELBOW 1/4N X 1/8T X 90 DEG, BRONZE
$5.50
Enter quantity between 1 and 99
9115
CONNECTOR 1/4N X 1/8T X 90 DEG
$5.50
Enter quantity between 1 and 99
9116
CONNECTOR 1/4N X 1/8T X 90 DEG
$4.60
Enter quantity between 1 and 99
9117
THROTTLE VALVE
Price
N/A
9118
CONNECTOR, BRONZE
$4.35
Enter quantity between 1 and 99
9119
CONNECTOR 1/4N
Price
N/A
9120
CONNECTOR 1/4N X 3/8T
$5.50
Enter quantity between 1 and 99
9121
PLASTIC CONNECTOR
$5.50
Enter quantity between 1 and 99
9122
AIR SWITCH
Price
N/A
9123
***USE P0539518***
Price
N/A
9124
CONNECTOR 1/4N X 1/8T-90-DEG
Price
N/A
9125
BUFFER BRONZE
Price
N/A
9126
MULTIPLE HOLE CONNECTOR
$10.30
Enter quantity between 1 and 99
9127
CONNECTOR 5/16N X 1/8T X 90 DEG
$4.85
Enter quantity between 1 and 99
9128
FLEXIBLE HOSE 8MM
$4.60
Enter quantity between 1 and 99
9129
FLEXIBLE HOSE 8MM
$4.60
Enter quantity between 1 and 99
9130
*DISCD*FLEXIBLE HOSE
Item is no longer available
Price
N/A
9131
FLEXIBLE HOSE 6MM
$4.60
Enter quantity between 1 and 99
9132
FLEXIBLE HOSE 6MM
$4.60
Enter quantity between 1 and 99
9133
FLEXIBLE HOSE 6MM
$4.60
Enter quantity between 1 and 99
9134
FLEXIBLE HOSE 6MM
$4.60
Enter quantity between 1 and 99
9135
FLEXIBLE HOSE 6MM
$4.60
Enter quantity between 1 and 99
9136
FLEXIBLE HOSE 6MM
$4.60
Enter quantity between 1 and 99
9137
FLEXIBLE HOSE 6MM
$4.60
Enter quantity between 1 and 99
9138
FLEXIBLE HOSE 6MM
$4.60
Enter quantity between 1 and 99
MANUAL
MANUAL FOR G9962Z/ZX 10/05
$14.65
Enter quantity between 1 and 99
P05826325
***USE P08191824***
Price
N/A