Parts for G9962ZX 24" 10 HP 3-Phase Wide-Belt Sander

Parts Diagrams for G9962ZX - 24" 10 HP 3-Phase Wide-Belt Sander

IMPORTANT

Parts may have multiple versions that have changed over time. This will be indicated by V1, V2, V3, etc. in the parts description, followed by the version month and year that it was first used. Example: V2.01.17 indicates version 2 of a part went into use in January 2017. Please reference the manufacture date on the ID Label for your machine to ensure you are selecting the correct part when multiple versions are indicated.

If you cannot locate your part below, please contact our tech support department at techsupport@grizzly.com or 570-546-9663.

Please note: All parts ship out of our Springfield, Missouri facility.

Parts List for Parts for G9962ZX 24" 10 HP 3-Phase Wide-Belt Sander

2
LIMIT SWITCH CERAMIC TIP
Price
N/A
3
TOOL BOX
Price
N/A
6
DOOR HANDLE
Price
N/A
7
*DISCD*SANDING BELT
Price
N/A
8
PHLP HD SCREWDRIVER
Price
N/A
9
FLAT HD SCREWDRIVER
Price
N/A
10
WRENCH 8 X 10MM OPEN-ENDS
Price
N/A
11
WRENCH 12 X 14MM OPEN-ENDS
Price
N/A
12
WRENCH 17 X 19MM OPEN-ENDS
Price
N/A
13
WRENCH 8 X 10MM OPEN-ENDS
Price
N/A
1101
MACHINE FRAME
Price
N/A
1102
MOTOR BASE
$170.30
Enter quantity between 1 and 99
1103
MOTOR BASE HINGE
Price
N/A
1104
Now: PN06
HEX NUT 1/2-12
Price
N/A
1105
MOTOR BASE ADJUSTMENT ROD
Price
N/A
1106
Now: PLW07
LOCK WASHER 1/2
Price
N/A
1107
Now: PB24
HEX BOLT 3/8-16 X 1-1/4
Price
N/A
1108
Now: PW01
FLAT WASHER 1/2
Price
N/A
1109
SANDING BELT MOTOR 10HP 220V/440V 3-PH
$1,100.05
Enter quantity between 1 and 99
1109-1
MOTOR FAN
$6.05
Enter quantity between 1 and 99
1109-2
MOTOR FAN COVER
$10.90
Enter quantity between 1 and 99
1110
PULLEY
Price
N/A
1111
CAP SCREW 5/16-18 X 1-1/4
Price
N/A
1112
Now: PLW01
LOCK WASHER 5/16
Price
N/A
1113
KEY 8 X 10 X 75
Price
N/A
1114
Now: PB03
HEX BOLT 5/16-18 X 1
Price
N/A
1115
LOCK WASHER 8MM
Price
N/A
1116
DISK BRAKE
Price
N/A
1117
Now: PVB77
V-BELT B77
Price
N/A
1118
PULLEY BUSHING
Price
N/A
1119
Now: PVB77
V-BELT B77
Price
N/A
1121
BRAKE BRACKET
Price
N/A
1122
Now: PW02
FLAT WASHER 3/8
Price
N/A
1123
Now: PB21
HEX BOLT 3/8-16 X 3/4
Price
N/A
1124
FLAT HEAD NUT
Price
N/A
1125
CAP SCREW 1/4-20 X 3/4
Price
N/A
1126
LIMIT SWITCH
Price
N/A
1127
LIMIT SWITCH PLATE
Price
N/A
1128
Now: PB19
HEX BOLT 1/4-20 X 1/2
Price
N/A
1129
Now: PW06
FLAT WASHER 1/4
Price
N/A
1130
CAP SCREW 5/16-18 X 3/4
Price
N/A
1131
FIXING COVER OF MOTOR BASE
Price
N/A
117
*DISCD*BELT B77
Item is no longer available
Price
N/A
1201
*DISCD*IDLE WHEEL ADJ BRACKET
Item is no longer available
Price
N/A
1202
*DISCD*SPRING WASHER 3/4"
Item is no longer available
Price
N/A
1203
*DISCD*NUT 3/4"
Item is no longer available
Price
N/A
1204
*DISCD*PLAIN WASHER 3/4"
Item is no longer available
Price
N/A
1205
*DISCD*SCREW 3/8"
Item is no longer available
Price
N/A
1206
*DISCD*NUT 3/8"
Item is no longer available
Price
N/A
1208
*DISCD*IDLE WHEEL SHAFT
Item is no longer available
Price
N/A
1209
*DISCD*BEARING 6205-2RS
Item is no longer available
Price
N/A
1210
*DISCD*PULLEY
Item is no longer available
Price
N/A
1211
*DISCD*BEARING 6006-2RS
Item is no longer available
Price
N/A
1212
*DISCD*"C" CIRCLIP S25
Item is no longer available
Price
N/A
1213
*DISCD*BELT A40
Item is no longer available
Price
N/A
1301
BRAKE BRACKET
Price
N/A
1301-1
BRACKET FRONT GUARD
Price
N/A
1301-313
COMPLETE BRAKE ASSY
Price
N/A
1302-1
BRAKE LINING
$38.55
Enter quantity between 1 and 99
1302-2
BRAKE LINING
$38.55
Enter quantity between 1 and 99
1303
BRAKE ARBOR
Price
N/A
1304
BRAKE SPRING 3.3 X 24.5 X 24
Price
N/A
1305
BRAKE ARBOR PLATE
Price
N/A
1306
FLAT HD SCR M6-1 X 25
Price
N/A
1307
BRAKE PIN
Price
N/A
1308
CAP SCREW M5-.8 X 15
Price
N/A
1309
*DISCD*"C" CIRCLIP S12
Item is no longer available
Price
N/A
1310
Now: PLW04
LOCK WASHER 3/8
Price
N/A
1311
Now: PN08
HEX NUT 3/8-16
Price
N/A
1312
CAP SCREW M6-1 X 12
Price
N/A
1313
BRAKE GASKET
Price
N/A
200
MACHINE ID LABEL
$16.40
Enter quantity between 1 and 99
201
DISCONNECT SANDER 220V 2W X 3.3H
Price
N/A
202
DONT OPEN 2W X 3.3H
Price
N/A
203
SANDER BELT PINCH 4W X 2.1H
Price
N/A
204
DUST MASK 2W X 3.3H V1
Price
N/A
205
EMERGENCY STOP LABEL
Price
N/A
206
ROTATION LABEL
Price
N/A
207
SAFETY GLASSES 2W X 3.3H V2.04.08
Price
N/A
208
READ MANUAL 2W X 3.3H V2.07.05
Price
N/A
209
CONTROL PANEL LABEL
Price
N/A
210
MM CONVERSION CHART 3.6W X 5.5H
Price
N/A
2101
ELEVATION SCREW 1 X 5 X 280
Price
N/A
2102
Now: PB03
HEX BOLT 5/16-18 X 1
Price
N/A
2103
Now: PW07
FLAT WASHER 5/16
Price
N/A
2104
Now: PLW01
LOCK WASHER 5/16
Price
N/A
2105
Now: PLW04
LOCK WASHER 3/8
Price
N/A
2106
Now: PB18
HEX BOLT 3/8-16 X 1
Price
N/A
2107
ELEVATION SLIDE
Price
N/A
2108
DUST GUARD BELLOW
Price
N/A
2109
Now: PB07
HEX BOLT 5/16-18 X 3/4
Price
N/A
211
AMP LOAD LABEL
$13.15
Enter quantity between 1 and 99
2110
Now: PLW01
LOCK WASHER 5/16
Price
N/A
2111
CHAIN
Price
N/A
212
AMP METER LABEL
Price
N/A
213
SANDER REAR EJECT 5.3W X 2.8H V2.04.08
Price
N/A
214
MACHINE DATA LABEL
$2.65
Enter quantity between 1 and 99
215
DANGER STRIPE LABEL
Price
N/A
216
PREWIRED FOR 440V LABEL
$18.90
Enter quantity between 1 and 99
217
ELECTRICAL LABEL
Price
N/A
219
GRIZZLY LOGO PLATE
$19.10
Enter quantity between 1 and 99
2201
SPROCKET SHAFT HOUSING
Price
N/A
2201-206
SET OF NUT HOUSING
Price
N/A
2202
SPROCKET SHAFT
Price
N/A
2203
THRUST BEARING 51107
Price
N/A
2204
Now: PR12M
EXT RETAINING RING 35MM
Price
N/A
2206
LEADSCREW SPROCKET 24T
Price
N/A
2301
ELEVATION GEAR BOX
Price
N/A
2302
WORM GEAR
Price
N/A
2303
BALL BEARING 6005ZZ
Price
N/A
2304
BEARING CAP
Price
N/A
2305
CAP SCREW 1/4-20 X 3/4
Price
N/A
2306
WORM GEAR
Price
N/A
2307
BALL BEARING 6002ZZ
Price
N/A
2308
BEARING CAP
Price
N/A
2309
CAP SCREW 10-24 X 5/8
Price
N/A
2310
BEARING CAP
Price
N/A
2311
HEX SOC HD CAP SCR 1/4
$3.65
Enter quantity between 1 and 99
2312
SPROCKET WHEEL
Price
N/A
2313
Now: PSS07
SET SCREW 1/4-20 X 1/2
Price
N/A
2314
PULLEY
Price
N/A
2315
Now: PVA37
V-BELT A37
Price
N/A
2316
PULLEY
Price
N/A
2317
Now: PSS07
SET SCREW 1/4-20 X 1/2
Price
N/A
2318
Now: PLW01
LOCK WASHER 5/16
Price
N/A
2319
Now: PB07
HEX BOLT 5/16-18 X 3/4
Price
N/A
2320
Now: PSS06
SET SCREW 1/4-20 X 3/4
Price
N/A
2321
HAND WHEEL
Price
N/A
2322
MOTOR BASE
$58.00
Enter quantity between 1 and 99
2323
Now: PB54
HEX BOLT 1/2-20 X 1
Price
N/A
2324
Now: PLW02
LOCK WASHER 1/4
Price
N/A
2325
MOTOR BASE ADJUSTMENT ROD
Price
N/A
2326
Now: PW01
FLAT WASHER 1/2
Price
N/A
2327
Now: PN06
HEX NUT 1/2-12
Price
N/A
2328
Now: PLW07
LOCK WASHER 1/2
Price
N/A
2331
MOTOR 1/3 HP
$220.80
Enter quantity between 1 and 99
2331-1
MOTOR FAN
Price
N/A
2331-2
MOTOR FAN COVER
Price
N/A
2332
Now: PN21
HEX NUT 1/4-28
Price
N/A
2333
Now: PB89
HEX BOLT 1/2-12 X 4-1/2
Price
N/A
2334
PROXIMITY SWITCH PLATE
Price
N/A
2335
SCREW 1/4-20 X 3/4"
$3.05
Enter quantity between 1 and 99
2336
PROXIMITY SWITCH
Price
N/A
2337
Now: PS97M
PHLP HD SCR M3-.5 X 34
Price
N/A
2338
Now: PN07M
HEX NUT M3-.5
Price
N/A
2339
Now: PK14
KEY 5/16 X 5/16 X 3/4
Price
N/A
2340
Now: PK48M
KEY 4 X 4 X 20
Price
N/A
2341
Now: PK37M
KEY 4 X 4 X 16
Price
N/A
2401
CHAIN TENSIONER BRACKET
Price
N/A
2401-410
SET OF SPROCKET WHEEL
Price
N/A
2402
SPROCKET SHAFT
Price
N/A
2403
Now: G3850
Bearing - 35mm x 17mm
Price
N/A
2404
SPROCKET WHEEL
Price
N/A
2405
SPROCKET WHEEL ADJUSTMENT ROD
Price
N/A
2406
Now: PW02
FLAT WASHER 3/8
Price
N/A
2407
Now: PN08
HEX NUT 3/8-16
Price
N/A
2408
Now: PN02
HEX NUT 5/16-18
Price
N/A
2409
Now: PLW01
LOCK WASHER 5/16
Price
N/A
2410
Now: PB07
HEX BOLT 5/16-18 X 3/4
Price
N/A
3101
CONVEYOR TABLE
$1,321.05
Enter quantity between 1 and 99
3102
CONVEYOR BELT
Price
N/A
3103
GEARBOX FIX PLATE
Price
N/A
3104
CUSHION
Price
N/A
3105
Now: PW02
FLAT WASHER 3/8
Price
N/A
3106
Now: PB18
HEX BOLT 3/8-16 X 1
Price
N/A
3107
OUTFEED ROLLER
Price
N/A
3108
MOUNTED BEARING UCF205
Price
N/A
3109
REDUCER
$1,578.10
Enter quantity between 1 and 99
3110
PLUG
Price
N/A
3111
PLUG
Price
N/A
3112
MOUNTED BEARING UCF205
Price
N/A
3113
Now: PLW04
LOCK WASHER 3/8
Price
N/A
3114
Now: PB24
HEX BOLT 3/8-16 X 1-1/4
Price
N/A
3115
BEARING CAP
Price
N/A
3116
DRIVEN PULLEY
Price
N/A
3117
Now: PB16
HEX BOLT 3/8-16 X 1-1/2
Price
N/A
3118
DRIVING PULLEY
$347.80
Enter quantity between 1 and 99
3119
Now: PK66M
KEY 7 X 7 X 55
Price
N/A
3120
Now: PB07M
HEX BOLT M8-1.25 X 25
Price
N/A
3121
LOCK WASHER 8MM
Price
N/A
3123
FEED MOTOR 1HP 220V/440V 3-PH
$365.90
Enter quantity between 1 and 99
3123-1
MOTOR FAN
$9.70
Enter quantity between 1 and 99
3123-2
MOTOR FAN COVER
$15.70
Enter quantity between 1 and 99
3123-3
MOTOR TERMINAL BOX
$56.20
Enter quantity between 1 and 99
3124
Now: PLW06
LOCK WASHER 5/8
Price
N/A
3126
TIMING BELT
Price
N/A
3127
CAP SCREW M10-1.5 X 25
Price
N/A
3128
VARIABLE SPEED UNIT BASE PLATE & COVER
Price
N/A
3129
VARIABLE SPEED UNIT COVER
$179.35
Enter quantity between 1 and 99
3130
SET SCREW M8-1.25 X 20
Price
N/A
3131
INFEED ROLLER BRACKET
Price
N/A
3132
CAP SCREW 10-24 X 3/4
Price
N/A
3133
INFEED ROLLER BRACKET
Price
N/A
3135
CONVEYOR BELT POSITIONING WHEEL
Price
N/A
3136
CAP SCREW 5/16-18 X 2
Price
N/A
3137
Now: PLW01
LOCK WASHER 5/16
Price
N/A
3138
Now: PN02
HEX NUT 5/16-18
Price
N/A
3140
EMGNCY BRAKE PUSH-PLATE
Price
N/A
3141
Now: PS04
PHLP HD SCR 1/4-20 X 1/2
Price
N/A
3142
LIMIT SWITCH
Price
N/A
3143
Now: PS10
PHLP HD SCR 10-24 X 1-1/2
Price
N/A
3144
HEX HD BOLT 1/2 X 3"
Price
N/A
3201
INFEED ROLLER SHAFT
Price
N/A
3202
INFEED ROLLER
Price
N/A
3203
BALL BEARING 6206ZZ
Price
N/A
3204
Now: PR15M
EXT RETAINING RING 30MM
Price
N/A
3205
ELEVATION ALUMINUM LIMITER
Price
N/A
3206
CAP SCREW 1/4-20 X 1-1/2
Price
N/A
4103
SPRING 2 X 16 X 60
Price
N/A
4106
*DISCD*SCREW 5/16"
Item is no longer available
Price
N/A
4107
Now: PN02
HEX NUT 5/16-18
Price
N/A
4108
Now: PB12
HEX BOLT 5/16-18 X 1-1/4
Price
N/A
4109
Now: PLW01
LOCK WASHER 5/16
Price
N/A
4201
PISTON ROLLER SHAFT
Price
N/A
4201-205
SET OF PISTON ROLLER
Price
N/A
4202
PISTON ROLLER
Price
N/A
4203
BALL BEARING 6001-2RS
Price
N/A
4204
SHAFT BEARING COLLER
Price
N/A
4205
Now: PSS07
SET SCREW 1/4-20 X 1/2
Price
N/A
4301
GUIDE STUD-SE 3/8-16 X 4-5/16 1-3/8
Price
N/A
4302
PISTON BRACKET MIDDLE
Price
N/A
4303
ROLL PIN 3 X 27
Price
N/A
4304
ROCKER ARM (RIGHT)
Price
N/A
5104
CARTRIDGE BEARING UCC206
Price
N/A
5107
Now: PK11
KEY 5/16 X 5/16 X 1-3/16
Price
N/A
5108
Now: PLW01
LOCK WASHER 5/16
Price
N/A
5110
Now: PLW07
LOCK WASHER 1/2
Price
N/A
5111
CAP SCREW 1/2-12 X 1-1/2
Price
N/A
5112
Now: PB40
HEX BOLT 1/2-12 X 1-1/4
Price
N/A
5113
*DISCD*BEARING CAP
Item is no longer available
Price
N/A
5114
GREASE FITTING 1/4-28 STRAIGHT
Price
N/A
5115
GREASE FITTING 90 DEG W/CAP
Price
N/A
5116
BEARING HOUSING PLUG
Price
N/A
5203
SET SCREW M6-.75 X 6
Price
N/A
5204
CARTRIDGE BEARING UCC205
Price
N/A
5205
HANDLE
Price
N/A
5206
FLAT HD SCR
$20.55
Enter quantity between 1 and 99
5401
BEARING HOUSING
Price
N/A
5402
RUBBER ROLLER
Price
N/A
5403
FASTENING TUBE
Price
N/A
5405
PULLEY
Price
N/A
5406
CAP SCREW 5/16-18 X 1-1/4
Price
N/A
5407
BEARING HOUSING
Price
N/A
5408
BEARING BRACKET PAD
Price
N/A
5409
BALL BEARING 6205-2RS
Price
N/A
5410
SCREW CAP
$2.30
Enter quantity between 1 and 99
5411
BEARING CAP
$33.35
Enter quantity between 1 and 99
5417
COVER OF PULLEY
Price
N/A
6101
SQUARE FRAME
Price
N/A
6103
RIGHT SQUARE FRAME SEAL
Price
N/A
6104
LEFT SQUARE FRAME SEAL
Price
N/A
6105
Now: PFH03
FLAT HD SCR 1/4-20 X 1/2
Price
N/A
6106
Now: PLW04
LOCK WASHER 3/8
Price
N/A
6107
Now: PB18
HEX BOLT 3/8-16 X 1
Price
N/A
6108
Now: PLW07
LOCK WASHER 1/2
Price
N/A
6109
Now: PB53
HEX BOLT 1/2-12 X 1
Price
N/A
6111
CAP SCREW 5/16-18 X 3/4
Price
N/A
6112
Now: PB09M
HEX BOLT M8-1.25 X 20
Price
N/A
6113
AIR CYLINDER
Price
N/A
6114
LIMIT SWITCH HOLDER L-TYPE
Price
N/A
6115
LIMIT SWITCH CERAMIC ASSY
Price
N/A
6116
LIMIT SWITCH CERAMIC TIP
Price
N/A
6117
LIMIT SWITCH HOLDER
Price
N/A
6118
AIR SENSOR NOZZLE FEMALE
$6.65
Enter quantity between 1 and 99
6119
AIR FORK
Price
N/A
6120
AIR SENSOR NOZZLE MALE
$6.65
Enter quantity between 1 and 99
6121
Now: PLW04
LOCK WASHER 3/8
Price
N/A
6122
THROTTLE VALVE BASE
Price
N/A
6123
PLATE
Item is no longer available
Price
N/A
6124
ALUMINUM DISC
$324.85
Enter quantity between 1 and 99
6125
OIL CAP
Price
N/A
6126
ALUMINUM PLATE
$21.40
Enter quantity between 1 and 99
6127
Now: PS52M
PHLP HD SCR M4-.7 X 20
Price
N/A
6128
SANDING BELT POWER OFF PLATE
Price
N/A
6129
Now: PN11
HEX NUT 3/8-24
Price
N/A
6131
Now: PLW01
LOCK WASHER 5/16
Price
N/A
6132
Now: PB07
HEX BOLT 5/16-18 X 3/4
Price
N/A
6133
Now: PS08
PHLP HD SCR 10-24 X 3/4
Price
N/A
6134
Now: PN07
HEX NUT 10-24
Price
N/A
6135
CONNECTOR OF OIL CAP
Price
N/A
6136
SHAFT OF OIL CAP
Price
N/A
6139
CAP SCREW 5/16-18 X 2-1/4
Price
N/A
6140
FLAT HD SCR M4-.7 X 12
Price
N/A
6201
UPPER ROLLER BRACKET
Price
N/A
6202
UPPER ROLLER
Price
N/A
6203
ROLLER BRACKET UPPER
Price
N/A
6204
CARTRIDGE BEARING UCC205
Price
N/A
6205
SET SCREW M6-1 X 6
Price
N/A
6206
CAP SCREW 10-24 X 3/4
Price
N/A
6207
Now: PLW04
LOCK WASHER 3/8
Price
N/A
6208
FILTER
Price
N/A
6212
Now: PLW04
LOCK WASHER 3/8
Price
N/A
6213
CAP SCREW 3/8-16 X 3/4
Price
N/A
6301
TRIMMING SCREW
Price
N/A
6302
***USE P9962Z6302***
$72.45
Enter quantity between 1 and 99
6303
CAP SCREW 1/2-12 X 3-1/2
Price
N/A
6304
Now: PW01
FLAT WASHER 1/2
Price
N/A
6305
ECCENTRIC
Price
N/A
6306
CLEVIS ASSEMBLY
Price
N/A
6307
OSCILLATION AIR CYLINDER 30 X 4 V2.01.14
Price
N/A
6308
Now: PN27M
HEX NUT M10-1.5 LH
Price
N/A
6309
OSCILLATION AIR CYLINDER 30 X 4 V2.01.14
Price
N/A
6309-318
SET OF AIR CYLINDER
$144.90
Enter quantity between 1 and 99
6310
Now: PN06
HEX NUT 1/2-12
Price
N/A
6311
OSCILLATION AIR CYLINDER 30 X 4 V2.01.14
Price
N/A
6312
SPRING
$2.60
Enter quantity between 1 and 99
6313
ALUMINUM PLATE
$23.60
Enter quantity between 1 and 99
6314
FLAT HD SCR M6-1 X 12
Price
N/A
6315
*DISCD*PLATE
$12.10
Enter quantity between 1 and 99
6316
OSCILLATION AIR CYLINDER 30 X 4 V2.01.14
Price
N/A
6317
Now: PN07
HEX NUT 10-24
Price
N/A
6318
CAP SCREW 10-24 X 3/4
Price
N/A
6319
OSCILLATION AIR CYLINDER 30 X 4 V2.01.14
Price
N/A
6320
ECCENTRIC SHAFT FRAME
Price
N/A
6321
AIR VALVE
Price
N/A
6322
Now: PN02
HEX NUT 5/16-18
Price
N/A
6323
OSCILLATION AIR CYLINDER 30 X 4 V2.01.14
Price
N/A
6323V2
OSCILLATION AIR CYLINDER 30 X 4 V2.01.14
Price
N/A
6324
Now: PB11
HEX BOLT 5/16-18 X 1-1/2
Price
N/A
6325
***USE P08191824***
Price
N/A
7101
UPPER FRAME COVER V1
Price
N/A
7101V2
UPPER FRAME COVER V2.01.22
$2,061.25
Enter quantity between 1 and 99
7102
DUST HOOD
Price
N/A
7103
Now: PS14M
PHLP HD SCR M6-1 X 12
Price
N/A
7104
DOOR LEFT UPPER FRAME
Price
N/A
7105
DOOR RIGHT UPPER FRAME
Price
N/A
7106
DOOR LOCK (SQUARE KEY)
Price
N/A
7107
Now: PB07
HEX BOLT 5/16-18 X 3/4
Price
N/A
7108
Now: PW07
FLAT WASHER 5/16
Price
N/A
7109
DOOR RIGHT LOWER FRAME
Price
N/A
7109-1
DOOR LEFT LOWER FRAME
Price
N/A
7110
Now: PFH03
FLAT HD SCR 1/4-20 X 1/2
Price
N/A
7111
FRONT PROTECTION AL PLATE
Price
N/A
8101
ELECTRICAL CONTROL BOX
Price
N/A
8102
HINGE
Price
N/A
8103
ELECTRICAL CONTROL BOX OF DOOR
Price
N/A
8104
BASE PLATE
Price
N/A
8105
Now: PN05
HEX NUT 1/4-20
Price
N/A
8106
Now: PLW02
LOCK WASHER 1/4
Price
N/A
8107
CONTROL PANEL
Price
N/A
8108
Now: PS07M
PHLP HD SCR M4-.7 X 8
Price
N/A
8109
PROPORTIONAL CURRENT DEVICE
$55.55
Enter quantity between 1 and 99
8110
TRANSFORMER 250VA 440V-200/220V
Price
N/A
8110V2
TRANSFORMER 250VA 440V-200/220V
Price
N/A
8111
CONTACTOR SCHN LC1D38 220V
Price
N/A
8112
OL RELAY TELE LR3D-326 220V
$50.75
Enter quantity between 1 and 99
8113
FUSE HOUSING V1.08.02
$35.65
Enter quantity between 1 and 99
8113-1
FUSE 4A V1.08.02
$12.05
Enter quantity between 1 and 99
8113-2
FUSE 4A V1.08.02
Price
N/A
8113-3
FUSE 4A V1.08.02
Price
N/A
8113V2
FUSE HOUSING KTK-4 BUSSMANN 2PC V2.03.10
Price
N/A
8113V2-1
FUSE BUSSMAN KTK-4 FA 100KA 600V
Price
N/A
8114
OL RELAY SCHN LR3D08 2.5-4A
Price
N/A
8115
MAGNETIC CONTACTOR 220V TELEMECANIQUE
$53.15
Enter quantity between 1 and 99
8115-1
MAGNETIC CONTACTOR 220V TE
$124.15
Enter quantity between 1 and 99
8115-2
MAGNETIC CONTACTOR TOP 220V TE
$19.35
Enter quantity between 1 and 99
8116
POWER WIRE TERMINAL 4P100A TEND V1.08.02
$71.90
Enter quantity between 1 and 99
8116V2
POWER TERMINAL BLOCK ENTRELEC V2.03.10
$129.25
Enter quantity between 1 and 99
8117
Now: PS51M
PHLP HD SCR M4-.7 X 30
Price
N/A
8118
TERMINAL PLATE IN13BK MARK V1.08.02
Price
N/A
8118V2
TERMINAL BLOCK ENTRELEC V2.03.10
Price
N/A
8119
Now: PW06
FLAT WASHER 1/4
Price
N/A
8120
Now: PLW02
LOCK WASHER 1/4
Price
N/A
8121
Now: PB19
HEX BOLT 1/4-20 X 1/2
Price
N/A
8122
PU CONNECTOR 1/2"
Price
N/A
8123
PU CONNECTOR 3/4"
Price
N/A
8124
CABLE CONNECTOR 1"
Price
N/A
8126
AMP METER, DIGITAL
Price
N/A
8126A
DIGITAL AMP METER V2.02.06
Price
N/A
8128-1
START SWITCH
Price
N/A
8128-2
START SWITCH
Price
N/A
8128-3
START SWITCH
$20.55
Enter quantity between 1 and 99
8129-1
BUTTON SWITCH, YK 10A 250V RED
Price
N/A
8129-2
BUTTON SWITCH, YK 10A 250V RED
Price
N/A
8129-3
STOP SWITCH
$20.55
Enter quantity between 1 and 99
8130
POWER INDICATOR LIGHT 220V 22MM WHT
Price
N/A
8131
E-STOP BUTTON 250V 10A
Price
N/A
8132
WIRE COLUMN
Price
N/A
8133
COMPUTER W/CONTROL PANEL
Price
N/A
8135
OL RELAY SCHN LR3D21 12-18A
Price
N/A
8136
OL RELAY SCHN LR3D07 1.6-2.5A
Price
N/A
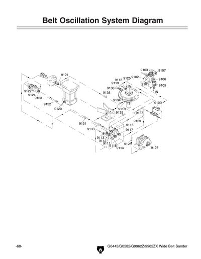
9101
PRESSURE REGULATOR W/PSI GAUGE
Price
N/A
9102
PRESSURE REGULATOR
$26.00
Enter quantity between 1 and 99
9103
BRONZE CONNECTOR
$5.50
Enter quantity between 1 and 99
9104
FLEXIBLE HOSE
Price
N/A
9105
AIR SWITCH
Price
N/A
9106
ELBOW
Price
N/A
9107
Now: PS22
PHLP HD SCR 10-24 X 5/8
Price
N/A
9108
ELBOW
$5.50
Enter quantity between 1 and 99
9109
SOLENOID VALVE
Price
N/A
9110
T-JOINT
$5.50
Enter quantity between 1 and 99
9111
CONNECTOR 5/16 X 1/4T BRONZE
Price
N/A
9112
MULTIPLE HOSE CONNECTOR
Price
N/A
9113
PLASTIC CONNECTOR
$5.50
Enter quantity between 1 and 99
9114
BRONZE ELBOW
$5.50
Enter quantity between 1 and 99
9115
CONNECTOR 1/4N X 1/8T X 90 DEG
Price
N/A
9116
CONNECTOR 1/4N X 1/8T-90-DEG
Price
N/A
9117
THROTTLE VALVE
Price
N/A
9118
CONNECTOR, BRONZE
Price
N/A
9119
CONNECTOR 1/4N
Price
N/A
9120
CONNECTOR 1/4N X 3/8T
Price
N/A
9121
PLASTIC CONNECTOR
$5.50
Enter quantity between 1 and 99
9122
AIR SWITCH
Price
N/A
9123
CONNECTOR, BRONZE
Price
N/A
9124
CONNECTOR 1/4N X 1/8T-90-DEG
Price
N/A
9125
BUFFER BRONZE
Price
N/A
9126
MULTIPLE HOLE CONNECTOR
$10.30
Enter quantity between 1 and 99
9127
PLASTIC CONNECTOR
$5.50
Enter quantity between 1 and 99
9128
FLEXIBLE HOSE 8MM
Price
N/A
9129
FLEXIBLE HOSE 8MM
Price
N/A
9130
*DISCD*FLEXIBLE HOSE
Item is no longer available
Price
N/A
9131
FLEXIBLE HOSE 6MM
Price
N/A
9132
FLEXIBLE HOSE 6MM
Price
N/A
9133
FLEXIBLE HOSE 6MM
Price
N/A
9134
FLEXIBLE HOSE 6MM
Price
N/A
9135
FLEXIBLE HOSE 6MM
Price
N/A
9136
FLEXIBLE HOSE 6MM
Price
N/A
9137
FLEXIBLE HOSE 6MM
Price
N/A
9138
FLEXIBLE HOSE 6MM
Price
N/A
9139
CONVERSION KIT 440V TE 220V V1.10.00
$112.95
Enter quantity between 1 and 99
9139A
CONVERSION KIT 440V LR3D-076 V2.04.03
$83.95
Enter quantity between 1 and 99
MANUAL
MANUAL FOR G9962Z/ZX 10/05
Price
N/A