Parts for H8170 Hydraulic / Electric Log Splitter

Parts Diagrams for H8170 - Hydraulic / Electric Log Splitter

IMPORTANT

Parts may have multiple versions that have changed over time. This will be indicated by V1, V2, V3, etc. in the parts description, followed by the version month and year that it was first used. Example: V2.01.17 indicates version 2 of a part went into use in January 2017. Please reference the manufacture date on the ID Label for your machine to ensure you are selecting the correct part when multiple versions are indicated.

If you cannot locate your part below, please contact our tech support department at techsupport@grizzly.com or 570-546-9663.

Please note: All parts ship out of our Springfield, Missouri facility.

Parts List for Parts for H8170 Hydraulic / Electric Log Splitter

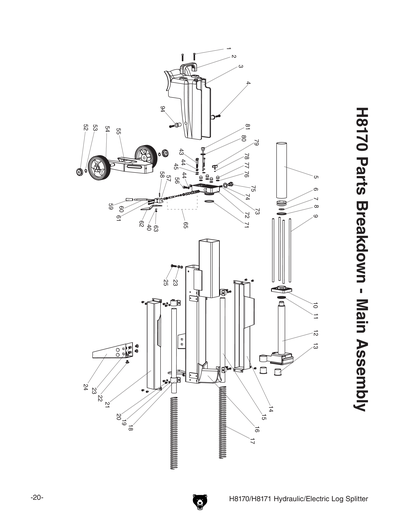
1
CAP SCREW M6-1 X 15
Price
N/A
2
*DISCD*REAR LIFTING HANDLE
Item is no longer available
Price
N/A
3
*DISCD*PLASTIC HOOD
Item is no longer available
Price
N/A
4
CAP SCREW M8-1.25 X 20
Price
N/A
5
*DISCD*HYDRAULIC CYLINDER
Item is no longer available
Price
N/A
5-1
*DISCD*PUMP REBUILD KIT H8170 AND H8171
Item is no longer available
Price
N/A
6
*DISCD*PISTON
Item is no longer available
Price
N/A
7
*DISCD*PISTON RING 5.5MM
Item is no longer available
Price
N/A
8
*DISCD*PISTON SEAL 25 X 3.55MM
Item is no longer available
Price
N/A
9
*DISCD*STUD-DE M10-1.5 X 383 34/34
$1.49
Enter quantity between 1 and 99
10
*DISCD*FRONT CYLINDER COVER
Item is no longer available
Price
N/A
11
*DISCD*PISTON GASKET
Item is no longer available
Price
N/A
12
*DISCD*PISTON ROD 12"
$27.05
Enter quantity between 1 and 99
13
*DISCD*NYLON SLEEVE
Item is no longer available
Price
N/A
14
*DISCD*LEFT SPRING GUARD
$12.65
Enter quantity between 1 and 99
15
*DISCD*SPRING ROD
Item is no longer available
Price
N/A
16
*DISCD*BED ASSEMBLY
Item is no longer available
Price
N/A
17
*DISCD*RETRACTING SPRING
Item is no longer available
Price
N/A
18
*DISCD*SPRING HOOD BRACKET
Item is no longer available
Price
N/A
19
LOCK WASHER 6MM
Price
N/A
20
CAP SCREW M6-1 X 10
Price
N/A
21
*DISCD*RIGHT SPRING GUARD
$12.65
Enter quantity between 1 and 99
22
CARRIAGE BOLT M8-1.25 X 10
Price
N/A
23
Now: PN03M
HEX NUT M8-1.25
Price
N/A
24
*DISCD*SUPPORT LEG
Item is no longer available
Price
N/A
25
Now: PB26M
HEX BOLT M8-1.25 X 30
Price
N/A
26
*DISCD*COMPLETE GEAR PUMP ASSEMBLY
Item is no longer available
Price
N/A
28
*DISCD*O-RING
Item is no longer available
Price
N/A
36
Now: PB93M
HEX BOLT M5-.8 X 30
Price
N/A
37
*DISCD*SEAL
Item is no longer available
Price
N/A
39
LOCK WASHER 5MM
Price
N/A
40
Now: PW02M
FLAT WASHER 5MM
Price
N/A
41
Now: PN06M
HEX NUT M5-.8
Price
N/A
43
Now: PB93M
HEX BOLT M5-.8 X 30
Price
N/A
44
LOCK WASHER 8MM
Price
N/A
45
Now: PW01M
FLAT WASHER 8MM
Price
N/A
46
*DISCD*COMPRESSION SPRING
Item is no longer available
Price
N/A
47
STEEL BALL 6MM
Price
N/A
48
*DISCD*O-RING
Item is no longer available
Price
N/A
49
*DISCD*SCREW
Item is no longer available
Price
N/A
50
*DISCD*O-RING
Item is no longer available
Price
N/A
51
*DISCD*DRAIN PLUG
Item is no longer available
Price
N/A
52
*DISCD*WHEEL CAP
Item is no longer available
Price
N/A
53
Now: PR03M
EXT RETAINING RING 12MM
Price
N/A
54
*DISCD*WHEEL
Item is no longer available
Price
N/A
55
*DISCD*WHEEL AXLE FRAME
$10.35
Enter quantity between 1 and 99
55-1
*DISCD*WHEEL AXLE
Item is no longer available
Price
N/A
56
Now: PB26M
HEX BOLT M8-1.25 X 30
Price
N/A
57
*DISCD*REAR BRACKET
Item is no longer available
Price
N/A
58
*DISCD*SHAFT
Item is no longer available
Price
N/A
59
*DISCD*LEVER KNOB
Item is no longer available
Price
N/A
60
*DISCD*HYDRAULIC LEVER
Item is no longer available
Price
N/A
61
*DISCD*HYDRAULIC LEVER SCREW
Item is no longer available
Price
N/A
62
*DISCD*HYDRAULIC LEVER GUARD
Item is no longer available
Price
N/A
63
*DISCD*LEVER GUARD SCREW
Item is no longer available
Price
N/A
65
*DISCD*VALVE CONTROL ASSEMBLY
Item is no longer available
Price
N/A
71
*DISCD*RUBBER SEAL
Item is no longer available
Price
N/A
72
*DISCD*ALUMINUM COVER
$23.30
Enter quantity between 1 and 99
73
*DISCD*COMPRESSION SPRING
Item is no longer available
Price
N/A
74
*DISCD*O-RING
Item is no longer available
Price
N/A
75
*DISCD*SCREW PLUG
Item is no longer available
Price
N/A
76
*DISCD*COPPER GASKET
Item is no longer available
Price
N/A
77
Now: PN18M
ACORN NUT M8-1.25
Price
N/A
78
*DISCD*O-RING
Item is no longer available
Price
N/A
79
*DISCD*BLEED SCREW
Item is no longer available
Price
N/A
80
*DISCD*O-RING
Item is no longer available
Price
N/A
81
*DISCD*DIPSTICK
Item is no longer available
Price
N/A
82
*DISCD*MOTOR 1-3/4HP 110V 1-HP
Item is no longer available
Price
N/A
82-1
*DISCD*MOTOR FAN COVER
Item is no longer available
Price
N/A
82-2
*DISCD*MOTOR FAN
Item is no longer available
Price
N/A
82-3
*DISCD*S CAPACITOR 60M 300V
Item is no longer available
Price
N/A
82-4
*DISCD*PUSH BUTTON SWITCH
Item is no longer available
Price
N/A
82-5
*DISCD*MOTOR JUNCTION BOX COVER
Item is no longer available
Price
N/A
83
*DISCD*BLEEDER SCREW LABEL
Item is no longer available
Price
N/A
84
*DISCD*MACHINE ID LABEL
Item is no longer available
Price
N/A
86
*DISCD*CRUSHING HAZARD LABEL 1
$1.00
Enter quantity between 1 and 99
87
*DISCD*CRUSHING HAZARD LABEL 2
Item is no longer available
Price
N/A
88
ENTANGLEMENT HAZARD 2W X 3.3H
Price
N/A
89
SAFETY GLASSES 2W X 3.3H V2.04.08
Price
N/A
90
ELECTRICITY 1.4W X 1.2H
Price
N/A
91
READ MANUAL 2W X 3.3H V2.07.05
Price
N/A
94
*DISCD*RUBBER SLEEVE
Item is no longer available
Price
N/A
95
*DISCD*POWER CORD 14G 3W 5-15
Item is no longer available
Price
N/A