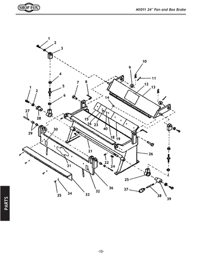
Parts for M1011 24" Pan and Box Brake

Parts Diagrams for M1011 - 24" Pan and Box Brake

IMPORTANT

Parts may have multiple versions that have changed over time. This will be indicated by V1, V2, V3, etc. in the parts description, followed by the version month and year that it was first used. Example: V2.01.17 indicates version 2 of a part went into use in January 2017. Please reference the manufacture date on the ID Label for your machine to ensure you are selecting the correct part when multiple versions are indicated.

If you cannot locate your part below, please contact our tech support department at techsupport@grizzly.com or 570-546-9663.

Please note: All parts ship out of our Springfield, Missouri facility.

Parts List for Parts for M1011 24" Pan and Box Brake

PXM1011001
CAP SCREW M6-1 X 10
Price
N/A
PXM1011002
Now: PW03M
FLAT WASHER 6MM
Price
N/A
P
***USE P0556006***
$2.50
Enter quantity between 1 and 99
PXM1011004
Now: PN02M
HEX NUT M10-1.5
Price
N/A
PXM1011005
TURNBUCKLE
Price
N/A
PXM1011006
Now: PN02M
HEX NUT M10-1.5
Price
N/A
PXM1011007
PIN SHAFT
Price
N/A
P
LOCK LEVER
$2.15
Enter quantity between 1 and 99
PXM1011009
ECCENTRIC UPPER
Price
N/A
P
SPLIT PIN
$2.15
Enter quantity between 1 and 99
P
LEVER
$2.15
Enter quantity between 1 and 99
P
MACHINE ID LABEL
$16.40
Enter quantity between 1 and 99
PXM1011013
HOLD DOWN ASSY
Price
N/A
PXM1011014
T-NUT
Price
N/A
PXM1011015
COMPLETE FINGER SET
Price
N/A
PXM1011016
COMPLETE FINGER SET
Price
N/A
PXM1011018
COMPLETE FINGER SET
Price
N/A
PXM1011019
COMPLETE FINGER SET
Price
N/A
PXM1011021
SHAFT
Price
N/A
PXM1011022
SET SCREW M6-1 X 10
Price
N/A
PXM1011023
CAP SCREW M8-1.25 X 20
Price
N/A
PXM1011024
Now: PK47M
KEY 4 X 4 X 15
Price
N/A
PXM1011025
BUSHING
Price
N/A
PXM1011026
BODY
Price
N/A
PXM1011027
SHAFT SMALL
Price
N/A
PXM1011028
ECCENTRIC LOWER LEFT
Price
N/A
PXM1011029
BUSHING
Price
N/A
PXM1011030
READ MANUAL 1.5W X 2.5H
Price
N/A
P
SHOP FOX LOGO
$15.65
Enter quantity between 1 and 99
PXM1011032
SAFETY GLASSES 1.25W X 2H
Price
N/A
P
APRON ANGLE
$17.70
Enter quantity between 1 and 99
PXM1011034
Now: PW01M
FLAT WASHER 8MM
Price
N/A
PXM1011035
Now: PB85M
HEX BOLT M8-1.25 X 18
Price
N/A
PXM1011036
APRON
Price
N/A
PXM1011037
HANDLE
Price
N/A
PXM1011038
SCREW ROD
Price
N/A
PXM1011039
ECCENTRIC LOWER RIGHT
Price
N/A
PXM1011040
Now: PW01M
FLAT WASHER 8MM
Price
N/A
PXM1011041
COMPLETE FINGER SET
Price
N/A
P
CARTON FOR M1011
$40.25
Enter quantity between 1 and 99
P
Styrofoam 2pc
$6.90
Enter quantity between 1 and 99
PXM1011044
HEX WRENCH 6MM
Price
N/A
P
MANUAL FOR M1011 09/04
$22.65
Enter quantity between 1 and 99