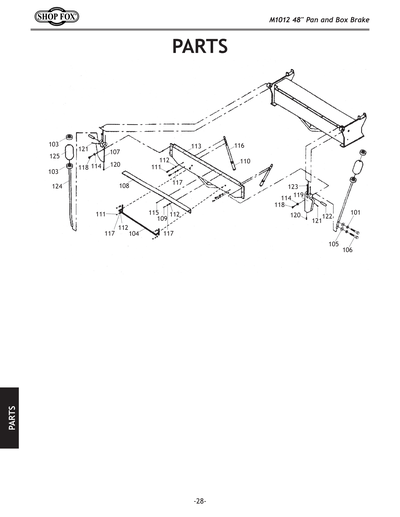
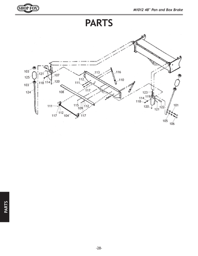
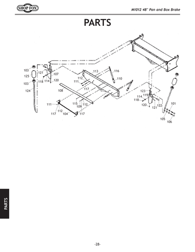
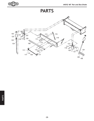
Parts for M1012 48" Pan and Box Brake

Parts Diagrams for M1012 - 48" Pan and Box Brake

IMPORTANT

Parts may have multiple versions that have changed over time. This will be indicated by V1, V2, V3, etc. in the parts description, followed by the version month and year that it was first used. Example: V2.01.17 indicates version 2 of a part went into use in January 2017. Please reference the manufacture date on the ID Label for your machine to ensure you are selecting the correct part when multiple versions are indicated.

If you cannot locate your part below, please contact our tech support department at techsupport@grizzly.com or 570-546-9663.

Please note: All parts ship out of our Springfield, Missouri facility.

Parts List for Parts for M1012 48" Pan and Box Brake

PXM1012001
Now: PW08M
FLAT WASHER 16MM
Price
N/A
PXM1012002
Now: PN09M
HEX NUT M12-1.75
Price
N/A
PXM1012003
LOCK WASHER 12MM
Price
N/A
PXM1012004
Now: PW06M
FLAT WASHER 12MM
Price
N/A
PXM1012005
RUBBER HANDLE GRIP
Price
N/A
PXM1012006
Now: PN13M
HEX NUT M16-2
Price
N/A
PXM1012007
TAPER PIN 4 X 4.6 X 30
Price
N/A
PXM1012008
T-BOLT M8-1.25 X 20
Price
N/A
PXM1012009
Now: PB35M
HEX BOLT M12-1.75 X 40
Price
N/A
PXM1012010
COTTER PIN 2.5 X 35
Price
N/A
PXM1012011
CAP SCREW M10-1.5 X 35
Price
N/A
PXM1012012
SUPPORT
Price
N/A
PXM1012013
STOP COLLAR
Price
N/A
PXM1012014
STOP HUB
Price
N/A
PXM1012015
STOP ROD
Price
N/A
PXM1012016
BODY
Price
N/A
PXM1012017
SETBACK KNOB M20 X 150
Price
N/A
P
SETBACK KNOB M20 X 150 ASSY
$34.65
Enter quantity between 1 and 99
P
TOP BAR
$47.35
Enter quantity between 1 and 99
PXM1012019
COLLAR
Price
N/A
PXM1012020
ADJUSTING BLOCK
Price
N/A
PXM1012021
PIVOT BLOCK
Price
N/A
PXM1012022
Now: PN02M
HEX NUT M10-1.5
Price
N/A
PXM1012023
Now: PN15M
HEX NUT M18-1.5
Price
N/A
PXM1012024-1
FINGER BLOCK 3"
Price
N/A
PXM1012024-2
FINGER BLOCK 4"
Price
N/A
PXM1012024-4
FINGER BLOCK 25"
Price
N/A
PXM1012028
Now: PW04M
FLAT WASHER 10MM
Price
N/A
PXM1012029-1
CLAMP BAR 3"
Price
N/A
PXM1012029-2
CLAMP BAR 4" LOWER
Price
N/A
PXM1012029-3
CLAMP BAR 5" LOWER
Price
N/A
PXM1012032-1
FINGER BLOCK JAW 3"
Price
N/A
PXM1012032-2
FINGER BLOCK JAW 4"
Price
N/A
PXM1012032-3
FINGER BLOCK JAW 5"
Price
N/A
PXM1012035
LOCK WASHER 10MM
Price
N/A
PXM1012036
CAP SCREW M10-1.5 X 60
Price
N/A
PXM1012037
CAP SCREW M10-1.5 X 30
Price
N/A
PXM1012038-1
UPPER CLAMP BAR 3"
Price
N/A
PXM1012038-2
UPPER CLAMP BAR 4"
Price
N/A
PXM1012038-3
UPPER CLAMP BAR 5"
Price
N/A
PXM1012041
SUPPORT BLOCK
Price
N/A
PXM1012042
CAP SCREW M10-1.5 X 40
Price
N/A
PXM1012043
CLAMPING HANDLE R
Price
N/A
PXM1012044
PIN
Price
N/A
PXM1012045
CLAMPING LEAF
Price
N/A
P
***USE P0542006***
$42.15
Enter quantity between 1 and 99
PXM1012047
OIL FITTING
Price
N/A
PXM1012048
CLAMPING HANDLE L
Price
N/A
PXM1012049
SPRING
Price
N/A
PXM1012050
SPACER
Price
N/A
PXM1012051
Now: PB01M
HEX BOLT M10-1.5 X 30
Price
N/A
PXM1012101
LOCK WASHER 12MM
Price
N/A
PXM1012103
LOCK COLLAR M30-3.5
Price
N/A
PXM1012104
HANDLE BAR
Price
N/A
PXM1012105
Now: PW06M
FLAT WASHER 12MM
Price
N/A
PXM1012106
Now: PB35M
HEX BOLT M12-1.75 X 40
Price
N/A
PXM1012107
HINGE LEFT
Price
N/A
PXM1012108
BENDING WING
Price
N/A
PXM1012109
CAP SCREW M10-1.5 X 30
Price
N/A
PXM1012110
HANDLE GRIP
Price
N/A
PXM1012111
Now: PB31M
HEX BOLT M10-1.5 X 40
Price
N/A
PXM1012112
Now: PW04M
FLAT WASHER 10MM
Price
N/A
P
BENDING LEAF
$136.60
Enter quantity between 1 and 99
PXM1012114
Now: PW06M
FLAT WASHER 12MM
Price
N/A
PXM1012115
DOWEL PIN 8 X 30MM
Price
N/A
PXM1012116
OPERATING HANDLE
Price
N/A
PXM1012117
LOCK WASHER 10MM
Price
N/A
PXM1012118
Now: PB35M
HEX BOLT M12-1.75 X 40
Price
N/A
PXM1012119
HINGE RIGHT
Price
N/A
PXM1012120
CAP SCREW M10-1.5 X 40
Price
N/A
PXM1012121
SET SCREW M12-1.75 X 20
Price
N/A
PXM1012122
PIVOT PIN
Price
N/A
PXM1012123
SET SCREW M10-1.5 X 10
Price
N/A
PXM1012124
COUNTERWEIGHT SHAFT
Price
N/A
PXM1012125
COUNTERWEIGHT
Price
N/A
P
*DISCD*SMALL BLACK STRIPE
$9.90
Enter quantity between 1 and 99
P
*DISCD*LARGE BLACK STRIPE
$9.90
Enter quantity between 1 and 99
P
MODEL NUMBER LABEL
$16.40
Enter quantity between 1 and 99
PXM1012129
HARDWARE BAG
Price
N/A
P
MANUAL FOR M1012 11/04
$15.85
Enter quantity between 1 and 99