Parts for M1112 12" x 36" Gunsmith Metal Lathe with Stand

Parts Diagrams for M1112 - 12" x 36" Gunsmith Metal Lathe with Stand

IMPORTANT

Parts may have multiple versions that have changed over time. This will be indicated by V1, V2, V3, etc. in the parts description, followed by the version month and year that it was first used. Example: V2.01.17 indicates version 2 of a part went into use in January 2017. Please reference the manufacture date on the ID Label for your machine to ensure you are selecting the correct part when multiple versions are indicated.

If you cannot locate your part below, please contact our tech support department at techsupport@grizzly.com or 570-546-9663.

Please note: All parts ship out of our Springfield, Missouri facility.

Parts List for Parts for M1112 12" x 36" Gunsmith Metal Lathe with Stand

PXM11121000
CAP SCREW M12-1.75 X 30
Price
N/A
PXM11121001
Now: PS12M
PHLP HD SCR M3-.5 X 6
Price
N/A
PXM11121002
FRONT CONTROL PLATE
Item is no longer available
Price
N/A
PXM11121003
SET SCREW M6-1 X 12
Price
N/A
PXM11121004
HANDLE KNOB W/SHOULDER STUD
Price
N/A
P
HANDLE KNOB W/SHOULDER STUD
$4.90
Enter quantity between 1 and 99
P
HANDLE HUB
$21.85
Enter quantity between 1 and 99
P
INFORMATION PLATE
$4.05
Enter quantity between 1 and 99
PXM11121008
*DISCD*STEEL BALL 6MM
Price
N/A
P
COMPRESSION SPRING
$1.75
Enter quantity between 1 and 99
PXM11121010
SET SCREW M8-1.25 X 8
Price
N/A
P
TAPER PIN
$1.75
Enter quantity between 1 and 99
P
HANDLE
$4.90
Enter quantity between 1 and 99
P
INFORMATION PLATE
$4.05
Enter quantity between 1 and 99
P
COMPRESSION SPRING
$1.75
Enter quantity between 1 and 99
P
HANDLE HUB
$19.30
Enter quantity between 1 and 99
PXM11121016
***USE P4003G1116***
Item is no longer available
Price
N/A
PXM11121017
SET SCREW M6-1 X 10
Price
N/A
PXM11121018
SET SCREW M6-1 X 6
Price
N/A
P
COVER
$288.95
Enter quantity between 1 and 99
P
SPIDER SAFETY COVER
$57.25
Enter quantity between 1 and 99
PXM11121041
CAP SCREW M6-1 X 12
Price
N/A
PXM11121042
***USE PW03M***
Item is no longer available
Price
N/A
PXM11121043
GEAR 40T
Price
N/A
PXM11121044
Now: PK12M
KEY 5 X 5 X 30
Price
N/A
PXM11121045
CAP SCREW M6-1 X 12
Price
N/A
PXM11121046
***USE P4003G0206***
Item is no longer available
Price
N/A
PXM11121047
***USE P4003G0207***
Item is no longer available
Price
N/A
PXM11121048
BALL BEARING 6202ZZ
Price
N/A
PXM11121049
***USE P4003G0209***
Item is no longer available
Price
N/A
PXM11121050
***USE P4003G0210***
Item is no longer available
Price
N/A
PXM11121051
SHAFT
Price
N/A
PXM11121052
GEAR 40T
Price
N/A
PXM11121053
Now: PK12M
KEY 5 X 5 X 30
Price
N/A
P
OIL PLUG
$4.05
Enter quantity between 1 and 99
PXM11121076
COVER
Item is no longer available
Price
N/A
PXM11121077
CAP SCREW M6-1 X 25
Price
N/A
PXM11121078
***USE P4003G0178***
Item is no longer available
Price
N/A
PXM11121079
ROLL PIN 5 X 30
Price
N/A
PXM11121080
Now: PR03M
EXT RETAINING RING 12MM
Price
N/A
PXM11121081
***USE P4003G0181***
Item is no longer available
Price
N/A
PXM11121082
***USE P4003G0182***
Item is no longer available
Price
N/A
PXM11121083
SET SCREW M8-1.25 X 16
Price
N/A
PXM11121084
Now: PN03M
HEX NUT M8-1.25
Price
N/A
PXM11121085
ROLL PIN 5 X 25
Price
N/A
PXM11121086
***USE P4003G0186***
Item is no longer available
Price
N/A
PXM11121087
***USE P4003G0187***
Item is no longer available
Price
N/A
PXM11121088
***USE P4003G0188***
Item is no longer available
Price
N/A
PXM11121089
Now: PK94M
KEY 5 X 5 X 8
Price
N/A
PXM11121090
***USE P4003G0190***
Item is no longer available
Price
N/A
PXM11121091
LOCK COLLAR
Price
N/A
PXM11121092
***USE P4003G0192***
Item is no longer available
Price
N/A
PXM11121093
***USE P4003G0193***
Item is no longer available
Price
N/A
PXM11121094
***USE P4003G0194***
Item is no longer available
Price
N/A
PXM11121095
CAP SCREW M6-1 X 10
Price
N/A
PXM11121096
CAP SCREW M8-1.25 X 30
Price
N/A
PXM11121098
***USE P4003G0198***
Item is no longer available
Price
N/A
PXM11121099
Now: PW06M
FLAT WASHER 12MM
Price
N/A
PXM11121101
Now: PR56M
EXT RETAINING RING 45MM
Price
N/A
PXM11121102
***USE P4003G0102***
Item is no longer available
Price
N/A
PXM11121103
***USE P4003G0103***
Item is no longer available
Price
N/A
PXM11121104
Now: PK14M
KEY 5 X 5 X 18
Price
N/A
PXM11121105
***USE P4003G0105***
Item is no longer available
Price
N/A
PXM11121106
Now: PR30M
EXT RETAINING RING 36MM
Price
N/A
PXM11121107
***USE P4003G0107***
Item is no longer available
Price
N/A
PXM11121108
***USE P4003G0108***
Item is no longer available
Price
N/A
PXM11121109
***USE P4003G0109***
Item is no longer available
Price
N/A
PXM11121110
***USE P4003G0110***
Item is no longer available
Price
N/A
PXM11121111
Now: PR82M
EXT RETAINING RING 58MM
Price
N/A
PXM11121112
***USE P4003G0112***
Item is no longer available
Price
N/A
PXM11121113
***USE P4003G0113***
Item is no longer available
Price
N/A
PXM11121114
CAP SCREW M6-1 X 14
Price
N/A
PXM11121115
COVER
Item is no longer available
Price
N/A
PXM11121116
***USE P4003G0116***
Item is no longer available
Price
N/A
PXM11121117
BALL BEARING 6004ZZ
Price
N/A
PXM11121118
CAP SCREW M8-1.25 X 60
Price
N/A
PXM11121119
***USE P4003G0119***
Item is no longer available
Price
N/A
PXM11121120
O-RING 17.8 X 2.4 P18
Price
N/A
PXM11121121
***USE P4003G0121***
Item is no longer available
Price
N/A
PXM11121122
Now: PR25M
INT RETAINING RING 47MM
Price
N/A
PXM11121123
***USE P4003G0123***
Item is no longer available
Price
N/A
PXM11121124
BALL BEARING 6004ZZ
Price
N/A
PXM11121125
Now: PR09M
EXT RETAINING RING 20MM
Price
N/A
PXM11121126
***USE P4003G0126***
Item is no longer available
Price
N/A
PXM11121127
***USE P4003G0127***
Item is no longer available
Price
N/A
PXM11121128
***USE P4003G0128***
Item is no longer available
Price
N/A
PXM11121129
Now: PW03M
FLAT WASHER 6MM
Price
N/A
PXM11121130
CAP SCREW M6-1 X 16
Price
N/A
PXM11121131
***USE P4003G0131***
Item is no longer available
Price
N/A
PXM11121132
BALL BEARING 6004ZZ
Price
N/A
PXM11121133
***USE P4003G0133***
Item is no longer available
Price
N/A
PXM11121134
COVER
Item is no longer available
Price
N/A
PXM11121135
CAP SCREW M6-1 X 14
Price
N/A
PXM11121136
***USE P4003G0136***
Item is no longer available
Price
N/A
PXM11121137
CAP SCREW M10-1.5 X 35
Price
N/A
PXM11121137V2
***USE P4003G0137V2***
Item is no longer available
Price
N/A
PXM11121138
***USE P4003G0138-1***
Item is no longer available
Price
N/A
PXM11121139
KEY 8 X 7 X 40
Price
N/A
PXM11121140
Now: PK43M
KEY 8 X 8 X 45
Price
N/A
PXM11121141
CAP SCREW M3-.5 X 8
Price
N/A
PXM11121142
***USE P4003G0142***
Item is no longer available
Price
N/A
PXM11121143
***USE P4003G0143***
Item is no longer available
Price
N/A
PXM11121144
CAP SCREW M6-1 X 20
Price
N/A
PXM11121145
COVER
Item is no longer available
Price
N/A
PXM11121146
***USE P4003G0146***
Item is no longer available
Price
N/A
P
TAPERED ROLLER BEARING NSK HR30211JP5
$492.10
Enter quantity between 1 and 99
PXM11121148
HEADSTOCK
Item is no longer available
Price
N/A
PXM11121149
***USE P4003G0149***
Item is no longer available
Price
N/A
PXM11121150
COVER
Item is no longer available
Price
N/A
PXM11121151
Now: PR24M
INT RETAINING RING 42MM
Price
N/A
P
SHAFT
$19.30
Enter quantity between 1 and 99
PXM11121153
***USE P4003G0153***
Item is no longer available
Price
N/A
P
GEAR
$29.05
Enter quantity between 1 and 99
P
TAPERED ROLLER BEARING NSK HR30212JP5
$343.40
Enter quantity between 1 and 99
PXM11121156
***USE P4003G0156***
Item is no longer available
Price
N/A
PXM11121157
Now: PK94M
KEY 5 X 5 X 8
Price
N/A
PXM11121158
***USE P4003G0158***
Item is no longer available
Price
N/A
PXM11121159
Now: PK94M
KEY 5 X 5 X 8
Price
N/A
PXM11121160
COVER
Item is no longer available
Price
N/A
PXM11121161
CAP SCREW M8-1.25 X 12
Price
N/A
P
OIL SEAL
$4.90
Enter quantity between 1 and 99
PXM11121163
***USE P4003G0163***
Item is no longer available
Price
N/A
PXM11121164
Now: PW03M
FLAT WASHER 6MM
Price
N/A
PXM11121165
COVER
Item is no longer available
Price
N/A
PXM11121166
***USE P4003G0166***
Item is no longer available
Price
N/A
PXM11121167
***USE P4003G0167***
Item is no longer available
Price
N/A
PXM11121168
Now: PK12M
KEY 5 X 5 X 30
Price
N/A
PXM11121169
Now: PK17M
KEY 5 X 5 X 80
Price
N/A
PXM11121170
SPINDLE PULLEY SHAFT
Price
N/A
PXM11121171
***USE P4003G0171***
Item is no longer available
Price
N/A
PXM11121172
***USE P4003G0172***
Item is no longer available
Price
N/A
PXM11121173
***USE P4003G0173***
Item is no longer available
Price
N/A
PXM11121174
Now: PN02M
HEX NUT M10-1.5
Price
N/A
P
EMERGENCY STOP SWITCH
$33.95
Enter quantity between 1 and 99
PXM11121176
POWER START BUTTON SS LA103
Price
N/A
PXM11121177
PUMP SWITCH
Item is no longer available
Price
N/A
P
INCHING/JOG BUTTON
$17.00
Enter quantity between 1 and 99
P
POWER LAMP
$24.15
Enter quantity between 1 and 99
PXM11122301
LONGITUDINAL LEADSCREW
Price
N/A
PXM11122302
ROLL PIN 5 X 36
Price
N/A
PXM11122304
Now: P8103
THRUST BEARING 8103
Price
N/A
P
SHAFT
$21.85
Enter quantity between 1 and 99
PXM11122306
Now: PK19M
KEY 5 X 5 X 14
Price
N/A
P
GEAR
$14.70
Enter quantity between 1 and 99
PXM11122309
Now: PN09M
HEX NUT M12-1.75
Price
N/A
P
GEAR WASHER
$4.05
Enter quantity between 1 and 99
PXM11122311
CAP SCREW M6-1 X 16
Price
N/A
PXM11122312
COVER
Item is no longer available
Price
N/A
PXM11122313
Now: PK12M
KEY 5 X 5 X 30
Price
N/A
PXM11122314
Now: PK06M
KEY 5 X 5 X 10
Price
N/A
PXM11122315
***USE P4003G0315***
Item is no longer available
Price
N/A
PXM11122316
***USE P4003G0316***
Item is no longer available
Price
N/A
PXM11122318
***USE P4003G0318***
Item is no longer available
Price
N/A
PXM11122320
***USE P4003G0320***
Item is no longer available
Price
N/A
PXM11122322
***USE P4003G0322***
Item is no longer available
Price
N/A
PXM11122324
Now: PB01M
HEX BOLT M10-1.5 X 30
Price
N/A
PXM11122325
***USE P4003G0325***
Item is no longer available
Price
N/A
PXM11122326
ROLL PIN 5 X 40
Price
N/A
PXM11122327
COMPLETE GEARBOX ASSEMBLY
Item is no longer available
Price
N/A
P
GEARBOX
$361.20
Enter quantity between 1 and 99
PXM11122328
PLATE
Item is no longer available
Price
N/A
PXM11122329
CAP SCREW M6-1 X 16
Price
N/A
PXM11122330
***USE P4003G0330***
Item is no longer available
Price
N/A
PXM11122331
E-CLIP 13MM
Price
N/A
PXM11122332
***USE P4003G0332***
Item is no longer available
Price
N/A
PXM11122333
ROLL PIN 4 X 30
Price
N/A
PXM11122334
***USE P4003G0334***
Item is no longer available
Price
N/A
PXM11122335
CAP SCREW M6-1 X 12
Price
N/A
PXM11122336
***USE P4002336***
Item is no longer available
Price
N/A
PXM11122337
***USE P4003G0337***
Item is no longer available
Price
N/A
PXM11122340
***USE P4003G0340***
Item is no longer available
Price
N/A
PXM11122341
COMBO GEAR 32/16T
Price
N/A
PXM11122342
DUPLEX GEAR 32T/16T
Price
N/A
PXM11122344
***USE P4003G0344***
Item is no longer available
Price
N/A
PXM11122345
***USE P4003G0345***
Item is no longer available
Price
N/A
PXM11122346
***USE P4003G0346***
Item is no longer available
Price
N/A
PXM11122347
***USE P4003G0347***
Item is no longer available
Price
N/A
PXM11122348
***USE P4003G0348***
Item is no longer available
Price
N/A
PXM11122349
***USE P4003G0349***
Item is no longer available
Price
N/A
PXM11122350
***USE P4003G0350***
Item is no longer available
Price
N/A
PXM11122351
***USE P4003G0351***
Item is no longer available
Price
N/A
PXM11122352
***USE P4003G0352***
Item is no longer available
Price
N/A
PXM11122353
***USE P4003G0353***
Item is no longer available
Price
N/A
PXM11122354
KEY 5 X 5 X 75
Price
N/A
PXM11122355
Now: PK02M
KEY 5 X 5 X 40
Price
N/A
PXM11122356
ANG CONTACT BEARING 7000
Item is no longer available
Price
N/A
PXM11122357
***USE P4003G0357***
Item is no longer available
Price
N/A
PXM11122358
***USE P4002358***
Item is no longer available
Price
N/A
P
SHIFT LEVER
$32.10
Enter quantity between 1 and 99
PXM11122362
***USE P4003G0362***
Item is no longer available
Price
N/A
PXM11122363
SHIFT ROD
Price
N/A
PXM11122364
Now: PN01M
HEX NUT M6-1
Price
N/A
PXM11122365
***USE P4003G0365***
Item is no longer available
Price
N/A
PXM11122366
SHAFT
Item is no longer available
Price
N/A
P
SPRING
$4.05
Enter quantity between 1 and 99
P
SLEEVE
$4.90
Enter quantity between 1 and 99
P
HOUSING
$4.90
Enter quantity between 1 and 99
PXM11122370
***USE P4003G0370***
Item is no longer available
Price
N/A
PXM11122371
SET SCREW M8-1.25 X 8
Price
N/A
PXM11122372
***USE P4003G0372***
Item is no longer available
Price
N/A
PXM11122373
***USE P4003G0373***
Item is no longer available
Price
N/A
PXM11122374
***USE P4003G0374***
Item is no longer available
Price
N/A
PXM11122397
***USE P4003G0323***
Item is no longer available
Price
N/A
PXM11122401
***USE P4003G0401***
Item is no longer available
Price
N/A
P
HANDLE V2.04.12
$7.20
Enter quantity between 1 and 99
P
HANDWHEEL V1
$48.20
Enter quantity between 1 and 99
PXM11122402V2
CARRIAGE HANDWHEEL V2.04.12
Price
N/A
PXM11122403
***USE P4003G0403***
Item is no longer available
Price
N/A
PXM11122403V2
***USE P4003G0403V2***
Item is no longer available
Price
N/A
PXM11122404
ROLL PIN 5 X 40
Price
N/A
PXM11122404V2
SET SCREW M6-1 X 8
Price
N/A
PXM11122405
SET SCREW M6-1 X 20
Price
N/A
PXM11122406
***USE P4003G0406***
Item is no longer available
Price
N/A
PXM11122407
***USE P4003G0407***
Item is no longer available
Price
N/A
PXM11122407V2
***USE P4003G0407V2***
Item is no longer available
Price
N/A
PXM11122408
***USE P4003G0408***
Item is no longer available
Price
N/A
PXM11122409
ROLL PIN 5 X 30
Price
N/A
PXM11122410
***USE P4002410***
Item is no longer available
Price
N/A
PXM11122411
Now: PR08M
EXT RETAINING RING 19MM
Price
N/A
P
GEAR SHAFT 11T
$24.15
Enter quantity between 1 and 99
PXM11122413
***USE P4003G0413***
Item is no longer available
Price
N/A
PXM11122414
***USE P4003G0414***
Item is no longer available
Price
N/A
PXM11122415
ROLL PIN 5 X 30
Price
N/A
P
SHAFT
$12.10
Enter quantity between 1 and 99
PXM11122418
***USE P4003G0418***
Item is no longer available
Price
N/A
PXM11122419
***USE P4003G0419***
Item is no longer available
Price
N/A
PXM11122419-1
***USE P4003G0419-1***
Item is no longer available
Price
N/A
PXM11122420
***USE P4003G0420***
Item is no longer available
Price
N/A
PXM11122420-1
***USE P4003G0420-1***
Item is no longer available
Price
N/A
PXM11122421
***USE P4003G0421***
Item is no longer available
Price
N/A
PXM11122422
Now: PK33M
KEY 5 X 5 X 45
Price
N/A
PXM11122423
ROLL PIN 5 X 24
Price
N/A
PXM11122424
***USE P4003G0424***
Item is no longer available
Price
N/A
PXM11122425
***USE P4003G0425***
Item is no longer available
Price
N/A
PXM11122426
***USE P4003G0426***
Item is no longer available
Price
N/A
P
LEVER
$4.90
Enter quantity between 1 and 99
PXM11122428
ROLL PIN 5 X 24
Price
N/A
PXM11122429
*DISCD*STEEL BALL 6MM
Price
N/A
PXM11122430
***USE P4003G0430***
Item is no longer available
Price
N/A
PXM11122431
SET SCREW M6-1 X 8
Price
N/A
PXM11122432
CAP SCREW M6-1 X 45
Price
N/A
PXM11122433
BOSS
Item is no longer available
Price
N/A
PXM11122434
Now: PW03M
FLAT WASHER 6MM
Price
N/A
PXM11122435
CAP SCREW M6-1 X 40
Price
N/A
PXM11122436
***USE P4003G0436***
Item is no longer available
Price
N/A
PXM11122437
***USE P4003G0437***
Item is no longer available
Price
N/A
PXM11122438
SET SCREW M8-1.25 X 6
Price
N/A
PXM11122439
***USE P4003G0439***
Item is no longer available
Price
N/A
PXM11122440
*DISCD*STEEL BALL 6MM
Price
N/A
PXM11122441
***USE P4003G0441***
Item is no longer available
Price
N/A
PXM11122442
ROLL PIN 6 X 40
Price
N/A
PXM11122443
***USE P4003G0443***
Item is no longer available
Price
N/A
PXM11122444
SET SCREW M8-1.25 X 30
Price
N/A
PXM11122445
***USE P4003G0445***
Item is no longer available
Price
N/A
PXM11122447
***USE P4003G0447***
Item is no longer available
Price
N/A
PXM11122448
CAP SCREW M6-1 X 65
Price
N/A
PXM11122449
CAP SCREW M6-1 X 15
Price
N/A
PXM11122450
***USE P4002450***
Item is no longer available
Price
N/A
PXM11122451
CAP SCREW M6-1 X 60 BLK C12.9 USA
Price
N/A
PXM11122451-1
***USE P4003G0451-1***
Item is no longer available
Price
N/A
PXM11122452
HOUSING
Item is no longer available
Price
N/A
P
THREAD DIAL
$14.70
Enter quantity between 1 and 99
PXM11122454
Now: PN01M
HEX NUT M6-1
Price
N/A
PXM11122455
SET SCREW M6-1 X 16
Price
N/A
PXM11122456
HALF NUT
Item is no longer available
Price
N/A
PXM11122457
HALF NUT HOUSING
Item is no longer available
Price
N/A
PXM11122458
SET SCREW M6-1 X 25
Price
N/A
PXM11122459
***USE P4003G0459***
Item is no longer available
Price
N/A
PXM11122461
***USE P4003G0461***
Item is no longer available
Price
N/A
PXM11122463
GEAR 25T
Price
N/A
PXM11122464
SET SCREW M6-1 X 6
Price
N/A
PXM11122465
COMPLETE APRON ASSEMBLY
Item is no longer available
Price
N/A
P
APRON CASE
$211.90
Enter quantity between 1 and 99
PXM11122466
***USE P4003G0466***
Item is no longer available
Price
N/A
PXM11122467
***USE P4003G0198***
Item is no longer available
Price
N/A
PXM11122468
CAP SCREW M10-1.5 X 20
Price
N/A
PXM11122469
SET SCREW M6-1 X 20
Price
N/A
PXM11122470
***USE P4003G0469***
Item is no longer available
Price
N/A
PXM11122471
Now: PK34M
KEY 5 X 5 X 20
Price
N/A
PXM11122501
SADDLE
Item is no longer available
Price
N/A
PXM11122502
Now: PS59M
PHLP HD SCR M3-.5 X 14
Price
N/A
PXM11122503
***USE P4003G0503***
Item is no longer available
Price
N/A
PXM11122504
Now: PS24
PHLP HD SCR 8-32 X 3/8
Price
N/A
PXM11122505
COVER
Item is no longer available
Price
N/A
PXM11122506
Now: PS57M
PHLP HD SCR M5-.8 X 14
Price
N/A
PXM11122507
***USE P4003G0507***
Item is no longer available
Price
N/A
PXM11122508
ROLL PIN 5 X 45
Price
N/A
PXM11122509
CAP SCREW M8-1.25 X 35
Price
N/A
PXM11122510
***USE PCAP35M***
Item is no longer available
Price
N/A
PXM11122511
GIB SCREW
Price
N/A
PXM11122512
***USE P4003G0512***
Item is no longer available
Price
N/A
P
CROSS SLIDE DEGREE SCALE
$3.75
Enter quantity between 1 and 99
PXM11122512-2
SOLID BUSHING 25 X 25MM
Price
N/A
PXM11122513
CROSS SLIDE GIB
Price
N/A
PXM11122514
***USE P4003G0514***
Item is no longer available
Price
N/A
PXM11122515
***USE P4002515***
Item is no longer available
Price
N/A
PXM11122518
***USE P4003G0518***
Item is no longer available
Price
N/A
PXM11122519
FLAT HD SCR M8-1.25 X 25
Price
N/A
PXM11122520
***USE P4003G0520***
Item is no longer available
Price
N/A
PXM11122521
Now: PS57M
PHLP HD SCR M5-.8 X 14
Price
N/A
PXM11122522
***USE P4003G0522***
Item is no longer available
Price
N/A
PXM11122523
***USE P4003G0524V2***
Item is no longer available
Price
N/A
PXM11122524
***USE P4003G0524V2***
Item is no longer available
Price
N/A
PXM11122525
Now: PB19M
HEX BOLT M8-1.25 X 24
Price
N/A
PXM11122526
***USE P4003G0526***
Item is no longer available
Price
N/A
PXM11122528
***USE P4003G0528***
Item is no longer available
Price
N/A
PXM11122529
***USE P4003G0529***
Item is no longer available
Price
N/A
PXM11122530
***USE PSS13M***
Item is no longer available
Price
N/A
PXM11122531
***USE P4003G0531***
Item is no longer available
Price
N/A
PXM11122533
***USE P4003G0533***
Item is no longer available
Price
N/A
PXM11122534
***USE PRIV001M***
Item is no longer available
Price
N/A
PXM11122535
Now: P8102
THRUST BEARING 8102
Price
N/A
PXM11122536
BRACKET
Item is no longer available
Price
N/A
PXM11122537
CAP SCREW M6-1 X 25
Price
N/A
PXM11122539
***USE P4003G0539***
Item is no longer available
Price
N/A
PXM11122540
***USE P4002540***
Item is no longer available
Price
N/A
PXM11122541
SET SCREW M8-1.25 X 8
Price
N/A
PXM11122542
***USE P4003G0542***
Item is no longer available
Price
N/A
PXM11122543
STEEL BALL 6MM
Price
N/A
P
COMPRESSION SPRING 6 X 16MM
$1.49
Enter quantity between 1 and 99
PXM11122601
***USE P4002601***
Item is no longer available
Price
N/A
PXM11122602
***USE P4003G0602***
Item is no longer available
Price
N/A
PXM11122603
COMPOUND REST
Price
N/A
PXM11122604
Now: PN02M
HEX NUT M10-1.5
Price
N/A
P
COMPOUND SLIDE SCREW
$1.49
Enter quantity between 1 and 99
PXM11122606
COMPOUND SLIDE SCREW
Item is no longer available
Price
N/A
PXM11122607
***USE P4003G0607***
Item is no longer available
Price
N/A
PXM11122608
SET SCREW M6-1 X 8
Price
N/A
PXM11122609
Now: PN01M
HEX NUT M6-1
Price
N/A
PXM11122610
***USE P4003G0610***
Item is no longer available
Price
N/A
PXM11122611
Now: P8101
THRUST BEARING 8101
Price
N/A
PXM11122612
***USE P4003G0612***
Item is no longer available
Price
N/A
PXM11122613
Now: P8101
THRUST BEARING 8101
Price
N/A
PXM11122614
***USE P4003G0614***
Item is no longer available
Price
N/A
PXM11122615
***USE P4003G0615***
Item is no longer available
Price
N/A
PXM11122616
***USE P4003G0616***
Item is no longer available
Price
N/A
P
HANDLE LARGE
$6.05
Enter quantity between 1 and 99
PXM11122618
SET SCREW M5-.8 X 5
Price
N/A
PXM11122619
CAP SCREW M6-1 X 15
Price
N/A
PXM11122620
STEEL BALL 6MM
Price
N/A
PXM11122621
COMPRESSION SPRING 6 X 16MM
Price
N/A
PXM11122640
***USE P4002640***
Item is no longer available
Price
N/A
PXM11122641
***USE P4003G0641***
Item is no longer available
Price
N/A
P
HANDLE SMALL
$4.90
Enter quantity between 1 and 99
PXM11123702
KEY 8 X 8 X 30
Price
N/A
PXM11123703
QUILL
Item is no longer available
Price
N/A
PXM11123704
TAILSTOCK
Item is no longer available
Price
N/A
PXM11123705
BASE
Item is no longer available
Price
N/A
PXM11123706
SET SCREW M10-1.5 X 50
Price
N/A
PXM11123707
QUILL LEADSCREW
Price
N/A
PXM11123708
ROLL PIN 4 X 10
Price
N/A
PXM11123709
Now: P8101
THRUST BEARING 8101
Price
N/A
PXM11123710
BRACKET
Item is no longer available
Price
N/A
PXM11123711
***USE P4002711***
Item is no longer available
Price
N/A
PXM11123712
CAP SCREW M6-1 X 20
Price
N/A
PXM11123713
QUILL HANDWHEEL
Price
N/A
P
HANDLE
$4.90
Enter quantity between 1 and 99
PXM11123715
Now: PN09M
HEX NUT M12-1.75
Price
N/A
PXM11123716
***USE P4003G0716***
Item is no longer available
Price
N/A
PXM11123717
***USE P4002717***
Item is no longer available
Price
N/A
P
LOCK SHAFT
$4.90
Enter quantity between 1 and 99
PXM11123719
***USE P4003G0719***
Item is no longer available
Price
N/A
PXM11123720
***USE P4003G0720***
Item is no longer available
Price
N/A
PXM11123721
ROLL PIN 5 X 30
Price
N/A
PXM11123722
***USE P4003G0722***
Item is no longer available
Price
N/A
P
SHAFT V1
$9.80
Enter quantity between 1 and 99
PXM11123723V2
HEX BOLT M12-1.75 X 100
Price
N/A
PXM11123724
***USE P4002724***
Item is no longer available
Price
N/A
PXM11123725
Now: PW06M
FLAT WASHER 12MM
Price
N/A
PXM11123726
Now: PN09M
HEX NUT M12-1.75
Price
N/A
P
QUILL NUT
$21.85
Enter quantity between 1 and 99
PXM11123728
CAP SCREW M4-.7 X 10
Price
N/A
PXM11123729
SET SCREW M6-1 X 30
Price
N/A
PXM11123731
SET SCREW M8-1.25 X 50
Price
N/A
PXM11123732
***USE P4003G0732***
Item is no longer available
Price
N/A
PXM11123733
ALIGNMENT BLOCK
Item is no longer available
Price
N/A
PXM11123801
Now: PVA32
V-BELT A32
Price
N/A
PXM11123802
SET SCREW M5-.8 X 10
Price
N/A
P
HEAD KEY
$3.60
Enter quantity between 1 and 99
PXM11123804
Now: PW04M
FLAT WASHER 10MM
Price
N/A
PXM11123805
Now: PB32M
HEX BOLT M10-1.5 X 25
Price
N/A
PXM11123806
MOTOR 2HP 220V 1-PH
Price
N/A
P
MOTOR FAN COVER
$38.55
Enter quantity between 1 and 99
PXM11123806-2
***USE P4003G0806-2***
Item is no longer available
Price
N/A
P
MOTOR JUNCTION BOX
$19.30
Enter quantity between 1 and 99
PXM11123806-4
MOTOR TERMINAL BLOCK
Price
N/A
PXM11123806-5
MOTOR CAPACITOR COVER
Price
N/A
PXM11123806-6
*DISCD*S CAPACITOR 150M 250V
Price
N/A
P
SPLASH GUARD
$267.40
Enter quantity between 1 and 99
P
PULLEY
$50.95
Enter quantity between 1 and 99
PXM11123809
BRACKET
Item is no longer available
Price
N/A
PXM11123810
Now: PB01M
HEX BOLT M10-1.5 X 30
Price
N/A
PXM11123811
ROLL PIN 5 X 25
Price
N/A
PXM11123812
Now: PW04M
FLAT WASHER 10MM
Price
N/A
PXM11123813
CAP SCREW M6-1 X 25
Price
N/A
PXM11123814
***USE P4003G0814***
Item is no longer available
Price
N/A
PXM11123815
GAP PIECE
Item is no longer available
Price
N/A
PXM11123816
CAP SCREW M10-1.5 X 45
Price
N/A
PXM11123817
***USE P4003G0817***
Item is no longer available
Price
N/A
PXM11123818
Now: PS68M
PHLP HD SCR M6-1 X 10
Price
N/A
PXM11123819
Now: PW03M
FLAT WASHER 6MM
Price
N/A
PXM11123820
LATHE BED
Item is no longer available
Price
N/A
PXM11123820V2
LATHE BED V2.12.20
Item is no longer available
Price
N/A
P
CHIP PAN
$249.55
Enter quantity between 1 and 99
PXM11123822
***USE P4003G0822***
Item is no longer available
Price
N/A
PXM11123823
RIVET 2 X 5
Price
N/A
PXM11123824
***USE P4003G0824***
Item is no longer available
Price
N/A
PXM11123825
Now: PN02M
HEX NUT M10-1.5
Price
N/A
P
STUD-UDE M10-1.5 X 130 35/25
$4.05
Enter quantity between 1 and 99
PXM11123827
***USE P4003G0827***
Item is no longer available
Price
N/A
P
RIGHT STAND BASE
$884.35
Enter quantity between 1 and 99
P
RH DOOR LATCH ASSEMBLY
$14.70
Enter quantity between 1 and 99
P
RIGHT BRACKET
$38.55
Enter quantity between 1 and 99
PXM11123833
FRONT PLATE
Item is no longer available
Price
N/A
P
LEFT BRACKET
$38.55
Enter quantity between 1 and 99
PXM11123835
Now: PN01M
HEX NUT M6-1
Price
N/A
P
LEFT STAND BASE
$938.70
Enter quantity between 1 and 99
PXM11123836-1
LH DOOR LATCH ASSEMBLY
Item is no longer available
Price
N/A
PXM11123837
Now: PW10M
FLAT WASHER 14MM
Price
N/A
PXM11123838
HEX BOLT M14-2 X 50
Price
N/A
P
STAND LATCH
$10.95
Enter quantity between 1 and 99
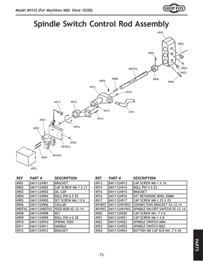
PXM11124901
BRACKET
Item is no longer available
Price
N/A
PXM11124902
CAP SCREW M6-1 X 11
Price
N/A
PXM11124903
***USE P4003G0903***
Item is no longer available
Price
N/A
PXM11124904
ROLL PIN 6 X 55
Price
N/A
PXM11124905
SET SCREW M6-1 X 6
Price
N/A
PXM11124906
***USE P4003G0906***
Item is no longer available
Price
N/A
PXM11124907
***USE P4003G0907***
Item is no longer available
Price
N/A
PXM11124907V2
***USE P4003G0907V2***
Item is no longer available
Price
N/A
PXM11124908
Now: PK15M
KEY 5 X 5 X 35
Price
N/A
PXM11124909
ROLL PIN 4 X 20
Price
N/A
PXM11124910
COMPRESSION SPRING 7020
Price
N/A
PXM11124911
SPINDLE SWITCH HANDLE M10-1.5 X 16
Price
N/A
PXM11124912
BRACKET
Price
N/A
PXM11124913
CAP SCREW M6-1 X 14
Price
N/A
PXM11124914
ROLL PIN 5 X 25
Price
N/A
PXM11124915
BRACKET
Item is no longer available
Price
N/A
PXM11124916
Now: PR15M
EXT RETAINING RING 30MM
Price
N/A
PXM11124917
CAP SCREW M8-1.25 X 25
Price
N/A
P
BRACKET V1
$24.15
Enter quantity between 1 and 99
PXM11124918V2
CONNECTION BRACKET V2.12.14
Item is no longer available
Price
N/A
PXM11124919
SPINDLE ROTARY SWITCH 10A V1
Price
N/A
PXM11124919V2
SPINDLE ON/OFF SWITCH
Price
N/A
PXM11124920
CAP SCREW M4-.7 X 6
Price
N/A
PXM11124921
CAP SCREW M6-1 X 8
Price
N/A
PXM11124922
SPINDLE SWITCH ARM
Price
N/A
PXM11124923
SPINDLE SWITCH BOX
Item is no longer available
Price
N/A
PXM11124924
***USE PBHS28M***
Item is no longer available
Price
N/A
P
COOLANT TANK
$72.45
Enter quantity between 1 and 99
P
COOLANT TANK DRAIN PLUG
$3.75
Enter quantity between 1 and 99
P
COOLANT PUMP ASSEMBLY
$459.35
Enter quantity between 1 and 99
PXM11125503
Now: PB94M
HEX BOLT M5-.8 X 25
Price
N/A
PXM11125504
FLEX TUBE
Item is no longer available
Price
N/A
P
MOUNTING PEDESTAL
$29.05
Enter quantity between 1 and 99
P
COOLANT STANDPIPE
$24.45
Enter quantity between 1 and 99
P
NOZZLE ASSEMBLY
$29.05
Enter quantity between 1 and 99
PXM11125508
Now: PS11M
PHLP HD SCR M6-1 X 16
Price
N/A
P
LENS V1
$4.90
Enter quantity between 1 and 99
PXM11125511V2
LENS V2.01.15
Item is no longer available
Price
N/A
P
BULB 50W 24VAC V1
$5.20
Enter quantity between 1 and 99
P
LED BULB 24V 3W BI-PIN V2.01.15
$19.45
Enter quantity between 1 and 99
PXM11125513
HALOGEN WORK LIGHT ASSY
Price
N/A
P
LAMP WIRING HARNESS
$7.20
Enter quantity between 1 and 99
PXM11125513V2
***USE P4003G1215V2***
Item is no longer available
Price
N/A
P
FLOW VALVE
$38.55
Enter quantity between 1 and 99
P
RUBBER DRAIN TUBE
$29.05
Enter quantity between 1 and 99
P
COOLANT PUMP CORD
$30.50
Enter quantity between 1 and 99
P
CHUCK UNIVERSAL 4-JAW 8"
$481.30
Enter quantity between 1 and 99
PXM11126401-1
***USE P4003G0001-2***
Item is no longer available
Price
N/A
P
FACEPLATE 10"
$106.10
Enter quantity between 1 and 99
P
OIL BOTTLE
$4.90
Enter quantity between 1 and 99
PXM11126404
***USE P4003G0004***
Item is no longer available
Price
N/A
PXM11126405
***USE P4003G0005***
Item is no longer available
Price
N/A
PXM11126406
***USE P4003G0006***
Item is no longer available
Price
N/A
PXM11126407
***USE P4003G0007***
Item is no longer available
Price
N/A
PXM11126409
WRENCH 12 X 14MM OPEN-ENDS
Price
N/A
PXM11126410
WRENCH 10 X 12MM OPEN-ENDS
Price
N/A
PXM11126411
***USE PWR911***
Item is no longer available
Price
N/A
P
DRILL CHUCK B16 1.5-13MM
$33.95
Enter quantity between 1 and 99
PXM11126413
***USE P4003G0013***
Item is no longer available
Price
N/A
PXM11126414
Now: PSDP2
SCREWDRIVER PHILLIPS #2
Price
N/A
PXM11126415
***USE PSDF2***
Item is no longer available
Price
N/A
PXM11126421
HEX WRENCH SET 2-10MM
Item is no longer available
Price
N/A
PXM11126422
***USE P4003G0022***
Item is no longer available
Price
N/A
PXM11126422V2
***USE P4003G0022V2***
Item is no longer available
Price
N/A
P
LIVE CENTER MT#3
$72.45
Enter quantity between 1 and 99
PXM11126424
***USE P4003G0024***
Item is no longer available
Price
N/A
PXM11126425
***USE P4003G0025***
Item is no longer available
Price
N/A
P
ARBOR B16-MT#3
$17.00
Enter quantity between 1 and 99
PXM11126427
***USE P4003G0027***
Item is no longer available
Price
N/A
P
QUICK CHANGE TOOL HOLDER
$38.55
Enter quantity between 1 and 99
PXM11126429
***USE P4003G0029***
Item is no longer available
Price
N/A
PXM11126430
***USE P4003G0030***
Item is no longer available
Price
N/A
PXM11126431
***USE P4003G0031***
Item is no longer available
Price
N/A
PXM11126432
***USE P4003G0032***
Item is no longer available
Price
N/A
P
GEAR 35T
$19.30
Enter quantity between 1 and 99
PXM11126434
***USE P4003G0034***
Item is no longer available
Price
N/A
PXM11126435
***USE P4003G0035***
Item is no longer available
Price
N/A
P
CHUCK 3-JAW
$467.20
Enter quantity between 1 and 99
PXM11126436-1
***USE P4003G0036-1***
Item is no longer available
Price
N/A
PXM11126436-2
***USE P4003G0036-2***
Item is no longer available
Price
N/A
PXM11126437
QUICK-CHANGE TOOL POST ASSY
Price
N/A
PXM11126438
STEADY REST
Item is no longer available
Price
N/A
PXM11126439
FOLLOW REST
Item is no longer available
Price
N/A
PXM11126441
CAM LOCK AND CAP SCREW SET
Item is no longer available
Price
N/A
P
HANDLE
$7.50
Enter quantity between 1 and 99
PXM11126501
TRANSFORMER
Item is no longer available
Price
N/A
PXM11126502
***USE P4003G1202***
Item is no longer available
Price
N/A
P
OL RELAY TIANSHUI JR54-09/25D 6-13A
$27.35
Enter quantity between 1 and 99
P
THERMAL RELAY
$133.70
Enter quantity between 1 and 99
PXM11126505
CONTACTOR TIANSHUI GSC1-1801
Price
N/A
PXM11126506
CONTACTOR TIANSHUI JZC3 40D
Price
N/A
PXM11126507
***USE P4003G1207***
Item is no longer available
Price
N/A
PXM11126508
***USE P4003G1208***
Item is no longer available
Price
N/A
PXM11126509
***USE P4003G1209***
Item is no longer available
Price
N/A
PXM11126510
***USE P4003G1203V2***
Item is no longer available
Price
N/A
PXM11126511
ELECTRICAL BOX
Item is no longer available
Price
N/A
PXM11126512
GASKET
Item is no longer available
Price
N/A
PXM11126513
ELECTRICAL BOX COVER
Item is no longer available
Price
N/A
PXM11126514
KNOB M6-1, D23, 7-LOBE
Item is no longer available
Price
N/A
PXM11126515
CAP SCREW M6-1 X 8
Price
N/A
PXM11126516
Now: PS03M
PHLP HD SCR M6-1 X 8
Price
N/A
PXM11127301
***USE P4003G1301***
Item is no longer available
Price
N/A
PXM11127302
SET SCREW M6-1 X 6
Price
N/A
PXM11127303
***USE P4003G1303***
Item is no longer available
Price
N/A
PXM11127304
***USE P4003G1304***
Item is no longer available
Price
N/A
P
FINGER W/BEARING
$19.30
Enter quantity between 1 and 99
PXM11127306
SET SCREW M6-1 X 8
Price
N/A
PXM11127307
UPPER STEADY REST CASTING
Item is no longer available
Price
N/A
PXM11127309
SET SCREW M6-1 X 20
Price
N/A
PXM11127310
Now: PN01M
HEX NUT M6-1
Price
N/A
PXM11127311
LOWER STEADY REST CASTING
Item is no longer available
Price
N/A
PXM11127312
***USE P4003G1312***
Item is no longer available
Price
N/A
PXM11127313
***USE P4003G1313***
Item is no longer available
Price
N/A
PXM11127314
Now: PN09M
HEX NUT M12-1.75
Price
N/A
PXM11127315
Now: PW06M
FLAT WASHER 12MM
Price
N/A
P
CLAMP PLATE
$19.30
Enter quantity between 1 and 99
PXM11127317
Now: PB43M
HEX BOLT M12-1.75 X 75
Price
N/A
PXM11127318
Now: PW01M
FLAT WASHER 8MM
Price
N/A
PXM11127319
***USE P4003G1319***
Item is no longer available
Price
N/A
PXM11127327
Now: PN01M
HEX NUT M6-1
Price
N/A
PXM11127328
SET SCREW M6-1 X 20
Price
N/A
PXM11127329
FOLLOW REST CASTING
Item is no longer available
Price
N/A
PXM11127330
CAP SCREW M8-1.25 X 60
Price
N/A
PXM11127331
SET SCREW M6-1 X 20
Price
N/A
PXM11127332
Now: PN01M
HEX NUT M6-1
Price
N/A
PXM11127600
Now: D3376
SHOP FOX NAMEPLATE-MEDIUM
Price
N/A
P
SPIDER ENTANGLEMENT LABEL
$6.50
Enter quantity between 1 and 99
PXM11127602
ELECTRICITY 1.4W X 1.2H
Price
N/A
P
DISCONNECT LABEL
$4.50
Enter quantity between 1 and 99
PXM11127604
READ MANUAL 2W X 3.3H V2.07.05
Price
N/A
P
ENTANGLEMENT HAZARD LABEL
$6.50
Enter quantity between 1 and 99
PXM11127606
SAFETY GLASSES 2W X 3.3H V2.04.08
Price
N/A
PXM11127607
MACHINE ID LABEL
Item is no longer available
Price
N/A
PXM11127608
MANUAL FOR M1112 04/08
Item is no longer available
Price
N/A
PXM1112BOX2
COMPLETE LEFT STAND ASSEMBLY BOX 2
Item is no longer available
Price
N/A
PXM1112BOX3
COMPLETE RIGHT STAND ASSEMBLY BOX 3
Item is no longer available
Price
N/A
PXM1112MAN
MANUAL FOR M1112 04/08
Price
N/A
PXM1112MANV2
MANUAL M1112 MFD-04.08-11.14 V2.03.12
Item is no longer available
Price
N/A
PXM1112MANV3
MANUAL M1112 MFD-12.14-11.20 V3.05.18
Item is no longer available
Price
N/A
PXM1112MANV4
MANUAL M1112 MFD-12.20+ V4.12.20
Item is no longer available
Price
N/A