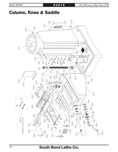
Parts for SB1027F 9" x 48" Electronic Variable-Speed 3 HP Turret Mill with DRO

Parts Diagrams for SB1027F - 9" x 48" Electronic Variable-Speed 3 HP Turret Mill with DRO

IMPORTANT

Parts may have multiple versions that have changed over time. This will be indicated by V1, V2, V3, etc. in the parts description, followed by the version month and year that it was first used. Example: V2.01.17 indicates version 2 of a part went into use in January 2017. Please reference the manufacture date on the ID Label for your machine to ensure you are selecting the correct part when multiple versions are indicated.

If you cannot locate your part below, please contact our tech support department at techsupport@grizzly.com or 570-546-9663.

Please note: All parts ship out of our Springfield, Missouri facility.

Parts List for Parts for SB1027F 9" x 48" Electronic Variable-Speed 3 HP Turret Mill with DRO

P
MOTOR ASSEMBLY V1
$2,979.55
Enter quantity between 1 and 99
PSB1027F1002
***USE PSB10271002***
Item is no longer available
Price
N/A
P
DRO ASSEMBLY FAGOR 3-AXIS
$5,874.50
Enter quantity between 1 and 99
PSB1027F1008-1
DRO DISPLAY FAGOR 30IM
Price
N/A
P
DRO X-AXIS SCALE FAGOR MKT-82
$1,130.25
Enter quantity between 1 and 99
PSB1027F1008-3
DRO Y-AXIS SCALE FAGOR MKT-37
Price
N/A
PSB1027F1008-4
DRO Z-AXIS SCALE FAGOR MKT-47
Price
N/A
P
MAIN POWER SWITCH MOELLER V2.02.22
$398.50
Enter quantity between 1 and 99
P
SWITCH BRACKET V2.02.22
$68.85
Enter quantity between 1 and 99
P
MACHINE ID LABEL
$16.40
Enter quantity between 1 and 99
P
MODEL NUMBER LABEL
$16.40
Enter quantity between 1 and 99
P
MANUAL SB1027F MFG 03/11 06/11
$14.25
Enter quantity between 1 and 99