Parts for SB1039 14" x 40" 16 Speed Lathe 220V

Parts Diagrams for SB1039 - 14" x 40" 16 Speed Lathe 220V

IMPORTANT

Parts may have multiple versions that have changed over time. This will be indicated by V1, V2, V3, etc. in the parts description, followed by the version month and year that it was first used. Example: V2.01.17 indicates version 2 of a part went into use in January 2017. Please reference the manufacture date on the ID Label for your machine to ensure you are selecting the correct part when multiple versions are indicated.

If you cannot locate your part below, please contact our tech support department at techsupport@grizzly.com or 570-546-9663.

Please note: All parts ship out of our Springfield, Missouri facility.

Parts List for Parts for SB1039 14" x 40" 16 Speed Lathe 220V

P
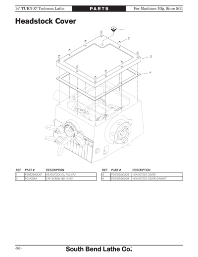
HEADSTOCK OIL FILL CAP
$10.65
Enter quantity between 1 and 99
PSB10390002
CAP SCREW M6-1 X 40
Price
N/A
P
HEADSTOCK COVER
$1,253.70
Enter quantity between 1 and 99
P
HEADSTOCK COVER GASKET
$98.80
Enter quantity between 1 and 99
P
SPINDLE SPEED SHIFT FORK
$113.25
Enter quantity between 1 and 99
PSB10390006
ROLL PIN 5 X 24
Price
N/A
P
RIGHT REAR SHIFT PIVOT ARM
$102.65
Enter quantity between 1 and 99
P
LEFT REAR SHIFT PIVOT ARM
$102.65
Enter quantity between 1 and 99
PSB10390009
E-CLIP 8MM
Price
N/A
PSB10390010
CAP SCREW M6-1 X 10
Price
N/A
P
LUBRICATION TRAY
$418.45
Enter quantity between 1 and 99
PSB10390012
SHIFT ROD
Price
N/A
P
RIGHT FRONT SHIFT PIVOT ARM
$139.50
Enter quantity between 1 and 99
P
LEFT FRONT SHIFT PIVOT ARM
$137.10
Enter quantity between 1 and 99
PSB10390015
ROLL PIN 3 X 16
Price
N/A
P
STEP PIN
$14.25
Enter quantity between 1 and 99
PSB10390017
Now: PR07M
EXT RETAINING RING 18MM
Price
N/A
P
SHIFT CAM WHEEL
$394.60
Enter quantity between 1 and 99
P
SHIFT SHAFT BUSHING
$35.35
Enter quantity between 1 and 99
PSB10390020
CAP SCREW M4-.7 X 10
Price
N/A
P
GEAR 40T
$157.95
Enter quantity between 1 and 99
P
CAM WHEEL END CAP
$226.45
Enter quantity between 1 and 99
PSB10390023
CAP SCREW M6-1 X 20
Price
N/A
PSB10390024
O-RING 43.7 X 3.5 P44 
Price
N/A
PSB10390025
SHIFT HANDLE HUB
Price
N/A
PSB10390026
CAP SCREW M5-.8 X 10
Price
N/A
PSB10390027
COMPRESSION SPRING M8 X 37
Price
N/A
PSB10390028
STEEL BALL 1/4
Price
N/A
P
COMPRESSION SPRING
$3.65
Enter quantity between 1 and 99
PSB10390030
SET SCREW M8-1.25 X 8
Price
N/A
PSB10390031
LONG SHIFT HANDLE
Price
N/A
P
SPEED SELECTOR PLATE
$35.35
Enter quantity between 1 and 99
PSB10390033
RIVET 2 X 5MM NAMEPLATE, STEEL
Price
N/A
PSB10390034
KEY 6 X 6 X 14
Price
N/A
P
SHIFT SHAFT
$79.15
Enter quantity between 1 and 99
PSB10390036
O-RING 17.8 X 2.4 P18
Price
N/A
P
SHIFT SHAFT FLAT WASHER
$17.85
Enter quantity between 1 and 99
PSB10390038
CAP SCREW M6-1 X 16
Price
N/A
PSB10390039
BRACKET PLUG
Price
N/A
P
COMPRESSION SPRING
$3.65
Enter quantity between 1 and 99
P
HIGH-LOW SHIFT FORK
$114.45
Enter quantity between 1 and 99
PSB10390042
Now: PR05M
EXT RETAINING RING 15MM
Price
N/A
P
PIVOT ARM
$91.20
Enter quantity between 1 and 99
PSB10390044
KEY 3 X 3 X 18
Price
N/A
P
HIGH-LOW SHIFT SHAFT
$92.10
Enter quantity between 1 and 99
PSB10390046
SHIFT ROD
Price
N/A
PSB10390047
O-RING 15.8 X 2.4 P16 
Price
N/A
P
SHAFT END CAP
$70.35
Enter quantity between 1 and 99
PSB10390049
CAP SCREW M5-.8 X 15
Price
N/A
PSB10390050
SHIFT HANDLE HUB
Price
N/A
P
COMPRESSION SPRING
$3.65
Enter quantity between 1 and 99
PSB10390052
CAP SCREW M12-1.75 X 40
Price
N/A
PSB10390053
LOCK WASHER 12MM
Price
N/A
PSB10390054
CAP SCREW M12-1.75 X 40
Price
N/A
P
OIL SIGHT GLASS 3/4"
$17.85
Enter quantity between 1 and 99
PSB10390056
COMPRESSION SPRING 6 X 27
Price
N/A
PSB10390057
O-RING 13.8 X 2.4 P14
Price
N/A
P
LEVER ARM
$219.80
Enter quantity between 1 and 99
PSB10390059
Now: PR06M
EXT RETAINING RING 16MM
Price
N/A
P
SHIFT FORK
$150.05
Enter quantity between 1 and 99
P
LUBRICATION TUBE 6 X 270MM
$52.90
Enter quantity between 1 and 99
PSB10390062
Now: PW04M
FLAT WASHER 10MM
Price
N/A
P
DIRECTION SHIFT FORK
$96.05
Enter quantity between 1 and 99
P
INDICATOR PLATE
$5.80
Enter quantity between 1 and 99
P
SHAFT END CAP
$79.15
Enter quantity between 1 and 99
PSB10390066
O-RING 54.6 X 5.7 P55
Price
N/A
PSB10390067
Now: PR15M
EXT RETAINING RING 30MM
Price
N/A
PSB10390068
BALL BEARING 6206-OPEN
Price
N/A
PSB10390069
Now: PR31M
EXT RETAINING RING 38MM
Price
N/A
P
SPLINED SHAFT
$963.05
Enter quantity between 1 and 99
P
COMBO GEAR 22T/72T
$1,559.20
Enter quantity between 1 and 99
P
COMBO GEAR 22T/38T
$938.25
Enter quantity between 1 and 99
P
COMBO GEAR 45T/52T
$1,167.10
Enter quantity between 1 and 99
P
OIL SEAL 40 X 62 X 12
$16.05
Enter quantity between 1 and 99
PSB10390075
O-RING 27.7 X 3.5 P28 
Price
N/A
P
PULLEY SHAFT SPACER
$125.05
Enter quantity between 1 and 99
PSB10390077
PULLEY WASHER 8MM
Price
N/A
PSB10390078
LOCK WASHER 8MM
Price
N/A
PSB10390079
CAP SCREW M8-1.25 X 25
Price
N/A
PSB10390082
BALL BEARING 6205-OPEN
Price
N/A
PSB10390083
Now: PR11M
EXT RETAINING RING 25MM
Price
N/A
P
DRIVE SHAFT END CAP
$89.70
Enter quantity between 1 and 99
PSB10390085
Now: PR09M
EXT RETAINING RING 20MM
Price
N/A
PSB10390086
BALL BEARING 6304-OPEN
Price
N/A
P
GEAR 30T
$476.10
Enter quantity between 1 and 99
P
GEAR 38T
$565.75
Enter quantity between 1 and 99
P
GEAR 22T
$331.50
Enter quantity between 1 and 99
P
SPINDLE PULLEY GEAR SHAFT 16T
$674.75
Enter quantity between 1 and 99
P
KEY 7 X 7 X 104
$9.10
Enter quantity between 1 and 99
P
KEY 7 X 7 X 53
$5.50
Enter quantity between 1 and 99
PSB10390093
O-RING 74.6 X 5.7 P75
Price
N/A
P
FLANGE BEARING SEAT
$209.25
Enter quantity between 1 and 99
PSB10390095
Now: PR38M
INT RETAINING RING 62MM
Price
N/A
P
SPINDLE PULLEY
$762.90
Enter quantity between 1 and 99
P
HEADSTOCK CASTING
$5,176.00
Enter quantity between 1 and 99
P
SPINDLE
$3,542.25
Enter quantity between 1 and 99
P
CAM LOCK BOLT
$49.25
Enter quantity between 1 and 99
PSB10390100
COMPRESSION SPRING M8 X 37
Price
N/A
PSB10390101
SPINDLE BOLT
Price
N/A
PSB10390102
CAM LOCK
Price
N/A
PSB10390103
KEY 10 X 6 X 85
Price
N/A
PSB10390104
KEY 7 X 7 X 35
Price
N/A
PSB10390105
CAP SCREW M6-1 X 30
Price
N/A
P
INBOARD SPINDLE BEARING COVER
$343.25
Enter quantity between 1 and 99
PSB10390107
BEARING COVER GASKET
Price
N/A
PSB10390108
TAPERED ROLLER BEARING 30213 NTN
Price
N/A
P
GEAR 72T
$1,686.90
Enter quantity between 1 and 99
P
GEAR 41T
$832.00
Enter quantity between 1 and 99
PSB10390111
Now: PR71M
EXT RETAINING RING 60MM
Price
N/A
PSB10390112
GEAR 42T
Price
N/A
PSB10390113
Now: PR91M
EXT RETAINING RING 56MM
Price
N/A
PSB10390114
TAPERED ROLLER BEARING 32011 NTN
Price
N/A
P
SPANNER NUT
$110.55
Enter quantity between 1 and 99
PSB10390116
END CAP GASKET
Price
N/A
PSB10390117
OUTBOARD SPINDLE END CAP
Price
N/A
P
SPINDLE BALANCE SLEEVE
$231.60
Enter quantity between 1 and 99
PSB10390122
SET SCREW M10-1.5 X 10
Price
N/A
P
GEAR FLAT WASHER
$10.65
Enter quantity between 1 and 99
P
COMBO GEAR 21T/42T
$979.05
Enter quantity between 1 and 99
PSB10390128
O-RING 20.8 X 2.4 P21 
Price
N/A
PSB10390129
GEAR SHAFT
Price
N/A
P
GEAR SHAFT FLAT WASHER
$9.10
Enter quantity between 1 and 99
P
COMBO GEAR 21T/42T
$999.55
Enter quantity between 1 and 99
PSB10390134
O-RING SPACER
Price
N/A
PSB10390135
GEAR SHAFT
Price
N/A
P
COMBO GEAR 21T/21T
$602.55
Enter quantity between 1 and 99
PSB10390137
GEAR SHAFT
Price
N/A
P
GEAR 21T
$357.75
Enter quantity between 1 and 99
PSB10390140
SPLINE SHAFT SPACER
Price
N/A
P
NEEDLE BEARING RNA-6904
$192.00
Enter quantity between 1 and 99
PSB10390143
FLANGED BEARING END CAP
Price
N/A
P
SPLINED SHAFT
$360.50
Enter quantity between 1 and 99
PSB10390145
OIL SEAL 28 X 44 X 7
Price
N/A
P
SQUARE HEAD OIL DRAIN PLUG 1/2 PT
$3.65
Enter quantity between 1 and 99
P
HEADSTOCK INFORMATION FRONT PANEL
$171.25
Enter quantity between 1 and 99
PSB10390201
SPLINE SHAFT
Price
N/A
PSB10390202
OIL SEAL 20 X 32 X 5
Price
N/A
P
NEEDLE ROLLER BEARING TAF202820
$152.80
Enter quantity between 1 and 99
PSB10390204
SLEEVE BEARING HOUSING
Price
N/A
PSB10390205
SLEEVE BEARING SPACER
Price
N/A
PSB10390206
Now: PR09M
EXT RETAINING RING 20MM
Price
N/A
PSB10390207
KEY 7 X 7 X 35
Price
N/A
PSB10390208
DOUBLE GEAR 19/20T
Price
N/A
PSB10390209
SPLINE SHAFT
Price
N/A
PSB10390210
SPLINE SHAFT END CAP
Price
N/A
PSB10390211
BALL BEARING 16004ZZ
Price
N/A
PSB10390212
BEARING SPACER
Price
N/A
PSB10390213
DOUBLE-ENDED GEAR 19T/30T
Price
N/A
PSB10390214
GEAR SPACER
Price
N/A
PSB10390215
Now: PR11M
EXT RETAINING RING 25MM
Price
N/A
PSB10390216
SPLINE SHAFT
Price
N/A
PSB10390217
SPLINE SHAFT
Price
N/A
P
WOODRUFF KEY 5 X 19
$4.85
Enter quantity between 1 and 99
PSB10390219
***SEE EXT. DESCRIPTION***
Price
N/A
PSB10390220
GEARBOX CASTING
Price
N/A
PSB10390221
BALL BEARING 16004ZZ
Price
N/A
PSB10390222
CLUTCH GEAR 38T
Price
N/A
PSB10390223
DOUBLE ENDED CLUTCH GEAR 23T/19T
Price
N/A
PSB10390224
SPACER
Price
N/A
PSB10390225
Now: PR23M
INT RETAINING RING 40MM
Price
N/A
PSB10390226
BALL BEARING 6203ZZ
Price
N/A
PSB10390227
CLUTCH RING
Price
N/A
PSB10390228
CLUTCH SPACER
Price
N/A
PSB10390229
Now: PR06M
EXT RETAINING RING 16MM
Price
N/A
PSB10390230
CLUTCH GEAR 35T
Price
N/A
PSB10390231
GEAR 22T
Price
N/A
PSB10390232
GEAR 19T
Price
N/A
PSB10390233
GEAR 20T
Price
N/A
PSB10390234
GEAR 24T
Price
N/A
PSB10390235
GEAR 23T
Price
N/A
PSB10390236
GEAR 27T
Price
N/A
PSB10390237
GEAR 24T
Price
N/A
PSB10390238
GEAR 28T
Price
N/A
PSB10390239
GEAR 26T
Price
N/A
PSB10390240
GEAR 38T
Price
N/A
PSB10390241
GEAR RETAINING NUT
Price
N/A
PSB10390242
Now: PR10M
EXT RETAINING RING 22MM
Price
N/A
PSB10390243
DOUBLE ENDED GEAR 36T/50T
Price
N/A
PSB10390244
GEAR 22T
Price
N/A
PSB10390245
GEAR 22T
Price
N/A
PSB10390246
GEAR 22T
Price
N/A
PSB10390247
GEAR 33T
Price
N/A
PSB10390248
GEAR 22T
Price
N/A
PSB10390249
Now: PR18M
EXT RETAINING RING 17MM
Price
N/A
PSB10390250
DOUBLE GEAR 20T/36T
Price
N/A
PSB10390251
SLEEVE BEARING SPACER
Price
N/A
PSB10390252
SPLINE SHAFT END CAP
Price
N/A
PSB10390253
OIL SEAL 20 X 32 X 5
Price
N/A
PSB10390254
SPLINE SHAFT
Price
N/A
PSB10390255
FLANGED SLEEVE BEARING
Price
N/A
PSB10390256
OIL SEAL 24 X 35 X 8
Price
N/A
PSB10390257
GEAR SHAFT
Price
N/A
PSB10390258
Now: PK15M
KEY 5 X 5 X 35
Price
N/A
PSB10390259
BALL BEARING 6001ZZ
Price
N/A
PSB10390260
Now: PR03M
EXT RETAINING RING 12MM
Price
N/A
PSB10390261
FLANGED SLEEVE BEARING
Price
N/A
PSB10390262
GEARBOX COVER GASKET
Price
N/A
PSB10390263
PARTITION NUT
Price
N/A
PSB10390264
UPPER PLATE
Price
N/A
PSB10390265
UPPER FORK SUPPORT
Price
N/A
PSB10390266
COMPRESSION SPRING 4 X 19
Price
N/A
PSB10390267
STEEL BALL 1/4
Price
N/A
PSB10390268
PARTITION
Price
N/A
PSB10390269
MIDDLE FORK SUPPORT
Price
N/A
PSB10390270
LOWER FORK SUPPORT
Price
N/A
PSB10390271
BOTTOM FORK SUPPORT
Price
N/A
PSB10390272
REVERSE STOP PLATE
Price
N/A
PSB10390273
PARTITION SPACER
Price
N/A
PSB10390274
SHOULDER PLATE
Price
N/A
PSB10390275
LEFT CONNECTOR PLATE
Price
N/A
PSB10390276
RIGHT CONNECTOR PLATE
Price
N/A
PSB10390277
BOTTOM FORK
Price
N/A
PSB10390278
MIDDLE FORK
Price
N/A
PSB10390279
MIDDLE FORK
Price
N/A
PSB10390280
LOWER FORK
Price
N/A
PSB10390281
ROLL PIN 3 X 16
Price
N/A
PSB10390282
CONNECTOR PIN
Price
N/A
PSB10390283
PIVOT ARM
Price
N/A
PSB10390284
CAM
Price
N/A
PSB10390285
SHIFT BRACKET
Price
N/A
PSB10390286
E-CLIP 8MM
Price
N/A
PSB10390287
BRACKET SPACER
Price
N/A
PSB10390288
Now: PR18M
EXT RETAINING RING 17MM
Price
N/A
P
WOODRUFF KEY 4 X 13
$3.95
Enter quantity between 1 and 99
PSB10390290
SHIFT ROD
Price
N/A
PSB10390291
STOP BLOCK
Price
N/A
PSB10390292
DOWEL PIN 5 X 24MM
Price
N/A
PSB10390293
RIGHT SHIFT FORK
Price
N/A
PSB10390294
STEEL BALL 1/4
Price
N/A
PSB10390295
COMPRESSION SPRING 4 X 19
Price
N/A
PSB10390296
STOP BLOCK
Price
N/A
PSB10390297
SHIFT ROCKER ARM
Price
N/A
PSB10390298
COMPRESSION SPRING 6 X 13
Price
N/A
PSB10390299
STEEL BALL 1/4
Price
N/A
PSB10390300
SHIFT SHAFT SUPPORT BAR
Price
N/A
PSB10390301
WOODRUFF KEY 4 X 13
Price
N/A
PSB10390302
SHIFT SHAFT
Price
N/A
PSB10390303
O-RING 17.8 X 2.4 P18
Price
N/A
PSB10390304
SHIFT SHAFT SLEEVE
Price
N/A
PSB10390305
SHIFT FORK
Price
N/A
PSB10390306
ROLL PIN 5 X 16
Price
N/A
P
SQUARE HD OIL PLUG 1/2 PT
$5.50
Enter quantity between 1 and 99
P
PIPE ELBOW 1/2 X 1/2 PT
$9.70
Enter quantity between 1 and 99
P
PIPE NIPPLE 1/2 X 1 PT
$6.40
Enter quantity between 1 and 99
P
GEARBOX FRONT COVER
$1,505.80
Enter quantity between 1 and 99
PSB10390311
SELECTOR ROD
Price
N/A
PSB10390312
O-RING 39.4 X 3.1 G40 
Price
N/A
PSB10390313
SELECTOR LEVER SUPPORT
Price
N/A
P
COMPRESSION SPRING 9 X 38MM
$5.50
Enter quantity between 1 and 99
PSB10390315
SELECTOR LEVER
Price
N/A
PSB10390316
O-RING 3.1 X 29.4 G30
Price
N/A
PSB10390317
SELECTOR LEVER END CAP
Price
N/A
PSB10390318
SELECTOR PLATE
Price
N/A
PSB10390319
SHIFTING HANDLE
Price
N/A
PSB10390320
COMPRESSION SPRING 9 X 38
Price
N/A
PSB10390321
HANDLE CAP
Price
N/A
P
OIL SIGHT GLASS
$17.85
Enter quantity between 1 and 99
P
CONTROL PANEL PLATE
$87.90
Enter quantity between 1 and 99
PSB10390324
CAP SCREW M6-1 X 12
Price
N/A
PSB10390325
CAP SCREW M5-.8 X 20
Price
N/A
PSB10390326
LOCK WASHER 6MM
Price
N/A
PSB10390327
CAP SCREW M6-1 X 12
Price
N/A
PSB10390328
CAP SCREW M6-1 X 35
Price
N/A
PSB10390329
ROLL PIN 4 X 24
Price
N/A
PSB10390330
SET SCREW M6-1 X 8
Price
N/A
PSB10390331
CAP SCREW M6-1 X 20
Price
N/A
PSB10390332
CAP SCREW M6-1 X 70
Price
N/A
PSB10390333
CAP SCREW M5-.8 X 25
Price
N/A
PSB10390334
CAP SCREW M6-1 X 12
Price
N/A
PSB10390335
CAP SCREW M5-.8 X 12
Price
N/A
PSB10390336
Now: PS17M
PHLP HD SCR M4-.7 X 6
Price
N/A
PSB10390337
CAP SCREW M8-1.25 X 65
Price
N/A
P
TAPER PIN #7 X 3-1/4"
$24.80
Enter quantity between 1 and 99
P
INNER RIGHT SHIFT PIVOT ARM
$94.85
Enter quantity between 1 and 99
PSB10390341
CAP SCREW M6-1 X 80
Price
N/A
PSB10390401
DOUBLE GEAR 18T/60T
Price
N/A
P
THRUST WASHER
$12.40
Enter quantity between 1 and 99
PSB10390403
ROLL PIN 4 X 22
Price
N/A
PSB10390404
DOUBLE GEAR 81T/60T
Price
N/A
P
DOWEL PIN 4 X 17
$3.65
Enter quantity between 1 and 99
PSB10390406
DOUBLE GEAR 72T/60T
Price
N/A
PSB10390407
SLEEVE BEARING
Price
N/A
PSB10390408
BRACKET PLUG
Price
N/A
PSB10390409
FEED CONTROL BRACKET
Price
N/A
P
OIL FILL CAP
$19.35
Enter quantity between 1 and 99
PSB10390411
SPLINE SHAFT
Price
N/A
PSB10390412
FEED CONTROL HANDLE
Price
N/A
PSB10390413
FEED CONTROL WORM
Price
N/A
PSB10390414
STEEL BALL 1/4
Price
N/A
PSB10390415
COMPRESSION SPRING 6 X 16
Price
N/A
PSB10390416
GEAR SHAFT
Price
N/A
PSB10390417
Now: PK14M
KEY 5 X 5 X 18
Price
N/A
PSB10390418
INCH GEAR 81T
Price
N/A
PSB10390419
ROLL PIN 5 X 36
Price
N/A
P
OIL SIGHT GLASS
$21.20
Enter quantity between 1 and 99
PSB10390421
Now: PR06M
EXT RETAINING RING 16MM
Price
N/A
PSB10390422
GEAR 18T
Price
N/A
PSB10390423
O-RING 17.8 X 2.4 P18
Price
N/A
PSB10390424
GEAR SHAFT
Price
N/A
PSB10390425
ROLL PIN 4 X 24
Price
N/A
PSB10390426
FEED DIRECTION PIVOT ARM
Price
N/A
PSB10390427
FEED DIRECTION SHAFT
Price
N/A
PSB10390428
O-RING 15.8 X 2.4 P16 
Price
N/A
PSB10390429
O-RING 25.7 X 3.5 P26 
Price
N/A
PSB10390430
FEED DIRECTION SHAFT SLEEVE
Price
N/A
PSB10390431
FEED DIRECTION KNOB
Price
N/A
PSB10390432
DIRECTION PLATE
Price
N/A
PSB10390434
O-RING 11.8 X 2.4 P12 
Price
N/A
PSB10390435
GEAR SHAFT
Price
N/A
PSB10390437
COMPRESSION SPRING 4 X 19
Price
N/A
PSB10390438
PINION BRACKET
Price
N/A
PSB10390439
GEAR SHAFT 18T
Price
N/A
P
WOODRUFF KEY 5 X 19
$5.50
Enter quantity between 1 and 99
PSB10390441
INCH GEAR SHAFT SLEEVE
Price
N/A
PSB10390442
INCH INDEX RING
Price
N/A
PSB10390444
COMPRESSION SPRING 6 X 16
Price
N/A
PSB10390445
HANDWHEEL
Price
N/A
PSB10390446
HANDWHEEL WASHER 6MM
Price
N/A
PSB10390447
HANDWHEEL HANDLE
Price
N/A
PSB10390448
DOUBLE GEAR 72T/60T
Price
N/A
PSB10390449
Now: PW03M
FLAT WASHER 6MM
Price
N/A
PSB10390450
Now: PW03M
FLAT WASHER 6MM
Price
N/A
PSB10390451
BEVEL GEAR 23T
Price
N/A
P
THRUST NEEDLE BEARING 2542-NTB/AS
$36.90
Enter quantity between 1 and 99
PSB10390453
APRON CASTING
Price
N/A
P
CYLINDRICAL ROLLER BEARING 2930
$151.30
Enter quantity between 1 and 99
PSB10390455
BEARING SPACER
Price
N/A
PSB10390456
Now: PR11M
EXT RETAINING RING 25MM
Price
N/A
PSB10390458
GEAR 18T
Price
N/A
PSB10390459
ROLL PIN 5 X 22
Price
N/A
PSB10390461
GEAR 18T
Price
N/A
PSB10390462
GEAR SPACER
Price
N/A
PSB10390463
BEVEL GEAR 64T
Price
N/A
PSB10390465
WOODRUFF KEY 4 X 13
Price
N/A
PSB10390466
HALF-NUT LEVER SHAFT
Price
N/A
PSB10390467
OIL FENCE
Price
N/A
PSB10390468
HALF-NUT LEVER
Price
N/A
PSB10390469
HALF-NUT LEVER HUB
Price
N/A
P
COMPRESSION SPRING 6 X 27MM
$3.65
Enter quantity between 1 and 99
PSB10390472
ROLL PIN 4 X 24
Price
N/A
PSB10390473
O-RING 19.8 X 2.4 P20 
Price
N/A
PSB10390474
CLAMP STEP SCREW
Price
N/A
PSB10390475
CAM SHAFT
Price
N/A
PSB10390476
STEP PIN
Price
N/A
PSB10390477
PIVOT LEVER
Price
N/A
PSB10390478
RETAINING BLOCK
Price
N/A
PSB10390479
INCH HALF-NUT
Price
N/A
PSB10390480
HALF-NUT GIB
Price
N/A
PSB10390481
APRON CASTING BOTTOM COVER
Price
N/A
P
OIL DRAIN PLUG 1/8 PT
$3.65
Enter quantity between 1 and 99
PSB10390483
ROLL PIN 4 X 36
Price
N/A
PSB10390484
SET SCREW M5-.8 X 6
Price
N/A
PSB10390485
CAP SCREW M5-.8 X 35
Price
N/A
PSB10390486
SET SCREW M8-1.25 X 8
Price
N/A
PSB10390487
Now: PS08M
PHLP HD SCR M5-.8 X 12
Price
N/A
PSB10390488
Now: PW03M
FLAT WASHER 6MM
Price
N/A
PSB10390489
CAP SCREW M6-1 X 25
Price
N/A
PSB10390490
SET SCREW M6-1 X 25
Price
N/A
PSB10390491
CAP SCREW M6-1 X 16
Price
N/A
PSB10390492
Now: PW03M
FLAT WASHER 6MM
Price
N/A
PSB10390493
CAP SCREW M5-.8 X 25
Price
N/A
PSB10390494
Now: PS17M
PHLP HD SCR M4-.7 X 6
Price
N/A
PSB10390495
CAP SCREW M5-.8 X 8
Price
N/A
PSB10390496
SET SCREW M6-1 X 6
Price
N/A
PSB10390497
CAP SCREW M5-.8 X 16
Price
N/A
PSB10390498
HANDWHEEL GUARD
Item is no longer available
Price
N/A
PSB10390501
TOOL POST HANDLE
Price
N/A
PSB10390502
TURRET NUT
Price
N/A
PSB10390503
TURRET NUT COLLAR
Price
N/A
PSB10390504
TOOL POST BOLT
Price
N/A
PSB10390505
TOOL POST BODY
Price
N/A
PSB10390506
TOOL POST STUD
Price
N/A
PSB10390507
BEVELED PLUNGER
Price
N/A
PSB10390508
COMPRESSION SPRING 6 X 27
Price
N/A
PSB10390509
TOOL POST BASE
Price
N/A
PSB10390510
COMPOUND SLIDE ASSY
Price
N/A
P
COMPOUND SLIDE ASSY
$1,981.55
Enter quantity between 1 and 99
PSB10390511
COMPOUND SLIDE ASSY
Price
N/A
PSB10390512
COMPOUND SLIDE ASSY
Price
N/A
PSB10390513
COMPOUND SLIDE ASSY
Price
N/A
PSB10390514
COMPOUND SLIDE LEADSCREW W/NUT
Price
N/A
P
COMPOUND SLIDE LEADSCREW W/NUT
$449.20
Enter quantity between 1 and 99
PSB10390515
COMPOUND SLIDE LEADSCREW W/NUT
Price
N/A
PSB10390515A
COMPOUND LEADSCREW W/NUT
Item is no longer available
Price
N/A
PSB10390516
THRUST BEARING 51101
Price
N/A
PSB10390517
INDEX PLATE
Price
N/A
PSB10390518
LEADSCREW SUPPORT BRACKET
Price
N/A
PSB10390519
DUAL INDEX RING
Price
N/A
P
FLANGE BEARING SEAT
$108.70
Enter quantity between 1 and 99
PSB10390521
BALL HANDLE
Price
N/A
PSB10390522
HANDLE
Price
N/A
PSB10390524
CAP SCREW M6-1 X 10
Price
N/A
PSB10390525
SET SCREW M6-1 X 8
Price
N/A
PSB10390526
CAP SCREW M6-1 X 20
Price
N/A
PSB10390527
RIVET 2 X 5MM NAMEPLATE, STEEL
Price
N/A
PSB10390528
SET SCREW M8-1.25 X 12
Price
N/A
PSB10390529
BALL OILER 1/4 PRESS-IN
Price
N/A
PSB10390530
STEEL BALL 1/4
Price
N/A
PSB10390531
SET SCREW M8-1.25 X 10
Price
N/A
PSB10390532
SET SCREW M6-1 X 8
Price
N/A
P
GIB ADJUSTMENT SCREW
$28.10
Enter quantity between 1 and 99
PSB10390602
CROSS SLIDE
Price
N/A
PSB10390603
PIVOT STUD 18 X 28
Price
N/A
PSB10390604
COMPOUND T-BOLT
Price
N/A
PSB10390605
CROSS SLIDE GIB
Price
N/A
PSB10390606
TOOL POST BOLT KEY
Price
N/A
PSB10390607
LEADSCREW BEARING HOUSING
Price
N/A
P
THRUST BEARING 1226-NTB/AS2
$40.50
Enter quantity between 1 and 99
PSB10390609
BEARING COLLAR
Price
N/A
PSB10390610
LEADSCREW SLEEVE BEARING
Price
N/A
PSB10390611
CROSS SLIDE LEADSCREW W/NUT
Price
N/A
PSB10390612
CROSS SLIDE LEADSCREW W/NUT
Price
N/A
PSB10390613
CROSS SLIDE LEADSCREW W/NUT
Price
N/A
P
CROSS SLIDE LEADSCREW W/NUT
$745.70
Enter quantity between 1 and 99
PSB10390614
KEY 3 X 3 X 80
Price
N/A
PSB10390615
ROLL PIN 5 X 40
Price
N/A
P
CUTTING FLUID NOZZLE 3/8 PT X 24"
$155.25
Enter quantity between 1 and 99
P
CUTTING FLUID STAND PIPE ASSY 3/8 PT
$157.95
Enter quantity between 1 and 99
PSB10390618
CROSS LEADSCREW END BRACKET
Price
N/A
PSB10390619
SADDLE
Price
N/A
P
SADDLE STRAIGHT WAY WIPER
$22.95
Enter quantity between 1 and 99
P
SADDLE STRAIGHT WAY WIPER PLATE
$10.65
Enter quantity between 1 and 99
P
OIL FILL CAP 3/4 NF
$10.65
Enter quantity between 1 and 99
P
TAPER PIN #6 X 2-1/2"
$9.10
Enter quantity between 1 and 99
PSB10390624
BEDWAY WIPER
Price
N/A
PSB10390625
BEDWAY WIPER PLATE
Price
N/A
PSB10390626
PINION 160DP 16T
Price
N/A
PSB10390627
PINION BRACKET
Price
N/A
PSB10390628
STEEL BALL 1/4
Price
N/A
PSB10390629
COMPRESSION SPRING 6 X 15
Price
N/A
P
THRUST BEARING 1730-NTB/AS2
$42.30
Enter quantity between 1 and 99
PSB10390631
BEARING CAP 18 X 52 X 4
Price
N/A
PSB10390632
INDEX DIAL HOUSING
Price
N/A
P
GRADUATED DIAL
$355.35
Enter quantity between 1 and 99
PSB10390634
CARRIAGE HANDWHEEL
Price
N/A
PSB10390635
HANDWHEEL WASHER 6MM
Price
N/A
PSB10390636
HANDWHEEL HANDLE
Price
N/A
PSB10390637
HANDWHEEL HANDLE SCREW
Price
N/A
PSB10390638
SADDLE GIB SET
Price
N/A
PSB10390639
REAR GIB PRESSURE BAR
Price
N/A
PSB10390640
FRONT GIB PRESSURE BAR
Price
N/A
PSB10390641
GEAR WASHER 5MM
Price
N/A
PSB10390642
GEAR 16T
Price
N/A
PSB10390643
GEAR SHAFT
Price
N/A
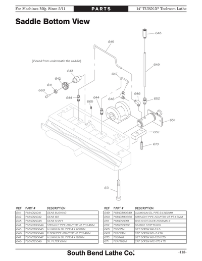
P
STRAIGHT PIPE ADAPTER 1/8 PT X 4MM
$7.60
Enter quantity between 1 and 99
P
ALUMINUM OIL PIPE 4 X 260MM
$91.20
Enter quantity between 1 and 99
P
ELBOW PIPE ADAPTER 1/8 PT X 4MM
$12.75
Enter quantity between 1 and 99
P
ALUMINUM OIL PIPE 4 X 120MM
$42.30
Enter quantity between 1 and 99
PSB10390648
OIL FILTER 6MM
Price
N/A
P
ALUMINUM OIL PIPE 6 X 160MM
$63.45
Enter quantity between 1 and 99
P
STRAIGHT PIPE ADAPTER 1/8 PT X 6MM
$10.65
Enter quantity between 1 and 99
PSB10390651
SADDLE OIL PUMP ASSEMBLY
Price
N/A
PSB10390652
SUPPORT BRACKET
Price
N/A
PSB10390654
Now: PK52M
KEY 3 X 3 X 15
Price
N/A
PSB10390655
BALL OILER 1/4 PRESS-IN
Price
N/A
PSB10390656
SET SCREW M6-1 X 30
Price
N/A
PSB10390657
CAP SCREW M6-1 X 30
Price
N/A
PSB10390658
Now: PN02M
HEX NUT M10-1.5
Price
N/A
PSB10390659
Now: PW04M
FLAT WASHER 10MM
Price
N/A
PSB10390660
Now: PS08M
PHLP HD SCR M5-.8 X 12
Price
N/A
PSB10390661
CAP SCREW M6-1 X 25
Price
N/A
PSB10390662
Now: PN02M
HEX NUT M10-1.5
Price
N/A
PSB10390663
CAP SCREW M6-1 X 20
Price
N/A
PSB10390664
CAP SCREW M8-1.25 X 60
Price
N/A
PSB10390665
SET SCREW M6-1 X 8
Price
N/A
PSB10390666
CAP SCREW M4-.7 X 10
Price
N/A
PSB10390667
CAP SCREW M6-1 X 20
Price
N/A
PSB10390668
CAP SCREW M6-1 X 20
Price
N/A
PSB10390669
CAP SCREW M5-.8 X 16
Price
N/A
PSB10390670
SET SCREW M8-1.25 X 35
Price
N/A
PSB10390671
CAP SCREW M12-1.75 X 75
Price
N/A
PSB10390701
CAP SCREW M10-1.5 X 60
Price
N/A
PSB10390702
RIVET 2 X 5MM NAMEPLATE, STEEL
Price
N/A
PSB10390703
INCH INDEX RING
Price
N/A
PSB10390704
INCH MICROMETER DIAL
Price
N/A
PSB10390705
CARRIAGE STOP BODY
Price
N/A
PSB10390706
INCH THREADED STOP ROD
Price
N/A
PSB10390707
CLAMP PLATE
Price
N/A
PSB10390708
SET SCREW M10-1.5 X 20
Price
N/A
PSB10390709
COPPER PLUNGER
Price
N/A
PSB10390710
SET SCREW M8-1.25 X 16
Price
N/A
P
DOG PT SET SCR M8-1.25 X 12
$3.05
Enter quantity between 1 and 99
PSB10390712
SET SCREW M8-1.25 X 12
Price
N/A
PSB10390751
DIAL INDICATOR INDEX PLATE
Price
N/A
PSB10390752
PIVOT SHAFT
Price
N/A
PSB10390753
DIAL INDICATOR CASTING
Price
N/A
PSB10390754
STUD-DE M8-1.25 X 100 18/12
Price
N/A
P
DOUBLED-END LOCK STUD
$17.85
Enter quantity between 1 and 99
PSB10390757
GEAR SPACER
Price
N/A
PSB10390758
DIAL GEAR 16T
Price
N/A
PSB10390759
CAP SCREW M6-1 X 10
Price
N/A
PSB10390760
SET SCREW M6-1 X 6
Price
N/A
PSB10390761
Now: PN03M
HEX NUT M8-1.25
Price
N/A
PSB10390801
BED CASTING
Price
N/A
PSB10390802
BED END STOP BOLT
Price
N/A
PSB10390803
Now: PB24M
HEX BOLT M12-1.75 X 45
Price
N/A
PSB10390804
Now: PW06M
FLAT WASHER 12MM
Price
N/A
PSB10390805
CAP SCREW M6-1 X 20
Price
N/A
PSB10390806
ROLL PIN 6 X 25
Price
N/A
PSB10390807
LEADSCREW LOCK NUT
Price
N/A
PSB10390808
SET SCREW M6-1 X 8
Price
N/A
PSB10390809
THRUST BEARING 51203
Price
N/A
PSB10390810
SHAFT END BRACKET
Price
N/A
PSB10390811
BALL OILER 1/4 PRESS-IN
Price
N/A
P
FEED ROD END CAP
$17.85
Enter quantity between 1 and 99
PSB10390813
SET SCREW M12-1.75 X 12
Price
N/A
P
COMPRESSION SPRING
$3.65
Enter quantity between 1 and 99
PSB10390815
STEEL BALL 3/8
Price
N/A
PSB10390816
CAP SCREW M8-1.25 X 35
Price
N/A
P
TAPER PIN #6 X 2"
$14.25
Enter quantity between 1 and 99
P
SPINDLE ON/OFF LEVER KNOB
$70.35
Enter quantity between 1 and 99
PSB10390819
SPINDLE ROD LEVER
Price
N/A
PSB10390820
Now: PN09M
HEX NUT M12-1.75
Price
N/A
PSB10390821
STEP PIN
Price
N/A
P
THRUST BEARING 1831-NTB/AS2
$40.50
Enter quantity between 1 and 99
PSB10390823
SPINDLE LEVER HUB
Price
N/A
PSB10390824
LOCK COLLAR
Price
N/A
PSB10390825
SET SCREW M6-1 X 8
Price
N/A
PSB10390826
LONGITUDINAL LEADSCREW 4 TPI
Item is no longer available
Price
N/A
PSB10390827
FEED ROD
Item is no longer available
Price
N/A
PSB10390828
SPINDLE LEVER HUB BRACKET
Price
N/A
PSB10390829
SPINDLE ROD SLEEVE
Price
N/A
PSB10390830
COMPRESSION SPRING 38 X 75
Price
N/A
PSB10390831
SPRING HOUSING
Price
N/A
PSB10390832
Now: PR37M
EXT RETAINING RING 32MM
Price
N/A
PSB10390833
SPINDLE ROD
Item is no longer available
Price
N/A
PSB10390834
FEED ROD LOCK COLLAR
Price
N/A
PSB10390835
CAP SCREW M6-1 X 20
Price
N/A
PSB10390836
CLUTCH COLLAR ASSEMBLY
Price
N/A
PSB10390836A
CLUTCH COLLAR ASSEMBLY
Price
N/A
PSB10390837
CLUTCH COLLAR ASSEMBLY
Price
N/A
P
TAPER PIN #4 X 1-1/4"
$5.50
Enter quantity between 1 and 99
PSB10390839
THRUST BEARING 51203
Price
N/A
PSB10390840
Now: PK20M
KEY 5 X 5 X 15
Price
N/A
PSB10390841
LEADSCREW SLEEVE BEARING
Price
N/A
PSB10390842
COMPRESSION SPRING 27 X 55
Price
N/A
PSB10390843
Now: PR37M
EXT RETAINING RING 32MM
Price
N/A
PSB10390844
LEADSCREW SHEAR PIN
Price
N/A
PSB10390845
SHEAR PIN WASHER
Price
N/A
PSB10390846
SHEAR PIN COLLAR
Price
N/A
PSB10390847
SET SCREW M6-1 X 6
Price
N/A
P
SPRING 8 X 32
$3.65
Enter quantity between 1 and 99
P
BED RACK
$714.30
Enter quantity between 1 and 99
PSB10390850
GAP RACK
Item is no longer available
Price
N/A
PSB10390851
SET SCREW M8-1.25 X 12
Price
N/A
P
CAPTIVE PIN
$14.25
Enter quantity between 1 and 99
P
SPINDLE SWITCH PIVOT ARM
$137.70
Enter quantity between 1 and 99
PSB10390854
E-CLIP 6MM
Price
N/A
P
SPINDLE SWITCH LINKAGE ROD
$79.15
Enter quantity between 1 and 99
P
SPINDLE SWITCH BRACKET
$79.15
Enter quantity between 1 and 99
P
SPINDLE SWITCH
$53.45
Enter quantity between 1 and 99
PSB10390858
CAP SCREW M6-1 X 16
Price
N/A
P
LOCK COLLAR
$41.10
Enter quantity between 1 and 99
PSB10390860
CAP SCREW M6-1 X 10
Price
N/A
PSB10390861
Now: PS68M
PHLP HD SCR M6-1 X 10
Price
N/A
P
SPINDLE SWITCH COVER BOX
$126.55
Enter quantity between 1 and 99
PSB10390863
HALOGEN LAMP ASSEMBLY
Price
N/A
PSB10390863-1
LAMP BODY
Price
N/A
PSB10390863-2
HALOGEN BULB 24V
Price
N/A
PSB10390863-3
LENS
Price
N/A
PSB10390863-4
LENS RETAINER
Price
N/A
PSB10390863-5
Now: PS55M
PHLP HD SCR M3-.5 X 10
Price
N/A
PSB10390863-6
LAMP TERMINAL BLOCK 2P
Price
N/A
PSB10390864
CAP SCREW M10-1.5 X 25
Price
N/A
P
GAP INSERT THREADED TAPER PIN
$24.80
Enter quantity between 1 and 99
PSB10390866
Now: PN03M
HEX NUT M8-1.25
Price
N/A
PSB10390901
CAP SCREW M6-1 X 20
Price
N/A
PSB10390902
GEAR WASHER 6MM
Price
N/A
P
GEAR 24T
$100.25
Enter quantity between 1 and 99
PSB10390904
PIVOT ARM
Price
N/A
PSB10390905
KEY 7 X 7 X 15
Price
N/A
PSB10390906
Now: PN32M
HEX NUT M14-2
Price
N/A
PSB10390907
GEAR WASHER 14MM
Price
N/A
PSB10390908
Now: PR25M
INT RETAINING RING 47MM
Price
N/A
PSB10390909
DOUBLE GEAR 44T/56T
Price
N/A
PSB10390910
BALL BEARING 6005ZZ
Price
N/A
PSB10390911
BEARING SPACER
Price
N/A
PSB10390912
GEAR SHAFT BUSHING
Price
N/A
PSB10390913
GEAR SHAFT
Price
N/A
PSB10390914
Now: PK28M
KEY 7 X 7 X 29
Price
N/A
PSB10390915
STUD-FT M14-2 110 110
Price
N/A
PSB10390916
CAP SCREW M8-1.25 X 20
Price
N/A
P
GEAR FLAT WASHER
$16.05
Enter quantity between 1 and 99
PSB10390918
GEAR 57T
Price
N/A
PSB10390919
GEAR BUSHING
Price
N/A
P
HEADSTOCK LEFT COVER
$934.65
Enter quantity between 1 and 99
PSB10391002
KNURLED SIDE COVER KNOB M10-1.5
Price
N/A
PSB10391003
Now: PVB76
V-BELT B76
Price
N/A
PSB10391004
STUD-DE M10-1.5 X 135 30/30
Price
N/A
PSB10391005
Now: PN02M
HEX NUT M10-1.5
Price
N/A
PSB10391006
Now: PS68M
PHLP HD SCR M6-1 X 10
Price
N/A
PSB10391007
MOTOR COVER
Price
N/A
PSB10391008
Now: PN03M
HEX NUT M8-1.25
Price
N/A
PSB10391009
STUD-SE M8-1.25 X 50 20
Price
N/A
PSB10391010
BRAKE BELT EXTENSION SPRING
Price
N/A
PSB10391011
CAP SCREW M8-1.25 X 120
Price
N/A
P
MOTOR MOUNT PIVOT ROD
$157.95
Enter quantity between 1 and 99
P
MOTOR MOUNT PLATE
$552.50
Enter quantity between 1 and 99
PSB10391014
CAP SCREW M10-1.5 X 25
Price
N/A
PSB10391015
CAP SCREW M6-1 X 16
Price
N/A
P
BRAKE LINKAGE CAM COLLAR
$56.20
Enter quantity between 1 and 99
PSB10391017
BRAKE BELT BRACKET
Price
N/A
P
BRAKE BELT TOP CLAMP PLATE
$47.45
Enter quantity between 1 and 99
PSB10391019
Now: PW01M
FLAT WASHER 8MM
Price
N/A
PSB10391020
CAP SCREW M8-1.25 X 45
Price
N/A
PSB10391021
E-CLIP 8MM
Price
N/A
PSB10391022
PULLEY WASHER 10 X 39 X 5MM
Price
N/A
PSB10391023
BRAKE BELT
Price
N/A
PSB10391024
CAPTIVE PIN
Price
N/A
P
TAPER PIN #4 X 1-3/4"
$4.85
Enter quantity between 1 and 99
P
BRAKE BELT BOTTOM CLAMP PLATE
$17.85
Enter quantity between 1 and 99
P
MOTOR PULLEY
$776.20
Enter quantity between 1 and 99
PSB10391028
Now: PN13M
HEX NUT M16-2
Price
N/A
PSB10391029
STUD-FT M16-2 X 170 170
Price
N/A
P
MOTOR MOUNT STUD WASHER
$3.65
Enter quantity between 1 and 99
PSB10391031
RUBBER CUSHION SLEEVE
Price
N/A
PSB10391032
CAP SCREW M6-1 X 12
Price
N/A
PSB10391033
Now: PN04M
HEX NUT M4-.7
Price
N/A
PSB10391034
CAP SCREW M10-1.5 X 45
Price
N/A
PSB10391035
Now: PW04M
FLAT WASHER 10MM
Price
N/A
P
BRAKE SWITCH BRACKET
$79.15
Enter quantity between 1 and 99
P
BRAKE SWITCH
$43.50
Enter quantity between 1 and 99
PSB10391038
Now: PS51M
PHLP HD SCR M4-.7 X 30
Price
N/A
PSB10391039
LOCK COLLAR
Price
N/A
PSB10391040
Now: PB51M
HEX BOLT M16-2 X 50
Price
N/A
P
RIGHT CABINET REAR ACCESS PANEL
$137.10
Enter quantity between 1 and 99
PSB10391042
CAP SCREW M6-1 X 10
Price
N/A
PSB10391043
Now: PW03M
FLAT WASHER 6MM
Price
N/A
P
MASTER POWER SWITCH OUTSIDE DIAL
$42.30
Enter quantity between 1 and 99
P
ELECTRICAL CABINET W/DOOR-LATCH
$934.65
Enter quantity between 1 and 99
PSB10391045
Now: PW01M
FLAT WASHER 8MM
Price
N/A
PSB10391046
CAP SCREW M8-1.25 X 20
Price
N/A
PSB10391047
Now: PS65M
PHLP HD SCR M4-.7 X 40
Price
N/A
P
HEADSTOCK LEFT COVER SAFETY SWITCH
$79.15
Enter quantity between 1 and 99
P
MOTOR 5/2.5HP 220V 3PH
$1,970.50
Enter quantity between 1 and 99
P
MOTOR FAN COVER
$105.40
Enter quantity between 1 and 99
P
MOTOR FAN
$168.50
Enter quantity between 1 and 99
P
MOTOR JUNCTION BOX
$16.65
Enter quantity between 1 and 99
PSB10391101
BRAKE PEDAL SHAFT
Item is no longer available
Price
N/A
PSB10391102
BRAKE FOOT PEDAL
Price
N/A
PSB10391103
LOCK COLLAR
Price
N/A
PSB10391104
CAP SCREW M6-1 X 16
Price
N/A
PSB10391105
CAP SCREW M3-.5 X 10
Price
N/A
PSB10391106
CAP SCREW M6-1 X 10
Price
N/A
PSB10391107
Now: PW03M
FLAT WASHER 6MM
Price
N/A
PSB10391108
CENTER PANEL
Item is no longer available
Price
N/A
PSB10391109
CAP SCREW M6-1 X 20
Price
N/A
P
FLANGE BEARING
$80.95
Enter quantity between 1 and 99
P
CENTER PANEL BRACKET
$56.20
Enter quantity between 1 and 99
PSB10391112
Now: PS68M
PHLP HD SCR M6-1 X 10
Price
N/A
PSB10391115
Now: PS05M
PHLP HD SCR M5-.8 X 8
Price
N/A
PSB10391116
RIGHT GEARBOX COVER
Price
N/A
PSB10391117
CHIP DRAWER
Item is no longer available
Price
N/A
PSB10391118
FLAT HD SCR M5-.8 X 8
Price
N/A
P
ACCESS PANEL
$273.85
Enter quantity between 1 and 99
P
CHUCK GUARD PIVOT BRACKET
$126.55
Enter quantity between 1 and 99
PSB10391121
SET SCREW M8-1.25 X 12
Price
N/A
PSB10391122
Now: PN04M
HEX NUT M4-.7
Price
N/A
PSB10391123
LOCK WASHER 6MM
Price
N/A
PSB10391124
CAP SCREW M6-1 X 12
Price
N/A
PSB10391125
SAFETY SWITCH BRACKET
Price
N/A
PSB10391126
CHUCK GUARD SAFETY SWITCH
Price
N/A
PSB10391127
Now: PS65M
PHLP HD SCR M4-.7 X 40
Price
N/A
PSB10391128
Now: PN03M
HEX NUT M8-1.25
Price
N/A
PSB10391129
Now: PW01M
FLAT WASHER 8MM
Price
N/A
PSB10391130
CAP SCREW M8-1.25 X 20
Price
N/A
PSB10391131
SPLASH GUARD
Item is no longer available
Price
N/A
P
CHUCK GUARD KNOB
$7.25
Enter quantity between 1 and 99
PSB10391133
Now: PN09M
HEX NUT M12-1.75
Price
N/A
PSB10391134
CAP SCREW M12-1.75 X 20
Price
N/A
PSB10391135
CHUCK GUARD ROD
Price
N/A
P
CHUCK GUARD
$820.85
Enter quantity between 1 and 99
PSB10391137
CAP SCREW M6-1 X 12
Price
N/A
PSB10391138
SET SCREW M5-.8 X 16
Price
N/A
P
CUTTING FLUID CHUTE
$152.80
Enter quantity between 1 and 99
P
CUTTING FLUID HOSE 3/8 PT X 74"
$90.60
Enter quantity between 1 and 99
P
PIPE NIPPLE 3/8 PT X 3/8 PH
$12.75
Enter quantity between 1 and 99
P
CUTTING FLUID PUMP 1/8HP 220V 3PH
$368.30
Enter quantity between 1 and 99
P
CUTTING FLUID RESERVOIR
$429.00
Enter quantity between 1 and 99
P
CUTTING FLUID ACCESS PANEL
$210.45
Enter quantity between 1 and 99
P
LEFT CABINET
$5,302.15
Enter quantity between 1 and 99
P
RIGHT CABINET
$3,955.55
Enter quantity between 1 and 99
P
SPLASH GUARD SUPPORT
$110.55
Enter quantity between 1 and 99
P
2-SPEED MOTOR SWITCH 4P/8P 25A
$171.25
Enter quantity between 1 and 99
PSB10391201
INCH TAILSTOCK LEADSCREW W/NUT
Price
N/A
PSB10391202
INCH TAILSTOCK LEADSCREW W/NUT
Price
N/A
PSB10391203
Now: PK34M
KEY 5 X 5 X 20
Price
N/A
P
THRUST BEARING 2035-NTB/AS2
$44.10
Enter quantity between 1 and 99
PSB10391205
INCH LEADSCREW FLANGE BRACKET
Price
N/A
PSB10391206
Now: PR37M
EXT RETAINING RING 32MM
Price
N/A
PSB10391207
INDEX DIAL SPACER
Price
N/A
PSB10391208
INCH INDEX RING
Price
N/A
PSB10391209
HANDWHEEL
Price
N/A
PSB10391210
HANDWHEEL WASHER 6MM
Price
N/A
PSB10391211
HANDLE BOLT M8-1.25 X 90
Price
N/A
PSB10391212
HANDWHEEL HANDLE
Price
N/A
PSB10391213
COMPRESSION SPRING 6 X 16
Price
N/A
PSB10391214
STEEL BALL 1/4
Price
N/A
PSB10391215
QUILL LOCK LEVER
Price
N/A
PSB10391216
QUILL LOCK CAM SHAFT
Price
N/A
PSB10391217
HANDWHEEL HANDLE
Price
N/A
PSB10391218
TAILSTOCK LOCK CAM SHAFT
Price
N/A
PSB10391219
ROLL PIN 4 X 24
Price
N/A
PSB10391221
BALL OILER 1/4 PRESS-IN
Price
N/A
P
TAILSTOCK CASTING
$1,618.40
Enter quantity between 1 and 99
PSB10391223
TAILSTOCK QUILL
Price
N/A
PSB10391224
QUILL GUIDE KEY
Price
N/A
PSB10391225
TOP OFFSET INDEX PLATE
Price
N/A
PSB10391226
BOTTOM OFFSET INDEX PLATE
Price
N/A
PSB10391227
TAILSTOCK ALIGNMENT PIN
Price
N/A
PSB10391228
PIVOT BLOCK
Price
N/A
PSB10391229
DOG PT SET SCREW
Price
N/A
PSB10391230
TAILSTOCK BASE
Price
N/A
PSB10391231
GIB ADJUSTMENT SCREW
Price
N/A
PSB10391232
V-WAY WIPER
Price
N/A
PSB10391233
V-WAY WIPER PLATE
Price
N/A
P
STRAIGHT WAY WIPER PLATE
$10.65
Enter quantity between 1 and 99
P
STRAIGHT WAY WIPER
$28.10
Enter quantity between 1 and 99
PSB10391236
TAILSTOCK GIB
Price
N/A
PSB10391237
COMPRESSION SPRING 25 X 45
Price
N/A
PSB10391238
CLAMP BLOCK
Price
N/A
PSB10391239
STUD-FT M14-2 110 110
Price
N/A
PSB10391240
CAP SCREW M6-1 X 16
Price
N/A
PSB10391241
SET SCREW M6-1 X 12
Price
N/A
PSB10391242
CAP SCREW M6-1 X 12
Price
N/A
PSB10391243
CAP SCREW M8-1.25 X 70
Price
N/A
PSB10391244
CAP SCREW M8-1.25 X 60
Price
N/A
PSB10391245
Now: PB05M
HEX BOLT M6-1 X 8
Price
N/A
PSB10391246
CAP SCREW M6-1 X 16
Price
N/A
PSB10391247
Now: PS08M
PHLP HD SCR M5-.8 X 12
Price
N/A
PSB10391248
Now: PW04M
FLAT WASHER 10MM
Price
N/A
PSB10391249
CAP SCREW M10-1.5 X 40
Price
N/A
PSB10391250
Now: PW10M
FLAT WASHER 14MM
Price
N/A
PSB10391251
Now: PN32M
HEX NUT M14-2
Price
N/A
PSB10391252
Now: PN03M
HEX NUT M8-1.25
Price
N/A
PSB10391253
RIVET 2 X 5MM NAMEPLATE, STEEL
Price
N/A
PSB10391254
LOCK WASHER 10MM
Price
N/A
PSB10391300
STEADY REST ASSEMBLY
Price
N/A
PSB10391301
FINGER ADJUSTMENT KNOB
Price
N/A
PSB10391302
ROLL PIN 4 X 40
Price
N/A
PSB10391303
FINGER COLLAR
Price
N/A
PSB10391304
FINGER STUD
Price
N/A
PSB10391305
STEADY REST FINGER
Price
N/A
PSB10391306
BEARING DOWEL PIN
Price
N/A
PSB10391307
BALL BEARING 627ZZ
Price
N/A
PSB10391308
SET SCREW M8-1.25 X 8
Price
N/A
PSB10391309
CLAMP STUD KNOB
Price
N/A
PSB10391310
CLAMP STUD
Price
N/A
PSB10391311
CLAMP DOWEL PIN
Price
N/A
PSB10391312
STEADY REST ASSEMBLY
Price
N/A
PSB10391312A
STEADY REST ASSEMBLY
Price
N/A
PSB10391313
STEADY REST ASSEMBLY
Price
N/A
PSB10391314
HINGE PIN
Price
N/A
PSB10391315
SINGLE WING SCREW
Price
N/A
PSB10391316
Now: PN09M
HEX NUT M12-1.75
Price
N/A
PSB10391317
Now: PW06M
FLAT WASHER 12MM
Price
N/A
P
STUD-DE M14-2 X 80 28/35
$56.20
Enter quantity between 1 and 99
PSB10391319
CLAMP PLATE
Price
N/A
PSB10391350
FOLLOW REST ASSEMBLY
Price
N/A
PSB10391351
FINGER ADJUSTMENT KNOB
Price
N/A
PSB10391352
ROLL PIN 4 X 40
Price
N/A
PSB10391353
FINGER COLLAR
Price
N/A
PSB10391354
FINGER STUD
Price
N/A
PSB10391355
FOLLOW REST FINGER
Price
N/A
PSB10391356
FINGER TIP
Price
N/A
PSB10391357
SET SCREW M8-1.25 X 8
Price
N/A
PSB10391358
FOLLOW REST ASSEMBLY
Price
N/A
P
ELECTRICAL BACKPLATE
$420.85
Enter quantity between 1 and 99
P
CONTACTOR AB C09400 220V
$99.65
Enter quantity between 1 and 99
P
MASTER POWER SWITCH
$166.65
Enter quantity between 1 and 99
P
OL RELAY AB 193-T1AC21 17.5-21.5A
$128.95
Enter quantity between 1 and 99
PSB10391405
OL RELAY AB193-T1AA40 0.25-0.4A
Price
N/A
PSB10391406
CIRCUIT BREAKER 25A AB 1492-SP D25 3P
Price
N/A
PSB10391407
CIRCUIT BREAKER 6A AB 1489-A D6 1P
Price
N/A
P
TRANSFORMER TBSW11 140VA 220/440-24/220V
$163.05
Enter quantity between 1 and 99
P
TERMINAL BLOCK 3 POST (30A)
$14.25
Enter quantity between 1 and 99
P
TERMINAL BLOCK 3 POST (15A)
$29.00
Enter quantity between 1 and 99
P
CONTROL PANEL PLATE
$87.90
Enter quantity between 1 and 99
PSB10391411
JOG BUTTON AB 800FP-F3 22MM GRN
Price
N/A
PSB10391412
E-STOP BUTTON AB 800FD-MT44X01
Price
N/A
PSB10391413
POWER INDICATOR LIGHT AB 800FD P7N3 22MM
Price
N/A
P
CUTTING FLUID SWITCH
$61.60
Enter quantity between 1 and 99
P
FUSE ASSEMBLY 4A
$3.65
Enter quantity between 1 and 99
P
FUSE ASSEMBLY 1/2A
$1.85
Enter quantity between 1 and 99
P
CONTACTOR AB C2301 24V
$441.95
Enter quantity between 1 and 99
PSB1039143-1
MASTER POWER SWITCH OUTSIDE DIAL
Price
N/A
PSB10391501
10" 4 Jaw Ind. Chuck D1-5
Price
N/A
PSB10391501-1
10" 4 Jaw Ind. Chuck D1-5
Price
N/A
PSB10391501-2
10" 4 Jaw Ind. Chuck D1-5
Price
N/A
PSB10391502
8" High Precision 3 Jaw Scroll Chuck
Price
N/A
PSB10391502-1
8" High Precision 3 Jaw Scroll Chuck
Price
N/A
PSB10391502-2
8" High Precision 3 Jaw Scroll Chuck
Price
N/A
PSB10391502-3
CHUCK 3-JAW REVERSE JAW SET
Item is no longer available
Price
N/A
P
CHUCK 3-JAW 8" W/2PC JAW SET V2.05.11
$1,154.40
Enter quantity between 1 and 99
P
FACEPLATE ASSEMBLY 10"
$854.95
Enter quantity between 1 and 99
P
FACEPLATE BODY 10"
$634.20
Enter quantity between 1 and 99
P
FACEPLATE CAMLOCK STUD SET
$172.10
Enter quantity between 1 and 99
P
CHUCK 3-JAW KEY
$72.20
Enter quantity between 1 and 99
PSB10391505
CHUCK 4-JAW KEY
Item is no longer available
Price
N/A
PSB10391506
TOOL POST T-WRENCH
Price
N/A
P
DEAD CENTER MT#3 HSS TIP
$16.05
Enter quantity between 1 and 99
P
DEAD CENTER MT#3 CARBIDE TIP
$38.10
Enter quantity between 1 and 99
P
SPINDLE SLEEVE MT#3/MT#5
$105.40
Enter quantity between 1 and 99
PSB10391511
WRENCH 10 X 12MM OPEN-ENDS
Price
N/A
PSB10391512
WRENCH 14 X 17MM OPEN-ENDS
Price
N/A
PSB10391513
WRENCH 22 X 24MM OPEN-ENDS
Price
N/A
PSB10391514
Now: PSDF2
SCREWDRIVER FLAT #2
Price
N/A
PSB10391515
Now: PSDP2
SCREWDRIVER PHILLIPS #2
Price
N/A
PSB10391516
HEX WRENCH 1.5-10MM 10PC SET
Price
N/A
PSB10391517
TOOLBOX
Price
N/A
PSB10391518
HEX WRENCH 8MM
Price
N/A
PSB10391519
8-1/4" D1-5 Back Plate
Price
N/A
P
CAMLOCK KEY D1-5
$73.70
Enter quantity between 1 and 99
P
MACHINE ID LABEL
$16.40
Enter quantity between 1 and 99
PSB10391602
AUTHORIZED PERSONNEL NOTICE LABEL
Price
N/A
PSB10391603
READ MANUAL LABEL 2.5 X 1.5
Price
N/A
PSB10391604
CHANGING SPEED NOTICE LABEL
Price
N/A
PSB10391605
CHANGING GEARS LABEL
Price
N/A
PSB10391606
ENTANGLEMENT LABEL 2.5 X 1.5
Price
N/A
PSB10391607
CHUCK KEY HAZARD LABEL
Price
N/A
PSB10391608
SAFETY GLASSES LABEL 2.5 X 1.5
Price
N/A
PSB10391609
SB GRAY TOUCH-UP AEROSOL 5oz
Price
N/A
PSB10391610
DISCONNECT POWER LABEL 2.5 X 1.5
Price
N/A
PSB10391611
BIOHAZARD LABEL 2.5 X 1.5
Price
N/A
P
BED/WAY DESCRIPTION LABEL
$1.05
Enter quantity between 1 and 99
PSB10391613
SB DK BLUE TOUCH-UP AEROSOL 5oz
Price
N/A
PSB10391614
TOOLROOM SERIES LABEL
Item is no longer available
Price
N/A
PSB10391615
RELEASE BOLT NOTICE LABEL
Price
N/A
PSB10391616
THREAD DIAL CHART LABEL
Price
N/A
PSB10391617
ONE-SHOT OILER LABEL
Price
N/A
PSB10391618
MODEL NUMBER LABEL
Item is no longer available
Price
N/A
PSB10391619
SB LT BLUE TOUCH-UP AEROSOL 5oz
Price
N/A
PSB10391620
Nameplate 255mm
Price
N/A
PSB10391621
ELECTRICITY LABEL 0.7
Price
N/A
PSB10391622
220V 3PH LABEL
Price
N/A
PSB10391623
MACHINE INFORMATION LABEL
Item is no longer available
Price
N/A
P
FLUID CAPACITIES LABEL
$1.05
Enter quantity between 1 and 99
P
MANUAL FOR SB1039-52 MFG 05.11 10.11
$17.00
Enter quantity between 1 and 99