Parts for SB1039F 14" x 40" 16-Speed 220V 3-Phase Lathe with Fagor DRO

Parts Diagrams for SB1039F - 14" x 40" 16-Speed 220V 3-Phase Lathe with Fagor DRO

IMPORTANT

Parts may have multiple versions that have changed over time. This will be indicated by V1, V2, V3, etc. in the parts description, followed by the version month and year that it was first used. Example: V2.01.17 indicates version 2 of a part went into use in January 2017. Please reference the manufacture date on the ID Label for your machine to ensure you are selecting the correct part when multiple versions are indicated.

If you cannot locate your part below, please contact our tech support department at techsupport@grizzly.com or 570-546-9663.

Please note: All parts ship out of our Springfield, Missouri facility.

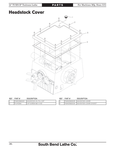
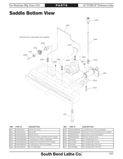
Parts List for Parts for SB1039F 14" x 40" 16-Speed 220V 3-Phase Lathe with Fagor DRO

P
DRO ASSEMBLY FAGOR 2-AXIS
$4,056.65
Enter quantity between 1 and 99
PSB1039F1518-1
DRO DISPLAY FAGOR 20-IT
Price
N/A
PSB1039F1518-2
DRO Z-AXIS SCALE FAGOR MKT-102
Price
N/A
P
DRO Y-AXIS SCALE FAGOR MKT-22
$651.40
Enter quantity between 1 and 99
P
MACHINE ID LABEL
$16.40
Enter quantity between 1 and 99
P
MODEL NUMBER LABEL
$16.40
Enter quantity between 1 and 99
P
MANUAL SB1038F MFG-4/11-06/11 V1.06.11
$18.25
Enter quantity between 1 and 99