Parts for SB1040 18" Vertical Bandsaw - 1PH

Parts Diagrams for SB1040 - 18" Vertical Bandsaw - 1PH

IMPORTANT

Parts may have multiple versions that have changed over time. This will be indicated by V1, V2, V3, etc. in the parts description, followed by the version month and year that it was first used. Example: V2.01.17 indicates version 2 of a part went into use in January 2017. Please reference the manufacture date on the ID Label for your machine to ensure you are selecting the correct part when multiple versions are indicated.

If you cannot locate your part below, please contact our tech support department at techsupport@grizzly.com or 570-546-9663.

Please note: All parts ship out of our Springfield, Missouri facility.

Parts List for Parts for SB1040 18" Vertical Bandsaw - 1PH

PSB1040001
LOWER REAR COVER
Price
N/A
PSB1040002
Now: PB07M
HEX BOLT M8-1.25 X 25
Price
N/A
PSB1040003
Now: PW01M
FLAT WASHER 8MM
Price
N/A
PSB1040004
LOWER FRAME
Price
N/A
PSB1040005
Now: PN06M
HEX NUT M5-.8
Price
N/A
PSB1040006
Now: PS03M
PHLP HD SCR M6-1 X 8
Price
N/A
PSB1040007
LOWER DOOR
Price
N/A
PSB1040008
Now: PS05M
PHLP HD SCR M5-.8 X 8
Price
N/A
PSB1040009
Nameplate 203mm
Price
N/A
PSB1040010
DOOR HANDLE
Price
N/A
PSB1040011
LOCK WASHER 8MM
Price
N/A
PSB1040012
BASE
Price
N/A
PSB1040013
CAP SCREW M8-1.25 X 25
Price
N/A
PSB1040014
LOCK KNOB
Price
N/A
P
BOTTOM WHEEL RUBBER TIRE
$33.55
Enter quantity between 1 and 99
PSB1040016
LOWER WHEEL18"
Price
N/A
PSB1040017
Now: PS16M
PHLP HD SCR M8-1.25 X 16
Price
N/A
PSB1040018
RIVET 5 X 20MM BLIND, STEEL
Price
N/A
PSB1040019
CHIP DEFLECTOR
Price
N/A
PSB1040020
CAP SCREW M8-1.25 X 25
Price
N/A
P
WHEEL BRUSH
$6.40
Enter quantity between 1 and 99
PSB1040022
BRUSH BRACKET
Price
N/A
PSB1040023
Now: PW03M
FLAT WASHER 6MM
Price
N/A
PSB1040024
LOCK WASHER 6MM
Price
N/A
PSB1040025
Now: PB08M
HEX BOLT M6-1 X 20
Price
N/A
PSB1040026
FLANGE NUT M4-.7
Price
N/A
P
BOTTOM DOOR SAFETY SWITCH
$56.20
Enter quantity between 1 and 99
PSB1040028
Now: PB08M
HEX BOLT M6-1 X 20
Price
N/A
PSB1040029
Now: PS48M
PHLP HD SCR M4-.7 X 50
Price
N/A
PSB1040030
REVOLVING HANDWHEEL HANDLE 3/8-16
Price
N/A
PSB1040031
HANDWHEEL TYPE 23 6D 5/8B-S X 3/18-16
Price
N/A
PSB1040032
SET SCREW M8-1.25 X 8
Price
N/A
PSB1040033
FRONT VENT COVER
Price
N/A
PSB1040034
LOCK COLLAR 22 X 13
Price
N/A
P
RUBBER RING 25 X 7
$1.85
Enter quantity between 1 and 99
PSB1040036
LEADSCREW NUT 30 X 40 X 70
Price
N/A
P
SPEED LEADSCREW
$22.70
Enter quantity between 1 and 99
P
SHAFT LOCK COLLAR 16 X 16
$5.15
Enter quantity between 1 and 99
PSB1040039
BEVEL GEAR 2.5 X 17
Price
N/A
PSB1040040
BEVEL GEAR 2.5 X 17
Price
N/A
P
SPEED TRANSFER SHAFT
$31.15
Enter quantity between 1 and 99
PSB1040042
BRACKET
Price
N/A
PSB1040043
Now: PW04M
FLAT WASHER 10MM
Price
N/A
PSB1040044
LOCK WASHER 10MM
Price
N/A
PSB1040045
Now: PB01M
HEX BOLT M10-1.5 X 30
Price
N/A
PSB1040046
POWER CORD 14G 3C 5-15
Item is no longer available
Price
N/A
PSB1040101
AIR HOSE 6.6 X 1 X 2600MM
Price
N/A
PSB1040102
AIR NOZZLE
Price
N/A
PSB1040103
Now: PB08M
HEX BOLT M6-1 X 20
Price
N/A
PSB1040104
LOCK WASHER 6MM
Price
N/A
PSB1040105
Now: PW03M
FLAT WASHER 6MM
Price
N/A
PSB1040106
BALL BEARING 6201ZZ
Price
N/A
PSB1040107
PUMP HOUSING
Price
N/A
PSB1040108
AIR PUMP PULLEY
Price
N/A
PSB1040109
SET SCREW M8-1.25 X 8
Price
N/A
PSB1040110
Now: PVA36
V-BELT A36
Price
N/A
PSB1040111
CAP SCREW M6-1 X 20
Price
N/A
PSB1040112
PUMP ROTOR
Price
N/A
PSB1040113
ROTOR BLADE
Price
N/A
PSB1040114
NOZZLE HOUSING
Price
N/A
PSB1040115
END CAP
Price
N/A
PSB1040116
CAP SCREW M6-1 X 16
Price
N/A
PSB1040117
MOTOR PULLEY
Price
N/A
PSB1040118
Now: PVM26
V-BELT M26 3L260
Price
N/A
P
STATIONARY PULLEY PLATE
$49.85
Enter quantity between 1 and 99
PSB1040120
BALL BEARING 6202ZZ
Price
N/A
PSB1040121
Now: PR03M
EXT RETAINING RING 12MM
Price
N/A
PSB1040122
***USE P0806100***
Price
N/A
PSB1040123
MOTOR CORD 12G 3C
Item is no longer available
Price
N/A
P
*DISCD*MOTOR 1HP 110/220V 1PH
$312.60
Enter quantity between 1 and 99
PSB1040124-1
MOTOR FAN COVER
Item is no longer available
Price
N/A
PSB1040124-2
MOTOR FAN
Item is no longer available
Price
N/A
PSB1040124-3
MOTOR JUNCTION BOX
Item is no longer available
Price
N/A
PSB1040124-4
CAPACITOR COVER
Item is no longer available
Price
N/A
PSB1040124-5
S CAPACITOR 400M 125V 1-3/4 X 4 TECO
Price
N/A
PSB1040125
Now: PK21M
KEY 5 X 5 X 23
Price
N/A
PSB1040126
Now: PN03M
HEX NUT M8-1.25
Price
N/A
PSB1040127
LOCK WASHER 8MM
Price
N/A
PSB1040128
Now: PW01M
FLAT WASHER 8MM
Price
N/A
PSB1040129
Now: PB20M
HEX BOLT M8-1.25 X 35
Price
N/A
PSB1040130
Now: PB12M
HEX BOLT M12-1.75 X 55
Price
N/A
PSB1040131
HEX BOLT M12-1.75 X 70
Price
N/A
P
LINKING PLATE
$6.40
Enter quantity between 1 and 99
PSB1040133
Now: PW06M
FLAT WASHER 12MM
Price
N/A
PSB1040134
Now: PN09M
HEX NUT M12-1.75
Price
N/A
P
PULLEY PLATE SUPPORT ARM
$35.35
Enter quantity between 1 and 99
PSB1040136
FLAT HD SCR M5-.8 X 12
Price
N/A
PSB1040137
Now: PVA43
V-BELT A43
Price
N/A
PSB1040138
MOVABLE PULLEY
Price
N/A
PSB1040139
Now: PB14M
HEX BOLT M10-1.5 X 35
Price
N/A
PSB1040140
Now: PB38M
HEX BOLT M12-1.75 X 60
Price
N/A
PSB1040141
DRIVE CHAIN SUPPORT BRACKET
Price
N/A
PSB1040142
BALL BEARING 6205ZZ
Price
N/A
PSB1040143
BEARING SEAT
Price
N/A
PSB1040144
CAP SCREW M8-1.25 X 30
Price
N/A
P
SPROCKET RETAINING HUB
$31.15
Enter quantity between 1 and 99
P
PULLEY PLATE SHAFT
$16.35
Enter quantity between 1 and 99
P
PULLEY PLATE HUB
$30.55
Enter quantity between 1 and 99
PSB1040148
CHAIN 33 LINKS
Price
N/A
PSB1040149
SPROCKET 55T
Price
N/A
PSB1040150
CAP SCREW M8-1.25 X 16
Price
N/A
PSB1040151
LOCK WASHER 10MM
Price
N/A
PSB1040152
Now: PK42M
KEY 6 X 6 X 30
Price
N/A
PSB1040153
SHAFT
Price
N/A
PSB1040154
KEY 6 X 6 X 45
Price
N/A
PSB1040155
Now: PB26M
HEX BOLT M8-1.25 X 30
Price
N/A
PSB1040157
***USE P0806160***
Price
N/A
P
PILLOW BLOCK MOUNTING PLATE
$25.40
Enter quantity between 1 and 99
PSB1040159
Now: PK74M
KEY 6 X 6 X 35
Price
N/A
PSB1040160
Now: PB14M
HEX BOLT M10-1.5 X 35
Price
N/A
PSB1040161
Now: PVA47
V-BELT A47
Price
N/A
PSB1040162
Now: PR08M
EXT RETAINING RING 19MM
Price
N/A
PSB1040163
PULLEY
Price
N/A
PSB1040164
CAP SCREW M8-1.25 X 35
Price
N/A
PSB1040165
BEARING SEAT
Price
N/A
PSB1040166
BALL BEARING 6204ZZ
Price
N/A
PSB1040167
SPROCKET SHAFT 13T
Price
N/A
P
SHAFT BLOCK
$12.40
Enter quantity between 1 and 99
PSB1040169
SHAFT
Price
N/A
PSB1040170
Now: PR05M
EXT RETAINING RING 15MM
Price
N/A
PSB1040171
Now: PR21M
INT RETAINING RING 35MM
Price
N/A
PSB1040172
PULLEY
Price
N/A
PSB1040173
Now: PR21M
INT RETAINING RING 35MM
Price
N/A
PSB1040174
Now: PR05M
EXT RETAINING RING 15MM
Price
N/A
PSB1040175
BRACKET
Price
N/A
PSB1040176
PIVOT SHAFT
Price
N/A
PSB1040177
PULLEY
Price
N/A
PSB1040178
Now: PR25M
INT RETAINING RING 47MM
Price
N/A
P
SUPPORT BASE
$33.55
Enter quantity between 1 and 99
P
MOTOR CORD GROMMET
$1.60
Enter quantity between 1 and 99
PSB1040181
BALL BEARING 6202ZZ
Price
N/A
PSB1040201
CAP SCREW M8-1.25 X 35
Price
N/A
PSB1040202
WELDING STATION COVER
Price
N/A
PSB1040203
Now: PW03M
FLAT WASHER 6MM
Price
N/A
PSB1040204
CAP SCREW M6-1 X 25
Price
N/A
P
ROUND KNOB M8
$1.60
Enter quantity between 1 and 99
PSB1040206
SHEAR LEVER 5/16-18
Price
N/A
PSB1040207
LOCKING LINK ASSEMBLY
Price
N/A
PSB1040208
SPACER 4.5 X 15 X 6MM
Price
N/A
PSB1040209
LOCK WASHER 8MM
Price
N/A
P
TRACKING BRACKET
$46.20
Enter quantity between 1 and 99
P
UPPER SHEAR BLADE
$25.10
Enter quantity between 1 and 99
PSB1040212
CAP SCREW M8-1.25 X 30
Price
N/A
PSB1040213
Now: PW01M
FLAT WASHER 8MM
Price
N/A
PSB1040214
SHEAR BRACKET
Price
N/A
PSB1040215
Now: PN01M
HEX NUT M6-1
Price
N/A
PSB1040216
LOWER SHEAR BLADE
Price
N/A
PSB1040217
CAP SCREW M5-.8 X 8
Price
N/A
PSB1040218
ALIGNMENT BRACKET
Price
N/A
PSB1040219
Now: PS04M
PHLP HD SCR M8-1.25 X 20
Price
N/A
PSB1040220
SPACER 4.5 X 15 X 6MM
Price
N/A
PSB1040221
Now: PS40M
PHLP HD SCR M5-.8 X 16
Price
N/A
PSB1040222
***USE P0806044***
Price
N/A
P
TOP DOOR LATCH SPACER
$1.60
Enter quantity between 1 and 99
P
TOP DOOR LATCH
$2.75
Enter quantity between 1 and 99
PSB1040225
Now: PN06M
HEX NUT M5-.8
Price
N/A
PSB1040226
LOCK WASHER 5MM
Price
N/A
PSB1040227
SAFETY SWITCH BRACKET
Price
N/A
PSB1040228
Now: PS11M
PHLP HD SCR M6-1 X 16
Price
N/A
PSB1040229
Now: PS08M
PHLP HD SCR M5-.8 X 12
Price
N/A
P
TOP DOOR
$226.45
Enter quantity between 1 and 99
PSB1040231
CAP SCREW M10-1.5 X 60
Price
N/A
PSB1040232
Now: PW04M
FLAT WASHER 10MM
Price
N/A
PSB1040233
LOCK WASHER 10MM
Price
N/A
PSB1040234
Now: PN02M
HEX NUT M10-1.5
Price
N/A
PSB1040235
Now: PN06M
HEX NUT M5-.8
Price
N/A
PSB1040236
LOCK WASHER 5MM
Price
N/A
P
DOOR HINGE
$5.80
Enter quantity between 1 and 99
PSB1040238
Now: PS40M
PHLP HD SCR M5-.8 X 16
Price
N/A
PSB1040239
BLADE GUIDE ASSEMBLY
Price
N/A
PSB1040240
HOSE CLAMP
Price
N/A
P
BLADE GUIDE BRACKET
$20.30
Enter quantity between 1 and 99
P
DOWEL PIN 11 X 70
$7.90
Enter quantity between 1 and 99
P
THREADED PIN 10 X 65
$2.45
Enter quantity between 1 and 99
PSB1040244
CAP SCREW M10-1.5 X 45
Price
N/A
PSB1040245
CAP SCREW M6-1 X 16
Price
N/A
PSB1040246
LOCK WASHER 6MM
Price
N/A
P
RETURN BLADE GUARD
$14.50
Enter quantity between 1 and 99
PSB1040248
CAP SCREW M6-1 X 16
Price
N/A
PSB1040249
EXTENSION SPRING 1.2 X 213 X 9.4
Price
N/A
PSB1040250
Now: PN01M
HEX NUT M6-1
Price
N/A
PSB1040251
BLADE GUIDE BAR HOUSING
Price
N/A
PSB1040252
SET SCREW M8-1.25 X 12
Price
N/A
PSB1040253
BLADE GUIDE BAR
Price
N/A
PSB1040254
STUD-UDE M8-1.25 X 66, 18, 12
Price
N/A
PSB1040255
CAP SCREW M6-1 X 10
Price
N/A
PSB1040256
UPPER BLADE GUARD
Price
N/A
PSB1040257
Now: PS40M
PHLP HD SCR M5-.8 X 16
Price
N/A
P
STUD-DE M8-1.25 X 100 10
$2.75
Enter quantity between 1 and 99
PSB1040259
LOCKING HUB
Price
N/A
PSB1040260
LOCKING HUB COVER
Price
N/A
PSB1040261
WORK LAMP 110V ASSEMBLY
Price
N/A
PSB1040262
SET SCREW M10-1.5 X 20
Price
N/A
PSB1040263
CAP SCREW M8-1.25 X 30
Price
N/A
PSB1040264
UPPER FRAME
Price
N/A
PSB1040265
SET SCREW M10-1.5 X 20
Price
N/A
PSB1040266
CAP SCREW M8-1.25 X 35
Price
N/A
PSB1040267
CAP SCREW M8-1.25 X 30
Price
N/A
PSB1040268
SET SCREW M10-1.5 X 20
Price
N/A
PSB1040269
Now: PN04M
HEX NUT M4-.7
Price
N/A
PSB1040270
BOTTOM DOOR SAFETY SWITCH
Price
N/A
PSB1040271
Now: PS48M
PHLP HD SCR M4-.7 X 50
Price
N/A
PSB1040272
EYE BOLT 5/8"-12 X 1
Price
N/A
P
TOP WHEEL LOCK NUT
$6.40
Enter quantity between 1 and 99
P
TOP WHEEL RUBBER TIRE
$33.55
Enter quantity between 1 and 99
PSB1040275
IDLER WHEEL
Price
N/A
PSB1040276
BALL BEARING 6205ZZ
Price
N/A
P
THRUST WASHER 25MM
$2.45
Enter quantity between 1 and 99
PSB1040278
Now: PR26M
INT RETAINING RING 52MM
Price
N/A
PSB1040279
IDLER SHAFT
Price
N/A
PSB1040280
SET SCREW M8-1.25 X 8
Price
N/A
PSB1040281
LOCK COLLAR
Price
N/A
PSB1040282
LOCK WASHER 8MM
Price
N/A
PSB1040283
Now: PB09M
HEX BOLT M8-1.25 X 20
Price
N/A
PSB1040284
RETAINING PLATE (HORIZONTAL)
Price
N/A
PSB1040285
TENSION LEADSCREW
Price
N/A
P
TENSION HANDWHEEL
$31.15
Enter quantity between 1 and 99
P
VERTICAL RETAINING PLATE
$5.50
Enter quantity between 1 and 99
PSB1040288
Now: PB03M
HEX BOLT M8-1.25 X 16
Price
N/A
PSB1040289
Now: PB03M
HEX BOLT M8-1.25 X 16
Price
N/A
PSB1040290
AIR NOZZLE
Price
N/A
PSB1040291
AIR HOSE 6.6 X 1 X 2600MM
Price
N/A
P
TABLE
$498.45
Enter quantity between 1 and 99
PSB1040302
CAP SCREW M8-1.25 X 50
Price
N/A
PSB1040303
LOCK WASHER 8MM
Price
N/A
PSB1040304
Now: PW01M
FLAT WASHER 8MM
Price
N/A
PSB1040305
TRUNNION BRACKET (LEFT)
Price
N/A
PSB1040306
CAP SCREW M8-1.25 X 35
Price
N/A
PSB1040307
Now: PW04M
FLAT WASHER 10MM
Price
N/A
PSB1040308
LOCK WASHER 10MM
Price
N/A
PSB1040309
CAP SCREW M10-1.5 X 55
Price
N/A
PSB1040310
Now: PS08M
PHLP HD SCR M5-.8 X 12
Price
N/A
P
X-AXIS TILT POINTER
$1.60
Enter quantity between 1 and 99
P
TRUNNION
$153.70
Enter quantity between 1 and 99
P
RIGHT TRUNNION BRACKET W/SCALE
$37.75
Enter quantity between 1 and 99
P
Y-AXIS TILT POINTER
$1.60
Enter quantity between 1 and 99
P
TRUNNION SUPPORT
$83.65
Enter quantity between 1 and 99
PSB1040316
LOCK WASHER 10MM
Price
N/A
PSB1040317
CAP SCREW M10-1.5 X 30
Price
N/A
PSB1040318
Now: PS40M
PHLP HD SCR M5-.8 X 16
Price
N/A
PSB1040319
Now: PW02M
FLAT WASHER 5MM
Price
N/A
PSB1040320
LOWER BLADE GUARD
Price
N/A
PSB1040321
CAP SCREW M6-1 X 10
Price
N/A
PSB1040322
DOWEL PIN 11 X 70
Price
N/A
PSB1040323
***USE P0806247***
Price
N/A
PSB1040324
Now: PW03M
FLAT WASHER 6MM
Price
N/A
PSB1040325
CAP SCREW M6-1 X 25
Price
N/A
PSB1040326
BLADE GUIDE BRACKET
Price
N/A
PSB1040327
THREADED PIN 10 X 65
Price
N/A
PSB1040328
CAP SCREW M6-1 X 30
Price
N/A
PSB1040329
LOCK WASHER 6MM
Price
N/A
PSB1040330
BLADE GUIDE SUPPORT
Price
N/A
PSB1040331
Now: PW01M
FLAT WASHER 8MM
Price
N/A
PSB1040401
Now: PN01M
HEX NUT M6-1
Price
N/A
PSB1040402
Now: PW03M
FLAT WASHER 6MM
Price
N/A
PSB1040403
***USE P0806500***
Price
N/A
PSB1040404
***USE P0806550***
Price
N/A
PSB1040405
***USE P0806503***
Price
N/A
PSB1040406
SPACER
Price
N/A
PSB1040407
Now: PB83M
HEX BOLT M6-1 X 16
Price
N/A
PSB1040408
CAP SCREW M5-.8 X 25
Price
N/A
PSB1040409
***USE P0806507***
Price
N/A
PSB1040410
Now: PN06M
HEX NUT M5-.8
Price
N/A
PSB1040411
Now: PS48
PHLP HD SCR 5-40 X 3/4
Price
N/A
PSB1040412
Now: PLW11
LOCK WASHER #5
Price
N/A
PSB1040413
***USE P0806511***
Price
N/A
PSB1040414
***USE P0806512***
Price
N/A
PSB1040415
CAP SCREW M5-.8 X 25
Price
N/A
PSB1040416
***USE P0806514***
Price
N/A
PSB1040417
CAP SCREW M5-.8 X 8
Price
N/A
PSB1040418
Now: PW02M
FLAT WASHER 5MM
Price
N/A
PSB1040419
LOCK WASHER 5MM
Price
N/A
PSB1040420
***USE PT27555116***
Price
N/A
PSB1040421
***USE P0806518***
Price
N/A
PSB1040422
***USE P0806548***
Price
N/A
PSB1040423
***USE P0806520***
Price
N/A
PSB1040424
***USE P0806521***
Price
N/A
PSB1040425
TRANSFORMER WELDING 110/220VA 110/220V
Price
N/A
PSB1040426
CAP SCREW M5-.8 X 16
Price
N/A
PSB1040427
Now: PW02M
FLAT WASHER 5MM
Price
N/A
PSB1040428
Now: PW02M
FLAT WASHER 5MM
Price
N/A
PSB1040429
***USE P0806525***
Price
N/A
PSB1040430
FLAT HD SCR M5-.8 X 6
Price
N/A
PSB1040431
***USE P0806529***
Price
N/A
PSB1040432
GRINDER MOTOR YEN TONG 1/8HP 110V
Price
N/A
PSB1040433
***USE P0806531***
Price
N/A
PSB1040434
***USE P0806532***
Price
N/A
PSB1040435
***USE P0806533***
Price
N/A
PSB1040436
***USE P0806534***
Price
N/A
PSB1040437
Now: PS09M
PHLP HD SCR M5-.8 X 10
Price
N/A
PSB1040438
***USE P0806543***
Price
N/A
PSB1040439
***USE P0806545***
Price
N/A
PSB1040440
RIVET 2 X 6MM BLIND, BRASS
Price
N/A
PSB1040441
***USE P0806581***
Price
N/A
PSB1040442
***USE P0806549***
Price
N/A
PSB1040443
FLAT HD SCR M5-.8 X 16
Price
N/A
PSB1040444
FLAT HD SCR M5-.8 X 12
Price
N/A
PSB1040445
FLAT HD SCR M5-.8 X 10
Price
N/A
PSB1040446
Now: PW06
FLAT WASHER 1/4
Price
N/A
PSB1040447
GRINDING WHEEL 1/4 X 5/8 X 2-1/2
Price
N/A
PSB1040448
CAP SCREW M5-.8 X 6
Price
N/A
PSB1040449
***USE P0806574***
Price
N/A
PSB1040450
***USE P0806573***
Price
N/A
PSB1040451
KNOB
Price
N/A
PSB1040452
LEFT CLAMP LEVER
Price
N/A
PSB1040453
Now: PS16M
PHLP HD SCR M8-1.25 X 16
Price
N/A
PSB1040454
***USE PT27555132***
Price
N/A
PSB1040455
CAM PIVOT SHAFT
Price
N/A
PSB1040456
***USE P0806571***
Price
N/A
PSB1040457
CAP SCREW M5-.8 X 12
Price
N/A
PSB1040458
***USE PT27555111***
Price
N/A
PSB1040459
Now: PR73M
EXT RETAINING RING 5MM
Price
N/A
PSB1040460
RIGHT CLAMP LEVER
Price
N/A
PSB1040461
***USE PT27555135***
Price
N/A
PSB1040462
***USE P0806569***
Price
N/A
PSB1040463
***USE PT27555105***
Price
N/A
PSB1040464
***USE P0806555***
Price
N/A
PSB1040465
Now: PN05
HEX NUT 1/4-20
Price
N/A
PSB1040466
***USE P0806536***
Price
N/A
PSB1040501
Now: PN03M
HEX NUT M8-1.25
Price
N/A
PSB1040502
Now: PS16M
PHLP HD SCR M8-1.25 X 16
Price
N/A
PSB1040503
PHLP HD SCR 5-40 X 1
Price
N/A
P
TACHOMETER SENSOR
$105.10
Enter quantity between 1 and 99
PSB1040505
Now: PS68M
PHLP HD SCR M6-1 X 10
Price
N/A
PSB1040506
Now: PW03M
FLAT WASHER 6MM
Price
N/A
PSB1040507
Now: PN28
HEX NUT 5-40
Price
N/A
P
SENSOR BRACKET
$19.10
Enter quantity between 1 and 99
P
DIGITIAL TACHOMETER
$379.80
Enter quantity between 1 and 99
PSB1040601
ELECTRICAL PANEL
Price
N/A
PSB1040602
TRANSFORMER 110VA 110/220V-110V
Price
N/A
P
TERMINAL BLOCK 4 POST
$5.15
Enter quantity between 1 and 99
P
CONTACTOR AB 100-C16-400 110V
$123.20
Enter quantity between 1 and 99
PSB1040605
***USE PSB1021401***
Item is no longer available
Price
N/A
P
TERMINAL BLOCK 12 POST
$8.80
Enter quantity between 1 and 99
PSB1040611
CAP SCREW M8-1.25 X 25
Price
N/A
PSB1040612
LOCK WASHER 8MM
Price
N/A
PSB1040613
SET SCREW M8-1.25 X 8
Price
N/A
PSB1040614
Now: PN02M
HEX NUT M10-1.5
Price
N/A
PSB1040615
SET SCREW M8-1.25 X 8
Price
N/A
PSB1040616
CAP SCREW M8-1.25 X 30
Price
N/A
PSB1040617
LOCK WASHER 8MM
Price
N/A
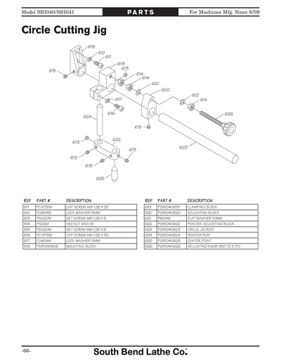
P
MOUNTING BLOCK
$35.65
Enter quantity between 1 and 99
P
CLAMPING BLOCK
$52.60
Enter quantity between 1 and 99
P
ADJUSTING BLOCK
$35.05
Enter quantity between 1 and 99
PSB1040621
Now: PW04M
FLAT WASHER 10MM
Price
N/A
P
POINTER ADJUSTING BLOCK
$32.05
Enter quantity between 1 and 99
P
CIRCLE JIG ROD
$36.00
Enter quantity between 1 and 99
P
POINTER ROD
$16.65
Enter quantity between 1 and 99
P
CENTER POINT
$10.65
Enter quantity between 1 and 99
P
ADJUSTING KNOB M10-1.5 X 170
$15.15
Enter quantity between 1 and 99
PSB1040701
EYE/FACE/LUNG LABEL 2 X 3.25
Price
N/A
PSB1040702
READ MANUAL LABEL 2 X 3.25
Price
N/A
PSB1040703
BANDSAW BLADE LABEL 1.5 X 2.5
Price
N/A
P
MACHINE ID LABEL
$16.40
Enter quantity between 1 and 99
P
UNSTABLE WORKPIECE LABEL
$2.10
Enter quantity between 1 and 99
PSB1040706
DISCONNECT POWER LABEL 3.25 X 2
Price
N/A
PSB1040707
ALLEN BRADLEY CONTROLS LABEL 3 X .75
Price
N/A
PSB1040708
ELECTRICITY LABEL 1.4
Price
N/A
PSB1040709
BANDSAW BLADE LABEL 3.25 X 2
Price
N/A
PSB1040710
MODEL NUMBER LABEL
Item is no longer available
Price
N/A
PSB1040711
SB GRAY TOUCH-UP AEROSOL 5oz
Price
N/A
P
SPEED DIRECTION LABEL
$2.10
Enter quantity between 1 and 99
P
CHANGE SPEED NOTICE LABEL
$2.10
Enter quantity between 1 and 99
P
MANUAL FOR SB1040/SB1041 09/10
$14.00
Enter quantity between 1 and 99