Parts for SB1041 18" Vertical Bandsaw - 3PH

Parts Diagrams for SB1041 - 18" Vertical Bandsaw - 3PH

IMPORTANT

Parts may have multiple versions that have changed over time. This will be indicated by V1, V2, V3, etc. in the parts description, followed by the version month and year that it was first used. Example: V2.01.17 indicates version 2 of a part went into use in January 2017. Please reference the manufacture date on the ID Label for your machine to ensure you are selecting the correct part when multiple versions are indicated.

If you cannot locate your part below, please contact our tech support department at techsupport@grizzly.com or 570-546-9663.

Please note: All parts ship out of our Springfield, Missouri facility.

Parts List for Parts for SB1041 18" Vertical Bandsaw - 3PH

PSB1041001
***USE P0807047***
Price
N/A
PSB1041002
Now: PB07M
HEX BOLT M8-1.25 X 25
Price
N/A
PSB1041003
Now: PW01M
FLAT WASHER 8MM
Price
N/A
PSB1041004
***USE P0807040***
Price
N/A
PSB1041005
Now: PN06M
HEX NUT M5-.8
Price
N/A
PSB1041006
Now: PS03M
PHLP HD SCR M6-1 X 8
Price
N/A
PSB1041007
***USE P0807041***
Price
N/A
PSB1041008
Now: PS05M
PHLP HD SCR M5-.8 X 8
Price
N/A
PSB1041009
Nameplate 203mm
Price
N/A
PSB1041010
***USE P0806044***
Price
N/A
PSB1041011
LOCK WASHER 8MM
Price
N/A
PSB1041012
***USE P0807038***
Price
N/A
PSB1041013
CAP SCREW M8-1.25 X 25
Price
N/A
PSB1041014
***USE P0806020***
Price
N/A
PSB1041015
BOTTOM WHEEL RUBBER TIRE
Price
N/A
PSB1041016
***USE P0807018***
Price
N/A
PSB1041017
Now: PS16M
PHLP HD SCR M8-1.25 X 16
Price
N/A
PSB1041018
RIVET 5 X 20MM BLIND, STEEL
Price
N/A
PSB1041019
***USE P0806037***
Price
N/A
PSB1041020
CAP SCREW M8-1.25 X 25
Price
N/A
PSB1041021
WHEEL BRUSH
Price
N/A
PSB1041022
***USE P0806028***
Price
N/A
PSB1041023
Now: PW03M
FLAT WASHER 6MM
Price
N/A
PSB1041024
LOCK WASHER 6MM
Price
N/A
PSB1041025
Now: PB08M
HEX BOLT M6-1 X 20
Price
N/A
PSB1041026
FLANGE NUT M4-.7
Price
N/A
PSB1041027
BOTTOM DOOR SAFETY SWITCH
Price
N/A
PSB1041028
Now: PB08M
HEX BOLT M6-1 X 20
Price
N/A
PSB1041029
Now: PS48M
PHLP HD SCR M4-.7 X 50
Price
N/A
PSB1041030
***USE P0806017***
Price
N/A
PSB1041031
***USE P0806016***
Price
N/A
PSB1041032
SET SCREW M8-1.25 X 8
Price
N/A
PSB1041033
***USE P0806015***
Price
N/A
PSB1041034
***USE P0806006***
Price
N/A
PSB1041035
RUBBER RING 25 X 7
Price
N/A
PSB1041036
***USE P0806012***
Price
N/A
PSB1041037
SPEED LEADSCREW
Price
N/A
PSB1041038
SHAFT LOCK COLLAR 16 X 16
Price
N/A
PSB1041039
***USE P0806009***
Price
N/A
PSB1041040
***USE P0806008***
Price
N/A
PSB1041041
SPEED TRANSFER SHAFT
Price
N/A
PSB1041042
***USE P0806048***
Price
N/A
PSB1041043
Now: PW04M
FLAT WASHER 10MM
Price
N/A
PSB1041044
LOCK WASHER 10MM
Price
N/A
PSB1041045
Now: PB01M
HEX BOLT M10-1.5 X 30
Price
N/A
PSB1041101
***USE P0807115***
Price
N/A
PSB1041102
***USE P0806114***
Price
N/A
PSB1041103
Now: PB08M
HEX BOLT M6-1 X 20
Price
N/A
PSB1041104
LOCK WASHER 6MM
Price
N/A
PSB1041105
Now: PW03M
FLAT WASHER 6MM
Price
N/A
PSB1041106
BALL BEARING 6201ZZ
Price
N/A
PSB1041107
***USE P0806110***
Price
N/A
PSB1041108
***USE P0806106***
Price
N/A
PSB1041109
SET SCREW M8-1.25 X 8
Price
N/A
PSB1041110
Now: PVA37
V-BELT A37
Price
N/A
PSB1041111
CAP SCREW M6-1 X 20
Price
N/A
PSB1041112
***USE P0806112***
Price
N/A
PSB1041113
***USE P0806113***
Price
N/A
PSB1041114
***USE P0806116***
Price
N/A
PSB1041115
***USE P0806117***
Price
N/A
PSB1041116
CAP SCREW M6-1 X 16
Price
N/A
PSB1041117
***USE P0806121***
Price
N/A
PSB1041118
Now: PVM26
V-BELT M26 3L260
Price
N/A
PSB1041119
STATIONARY PULLEY PLATE
Price
N/A
PSB1041120
BALL BEARING 6202ZZ
Price
N/A
PSB1041121
Now: PR03M
EXT RETAINING RING 12MM
Price
N/A
PSB1041122
***USE P0806100***
Price
N/A
PSB1041123
*DISCD*POWER CORD 14G 4W 72"
Price
N/A
P
*DISCD*MOTOR 1HP 220V 3PH
$251.05
Enter quantity between 1 and 99
PSB1041124-1
*DISCD*MOTOR 1HP 220V 3PH
Price
N/A
PSB1041124-2
*DISCD*MOTOR 1HP 220V 3PH
Price
N/A
PSB1041124-3
*DISCD*MOTOR 1HP 220V 3PH
Price
N/A
PSB1041125
Now: PK42M
KEY 6 X 6 X 30
Price
N/A
PSB1041126
Now: PN03M
HEX NUT M8-1.25
Price
N/A
PSB1041127
LOCK WASHER 8MM
Price
N/A
PSB1041128
Now: PW01M
FLAT WASHER 8MM
Price
N/A
PSB1041129
Now: PB20M
HEX BOLT M8-1.25 X 35
Price
N/A
PSB1041130
Now: PB12M
HEX BOLT M12-1.75 X 55
Price
N/A
PSB1041131
HEX BOLT M12-1.75 X 70
Price
N/A
PSB1041132
LINKING PLATE
Price
N/A
PSB1041133
Now: PW06M
FLAT WASHER 12MM
Price
N/A
PSB1041134
Now: PN09M
HEX NUT M12-1.75
Price
N/A
PSB1041135
PULLEY PLATE SUPPORT ARM
Price
N/A
PSB1041136
FLAT HD SCR M5-.8 X 12
Price
N/A
PSB1041137
Now: PVA43
V-BELT A43
Price
N/A
PSB1041138
***USE P0806145***
Price
N/A
PSB1041139
Now: PB14M
HEX BOLT M10-1.5 X 35
Price
N/A
PSB1041140
Now: PB38M
HEX BOLT M12-1.75 X 60
Price
N/A
PSB1041141
***USE P0807188***
Price
N/A
PSB1041142
BALL BEARING 6205ZZ
Price
N/A
PSB1041143
***USE P0806152***
Price
N/A
PSB1041144
CAP SCREW M8-1.25 X 30
Price
N/A
PSB1041145
SPROCKET RETAINING HUB
Price
N/A
PSB1041146
PULLEY PLATE SHAFT
Price
N/A
PSB1041147
PULLEY PLATE HUB
Price
N/A
PSB1041148
***USE P0806150***
Price
N/A
PSB1041149
***USE P0806149***
Price
N/A
PSB1041150
CAP SCREW M8-1.25 X 16
Price
N/A
PSB1041151
LOCK WASHER 10MM
Price
N/A
PSB1041152
Now: PK42M
KEY 6 X 6 X 30
Price
N/A
PSB1041153
***USE P0807158***
Price
N/A
PSB1041154
KEY 6 X 6 X 45
Price
N/A
PSB1041155
Now: PB26M
HEX BOLT M8-1.25 X 30
Price
N/A
PSB1041157
***USE P0806160***
Price
N/A
PSB1041158
PILLOW BLOCK MOUNTING PLATE
Price
N/A
PSB1041159
Now: PK74M
KEY 6 X 6 X 35
Price
N/A
PSB1041160
Now: PB14M
HEX BOLT M10-1.5 X 35
Price
N/A
PSB1041161
Now: PVA47
V-BELT A47
Price
N/A
PSB1041162
Now: PR08M
EXT RETAINING RING 19MM
Price
N/A
PSB1041163
***USE P0806165***
Price
N/A
PSB1041164
CAP SCREW M8-1.25 X 35
Price
N/A
PSB1041165
***USE P0806169***
Price
N/A
PSB1041166
BALL BEARING 6204ZZ
Price
N/A
PSB1041167
***USE P0806172***
Price
N/A
PSB1041168
SHAFT BLOCK
Price
N/A
PSB1041169
***USE P0806180***
Price
N/A
PSB1041170
Now: PR05M
EXT RETAINING RING 15MM
Price
N/A
PSB1041171
Now: PR21M
INT RETAINING RING 35MM
Price
N/A
PSB1041172
***USE P0806183***
Price
N/A
PSB1041173
Now: PR21M
INT RETAINING RING 35MM
Price
N/A
PSB1041174
Now: PR05M
EXT RETAINING RING 15MM
Price
N/A
PSB1041175
***USE P0806173***
Price
N/A
PSB1041176
***USE P0806176***
Price
N/A
PSB1041177
***USE P0806177***
Price
N/A
PSB1041178
Now: PR25M
INT RETAINING RING 47MM
Price
N/A
PSB1041179
SUPPORT BASE
Price
N/A
PSB1041180
MOTOR CORD GROMMET
Price
N/A
PSB1041181
BALL BEARING 6202ZZ
Price
N/A
PSB1041201
CAP SCREW M8-1.25 X 35
Price
N/A
PSB1041202
***USE P0806218***
Price
N/A
PSB1041203
Now: PW03M
FLAT WASHER 6MM
Price
N/A
PSB1041204
CAP SCREW M6-1 X 25
Price
N/A
PSB1041205
ROUND KNOB M8
Price
N/A
PSB1041206
***USE P0806203***
Price
N/A
PSB1041207
***USE P0806206***
Price
N/A
PSB1041208
***USE P0806219***
Price
N/A
PSB1041209
LOCK WASHER 8MM
Price
N/A
PSB1041210
TRACKING BRACKET
Price
N/A
PSB1041211
UPPER SHEAR BLADE
Price
N/A
PSB1041212
CAP SCREW M8-1.25 X 30
Price
N/A
PSB1041213
Now: PW01M
FLAT WASHER 8MM
Price
N/A
PSB1041214
***USE P0806210***
Price
N/A
PSB1041215
Now: PN01M
HEX NUT M6-1
Price
N/A
PSB1041216
***USE P0806213***
Price
N/A
PSB1041217
CAP SCREW M5-.8 X 8
Price
N/A
PSB1041218
***USE P0806215***
Price
N/A
PSB1041219
Now: PS04M
PHLP HD SCR M8-1.25 X 20
Price
N/A
PSB1041220
***USE P0806219***
Price
N/A
PSB1041221
Now: PS40M
PHLP HD SCR M5-.8 X 16
Price
N/A
PSB1041222
***USE P0806044***
Price
N/A
PSB1041223
TOP DOOR LATCH SPACER
Price
N/A
PSB1041224
TOP DOOR LATCH
Price
N/A
PSB1041225
Now: PN06M
HEX NUT M5-.8
Price
N/A
PSB1041226
LOCK WASHER 5MM
Price
N/A
PSB1041227
***USE P0806229***
Price
N/A
PSB1041228
Now: PS11M
PHLP HD SCR M6-1 X 16
Price
N/A
PSB1041229
Now: PS08M
PHLP HD SCR M5-.8 X 12
Price
N/A
PSB1041230
TOP DOOR
Price
N/A
PSB1041231
CAP SCREW M10-1.5 X 60
Price
N/A
PSB1041232
Now: PW04M
FLAT WASHER 10MM
Price
N/A
PSB1041233
LOCK WASHER 10MM
Price
N/A
PSB1041234
Now: PN02M
HEX NUT M10-1.5
Price
N/A
PSB1041235
Now: PN06M
HEX NUT M5-.8
Price
N/A
PSB1041236
LOCK WASHER 5MM
Price
N/A
PSB1041237
DOOR HINGE
Price
N/A
PSB1041238
Now: PS40M
PHLP HD SCR M5-.8 X 16
Price
N/A
PSB1041239
***USE P0806247***
Price
N/A
PSB1041240
***USE P0806244***
Price
N/A
PSB1041241
BLADE GUIDE BRACKET
Price
N/A
PSB1041242
DOWEL PIN 11 X 70
Price
N/A
PSB1041243
THREADED PIN 10 X 65
Price
N/A
PSB1041244
CAP SCREW M10-1.5 X 45
Price
N/A
PSB1041245
CAP SCREW M6-1 X 16
Price
N/A
PSB1041246
LOCK WASHER 6MM
Price
N/A
PSB1041247
RETURN BLADE GUARD
Price
N/A
PSB1041248
CAP SCREW M6-1 X 16
Price
N/A
PSB1041249
***USE P0807256***
Price
N/A
PSB1041250
Now: PN01M
HEX NUT M6-1
Price
N/A
PSB1041251
***USE P0806268***
Price
N/A
PSB1041252
SET SCREW M8-1.25 X 12
Price
N/A
PSB1041253
***USE P0807254***
Price
N/A
PSB1041254
***USE P0806255***
Price
N/A
PSB1041255
CAP SCREW M6-1 X 10
Price
N/A
PSB1041256
***USE P0807253***
Price
N/A
PSB1041257
Now: PS40M
PHLP HD SCR M5-.8 X 16
Price
N/A
PSB1041258
STUD-DE M8-1.25 X 100 10
Price
N/A
PSB1041259
***USE P0806272***
Price
N/A
PSB1041260
***USE P0806273***
Price
N/A
PSB1041261
***USE P0806274***
Price
N/A
PSB1041262
SET SCREW M10-1.5 X 20
Price
N/A
PSB1041263
CAP SCREW M8-1.25 X 30
Price
N/A
PSB1041264
***USE P0807283***
Price
N/A
PSB1041265
SET SCREW M10-1.5 X 20
Price
N/A
PSB1041266
CAP SCREW M8-1.25 X 35
Price
N/A
PSB1041267
CAP SCREW M8-1.25 X 30
Price
N/A
PSB1041268
SET SCREW M10-1.5 X 20
Price
N/A
PSB1041269
Now: PN04M
HEX NUT M4-.7
Price
N/A
PSB1041270
BOTTOM DOOR SAFETY SWITCH
Price
N/A
PSB1041271
Now: PS48M
PHLP HD SCR M4-.7 X 50
Price
N/A
PSB1041272
***USE P0807282***
Price
N/A
PSB1041273
TOP WHEEL LOCK NUT
Price
N/A
PSB1041274
TOP WHEEL RUBBER TIRE
Price
N/A
PSB1041275
***USE P0807328***
Price
N/A
PSB1041276
BALL BEARING 6205ZZ
Price
N/A
PSB1041277
THRUST WASHER 25MM
Price
N/A
PSB1041278
Now: PR26M
INT RETAINING RING 52MM
Price
N/A
PSB1041279
***USE P0806337***
Price
N/A
PSB1041280
SET SCREW M8-1.25 X 8
Price
N/A
PSB1041281
***USE P0806338***
Price
N/A
PSB1041282
LOCK WASHER 8MM
Price
N/A
PSB1041283
Now: PB09M
HEX BOLT M8-1.25 X 20
Price
N/A
PSB1041284
***USE P0806330***
Price
N/A
PSB1041285
***USE P0807341***
Price
N/A
PSB1041286
TENSION HANDWHEEL
Price
N/A
PSB1041287
VERTICAL RETAINING PLATE
Price
N/A
PSB1041288
Now: PB03M
HEX BOLT M8-1.25 X 16
Price
N/A
PSB1041289
Now: PB03M
HEX BOLT M8-1.25 X 16
Price
N/A
PSB1041290
***USE P0806245***
Price
N/A
PSB1041291
***USE P0807115***
Price
N/A
PSB1041301
TABLE
Price
N/A
PSB1041302
CAP SCREW M8-1.25 X 50
Price
N/A
PSB1041303
LOCK WASHER 8MM
Price
N/A
PSB1041304
Now: PW01M
FLAT WASHER 8MM
Price
N/A
PSB1041305
***USE P0806304***
Price
N/A
PSB1041306
CAP SCREW M8-1.25 X 35
Price
N/A
PSB1041307
Now: PW04M
FLAT WASHER 10MM
Price
N/A
PSB1041308
LOCK WASHER 10MM
Price
N/A
PSB1041309
CAP SCREW M10-1.5 X 55
Price
N/A
PSB1041310
Now: PS08M
PHLP HD SCR M5-.8 X 12
Price
N/A
PSB1041311
X-AXIS TILT POINTER
Price
N/A
PSB1041312
TRUNNION
Price
N/A
PSB1041313
RIGHT TRUNNION BRACKET W/SCALE
Price
N/A
PSB1041314
Y-AXIS TILT POINTER
Price
N/A
PSB1041315
TRUNNION SUPPORT
Price
N/A
PSB1041316
LOCK WASHER 10MM
Price
N/A
PSB1041317
CAP SCREW M10-1.5 X 30
Price
N/A
PSB1041318
Now: PS40M
PHLP HD SCR M5-.8 X 16
Price
N/A
PSB1041319
Now: PW02M
FLAT WASHER 5MM
Price
N/A
PSB1041320
***USE P0806318***
Price
N/A
PSB1041321
CAP SCREW M6-1 X 10
Price
N/A
PSB1041322
DOWEL PIN 11 X 70
Price
N/A
PSB1041323
***USE P0806247***
Price
N/A
PSB1041324
Now: PW03M
FLAT WASHER 6MM
Price
N/A
PSB1041325
CAP SCREW M6-1 X 25
Price
N/A
PSB1041326
BLADE GUIDE BRACKET
Price
N/A
PSB1041327
THREADED PIN 10 X 65
Price
N/A
PSB1041328
CAP SCREW M6-1 X 30
Price
N/A
PSB1041329
LOCK WASHER 6MM
Price
N/A
PSB1041330
***USE P0806307***
Price
N/A
PSB1041331
Now: PW01M
FLAT WASHER 8MM
Price
N/A
PSB1041401
Now: PN01M
HEX NUT M6-1
Price
N/A
PSB1041402
Now: PW03M
FLAT WASHER 6MM
Price
N/A
PSB1041403
***USE P0806500***
Price
N/A
PSB1041404
***USE P0806550***
Price
N/A
PSB1041405
***USE P0806503***
Price
N/A
PSB1041406
SPACER
Price
N/A
PSB1041407
Now: PB83M
HEX BOLT M6-1 X 16
Price
N/A
PSB1041408
CAP SCREW M5-.8 X 25
Price
N/A
PSB1041409
***USE P0806507***
Price
N/A
PSB1041410
Now: PN06M
HEX NUT M5-.8
Price
N/A
PSB1041411
Now: PS48
PHLP HD SCR 5-40 X 3/4
Price
N/A
PSB1041412
Now: PLW11
LOCK WASHER #5
Price
N/A
PSB1041413
***USE P0806511***
Price
N/A
PSB1041414
***USE P0806512***
Price
N/A
PSB1041415
CAP SCREW M5-.8 X 25
Price
N/A
PSB1041416
***USE P0806514***
Price
N/A
PSB1041417
CAP SCREW M5-.8 X 8
Price
N/A
PSB1041418
Now: PW02M
FLAT WASHER 5MM
Price
N/A
PSB1041419
LOCK WASHER 5MM
Price
N/A
PSB1041420
***USE PT27555116***
Price
N/A
PSB1041421
***USE P0806518***
Price
N/A
PSB1041422
***USE P0806548***
Price
N/A
PSB1041423
***USE P0806520***
Price
N/A
PSB1041424
***USE P0806521***
Price
N/A
PSB1041425
TRANSFORMER WELDING 110/220VA 110/220V
Price
N/A
PSB1041426
CAP SCREW M5-.8 X 16
Price
N/A
PSB1041427
Now: PW02M
FLAT WASHER 5MM
Price
N/A
PSB1041428
Now: PW02M
FLAT WASHER 5MM
Price
N/A
PSB1041429
***USE P0806525***
Price
N/A
PSB1041430
FLAT HD SCR M5-.8 X 6
Price
N/A
PSB1041431
***USE P0806529***
Price
N/A
PSB1041432
GRINDER MOTOR YEN TONG 1/8HP 110V
Price
N/A
PSB1041433
***USE P0806531***
Price
N/A
PSB1041434
***USE P0806532***
Price
N/A
PSB1041435
***USE P0806533***
Price
N/A
PSB1041436
***USE P0806534***
Price
N/A
PSB1041437
Now: PS09M
PHLP HD SCR M5-.8 X 10
Price
N/A
PSB1041438
***USE P0806543***
Price
N/A
PSB1041439
***USE P0806545***
Price
N/A
PSB1041440
RIVET 2 X 6MM BLIND, BRASS
Price
N/A
PSB1041441
***USE P0806581***
Price
N/A
PSB1041442
***USE P0806549***
Price
N/A
PSB1041443
FLAT HD SCR M5-.8 X 16
Price
N/A
PSB1041444
FLAT HD SCR M5-.8 X 12
Price
N/A
PSB1041445
FLAT HD SCR M5-.8 X 10
Price
N/A
PSB1041446
Now: PW06
FLAT WASHER 1/4
Price
N/A
PSB1041447
GRINDING WHEEL 1/4 X 5/8 X 2-1/2
Price
N/A
PSB1041448
CAP SCREW M5-.8 X 6
Price
N/A
PSB1041449
***USE P0806574***
Price
N/A
PSB1041450
***USE P0806573***
Price
N/A
PSB1041451
KNOB
Price
N/A
PSB1041452
LEFT CLAMP LEVER
Price
N/A
PSB1041453
Now: PS16M
PHLP HD SCR M8-1.25 X 16
Price
N/A
PSB1041454
***USE PT27555132***
Price
N/A
PSB1041455
CAM PIVOT SHAFT
Price
N/A
PSB1041456
***USE P0806571***
Price
N/A
PSB1041457
CAP SCREW M5-.8 X 12
Price
N/A
PSB1041458
***USE PT27555111***
Price
N/A
PSB1041459
Now: PR73M
EXT RETAINING RING 5MM
Price
N/A
PSB1041460
RIGHT CLAMP LEVER
Price
N/A
PSB1041461
***USE PT27555135***
Price
N/A
PSB1041462
***USE P0806569***
Price
N/A
PSB1041463
***USE PT27555105***
Price
N/A
PSB1041464
***USE P0806555***
Price
N/A
PSB1041465
Now: PN05
HEX NUT 1/4-20
Price
N/A
PSB1041466
***USE P0806536***
Price
N/A
PSB1041501
Now: PN03M
HEX NUT M8-1.25
Price
N/A
PSB1041502
Now: PS16M
PHLP HD SCR M8-1.25 X 16
Price
N/A
PSB1041503
PHLP HD SCR 5-40 X 1
Price
N/A
PSB1041504
TACHOMETER SENSOR
Price
N/A
PSB1041505
Now: PS68M
PHLP HD SCR M6-1 X 10
Price
N/A
PSB1041506
Now: PW03M
FLAT WASHER 6MM
Price
N/A
PSB1041507
Now: PN28
HEX NUT 5-40
Price
N/A
PSB1041508
SENSOR BRACKET
Price
N/A
PSB1041509
DIGITIAL TACHOMETER
Price
N/A
PSB1041601
***USE P0806404***
Price
N/A
PSB1041602
TRANSFORMER 110VA 110/220V-110V
Price
N/A
PSB1041603
TERMINAL BLOCK 4 POST
Price
N/A
P
CONTACTOR AB 100-C09-400 110V
$58.00
Enter quantity between 1 and 99
P
OL RELAY AB 193-EEDB 3.2-16A
$89.40
Enter quantity between 1 and 99
PSB1041606
TERMINAL BLOCK 12 POST
Price
N/A
PSB1041611
CAP SCREW M8-1.25 X 25
Price
N/A
PSB1041612
LOCK WASHER 8MM
Price
N/A
PSB1041613
SET SCREW M8-1.25 X 8
Price
N/A
PSB1041614
Now: PN02M
HEX NUT M10-1.5
Price
N/A
PSB1041615
SET SCREW M8-1.25 X 8
Price
N/A
PSB1041616
CAP SCREW M8-1.25 X 30
Price
N/A
PSB1041617
LOCK WASHER 8MM
Price
N/A
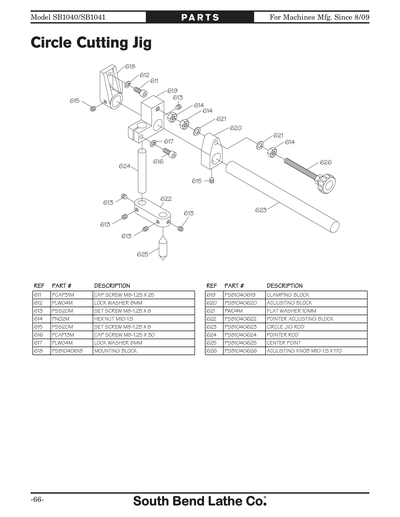
PSB1041618
MOUNTING BLOCK
Price
N/A
PSB1041619
CLAMPING BLOCK
Price
N/A
PSB1041620
ADJUSTING BLOCK
Price
N/A
PSB1041621
Now: PW04M
FLAT WASHER 10MM
Price
N/A
PSB1041622
POINTER ADJUSTING BLOCK
Price
N/A
PSB1041623
CIRCLE JIG ROD
Price
N/A
PSB1041624
POINTER ROD
Price
N/A
PSB1041625
CENTER POINT
Price
N/A
PSB1041626
ADJUSTING KNOB M10-1.5 X 170
Price
N/A
PSB1041701
EYE/FACE/LUNG LABEL 2 X 3.25
Price
N/A
PSB1041702
READ MANUAL LABEL 2 X 3.25
Price
N/A
PSB1041703
BANDSAW BLADE LABEL 1.5 X 2.5
Price
N/A
P
MACHINE ID LABEL
$16.40
Enter quantity between 1 and 99
PSB1041705
UNSTABLE WORKPIECE LABEL
Price
N/A
PSB1041706
DISCONNECT POWER LABEL 3.25 X 2
Price
N/A
PSB1041707
ALLEN BRADLEY CONTROLS LABEL 3 X .75
Price
N/A
PSB1041708
ELECTRICITY LABEL 1.4
Price
N/A
PSB1041709
BANDSAW BLADE LABEL 3.25 X 2
Price
N/A
PSB1041710
MODEL NUMBER LABEL
Item is no longer available
Price
N/A
PSB1041711
SB GRAY TOUCH-UP AEROSOL 5oz
Price
N/A
PSB1041712
SPEED DIRECTION LABEL
Price
N/A
PSB1041713
CHANGE SPEED NOTICE LABEL
Price
N/A
PSB1041MAN
MANUAL FOR SB1040/SB1041 09/10
Price
N/A