Parts for SB1048PF 21" x 120" Turn-Nado Gearhead Lathe with DRO

Parts Diagrams for SB1048PF - 21" x 120" Turn-Nado Gearhead Lathe with DRO

IMPORTANT

Parts may have multiple versions that have changed over time. This will be indicated by V1, V2, V3, etc. in the parts description, followed by the version month and year that it was first used. Example: V2.01.17 indicates version 2 of a part went into use in January 2017. Please reference the manufacture date on the ID Label for your machine to ensure you are selecting the correct part when multiple versions are indicated.

If you cannot locate your part below, please contact our tech support department at techsupport@grizzly.com or 570-546-9663.

Please note: All parts ship out of our Springfield, Missouri facility.

Parts List for Parts for SB1048PF 21" x 120" Turn-Nado Gearhead Lathe with DRO

PSB1048PF0001
SHIFT LEVER END CAP
Price
N/A
PSB1048PF0002
SHIFT LEVER
Price
N/A
PSB1048PF0003
CAP SCREW M5-.8 X 25
Price
N/A
PSB1048PF0004
SHAFT COLLAR
Price
N/A
PSB1048PF0005
Now: PK47M
KEY 4 X 4 X 15
Price
N/A
PSB1048PF0006
SHIFT LEVER SHAFT
Price
N/A
PSB1048PF0007
Now: PK48M
KEY 4 X 4 X 20
Price
N/A
PSB1048PF0008
DETENT PIN
Price
N/A
PSB1048PF0009
COMPRESSION SPRING
Price
N/A
PSB1048PF0010
SHIFT KNUCKLE
Price
N/A
PSB1048PF0011
Now: PR07M
EXT RETAINING RING 18MM
Price
N/A
PSB1048PF0012
SHIFT TAB
Price
N/A
PSB1048PF0013
Now: PS26M
PHLP HD SCR M6-1 X 20
Price
N/A
PSB1048PF0014
LEVER BEVELED WASHER
Price
N/A
PSB1048PF0015
SPEED SELECTION LEVER
Price
N/A
PSB1048PF0016
Now: PR15M
EXT RETAINING RING 30MM
Price
N/A
PSB1048PF0017
RANGE SELECTION LEVER
Price
N/A
PSB1048PF0018
Now: PK19M
KEY 5 X 5 X 14
Price
N/A
PSB1048PF0019
SPEED SLECTOR SHAFT
Price
N/A
PSB1048PF0020
Now: PK19M
KEY 5 X 5 X 14
Price
N/A
PSB1048PF0021
CAP SCREW M8-1.25 X 35
Price
N/A
PSB1048PF0022
LEVER HOUSING
Price
N/A
PSB1048PF0023
Now: PK27M
KEY 7 X 7 X 25
Price
N/A
PSB1048PF0024
RANGE SELECTOR SHAFT
Price
N/A
PSB1048PF0025
SELECTOR SLEEVE
Price
N/A
PSB1048PF0026
Now: PR12M
EXT RETAINING RING 35MM
Price
N/A
PSB1048PF0027
SELECTOR DISC
Price
N/A
PSB1048PF0028
SIGHT GLASS
Price
N/A
PSB1048PF0029
STEP PIN
Price
N/A
PSB1048PF0030
UPPER PIVOT ROD
Price
N/A
PSB1048PF0031
UPPER SHIFT YOKE
Price
N/A
PSB1048PF0032
E-CLIP 10MM
Price
N/A
PSB1048PF0033
SHIFT FORK
Price
N/A
PSB1048PF0034
SHIFT ARM PIVOT BOLT
Price
N/A
PSB1048PF0035
SHIFT ARM
Price
N/A
PSB1048PF0036
SHIFT FORK
Price
N/A
PSB1048PF0037
LOWER SHIFT YOKE
Price
N/A
PSB1048PF0038
LOWER PIVOT ROD
Price
N/A
PSB1048PF0039
CAP SCREW M6-1 X 30
Price
N/A
PSB1048PF0040
DETENT BRACKET
Price
N/A
PSB1048PF0041
SHIFT LIMIT PIN
Price
N/A
PSB1048PF0042
OIL TUBE
Price
N/A
PSB1048PF0043
SHIFT YOKE FRAME
Price
N/A
PSB1048PF0044
OIL FITTING
Price
N/A
PSB1048PF0045
PIVOT ARM BOLT HEX NUT
Price
N/A
PSB1048PF0046
PIVOT ROD LOCK COLLARS
Price
N/A
PSB1048PF0047
CAP SCREW M8-1.25 X 20
Price
N/A
PSB1048PF0048
SHIFT FORK
Price
N/A
PSB1048PF0049
OUTBOARD SIDE SHIFT LEVER
Price
N/A
PSB1048PF0050
HEADSTOCK TOP COVER
Price
N/A
PSB1048PF0051
HEADSTOCK CASTING
Price
N/A
PSB1048PF0052
COMPRESSION SPRING
Price
N/A
PSB1048PF0053
FLAT HD SCR M5-.8 X 12
Price
N/A
PSB1048PF0054
Now: PW03M
FLAT WASHER 6MM
Price
N/A
PSB1048PF0055
Now: PK07M
KEY 6 X 6 X 20
Price
N/A
PSB1048PF0056
ROLL PIN 4 X 16
Price
N/A
PSB1048PF0057
FLANGE BUSHING
Price
N/A
PSB1048PF0058
LEVER
Price
N/A
PSB1048PF0059
PIVOT PIN
Price
N/A
PSB1048PF0060
LEVER ROLLER
Price
N/A
PSB1048PF0061
CAP SCREW M5-.8 X 10
Price
N/A
PSB1048PF0062
INNER LEVER SLEEVE
Price
N/A
PSB1048PF0063
LEVER SHAFT
Price
N/A
PSB1048PF0064
SHIFT FORK
Price
N/A
PSB1048PF0065
Now: PR01M
EXT RETAINING RING 10MM
Price
N/A
PSB1048PF0066
SHIFT TAB
Price
N/A
PSB1048PF0067
Now: PK42M
KEY 6 X 6 X 30
Price
N/A
PSB1048PF0068
RETAINING FLAT WASHER 6MM
Price
N/A
PSB1048PF0069
CAP SCREW M6-1 X 16
Price
N/A
PSB1048PF0070
EXTENSION SPRING
Price
N/A
PSB1048PF0071
CAP SCREW M6-1 X 20
Price
N/A
PSB1048PF0072
BUSHING
Price
N/A
PSB1048PF0073
DETENT PLATE
Price
N/A
PSB1048PF0074
SPRING HANGER
Price
N/A
PSB1048PF0075
SPRING PLATE
Price
N/A
PSB1048PF0076
Now: PN01M
HEX NUT M6-1
Price
N/A
PSB1048PF0077
HEADSTOCK REAR COVER
Price
N/A
PSB1048PF0101
CAMLOCK STUD
Price
N/A
PSB1048PF0102
SPINDLE BOLT
Price
N/A
PSB1048PF0103
SPINDLE
Price
N/A
PSB1048PF0104
COMPRESSION SPRING
Price
N/A
PSB1048PF0105
CAMLOCK
Price
N/A
PSB1048PF0106
KEY 15 X 10 X 78
Price
N/A
PSB1048PF0107
CAP SCREW M6-1 X 40
Price
N/A
PSB1048PF0108
FRONT BEARING COVER
Price
N/A
PSB1048PF0109
INBOARD SPINDLE GASKET
Price
N/A
PSB1048PF0110
TAPERED BEARING 32026
Price
N/A
PSB1048PF0111
GEAR 75T
Price
N/A
PSB1048PF0112
GEAR 56T
Price
N/A
PSB1048PF0113
SPINDLE SPACER
Price
N/A
PSB1048PF0114
BALL BEARING 6022 OPEN
Price
N/A
PSB1048PF0115
Now: PR90M
EXT RETAINING RING 110MM
Price
N/A
PSB1048PF0116
KEY 10 X 8 X 35
Price
N/A
PSB1048PF0117
GEAR 48T
Price
N/A
PSB1048PF0118
TAPERED BEARING 32021
Price
N/A
PSB1048PF0119
SPANNER NUT
Price
N/A
PSB1048PF0120
OUTBOARD SPINDLE GASKET
Price
N/A
PSB1048PF0121
REAR BEARING COVER
Price
N/A
PSB1048PF0122
CAP SCREW M8-1.25 X 20
Price
N/A
PSB1048PF0123
PLUG
Price
N/A
PSB1048PF0124
O-RING 64.4 X 3.1 G65 
Price
N/A
PSB1048PF0125
PLUG
Price
N/A
PSB1048PF0126
O-RING 54.4 X 3.1 G55
Price
N/A
PSB1048PF0127
BALL BEARING 6305-OPEN
Price
N/A
PSB1048PF0128
Now: PR38M
INT RETAINING RING 62MM
Price
N/A
PSB1048PF0129
COMBO GEAR 21T/40T
Price
N/A
PSB1048PF0130
SPLINED SHAFT
Price
N/A
PSB1048PF0131
COLLAR
Price
N/A
PSB1048PF0132
BALL BEARING 6007-OPEN
Price
N/A
PSB1048PF0133
COMBO GEAR 26T/38T
Price
N/A
PSB1048PF0134
COMBO GEAR 30T/34T
Price
N/A
PSB1048PF0135
Now: PR32M
EXT RETAINING RING 48MM
Price
N/A
PSB1048PF0136
GEAR 32T
Price
N/A
PSB1048PF0137
GEAR SHAFT 16T
Price
N/A
PSB1048PF0138
SPLINED SHAFT COVER
Price
N/A
PSB1048PF0139
CAP SCREW M6-1 X 20
Price
N/A
PSB1048PF0140
ROLL PIN 3 X 16
Price
N/A
PSB1048PF0141
SHAFT COVER PLATE
Price
N/A
PSB1048PF0142
SPACER
Price
N/A
PSB1048PF0143
O-RING 29.7 X 3.5 P30
Price
N/A
PSB1048PF0144
OIL SEAL 507212
Price
N/A
PSB1048PF0145
Now: PR64M
INT RETAINING RING 72MM
Price
N/A
PSB1048PF0146
BALL BEARING 6207-RS
Price
N/A
PSB1048PF0147
SPLINED GEAR SHAFT 16T
Price
N/A
PSB1048PF0148
KEY 8 X 8 X 30
Price
N/A
PSB1048PF0149
Now: PR68M
EXT RETAINING RING 40MM
Price
N/A
PSB1048PF0150
GEAR 35T
Price
N/A
PSB1048PF0151
BALL BEARING 6008-OPEN
Price
N/A
PSB1048PF0152
COMBO GEAR 25T/40T
Price
N/A
PSB1048PF0153
BRAKE DRUM W/SHAFT
Price
N/A
PSB1048PF0154
BRAKE SHOE (SET OF 4)
Price
N/A
PSB1048PF0155
COMPRESSION SPRING
Price
N/A
PSB1048PF0156
BRAKE DRUM W/SHAFT
Price
N/A
PSB1048PF0157
Now: PW01M
FLAT WASHER 8MM
Price
N/A
PSB1048PF0158
CAP SCREW M8-1.25 X 25
Price
N/A
PSB1048PF0159
CENTRIFUGAL BRAKE CYLINDER
Price
N/A
PSB1048PF0160
BRAKE SHOE BUSHING
Price
N/A
PSB1048PF0161
Now: PS11M
PHLP HD SCR M6-1 X 16
Price
N/A
PSB1048PF0162
RETAINER PIN
Price
N/A
PSB1048PF0163
BRAKE ASSEMBLY FLAT WASHER
Price
N/A
PSB1048PF0164
BRAKE ASSEMBLY COLLAR
Price
N/A
PSB1048PF0165
NEEDLE ROLLER BEARING NK22/20
Price
N/A
PSB1048PF0166
Now: PR43M
EXT RETAINING RING 50MM
Price
N/A
PSB1048PF0167
SHAFT
Price
N/A
PSB1048PF0168
KEY 10 X 7 X 18
Price
N/A
PSB1048PF0169
KEY 10 X 7 X 30
Price
N/A
PSB1048PF0170
CLUTCH/GEAR ASSEMBLY 31T
Price
N/A
PSB1048PF0171
OUTBOARD COPPER COLLAR
Price
N/A
PSB1048PF0172
CLUTCH ASSEMBLY
Price
N/A
PSB1048PF0173
INBOARD COPPER COLLAR
Price
N/A
PSB1048PF0174
BALL BEARING 6906-OPEN
Price
N/A
PSB1048PF0175
CLUTCH/GEAR ASSY 27T
Price
N/A
PSB1048PF0176
CLUTCH ASSEMBLY SHAFT
Price
N/A
PSB1048PF0177
WOODRUFF KEY 25 X 7
Price
N/A
PSB1048PF0178
BALL BEARING 6206-OPEN
Price
N/A
PSB1048PF0179
O-RING 74.4 X 3.1 G75
Price
N/A
PSB1048PF0180
BEARING SEAT
Price
N/A
PSB1048PF0181
OIL SEAL 406212
Price
N/A
PSB1048PF0182
PULLEY SPACER
Price
N/A
PSB1048PF0183
SPINDLE PULLEY
Price
N/A
PSB1048PF0184
PULLEY FLAT WASHER
Price
N/A
PSB1048PF0185
CAP SCREW M8-1.25 X 30
Price
N/A
PSB1048PF0186
O-RING 15.8 X 2.4 P16 
Price
N/A
PSB1048PF0187
CAP SCREW M6-1 X 12
Price
N/A
PSB1048PF0188
SHAFT RETAINING FLAT WASHER
Price
N/A
PSB1048PF0189
CHANGE GEAR SHAFT
Price
N/A
PSB1048PF0190
CHANGE GEAR SHAFT
Price
N/A
PSB1048PF0191
OIL SEAL 385508
Price
N/A
PSB1048PF0192
SHAFT HOUSING
Price
N/A
PSB1048PF0193
SPINED SHAFT
Price
N/A
PSB1048PF0194
SPLINED SHAFT SPACER
Price
N/A
PSB1048PF0195
NEEDLE BEARING 32 X 30
Price
N/A
PSB1048PF0196
Now: PR15M
EXT RETAINING RING 30MM
Price
N/A
PSB1048PF0197
GEAR 24T
Price
N/A
PSB1048PF0198
OIL DRAIN PLUG 1/2" NPT
Price
N/A
PSB1048PF0199
ELBOW 3/4 X 1/2" NPT
Price
N/A
PSB1048PF0200
COUPLER 3/4" NPT
Price
N/A
PSB1048PF0201
CHANGE GEAR SHAFT
Price
N/A
PSB1048PF0202
GEAR 24T
Price
N/A
PSB1048PF0203
Now: PR37M
EXT RETAINING RING 32MM
Price
N/A
PSB1048PF0204
CHANGE GEAR SHAFT
Price
N/A
PSB1048PF0205
COMBO GEAR 24T/48T
Price
N/A
PSB1048PF0206
CHANGE GEAR SHAFT
Price
N/A
PSB1048PF0207
COMBO GEAR 48T/24T
Price
N/A
PSB1048PF0208
CAP SCREW M6-1 X 16
Price
N/A
PSB1048PF0209
CHANGE GEAR SHAFT
Price
N/A
PSB1048PF0210
O-RING 3.1 X 34.4 G35
Price
N/A
PSB1048PF0211
NEEDLE ROLLER BEARING NAX3030
Price
N/A
PSB1048PF0212
GEAR 28T
Price
N/A
PSB1048PF0213
CHANGE SPACER
Price
N/A
PSB1048PF0214
SHAFT COVER PLATE
Price
N/A
PSB1048PF0215
FLANGED BEARING
Price
N/A
PSB1048PF0216
SPLINED SHAFT
Price
N/A
PSB1048PF0217
GEAR 27T
Price
N/A
PSB1048PF0218
SPACER
Price
N/A
PSB1048PF0219
GEAR 23T
Price
N/A
PSB1048PF0220
SPACER
Price
N/A
PSB1048PF0221
GEAR 27T
Price
N/A
PSB1048PF0222
GEAR 19T
Price
N/A
PSB1048PF0223
SPACER
Price
N/A
PSB1048PF0224
GEAR 31T
Price
N/A
PSB1048PF0225
BALL BEARING 6207-OPEN
Price
N/A
PSB1048PF0226
BEARING RETAINER
Price
N/A
PSB1048PF0301
SPLINED SHAFT
Price
N/A
PSB1048PF0302
KEY 7 X 7 X 35
Price
N/A
PSB1048PF0303
SHAFT SPACER
Price
N/A
PSB1048PF0304
OIL SEAL 253708
Price
N/A
PSB1048PF0305
NEEDLE BEARING
Price
N/A
PSB1048PF0306
CAP SCREW M6-1 X 16
Price
N/A
PSB1048PF0307
SPLINED SHAFT SEAT
Price
N/A
PSB1048PF0308
SPACER
Price
N/A
PSB1048PF0309
Now: PR11M
EXT RETAINING RING 25MM
Price
N/A
PSB1048PF0310
GEAR 19T/19T
Price
N/A
PSB1048PF0311
SPLINED SHAFT
Price
N/A
PSB1048PF0312
SHAFT COVER
Price
N/A
PSB1048PF0313
COVER GASKET
Price
N/A
PSB1048PF0314
BALL BEARING 6005-OPEN
Price
N/A
PSB1048PF0315
SPACER
Price
N/A
PSB1048PF0316
GEAR 20T/30T
Price
N/A
PSB1048PF0317
SPACER
Price
N/A
PSB1048PF0318
Now: PR15M
EXT RETAINING RING 30MM
Price
N/A
PSB1048PF0319
SPLINED SHAFT
Price
N/A
PSB1048PF0320
GEAR 22T
Price
N/A
PSB1048PF0321
SHAFT SPACER
Price
N/A
PSB1048PF0322
SPLINED SHAFT
Price
N/A
PSB1048PF0323
GEARBOX CASTING
Price
N/A
PSB1048PF0324
SPACER
Price
N/A
PSB1048PF0325
GEAR 32T
Price
N/A
PSB1048PF0326
GEAR 23T
Price
N/A
PSB1048PF0327
GEAR 16T
Price
N/A
PSB1048PF0328
SPACER
Price
N/A
PSB1048PF0329
Now: PR25M
INT RETAINING RING 47MM
Price
N/A
PSB1048PF0330
BALL BEARING 6204-OPEN
Price
N/A
PSB1048PF0331
SPACER
Price
N/A
PSB1048PF0332
SHAFT CLUTCH
Price
N/A
PSB1048PF0333
Now: PR09M
EXT RETAINING RING 20MM
Price
N/A
PSB1048PF0334
COMBO GEAR 35T/35T
Price
N/A
PSB1048PF0335
SPACER
Price
N/A
PSB1048PF0336
GEAR 22T
Price
N/A
PSB1048PF0337
GEAR 16T
Price
N/A
PSB1048PF0338
GEAR 20T
Price
N/A
PSB1048PF0339
SPACER
Price
N/A
PSB1048PF0340
GEAR 24T
Price
N/A
PSB1048PF0341
SPACER
Price
N/A
PSB1048PF0342
GEAR 23T
Price
N/A
PSB1048PF0343
SPACER
Price
N/A
PSB1048PF0344
GEAR 27T
Price
N/A
PSB1048PF0345
SPACER
Price
N/A
PSB1048PF0346
GEAR 24T
Price
N/A
PSB1048PF0347
SPACER
Price
N/A
PSB1048PF0348
GEAR 28T
Price
N/A
PSB1048PF0349
SPACER
Price
N/A
PSB1048PF0350
GEAR 26T
Price
N/A
PSB1048PF0351
GEAR 32T
Price
N/A
PSB1048PF0352
SHAFT NUT
Price
N/A
PSB1048PF0353
SET SCREW M6-1 X 6
Price
N/A
PSB1048PF0354
Now: PR10M
EXT RETAINING RING 22MM
Price
N/A
PSB1048PF0355
COMBO GEAR 45T/18T
Price
N/A
PSB1048PF0356
GEAR 22T
Price
N/A
PSB1048PF0357
GEAR 22T
Price
N/A
PSB1048PF0358
GEAR 33T
Price
N/A
PSB1048PF0359
GEAR 22T
Price
N/A
PSB1048PF0360
SPACER
Price
N/A
PSB1048PF0361
GEAR 36T
Price
N/A
PSB1048PF0362
SHAFT SEAT
Price
N/A
PSB1048PF0363
OIL SEAL 304005
Price
N/A
PSB1048PF0364
SPACER
Price
N/A
PSB1048PF0365
SPLINED SHAFT
Price
N/A
PSB1048PF0366
SHAFT SEAT
Price
N/A
PSB1048PF0367
SPACER
Price
N/A
PSB1048PF0368
SHAFT
Price
N/A
PSB1048PF0369
PIN 6 X 36
Price
N/A
PSB1048PF0370
BALL BEARING 6003-OPEN
Price
N/A
PSB1048PF0371
Now: PR18M
EXT RETAINING RING 17MM
Price
N/A
PSB1048PF0372
BEARING SEAT
Price
N/A
PSB1048PF0373
LOCK WASHER 6MM
Price
N/A
PSB1048PF0374
PLATE
Price
N/A
PSB1048PF0375
REVERSE STOP PLATE
Price
N/A
PSB1048PF0376
UPPER/LOWER PLATE
Price
N/A
PSB1048PF0377
STEEL BALL 1/4
Price
N/A
PSB1048PF0378
COMPRESSION SPRING
Price
N/A
PSB1048PF0380
ROLL PIN 5 X 16
Price
N/A
PSB1048PF0381
BOTTOM SHIFT FORK SUPPORT
Price
N/A
PSB1048PF0382
ROLL PIN 5 X 16
Price
N/A
PSB1048PF0383
BOTTOM SHIFT FORK
Price
N/A
PSB1048PF0384
CAP SCREW M5-.8 X 20
Price
N/A
PSB1048PF0385
PARTITION
Price
N/A
PSB1048PF0386
LOWER-MID SHIFT FORK SUPPORT
Price
N/A
PSB1048PF0387
LOWER-MID SHIFT FORK
Price
N/A
PSB1048PF0388
UPPER-MID SHIFT FORK SUPPORT
Price
N/A
PSB1048PF0389
UPPER-MID SHIFT FORK
Price
N/A
PSB1048PF0390
TOP SHIFT FORK SUPPORT
Price
N/A
PSB1048PF0391
TOP SHIFT FORK
Price
N/A
PSB1048PF0392
SPACER
Price
N/A
PSB1048PF0393
PARTITION NUT
Price
N/A
PSB1048PF0394
PARTITION PLATE
Price
N/A
PSB1048PF0395
GEARBOX GASKET
Price
N/A
PSB1048PF0396
SHIFT GATE
Price
N/A
PSB1048PF0397
SELECTOR LEVER RETAINER
Price
N/A
PSB1048PF0398
O-RING 3.1 X 34.4 G35
Price
N/A
PSB1048PF0399
SELECTOR LEVER
Price
N/A
PSB1048PF0400
COMPRESSION SPRING
Price
N/A
PSB1048PF0401
O-RING 39.4 X 3.1 G40 
Price
N/A
PSB1048PF0402
SELECTOR LEVER BASE
Price
N/A
PSB1048PF0403
SELECTOR LEVER PIN
Price
N/A
PSB1048PF0404
LEVER CAP
Price
N/A
PSB1048PF0405
LEVER RETAINING FLAT WASHER
Price
N/A
PSB1048PF0406
SHIFT LEVER
Price
N/A
PSB1048PF0407
SIGHT GLASS
Price
N/A
PSB1048PF0408
GEARBOX COVER
Price
N/A
PSB1048PF0409
COUPLER 3/4" NPT
Price
N/A
PSB1048PF0410
ELBOW 3/4" NPT
Price
N/A
PSB1048PF0411
OIL FILL PLUG 3/4" NPT
Price
N/A
PSB1048PF0412
Now: PK05M
KEY 4 X 4 X 10
Price
N/A
PSB1048PF0413
SELECTOR SHAFT
Price
N/A
PSB1048PF0414
SELECTOR BAR
Price
N/A
PSB1048PF0415
SHIFT KNUCKLE
Price
N/A
PSB1048PF0416
COMPRESSION SPRING
Price
N/A
PSB1048PF0417
SET SCREW M8-1.25 X 8
Price
N/A
PSB1048PF0418
SHIFT FORK
Price
N/A
PSB1048PF0419
CAP SCREW M6-1 X 20
Price
N/A
PSB1048PF0420
ROLL PIN 5 X 16
Price
N/A
PSB1048PF0421
Now: PW03M
FLAT WASHER 6MM
Price
N/A
PSB1048PF0422
SET SCREW M6-1 X 6
Price
N/A
PSB1048PF0423
ROLL PIN 4 X 24
Price
N/A
PSB1048PF0424
SHIFT TAB
Price
N/A
PSB1048PF0425
SHIFT FORK
Price
N/A
PSB1048PF0426
SQUARE HEAD PLUG 1/2" NPT
Price
N/A
PSB1048PF0427
PIPE ELBOW 1/2" NPT
Price
N/A
PSB1048PF0428
COUPLER 1/2" NPT
Price
N/A
PSB1048PF0429
CAP SCREW M6-1 X 12
Price
N/A
PSB1048PF0430
CAP SCREW M6-1 X 40
Price
N/A
PSB1048PF0431
CAP SCREW M5-.8 X 25
Price
N/A
PSB1048PF0432
CAP SCREW M6-1 X 16
Price
N/A
PSB1048PF0501
HANDLE CAP SCREW
Price
N/A
PSB1048PF0502
HANDLE
Price
N/A
PSB1048PF0503
SET SCREW M6-1 X 25
Price
N/A
PSB1048PF0504
HANDWHEEL CENTER CAP
Price
N/A
PSB1048PF0505
HANDWHEEL
Price
N/A
PSB1048PF0506
STEEL BALL 1/4
Price
N/A
PSB1048PF0507
COMPRESSION SPRING
Price
N/A
PSB1048PF0508
GRADUATED DIAL
Price
N/A
PSB1048PF0509
FLAT HD SCR M5-.8 X 12
Price
N/A
PSB1048PF0510
GRADUATED DIAL BASE
Price
N/A
PSB1048PF0511
WOODRUFF KEY 19 X 5
Price
N/A
PSB1048PF0512
GEAR SHAFT
Price
N/A
PSB1048PF0513
PLUG
Price
N/A
PSB1048PF0514
Now: PR07M
EXT RETAINING RING 18MM
Price
N/A
PSB1048PF0515
SPACER
Price
N/A
PSB1048PF0516
NEEDLE ROLLER BEARING 18/20
Price
N/A
PSB1048PF0517
SPACER
Price
N/A
PSB1048PF0518
Now: PR11M
EXT RETAINING RING 25MM
Price
N/A
PSB1048PF0519
GEAR 56T
Price
N/A
PSB1048PF0520
NEEDLE ROLLER BEARING 28/20
Price
N/A
PSB1048PF0521
NOTCHED SPACER
Price
N/A
PSB1048PF0522
GEAR SHAFT
Price
N/A
PSB1048PF0523
RIVET 2.8 X 10MM NAMEPLATE, STEEL
Price
N/A
PSB1048PF0524
KNOB LABEL
Price
N/A
PSB1048PF0525
SHAFT
Price
N/A
PSB1048PF0526
GEAR SPACER
Price
N/A
PSB1048PF0527
COMBO GEAR 15T/33T
Price
N/A
PSB1048PF0528
GEAR SPACER
Price
N/A
PSB1048PF0529
APRON PIN
Price
N/A
PSB1048PF0530
SIGHT GLASS
Price
N/A
PSB1048PF0531
SHAFT
Price
N/A
PSB1048PF0532
NEEDLE BEARING TLA1616
Price
N/A
PSB1048PF0533
GEAR SHAFT 26T
Price
N/A
PSB1048PF0534
NEEDLE ROLLER BEARING TLA3016
Price
N/A
PSB1048PF0535
GEAR 24T
Price
N/A
PSB1048PF0536
GEAR 24T
Price
N/A
PSB1048PF0537
SPLINED GEAR
Price
N/A
PSB1048PF0538
Now: PR15M
EXT RETAINING RING 30MM
Price
N/A
PSB1048PF0539
COLLAR
Price
N/A
PSB1048PF0540
SLOTTED DOWEL PIN
Price
N/A
PSB1048PF0541
INDICATOR PLATE
Price
N/A
PSB1048PF0542
SHIFT SHAFT
Price
N/A
PSB1048PF0543
GEAR 24T
Price
N/A
PSB1048PF0545
GEAR SHAFT
Price
N/A
PSB1048PF0546
GEAR 24T
Price
N/A
PSB1048PF0547
HANDLE ASSEMBLY
Price
N/A
PSB1048PF0548
O-RING 20.8 X 2.4 P21 
Price
N/A
PSB1048PF0549
SHIFT KNUCKLE
Price
N/A
PSB1048PF0550
Now: PR81M
EXT RETAINING RING 21MM
Price
N/A
PSB1048PF0551
FLAT HD SCR M6-1 X 16
Price
N/A
PSB1048PF0552
LEVER HUB FLAT WASHER
Price
N/A
PSB1048PF0553
SET SCREW M8-1.25 X 8
Price
N/A
PSB1048PF0554
COMPRESSION SPRING
Price
N/A
PSB1048PF0555
HALF-NUT LEVER ASSEMBLY
Price
N/A
PSB1048PF0557
O-RING G-25
Price
N/A
PSB1048PF0558
SET SCREW M6-1 X 8
Price
N/A
PSB1048PF0559
COMPRESSION SPRING
Price
N/A
PSB1048PF0560
WOODRUFF KEY 16 X 5MM
Price
N/A
PSB1048PF0561
CAM SHAFT
Price
N/A
PSB1048PF0562
SET SCREW M10-1.5 X 35
Price
N/A
PSB1048PF0563
SET SCREW M10-1.5 X 10
Price
N/A
PSB1048PF0564
APRON CASTING
Price
N/A
PSB1048PF0565
SET SCREW M10-1.5 X 16
Price
N/A
PSB1048PF0566
COMPRESSION SPRING
Price
N/A
PSB1048PF0567
STEEL BALL 3/8
Price
N/A
PSB1048PF0568
CAP SCREW M6-1 X 12
Price
N/A
PSB1048PF0569
HALF-NUT GIB
Price
N/A
PSB1048PF0570
CAP SCREW M6-1 X 16
Price
N/A
PSB1048PF0571
CAP SCREW M6-1 X 30
Price
N/A
PSB1048PF0572
DOWEL PIN
Price
N/A
PSB1048PF0573
HALF-NUT PLATE
Price
N/A
PSB1048PF0574
HALF-NUT ASSEMBLY
Price
N/A
PSB1048PF0575
CAP SCREW M6-1 X 30
Price
N/A
PSB1048PF0576
SET SCREW M6-1 X 30
Price
N/A
PSB1048PF0577
PLUG 1/4" NPT
Price
N/A
PSB1048PF0578
APRON TOP PLATE
Price
N/A
PSB1048PF0579
OIL SEAL 30 X 40 X 5
Price
N/A
PSB1048PF0580
SLEEVE
Price
N/A
PSB1048PF0581
O-RING 44.4 X 3.1 G45 
Price
N/A
PSB1048PF0582
THRUST BEARING 3047-NTB/AS2
Price
N/A
PSB1048PF0583
GEARED PINION SHAFT 18T
Price
N/A
PSB1048PF0584
CASTING PLUG
Price
N/A
PSB1048PF0585
COLLAR
Price
N/A
PSB1048PF0586
CAP SCREW M6-1 X 12
Price
N/A
PSB1048PF0587
ROLL PIN 4 X 16
Price
N/A
PSB1048PF0588
BRACKET SHAFT
Price
N/A
PSB1048PF0589
CAP SCREW M5-.8 X 25
Price
N/A
PSB1048PF0590
SLOTTED DOWEL PIN
Price
N/A
PSB1048PF0591
CAPTIVE PIN
Price
N/A
PSB1048PF0592
EXTENSION SPRING
Price
N/A
PSB1048PF0593
SET SCREW M6-1 X 14
Price
N/A
PSB1048PF0594
LOCK NUT M6-1
Price
N/A
PSB1048PF0595
BRACKET
Price
N/A
PSB1048PF0596
Now: PK33M
KEY 5 X 5 X 45
Price
N/A
PSB1048PF0597
WORM SHAFT
Price
N/A
PSB1048PF0598
WORM GEAR
Price
N/A
PSB1048PF0599
CLUTCH
Price
N/A
PSB1048PF0600
CLUTCH GEAR 36T
Price
N/A
PSB1048PF0601
PIVOT ARM
Price
N/A
PSB1048PF0602
SPRING CUP
Price
N/A
PSB1048PF0603
COMPRESSION SPRING
Price
N/A
PSB1048PF0604
SPRING CUP
Price
N/A
PSB1048PF0605
ROLL PIN 4 X 24
Price
N/A
PSB1048PF0606
TRIP ROD
Price
N/A
PSB1048PF0607
TRIP ROD SPACER
Price
N/A
PSB1048PF0608
COMPRESSION SPRING
Price
N/A
PSB1048PF0609
TRIP ROD OUTER SPACER
Price
N/A
PSB1048PF0610
LOCK NUT M12-1.75
Price
N/A
PSB1048PF0611
THRUST BEARING NTB1528/AS2
Price
N/A
PSB1048PF0612
FLANGED BEARING
Price
N/A
PSB1048PF0613
COMPRESSION PLATE
Price
N/A
PSB1048PF0614
DOWEL PIN
Price
N/A
PSB1048PF0615
ROLL PIN 5 X 30
Price
N/A
PSB1048PF0616
WORM SHAFT FLAT WASHER 10MM
Price
N/A
PSB1048PF0617
LOCK NUT M10-1.5
Price
N/A
PSB1048PF0618
THREADED SHAFT W/DOMED NUT
Price
N/A
PSB1048PF0619
ROLL PIN 4 X 24
Price
N/A
PSB1048PF0620
ROLL PIN 3 X 16
Price
N/A
PSB1048PF0621
THREADED SHAFT W/DOMED NUT
Price
N/A
PSB1048PF0622
COMPRESSION PLATE FLAT WASHER
Price
N/A
PSB1048PF0623
ROLL PIN 3 X 24
Price
N/A
PSB1048PF0624
COUPLER
Price
N/A
PSB1048PF0625
STEPPED SHAFT
Price
N/A
PSB1048PF0626
O-RING 17.8 X 2.4 P18
Price
N/A
PSB1048PF0627
SHAFT END CAP
Price
N/A
PSB1048PF0628
FLAT HD CAP SCR M5-.8 X 16
Price
N/A
PSB1048PF0629
ROLL PIN 5 X 36
Price
N/A
PSB1048PF0630
KNURLED KNOB
Price
N/A
PSB1048PF0631
PLUNGER
Price
N/A
PSB1048PF0632
COMPRESSION SPRING
Price
N/A
PSB1048PF0633
SET SCREW M12-1.75 X 12
Price
N/A
PSB1048PF0634
SHAFT SLEEVE
Price
N/A
PSB1048PF0701
Now: PB25M
HEX BOLT M12-1.75 X 25
Price
N/A
PSB1048PF0702
GEAR FLAT WASHER
Price
N/A
PSB1048PF0703
GEAR 24T
Price
N/A
PSB1048PF0704
PIVOT ARM
Price
N/A
PSB1048PF0705
KEY 7 X 7 X 15
Price
N/A
PSB1048PF0706
Now: PN32M
HEX NUT M14-2
Price
N/A
PSB1048PF0707
GEAR FLAT WASHER
Price
N/A
PSB1048PF0708
Now: PR25M
INT RETAINING RING 47MM
Price
N/A
PSB1048PF0709
BALL BEARING 6005ZZ
Price
N/A
PSB1048PF0710
SPACER
Price
N/A
PSB1048PF0711
GEAR 44T/56T
Price
N/A
PSB1048PF0712
SHAFT SLEEVE
Price
N/A
PSB1048PF0713
T-HEAD SHAFT
Price
N/A
PSB1048PF0714
KEY 7 X 7 X 35
Price
N/A
PSB1048PF0715
STUD-FT M14-2 X 110
Price
N/A
PSB1048PF0716
GEAR 57T
Price
N/A
PSB1048PF0717
GEAR SPACER
Price
N/A
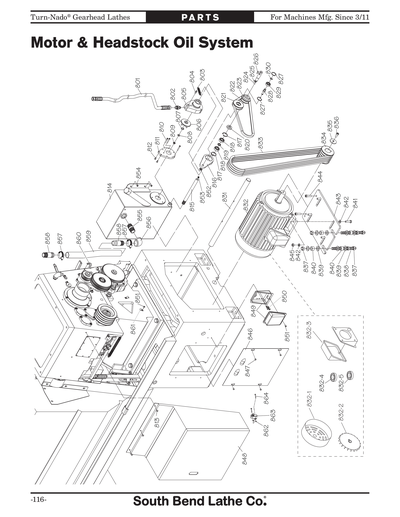
PSB1048PF0801
OIL HOSE 5/8"
Price
N/A
PSB1048PF0802
PULLEY PUMP ASSEMBLY
Price
N/A
PSB1048PF0803
PULLEY PUMP ASSEMBLY
Price
N/A
PSB1048PF0804
PULLEY PUMP ASSEMBLY
Price
N/A
PSB1048PF0805
PULLEY PUMP ASSEMBLY
Price
N/A
PSB1048PF0806
PULLEY PUMP ASSEMBLY
Price
N/A
PSB1048PF0807
Now: PR05M
EXT RETAINING RING 15MM
Price
N/A
PSB1048PF0808
Now: PW01M
FLAT WASHER 8MM
Price
N/A
PSB1048PF0809
Now: PN03M
HEX NUT M8-1.25
Price
N/A
PSB1048PF0810
CAP SCREW M5-.8 X 35
Price
N/A
PSB1048PF0811
PULLEY PUMP ASSEMBLY
Price
N/A
PSB1048PF0812
FLAT HD SCR M6-1 X 12
Price
N/A
PSB1048PF0813
BUTTON HD CAP SCR M5-.8 X 8
Price
N/A
PSB1048PF0814
OIL TANK
Price
N/A
PSB1048PF0815
OIL TANK DRAIN PIPE
Price
N/A
PSB1048PF0816
PULLEY PUMP ASSEMBLY
Price
N/A
PSB1048PF0817
Now: PR21M
INT RETAINING RING 35MM
Price
N/A
PSB1048PF0818
BALL BEARING 6202ZZ
Price
N/A
PSB1048PF0819
PULLEY PUMP ASSEMBLY
Price
N/A
PSB1048PF0820
PULLEY PUMP ASSEMBLY
Price
N/A
PSB1048PF0821
PULLEY PUMP ASSEMBLY
Price
N/A
PSB1048PF0822
Now: PVA38
V-BELT A38
Price
N/A
PSB1048PF0823
PULLEY PUMP ASSEMBLY
Price
N/A
PSB1048PF0824
PULLEY PUMP ASSEMBLY
Price
N/A
PSB1048PF0825
Now: PK65M
KEY 4 X 4 X 8
Price
N/A
PSB1048PF0826
Now: PK07M
KEY 6 X 6 X 20
Price
N/A
PSB1048PF0827
Now: PR29M
INT RETAINING RING 32MM
Price
N/A
PSB1048PF0828
PULLEY PUMP ASSEMBLY
Price
N/A
PSB1048PF0829
BALL BEARING 6201ZZ
Price
N/A
PSB1048PF0830
Now: PR03M
EXT RETAINING RING 12MM
Price
N/A
PSB1048PF0831
MOTOR MOUNT SHAFT 32 X 625MM
Price
N/A
PSB1048PF0832
MOTOR 15HP 440V 3PH 60HZ
Price
N/A
PSB1048PF0832-1
MOTOR FAN COVER
Price
N/A
PSB1048PF0832-2
MOTOR FAN
Price
N/A
PSB1048PF0832-3
MOTOR JUNCTION BOX
Price
N/A
PSB1048PF0832-4
FRONT MOTOR BEARING
Price
N/A
PSB1048PF0832-5
REAR MOTOR BEARING
Price
N/A
PSB1048PF0833
Now: PVA79
V-BELT A79
Price
N/A
PSB1048PF0834
MOTOR PULLEY
Price
N/A
PSB1048PF0835
PULLEY FLAT WASHER 12 X 45 X 5
Price
N/A
PSB1048PF0836
CAP SCREW M10-1.5 X 25
Price
N/A
PSB1048PF0837
Now: PN13M
HEX NUT M16-2
Price
N/A
PSB1048PF0838
THREADED ROD M16-2
Price
N/A
PSB1048PF0839
FLAT WASHER 16.5 X 40
Price
N/A
PSB1048PF0840
RUBBER SPACER
Price
N/A
PSB1048PF0841
Now: PB31M
HEX BOLT M10-1.5 X 40
Price
N/A
PSB1048PF0842
Now: PW04M
FLAT WASHER 10MM
Price
N/A
PSB1048PF0843
MOTOR MOUNT PLATE
Price
N/A
PSB1048PF0844
CAP SCREW M10-1.5 X 25
Price
N/A
PSB1048PF0845
Now: PN02M
HEX NUT M10-1.5
Price
N/A
PSB1048PF0846
REAR MOTOR ACCESS PLATE
Price
N/A
PSB1048PF0847
BUTTON HD CAP SCR M6-1 X 12
Price
N/A
PSB1048PF0848
ELECTRICAL BOX ASSEMBLY
Price
N/A
PSB1048PF0849
JUNCTION BOX
Price
N/A
PSB1048PF0850
CAP SCREW M6-1 X 25
Price
N/A
PSB1048PF0851
BUTTON HD CAP SCR M5-.8 X 8
Price
N/A
PSB1048PF0852
Now: PN02M
HEX NUT M10-1.5
Price
N/A
PSB1048PF0853
PLUG 1/4" NPT
Price
N/A
PSB1048PF0854
CAP SCREW M8-1.25 X 16
Price
N/A
PSB1048PF0855
HOSE COUPLER 1" NPT
Price
N/A
PSB1048PF0856
ELBOW 1" NPT
Price
N/A
PSB1048PF0857
HOSE CLAMP 3/4"
Price
N/A
PSB1048PF0858
HOSE CONNECTOR 1" X 75MM
Price
N/A
PSB1048PF0859
OIL RETURN HOSE
Price
N/A
PSB1048PF0860
HOSE CLIP
Price
N/A
PSB1048PF0861
HOSE CLIP
Price
N/A
PSB1048PF0862
Now: PN04M
HEX NUT M4-.7
Price
N/A
PSB1048PF0863
END COVER SAFETY SWITCH TM1307
Price
N/A
PSB1048PF0864
Now: PS65M
PHLP HD SCR M4-.7 X 40
Price
N/A
PSB1048PF0901
GIB ADJUST SCREW
Price
N/A
PSB1048PF0902
CROSS SLIDE
Price
N/A
PSB1048PF0903
COMPOUND REST PIVOT 25 X 40
Price
N/A
PSB1048PF0904
COMPOUND REST T-BOLT
Price
N/A
PSB1048PF0905
CROSS SLIDE GIB
Price
N/A
PSB1048PF0906
CROSS SLIDE WAY WIPER
Price
N/A
PSB1048PF0907
CROSS SLIDE WAY WIPER PLATE
Price
N/A
PSB1048PF0908
THRUST BEARING NTB/AS2 1730
Price
N/A
PSB1048PF0909
CROSS SLIDE LEADSCREW ASSY
Price
N/A
PSB1048PF0910
CROSS SLIDE LEADSCREW ASSY
Price
N/A
PSB1048PF0911
ROLL PIN 5 X 40
Price
N/A
PSB1048PF0912
CROSS SLIDE LEADSCREW ASSY
Price
N/A
PSB1048PF0913
KEY 3 X 3 X 115
Price
N/A
PSB1048PF0914
COOLANT NOZZLE 3/8 PT X 24"
Price
N/A
PSB1048PF0915
COOLANT STAND PIPE ASSY 3/8 PT
Price
N/A
PSB1048PF0916
BEARING COVER
Price
N/A
PSB1048PF0917
SPACER
Price
N/A
PSB1048PF0918
LEADSCREW BRACKET
Price
N/A
PSB1048PF0919
SADDLE CASTING
Price
N/A
PSB1048PF0920
SADDLE STRAIGHT WAY WIPER
Price
N/A
PSB1048PF0921
SADDLE STRAIGHT WAY WIPER PLATE
Price
N/A
PSB1048PF0922
OIL FILL CAP
Price
N/A
PSB1048PF0923
TAPER PIN #6 X 2-1/2"
Price
N/A
PSB1048PF0924
SADDLE V-WAY WIPER
Price
N/A
PSB1048PF0925
SADDLE V-WAY WIPER PLATE
Price
N/A
PSB1048PF0926
CROSS SLIDE PINION SHAFT 16T
Price
N/A
PSB1048PF0927
Now: PK96M
KEY 3 X 3 X 20
Price
N/A
PSB1048PF0928
SHAFT CAP M16-2 X 5
Price
N/A
PSB1048PF0929
PINION SHAFT BRACKET
Price
N/A
PSB1048PF0930
COMPRESSION SPRING
Price
N/A
PSB1048PF0931
STEEL BALL 1/4
Price
N/A
PSB1048PF0932
THRUST BEARING NTB/AS2 2035
Price
N/A
PSB1048PF0933
SPACER
Price
N/A
PSB1048PF0934
PINION SHAFT END CAP
Price
N/A
PSB1048PF0935
GRADUATED DIAL BASE RING
Price
N/A
PSB1048PF0936
GRADUATED DIAL
Price
N/A
PSB1048PF0937
HANDWHEEL
Price
N/A
PSB1048PF0938
HANDWHEEL END CAP
Price
N/A
PSB1048PF0939
HANDWHEEL HANDLE
Price
N/A
PSB1048PF0940
HANDLE CAP SCREW
Price
N/A
PSB1048PF0941
FRONT SADDLE GIB SUPPORT
Price
N/A
PSB1048PF0942
SADDLE GIB
Price
N/A
PSB1048PF0943
REAR SADDLE GIB SUPPORT
Price
N/A
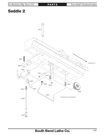
PSB1048PF0944
ONE-SHOT OILER ASSEMBLY
Price
N/A
PSB1048PF0946
GEAR 16T/36T
Price
N/A
PSB1048PF0947
COUPLER 1/8"-4MM
Price
N/A
PSB1048PF0948
ALUMINUM OIL TUBE 4 X 258MM
Price
N/A
PSB1048PF0949
ELBOW COUPLER 1/8"-4MM
Price
N/A
PSB1048PF0950
ALUMINUM OIL TUBE 4 X 121MM
Price
N/A
PSB1048PF0951
CAPTIVE PIN
Price
N/A
PSB1048PF0952
COUPLER 1/8"-6MM
Price
N/A
PSB1048PF0953
ALUMINUM OIL TUBE 6 X 175MM
Price
N/A
PSB1048PF0954
OIL FILTER 6MM
Price
N/A
PSB1048PF0955
CLAMP PLATE
Price
N/A
PSB1048PF0956
SET SCREW M8-1.25 X 40
Price
N/A
PSB1048PF0957
CAP SCREW M12-1.75 X 85
Price
N/A
PSB1048PF0958
BALL OILER 1/4 PRESS-IN
Price
N/A
PSB1048PF0959
SET SCREW M6-1 X 25
Price
N/A
PSB1048PF0960
CAP SCREW M8-1.25 X 30
Price
N/A
PSB1048PF0961
Now: PW04M
FLAT WASHER 10MM
Price
N/A
PSB1048PF0962
Now: PN02M
HEX NUT M10-1.5
Price
N/A
PSB1048PF0963
BUTTON HD CAP SCR M5-.8 X 12
Price
N/A
PSB1048PF0964
CAP SCREW M6-1 X 25
Price
N/A
PSB1048PF0965
NUT M16
Price
N/A
PSB1048PF0966
CAP SCREW M5-.8 X 25
Price
N/A
PSB1048PF0967
CAP SCREW M10-1.25 X 80
Price
N/A
PSB1048PF0968
SET SCREW M6-1 X 8
Price
N/A
PSB1048PF0969
CAP SCREW M8-1.25 X 20
Price
N/A
PSB1048PF0970
BUTTON HD CAP SCR M5-.8 X 10
Price
N/A
PSB1048PF0971
CAP SCREW M8-1.25 X 40
Price
N/A
PSB1048PF0972
FLAT HD SCR M5-.8 X 12
Price
N/A
PSB1048PF0973
GIB RETAINING CLIP
Price
N/A
PSB1048PF0974
SET SCREW M8-1.25 X 20
Price
N/A
PSB1048PF1000
TOOL POST ASSEMBLY 4-WAY
Price
N/A
PSB1048PF1001
TOOL POST LEVER
Price
N/A
PSB1048PF1002
TOOL POST LEVER HUB
Price
N/A
PSB1048PF1003
HUB THRUST WASHER
Price
N/A
PSB1048PF1004
TOOL POST BOLT
Price
N/A
PSB1048PF1005
POST BODY
Price
N/A
PSB1048PF1006
POST SHAFT
Price
N/A
PSB1048PF1007
TOOL POST PLUNGER
Price
N/A
PSB1048PF1008
COMPRESSION SPRING
Price
N/A
PSB1048PF1009
SET SCREW M8-1.25 X 20
Price
N/A
PSB1048PF1010
TOOL POST T-SLIDER
Price
N/A
PSB1048PF1012
COMPOUND REST W/GIB AND BASE
Price
N/A
PSB1048PF1012A
COMPOUND REST ASSEMBLY
Price
N/A
PSB1048PF1013
SET SCREW M8-1.25 X 16
Price
N/A
PSB1048PF1014
STEEL BALL 1/4
Price
N/A
PSB1048PF1015
BALL OILER 1/4 PRESS-IN
Price
N/A
PSB1048PF1016
GIB ADJUSTMENT SCREW
Price
N/A
PSB1048PF1017
COMPOUND REST GIB
Price
N/A
PSB1048PF1018
COMPOUND REST BASE
Price
N/A
PSB1048PF1019
SET SCREW M8-1.25 X 30
Price
N/A
PSB1048PF1020
COMPOUND REST LEADSCREW W/NUT
Price
N/A
PSB1048PF1022
Now: PK47M
KEY 4 X 4 X 15
Price
N/A
PSB1048PF1023
THRUST BEARING NTB/AS2 2035
Price
N/A
PSB1048PF1024
LEADSCREW BRACKET
Price
N/A
PSB1048PF1025
COMPRESSION SPRING
Price
N/A
PSB1048PF1026
CAP SCREW M6-1 X 20
Price
N/A
PSB1048PF1027
GRADUATED DIAL BASE
Price
N/A
PSB1048PF1028
GRADUATED DIAL
Price
N/A
PSB1048PF1029
HANDWHEEL
Price
N/A
PSB1048PF1030
HANDWHEEL HANDLE
Price
N/A
PSB1048PF1032
HANDWHEEL END CAP
Price
N/A
PSB1048PF1033
SET SCREW M6-1 X 20
Price
N/A
PSB1048PF1034
HANDWHEEL HANDLE
Price
N/A
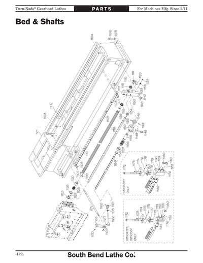
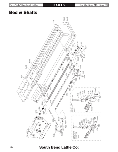
P
LATHE BED W/ BED GAP
$40,192.60
Enter quantity between 1 and 99
PSB1048PF1102
***USE PSB1048PF1101***
Item is no longer available
Price
N/A
PSB1048PF1103
Now: PN09M
HEX NUT M12-1.75
Price
N/A
PSB1048PF1104
BED STOP BOLT
Price
N/A
PSB1048PF1105
Now: PW08M
FLAT WASHER 16MM
Price
N/A
PSB1048PF1106
Now: PB80M
HEX BOLT M16-2 X 55
Price
N/A
PSB1048PF1107
CAP SCREW M6-1 X 25
Price
N/A
PSB1048PF1108
ROLL PIN 6 X 30
Price
N/A
P
BED RACK 3PC
$1,166.20
Enter quantity between 1 and 99
PSB1048PF1110
BED RACK 3PC
Price
N/A
PSB1048PF1111
LEADSCREW LOCK NUT
Price
N/A
PSB1048PF1115
SET SCREW M6-1 X 8
Price
N/A
PSB1048PF1116
THRUST BEARING 51105
Price
N/A
PSB1048PF1117
SHAFT END BRACKET
Price
N/A
P
LONGITUDINAL LEADSCREW
$2,427.75
Enter quantity between 1 and 99
PSB1048PF1119
Now: PK99M
KEY 6 X 6 X 15
Price
N/A
PSB1048PF1120
LEADSCREW SPRING HOUSING
Price
N/A
PSB1048PF1125
LEADSCREW SPRING
Price
N/A
PSB1048PF1126
KEYED LEADSCREW FLAT WASHER
Price
N/A
PSB1048PF1127
SHEAR PIN
Price
N/A
PSB1048PF1128
LEADSCREW FLANGE BUSHING
Price
N/A
PSB1048PF1129
FEED ROD END CAP
Price
N/A
PSB1048PF1130
BALL OILER 1/4 PRESS-IN
Price
N/A
PSB1048PF1134
LOCK COLLAR
Price
N/A
PSB1048PF1135
SET SCREW M6-1 X 10
Price
N/A
P
FEED ROD
$1,225.35
Enter quantity between 1 and 99
PSB1048PF1137
SET SCREW M12-1.75 X 12
Price
N/A
PSB1048PF1138
COMPRESSION SPRING
Price
N/A
PSB1048PF1139
STEEL BALL 3/8
Price
N/A
PSB1048PF1140
CAP SCREW M10-1.5 X 35
Price
N/A
PSB1048PF1145
TAPER PIN 7 X 45
Price
N/A
PSB1048PF1146
SPINDLE ON/OFF LEVER HUB
Price
N/A
PSB1048PF1147
STEP PIN
Price
N/A
PSB1048PF1148
SPINDLE ON/OFF LEVER
Price
N/A
PSB1048PF1149
CAP SCREW M6-1 X 16
Price
N/A
PSB1048PF1150
SPINLE LEVER SELECTOR BRACKET
Price
N/A
PSB1048PF1155
SPINDLE ROD SLEEVE
Price
N/A
PSB1048PF1156
SPINDLE ROD COMPRESSION SPRING
Price
N/A
PSB1048PF1157
SPINDLE ROD SPRING COVER
Price
N/A
PSB1048PF1158
Now: PR37M
EXT RETAINING RING 32MM
Price
N/A
P
SPINDLE ROD
$733.00
Enter quantity between 1 and 99
PSB1048PF1160
SET SCREW M8-1.25 X 8
Price
N/A
PSB1048PF1161
SPINDLE ROD LEVER HUB
Price
N/A
PSB1048PF1166
SPINDLE ROD LEVER
Price
N/A
PSB1048PF1167
E-CLIP 8MM
Price
N/A
PSB1048PF1168
SPINDLE SWITCH PIVOT ARM
Price
N/A
PSB1048PF1169
SPINDLE SWITCH PIVOT PIN
Price
N/A
PSB1048PF1170
SET SCREW M8-1.25 X 12
Price
N/A
PSB1048PF1171
SPINDLE SWITCH LINKAGE
Price
N/A
P
STEP SHAFT
$177.85
Enter quantity between 1 and 99
PSB1048PF1173
CAP SCREW M8-1.25 X 70
Price
N/A
P
BED CLAMP
$449.85
Enter quantity between 1 and 99
PSB1048PF1175
SET SCREW M8-1.25 X 20
Price
N/A
PSB1048PF1176
PLUNGER
Price
N/A
PSB1048PF1177
LOWER CLAMP PLATE
Price
N/A
PSB1048PF1178
SET SCREW M8-1.25 X 16
Price
N/A
P
SHAFT SUPPORT
$1,017.95
Enter quantity between 1 and 99
PSB1048PF1180
Now: PR12M
EXT RETAINING RING 35MM
Price
N/A
PSB1048PF1181
SET SCREW M8-1.25 X 8
Price
N/A
PSB1048PF1182
BUSHING
Price
N/A
P
BRAKE PEDAL SHAFT
$355.35
Enter quantity between 1 and 99
P
LEFT BRAKE PEDAL
$930.10
Enter quantity between 1 and 99
P
RIGHT BRAKE PEDAL
$838.95
Enter quantity between 1 and 99
P
PEDAL SHAFT COLLAR
$29.95
Enter quantity between 1 and 99
PSB1048PF1205
CAP SCREW M6-1 X 16
Price
N/A
PSB1048PF1206
CAP SCREW M6-1 X 10
Price
N/A
PSB1048PF1207
Now: PW03M
FLAT WASHER 6MM
Price
N/A
P
CENTER PANEL
$536.80
Enter quantity between 1 and 99
P
CHIP DRAWER
$2,238.45
Enter quantity between 1 and 99
P
CABINET PANEL BRACKET
$56.20
Enter quantity between 1 and 99
PSB1048PF1211
Now: PS05M
PHLP HD SCR M5-.8 X 8
Price
N/A
P
SHAFT CLUTCH COVER
$157.95
Enter quantity between 1 and 99
P
BRAKE LINKAGE COVER
$631.30
Enter quantity between 1 and 99
P
BACKSPLASH MOUNTING PLATE
$100.25
Enter quantity between 1 and 99
PSB1048PF1215
CHUCK GUARD PIVOT BRACKET
Price
N/A
PSB1048PF1216
CAP SCREW M3-.5 X 10
Price
N/A
PSB1048PF1217
SET SCREW M8-1.25 X 12
Price
N/A
PSB1048PF1218
Now: PN04M
HEX NUT M4-.7
Price
N/A
PSB1048PF1219
LOCK WASHER 6MM
Price
N/A
PSB1048PF1220
CAP SCREW M6-1 X 20
Price
N/A
PSB1048PF1221
SAFETY SWITCH BRACKET
Price
N/A
PSB1048PF1222
CHUCK GUARD SAFETY SWITCH TZ9212
Price
N/A
PSB1048PF1223
Now: PS65M
PHLP HD SCR M4-.7 X 40
Price
N/A
PSB1048PF1224
Now: PN03M
HEX NUT M8-1.25
Price
N/A
PSB1048PF1225
Now: PW01M
FLAT WASHER 8MM
Price
N/A
PSB1048PF1226
CAP SCREW M8-1.25 X 20
Price
N/A
P
BACKSPLASH
$3,610.45
Enter quantity between 1 and 99
PSB1048PF1228
CHUCK GUARD KNOB 1/2-13
Price
N/A
PSB1048PF1229
Now: PN06
HEX NUT 1/2-12
Price
N/A
PSB1048PF1230
Now: PB52
HEX BOLT 1/2-13 X 1
Price
N/A
PSB1048PF1231
CHUCK GUARD PIVOT ROD
Price
N/A
PSB1048PF1232
CHUCK SAFETY GUARD
Price
N/A
PSB1048PF1233
CAP SCREW M6-1 X 12
Price
N/A
PSB1048PF1234
SET SCREW M5-.8 X 16
Price
N/A
P
FLUID TROUGH RIGHT SIDE
$605.00
Enter quantity between 1 and 99
P
FLUID TROUGH LEFT SIDE
$420.85
Enter quantity between 1 and 99
P
COOLANT HOSE 3/8" X 185"
$221.00
Enter quantity between 1 and 99
PSB1048PF1238
PIPE NIPPLE 3/8 PT X 3/8 PH
Price
N/A
PSB1048PF1239
COOLANT PUMP ASSEMBLY
Price
N/A
PSB1048PF1240
COOLANT TANK
Price
N/A
PSB1048PF1241
COOLANT TANK COVER
Price
N/A
PSB1048PF1242
Now: PS68M
PHLP HD SCR M6-1 X 10
Price
N/A
P
RIGHT SIDE SPLASH TRAY
$3,412.75
Enter quantity between 1 and 99
P
LEFT SIDE SPLASH TRAY
$1,231.10
Enter quantity between 1 and 99
PSB1048PF1245
MOTOR ACCESS COVER
Price
N/A
P
BACKSPLASH MOUNTING POST
$151.30
Enter quantity between 1 and 99
PSB1048PF1247
CONTROL PANEL PLATE
Price
N/A
P
LEFT CABINET
$6,171.85
Enter quantity between 1 and 99
P
CENTER CABINET
$3,913.55
Enter quantity between 1 and 99
P
RIGHT CABINET
$5,011.80
Enter quantity between 1 and 99
PSB1048PF1251
LEVELING FOOT
Price
N/A
PSB1048PF1252
Now: PB80M
HEX BOLT M16-2 X 55
Price
N/A
PSB1048PF1253
CHUCK GUARD WINDOW PLASTIC
Price
N/A
PSB1048PF1254
BUTTON HD CAP SCR M6-1 X 12
Price
N/A
PSB1048PF1255
CAP SCREW M6-1 X 16
Price
N/A
P
HEX NUT M6-1 X 16
$1.60
Enter quantity between 1 and 99
PSB1048PF1257
END GEAR COVER ASSEMBLY
Price
N/A
PSB1048PF1303
E-CLIP 6MM
Price
N/A
PSB1048PF1305
CLEVIS PIN 6MM
Price
N/A
PSB1048PF1306
CLEVIS PIN 6MM
Price
N/A
PSB1048PF1307
SPACER
Price
N/A
PSB1048PF1308
Now: PB01M
HEX BOLT M10-1.5 X 30
Price
N/A
PSB1048PF1309
ROCKER ARM
Price
N/A
PSB1048PF1310
Now: PW01M
FLAT WASHER 8MM
Price
N/A
PSB1048PF1314
Now: PW01M
FLAT WASHER 8MM
Price
N/A
PSB1048PF1315
LOCK NUT M10-1.5
Price
N/A
PSB1048PF1316
ROCKER ARM MOUNTING BRACKET
Price
N/A
PSB1048PF1317
CAP SCREW M6-1 X 30
Price
N/A
PSB1048PF1318
LOCK WASHER 6MM
Price
N/A
PSB1048PF1319
SHIELD PLATE
Price
N/A
PSB1048PF1320
BRAKE DRUM
Price
N/A
PSB1048PF1324
BRAKE SHOE SET 2PC W/SPRING
Price
N/A
PSB1048PF1325
BRAKE SHOE SET 2PC W/SPRING
Price
N/A
PSB1048PF1326
E-CLIP 8MM
Price
N/A
PSB1048PF1327
BRAKE SHOE ANCHOR PIN
Price
N/A
PSB1048PF1328
BRAKE ACTUATOR
Price
N/A
PSB1048PF1329
ACTUATOR PIN
Price
N/A
PSB1048PF1330
ACTUATOR ROLLER
Price
N/A
PSB1048PF1334
ACTUATOR BUSHING
Price
N/A
PSB1048PF1335
O-RING 9.8 X 1.9 P10
Price
N/A
PSB1048PF1336
Now: PR02M
EXT RETAINING RING 14MM
Price
N/A
PSB1048PF1337
MOUNTING BLOCK
Price
N/A
PSB1048PF1338
BRAKE ACTUATOR ROD
Price
N/A
PSB1048PF1339
ROD RETAINING PLATE
Price
N/A
PSB1048PF1340
CAP SCREW M8-1.25 X 35
Price
N/A
PSB1048PF1344
EXTENSION SPRING
Price
N/A
PSB1048PF1345
SPRING ANCHOR PIN 5 X 40
Price
N/A
PSB1048PF1346
SPINDLE LEVER/BRAKE CONTROL ARM
Price
N/A
PSB1048PF1349
CONTROL ARM RETAINING PLATE
Price
N/A
PSB1048PF1350
LOCK NUT M8-1.25
Price
N/A
PSB1048PF1353
Now: PN03M
HEX NUT M8-1.25
Price
N/A
PSB1048PF1355
BRAKE PEDAL PIN
Price
N/A
PSB1048PF1356
PEDAL PIN SHOULDER BOLT
Price
N/A
PSB1048PF1357
ROLLER STANDOFF
Price
N/A
PSB1048PF1358
ROLLER
Price
N/A
PSB1048PF1359
CAP SCREW M8-1.25 X 25
Price
N/A
PSB1048PF1360
CONTROL ARM BRACKET
Price
N/A
PSB1048PF1364
STOP PLATE
Price
N/A
PSB1048PF1365
STOP PLATE SHIELD
Price
N/A
PSB1048PF1366
CAP SCREW M6-1 X 10
Price
N/A
PSB1048PF1367
HEX BOLT M10-1.5 X 45
Price
N/A
PSB1048PF1368
LOWER CLUTCH ACTUATOR ROD
Price
N/A
PSB1048PF1369
ACTUATOR ROD JAM NUT M12-1.75
Price
N/A
PSB1048PF1370
ACTUATOR ROD COUPLER M12-1.75
Price
N/A
PSB1048PF1374
Now: PN09M
HEX NUT M12-1.75
Price
N/A
PSB1048PF1375
UPPER CLUTCH ACTUATOR ROD
Price
N/A
PSB1048PF1376
ROLL PIN 4 X 20
Price
N/A
PSB1048PF1377
UNIVERSAL JOINT ASSEMBLY
Price
N/A
PSB1048PF1378
BRAKE DRUM FLAT WASHER
Price
N/A
PSB1048PF1379
ROLL PIN 3 X 16
Price
N/A
PSB1048PF1380
LOCK WASHER 6MM
Price
N/A
PSB1048PF1381
CAP SCREW M6-1 X 20
Price
N/A
PSB1048PF1400
TAILSTOCK ASSEMBLY
Price
N/A
PSB1048PF1401
HANDWHEEL HANDLE CAP SCREW
Price
N/A
PSB1048PF1402
HANDWHEEL HANDLE
Price
N/A
PSB1048PF1403
SET SCREW M8-1.25 X 30
Price
N/A
PSB1048PF1404
HANDWHEEL CENTER CAP
Price
N/A
PSB1048PF1405
HANDWHEEL
Price
N/A
PSB1048PF1406
COMPRESSION SPRING
Price
N/A
PSB1048PF1407
STEEL BALL 1/4
Price
N/A
PSB1048PF1408
GRADUATED DIAL
Price
N/A
PSB1048PF1409
THRUST BEARING 51105
Price
N/A
PSB1048PF1410
GRADUATED DIAL BASE
Price
N/A
PSB1048PF1411
CAP SCREW M6-1 X 20
Price
N/A
PSB1048PF1412
LEADSCREW W/NUT
Price
N/A
PSB1048PF1413
Now: PK10M
KEY 5 X 5 X 12
Price
N/A
PSB1048PF1414
CAP SCREW M8-1.25 X 30
Price
N/A
PSB1048PF1415
QUILL ALIGNMENT GUIDE
Price
N/A
PSB1048PF1416
BALL OILER 1/4 PRESS-IN
Price
N/A
PSB1048PF1417
TAILSTOCK CASTING
Price
N/A
PSB1048PF1418
QUILL LOCK LEVER ASSEMBLY
Price
N/A
PSB1048PF1419
CAP SCREW M6-1 X 10
Price
N/A
PSB1048PF1420
CAP SCREW M8-1.25 X 70
Price
N/A
PSB1048PF1421
TAILSTOCK LOCK LEVER ASSEMBLY
Price
N/A
PSB1048PF1422
TAILSTOCK LOCK LEVER ASSEMBLY
Price
N/A
PSB1048PF1423
QUILL
Price
N/A
PSB1048PF1424
Now: PN29M
HEX NUT M18-2.5
Price
N/A
PSB1048PF1425
Now: PW18M
FLAT WASHER 18MM
Price
N/A
PSB1048PF1426
OFFSET INDICATOR PLATE
Price
N/A
PSB1048PF1427
SET SCREW M10-1.5 X 30
Price
N/A
PSB1048PF1428
ALIGNMENT PIN
Price
N/A
PSB1048PF1429
PIVOT BLOCK
Price
N/A
PSB1048PF1430
BUTTON HD CAP SCR M5-.8 X 16
Price
N/A
PSB1048PF1431
V-WAY WIPER PLATE
Price
N/A
PSB1048PF1432
V-WAY WIPER
Price
N/A
PSB1048PF1433
STRAIGHT WAY WIPER PLATE
Price
N/A
PSB1048PF1434
STRAIGHT WAY WIPER
Price
N/A
PSB1048PF1435
TAILSTOCK BASE
Price
N/A
PSB1048PF1436
Now: PW18M
FLAT WASHER 18MM
Price
N/A
PSB1048PF1437
LOCK WASHER 18MM
Price
N/A
PSB1048PF1438
TAILSTOCK ANCHOR BOLT
Price
N/A
PSB1048PF1439
TAILSTOCK GIB
Price
N/A
PSB1048PF1440
TAILSTOCK GIB ADJUST SCREW
Price
N/A
PSB1048PF1441
CLAMP PLATE
Price
N/A
PSB1048PF1442
TAILSTOCK MOUNTING BOLT
Price
N/A
PSB1048PF1443
CLAMP BLOCK
Price
N/A
PSB1048PF1444
TAILSTOCK MOUNTING STUD AND NUT ASSY.
Price
N/A
PSB1048PF1445
ROLL PIN 6 X 36
Price
N/A
PSB1048PF1446
TAILSTOCK MOUNTING STUD AND NUT ASSY.
Price
N/A
PSB1048PF1500
THREAD DIAL ASSEMBLY
Price
N/A
PSB1048PF1501
DIAL PLATE
Price
N/A
PSB1048PF1502
PIVOT BOLT
Price
N/A
PSB1048PF1503
DIAL INDICATOR CASTING
Price
N/A
PSB1048PF1504
KNURLED KNOB
Price
N/A
PSB1048PF1505
PIVOT STUD-DE M8-125 X 115 12/18
Price
N/A
PSB1048PF1507
GEAR SPACER
Price
N/A
PSB1048PF1508
DIAL GEAR 16T
Price
N/A
PSB1048PF1509
CAP SCREW M6-1 X 10
Price
N/A
PSB1048PF1511
SET SCREW M6-1 X 6
Price
N/A
PSB1048PF1512
Now: PN03M
HEX NUT M8-1.25
Price
N/A
PSB1048PF1600
MICROMETER STOP ASSEMBLY
Price
N/A
PSB1048PF1601
CAP SCREW M10-1.5 X 60
Price
N/A
PSB1048PF1602
RIVET 2 X 5MM NAMEPLATE, STEEL
Price
N/A
PSB1048PF1603
INDICATOR PLATE
Price
N/A
PSB1048PF1604
MICROMETER DIAL
Price
N/A
PSB1048PF1605
INDICATOR STOP CASTING
Price
N/A
PSB1048PF1606
INDICATOR STOP ROD
Price
N/A
PSB1048PF1607
CLAMP PLATE
Price
N/A
PSB1048PF1608
SET SCREW M10-1.5 X 20
Price
N/A
PSB1048PF1609
PLUNGER COPPER
Price
N/A
PSB1048PF1610
SET SCREW M8-1.25 X 16
Price
N/A
PSB1048PF1611
DOG PT SET SCR M8-1.25 X 12
Price
N/A
PSB1048PF1612
SET SCREW M8-1.25 X 12
Price
N/A
PSB1048PF1700
STEADY REST ASSEMBLY
Price
N/A
PSB1048PF1701
FINGER AND ADJUSTMENT KNOB ASSY
Price
N/A
PSB1048PF1702
FINGER AND ADJUSTMENT KNOB ASSY
Price
N/A
PSB1048PF1703
SET SCREW M8-1.25 X 8
Price
N/A
PSB1048PF1704
CLAMP SCREW KNOB
Price
N/A
PSB1048PF1705
CLAMP SCREW
Price
N/A
PSB1048PF1706
STEADY REST ASSEMBLY
Price
N/A
PSB1048PF1707
DOWEL PIN
Price
N/A
PSB1048PF1708
DOG PT LEAF SCR M8-1.25 X 25
Price
N/A
PSB1048PF1709
HINGE PIN
Price
N/A
PSB1048PF1710
Now: PN13M
HEX NUT M16-2
Price
N/A
PSB1048PF1711
LOCK WASHER 18MM
Price
N/A
PSB1048PF1712
STUD-FT M16-2 X 120
Price
N/A
PSB1048PF1713
CLAMP PLATE
Price
N/A
PSB1048PF1800
FOLLOW REST ASSEMBLY
Price
N/A
PSB1048PF1801
ADJUSTMENT KNOB ASSEMBLY
Price
N/A
PSB1048PF1802
FINGER ASSEMBLY
Price
N/A
PSB1048PF1803
SET SCREW M8-1.25 X 16
Price
N/A
PSB1048PF1804
FOLLOW REST ASSEMBLY
Price
N/A
PSB1048PF1805
DOG PT LEAF SCR M8-1.25 X 25
Price
N/A
PSB1048PF1900
ELECTRICAL CABINET ASSEMBLY
Price
N/A
PSB1048PF1901
CONTACTOR AB C23400
Price
N/A
PSB1048PF1902
OL RELAY AB 193T1AC25 21-25A
Price
N/A
PSB1048PF1903
MASTER POWER SWITCH
Price
N/A
PSB1048PF1904
CONTACTOR AB C09400
Price
N/A
PSB1048PF1905
OL RELAY AB .25-.4A
Price
N/A
PSB1048PF1906
CIRCUIT BREAKER 25A AB 1492-SP D25 3P
Price
N/A
PSB1048PF1907
CIRCUIT BREAKER 6A AB 1489-A D6 1P
Price
N/A
PSB1048PF1908
TRANSFORMER TBSW11 140VA 220/440-24/220V
Price
N/A
PSB1048PF1909
FUSE 4A 250V TIME-DELAY
Price
N/A
PSB1048PF1910
FUSE 500M 250V TIME-DELAY
Price
N/A
PSB1048PF1911
TERMINAL BAR 6P
Price
N/A
PSB1048PF1912
ELECTRICAL PANEL BACK PLATE
Price
N/A
PSB1048PF1913
STOP BUTTON
Price
N/A
PSB1048PF1914
MOTOR ON BUTTON
Price
N/A
PSB1048PF1915
MOTOR OFF BUTTON
Price
N/A
PSB1048PF1916
COOLANT PUMP ON BUTTON
Price
N/A
PSB1048PF1917
COOLANT PUMP OFF BUTTON
Price
N/A
PSB1048PF1918
POWER INDICATOR LIGHT AB 800FD P7N3 22MM
Price
N/A
PSB1048PF2001
12" High Precision 3 Jaw Scroll Chuck
Price
N/A
PSB1048PF2002
FACEPLATE ASSEMBLY 14"
Price
N/A
PSB1048PF2003
14" 4 Jaw Ind. Chuck D1-8
Price
N/A
PSB1048PF2004
DEAD CENTER MT#5
Price
N/A
PSB1048PF2005
DEAD CENTER CARBIDE-TIPPED MT#5
Price
N/A
PSB1048PF2006
SPINDLE SLEEVE MT#7-MT#5
Price
N/A
PSB1048PF2007
TOOL BOX
Price
N/A
PSB1048PF2008
HEX WRENCH 10MM
Price
N/A
PSB1048PF2009
HEX WRENCH 1.5-10MM 10PC SET
Price
N/A
PSB1048PF2010
FOOT CAST-IRON
Price
N/A
PSB1048PF2011
Now: PSDF2
SCREWDRIVER FLAT #2
Price
N/A
PSB1048PF2012
Now: PSDP2
SCREWDRIVER PHILLIPS #2
Price
N/A
PSB1048PF2013
WRENCH 10 X 12MM OPEN-ENDS
Price
N/A
PSB1048PF2014
WRENCH 14 X 17MM OPEN-ENDS
Price
N/A
PSB1048PF2015
WRENCH 22 X 24MM OPEN-ENDS
Price
N/A
PSB1048PF2016
Now: PWR27
WRENCH 27MM COMBO
Price
N/A
PSB1048PF2017
DRO ASSEMBLY FAGOR 2-AXIS
Price
N/A
PSB1048PF2018
TOOL POST WRENCH 4-WAY
Price
N/A
PSB1048PF2019
12-1/2" D1-8 Back Plate
Price
N/A
P
MACHINE ID LABEL
$16.40
Enter quantity between 1 and 99
PSB1048PF2102
UNTRAINED PERSONNEL LABEL
Price
N/A
PSB1048PF2103
DISCONNECT POWER LABEL 3.25 X 2
Price
N/A
PSB1048PF2104
BIOHAZARD LABEL 3.25 X 2
Price
N/A
P
TOOLROOM SIZE LABEL
$1.85
Enter quantity between 1 and 99
PSB1048PF2106
CARRIAGE LOCK LABEL
Price
N/A
PSB1048PF2107
THREAD CHART
Price
N/A
PSB1048PF2108
ONE SHOT OILER LABEL
Price
N/A
P
MODEL NUMBER LABEL
$16.40
Enter quantity between 1 and 99
PSB1048PF2110
SAFETY GLASSES LABEL 3.25 X 2
Price
N/A
PSB1048PF2111
ENTANGLEMENT LABEL 3.25 X 2
Price
N/A
PSB1048PF2112
CHUCK KEY LABEL
Price
N/A
PSB1048PF2113
READ MANUAL LABEL 3.25 X 2
Price
N/A
PSB1048PF2114
Nameplate 255mm
Price
N/A
PSB1048PF2115
SB GRAY TOUCH-UP AEROSOL 5oz
Price
N/A
PSB1048PF2116
SB LT BLUE TOUCH-UP AEROSOL 5oz
Price
N/A
PSB1048PF2117
SB DK BLUE TOUCH-UP AEROSOL 5oz
Price
N/A
PSB1048PF2118
ELECTRICITY LABEL 1.4
Price
N/A
PSB1048PF2119
440V 3-PHASE LABEL
Price
N/A
PSB1048PFMAN
MANUAL SB1046PF-58PF MFG-03.11-01.14 V1.08.11
Price
N/A