Parts for SB1111 10" 3 HP 220V Table Saw With Extension Rails

Parts Diagrams for SB1111 - 10" 3 HP 220V Table Saw With Extension Rails

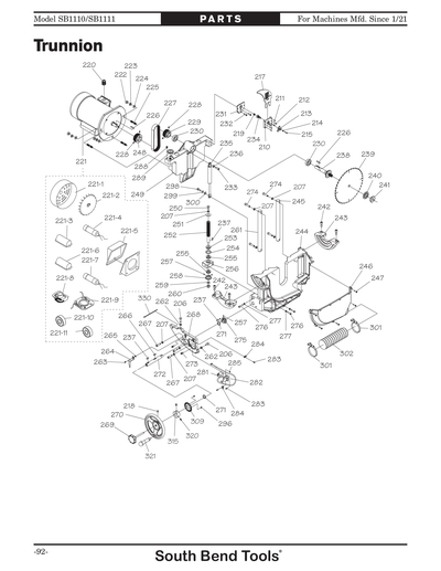
IMPORTANT

Parts may have multiple versions that have changed over time. This will be indicated by V1, V2, V3, etc. in the parts description, followed by the version month and year that it was first used. Example: V2.01.17 indicates version 2 of a part went into use in January 2017. Please reference the manufacture date on the ID Label for your machine to ensure you are selecting the correct part when multiple versions are indicated.

If you cannot locate your part below, please contact our tech support department at techsupport@grizzly.com or 570-546-9663.

Please note: All parts ship out of our Springfield, Missouri facility.

Parts List for Parts for SB1111 10" 3 HP 220V Table Saw With Extension Rails

P
FENCE TUBE
$266.90
Enter quantity between 1 and 99
P
EXTENSION TABLE PLATE
$96.05
Enter quantity between 1 and 99
P
EXTENSION TABLE SUPPORT
$33.55
Enter quantity between 1 and 99
P
EXTENSION BRACKET (LEFT)
$20.55
Enter quantity between 1 and 99
P
MOUNTING PLATE
$8.80
Enter quantity between 1 and 99
PSB1111507
FLAT HD SCR M8-1.25 X 25
Price
N/A
PSB1111508
Now: PN03M
HEX NUT M8-1.25
Price
N/A
PSB1111509
CAP SCREW M8-1.25 X 25
Price
N/A
P
RAIL (REAR)
$86.95
Enter quantity between 1 and 99
PSB1111511
LOCK WASHER 8MM
Price
N/A
PSB1111512
Now: PS14M
PHLP HD SCR M6-1 X 12
Price
N/A
PSB1111513
Now: PW03M
FLAT WASHER 6MM
Price
N/A
PSB1111514
FLANGE BOLT M8-1.25 X 12
Price
N/A
P
TAP SCREW M4.5 X 16
$1.60
Enter quantity between 1 and 99
P
EXTENSION BRACKET (RIGHT)
$21.75
Enter quantity between 1 and 99
PSB1111518
RIGHT SCALE 52"
Price
N/A
P
RAIL (FRONT)
$158.20
Enter quantity between 1 and 99
PSB1111520
Now: PN01M
HEX NUT M6-1
Price
N/A
P
SHELF END PLATE
$31.15
Enter quantity between 1 and 99
P
SUPPORT LEG
$58.95
Enter quantity between 1 and 99
PSB1111523
Now: PN08
HEX NUT 3/8-16
Price
N/A
P
FOOT 3/8-16 X 2
$9.10
Enter quantity between 1 and 99
PSB1111525
Now: PB02M
HEX BOLT M6-1 X 12
Price
N/A
P
LOWER SHELF BRACKET
$26.35
Enter quantity between 1 and 99
PSB1111527
FENDER WASHER 8MM
Price
N/A
PSB1111528
Now: PB06M
HEX BOLT M8-1.25 X 12
Price
N/A
PSB1111529
Now: PW01M
FLAT WASHER 8MM
Price
N/A
PSB1111530
SHELF LOWER
Price
N/A
P
SENSOR BASE
$19.65
Enter quantity between 1 and 99
PSB1111532
SENSOR STRIP WIXEY WR7003 800MM
Price
N/A
P
SENSOR STRIP WIXEY WR7003 550MM
$17.85
Enter quantity between 1 and 99
PSB1111578
LCD DIGITAL READOUT WIXEY WR7001
Price
N/A
PSB1111579
BATTERY AAA (2PC)
Price
N/A
PSB1111600
MITER GAUGE ASSEMBLY W/O FENCE V1
Price
N/A
PSB1111601
MITER GAUGE HANDLE
Price
N/A
PSB1111601-1
HANDLE 21 X 115, M8-1.25 RED ANODIZED
Price
N/A
PSB1111700V2
BLADE GUARD ASSEMBLY V2.08.21
Price
N/A
PSB1111715V2
BLADE GUARD BODY V2.08.21
Price
N/A
PSB1111732
BLADE GUARD COVER (LEFT)
Price
N/A
PSB1111733
CONNECTING PLATE (LEFT)
Price
N/A
PSB1111MANV2
MANUAL SB1110/SB1111 MFD-08.21+ V2.08.21
Price
N/A