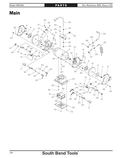
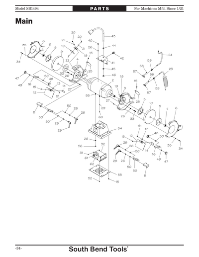
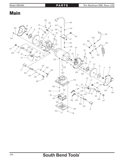
Parts for SB1494 10" Variable-Speed Heavy-Duty Bench Grinder

Parts Diagrams for SB1494 - 10" Variable-Speed Heavy-Duty Bench Grinder

IMPORTANT

Parts may have multiple versions that have changed over time. This will be indicated by V1, V2, V3, etc. in the parts description, followed by the version month and year that it was first used. Example: V2.01.17 indicates version 2 of a part went into use in January 2017. Please reference the manufacture date on the ID Label for your machine to ensure you are selecting the correct part when multiple versions are indicated.

If you cannot locate your part below, please contact our tech support department at techsupport@grizzly.com or 570-546-9663.

Please note: All parts ship out of our Springfield, Missouri facility.

Parts List for Parts for SB1494 10" Variable-Speed Heavy-Duty Bench Grinder

P
MOTOR 1-1/2HP 110V/220V 1-PH
$1,665.50
Enter quantity between 1 and 99
P
WHEEL GUARD (INNER RIGHT)
$67.65
Enter quantity between 1 and 99
P
WHEEL GUARD (INNER LEFT)
$67.65
Enter quantity between 1 and 99
PSB1494005
WHEEL FLANGE
Price
N/A
P
WHEEL COVER
$34.80
Enter quantity between 1 and 99
PSB1494007
Now: PN22
HEX NUT 1-8
Price
N/A
PSB1494008
Now: PN18
HEX NUT 1-8 LH
Price
N/A
P
GRINDING WHEEL TYPE-1 10 X 1 X 1 60-GRIT
$80.35
Enter quantity between 1 and 99
P
GRINDING WHEEL TYPE-1 10 X 1 X 1 36-GRIT
$80.35
Enter quantity between 1 and 99
P
WORK REST
$13.85
Enter quantity between 1 and 99
PSB1494012
*DISCD*EYE SHIELD
Price
N/A
P
EYE SHIELD BRACKET (LEFT)
$3.90
Enter quantity between 1 and 99
PSB1494014
EYE SHIELD PLATE
Price
N/A
PSB1494015
Now: PFS03
FLANGE SCREW 10-24 X 3/8
Price
N/A
PSB1494016
EYE SHIELD SUPPORT
Price
N/A
P
EYE SHIELD BRACKET (RIGHT)
$3.90
Enter quantity between 1 and 99
P
SPARK DEFLECTOR BRACKET
$2.45
Enter quantity between 1 and 99
P
SPARK DEFLECTOR
$2.45
Enter quantity between 1 and 99
PSB1494020
Now: PS04
PHLP HD SCR 1/4-20 X 1/2
Price
N/A
PSB1494021
Now: PLW02
LOCK WASHER 1/4
Price
N/A
PSB1494022
Now: PWN02
WING NUT 1/4-20
Price
N/A
PSB1494023
POWER CORD 16G 3W 72" 5-15P
Price
N/A
PSB1494024
WORK LIGHT CORD 18G 2W 10"
Price
N/A
P
SPARK HOOD
$3.65
Enter quantity between 1 and 99
PSB1494026
Now: PLW01
LOCK WASHER 5/16
Price
N/A
PSB1494027
CAP SCREW 1/4-20 X 3/8
Price
N/A
P
FIXED HANDLE 5/16-18 X 3/4, 2-5/8L
$5.80
Enter quantity between 1 and 99
PSB1494029
EXT TOOTH WASHER 5MM
Price
N/A
P
TOOL REST SUPPORT
$2.85
Enter quantity between 1 and 99
PSB1494031
Now: PS17M
PHLP HD SCR M4-.7 X 6
Price
N/A
PSB1494032
CONTROL PANEL UNIT
Price
N/A
PSB1494033
CAP SCREW M8-1.25 X 25
Price
N/A
PSB1494034
Now: PB155
HEX BOLT 10-24 X 1-1/4
Price
N/A
PSB1494035
Now: PLW03
LOCK WASHER #10
Price
N/A
PSB1494036
Now: PB58
HEX BOLT 3/8-16 X 2
Price
N/A
PSB1494037
Now: PW02
FLAT WASHER 3/8
Price
N/A
PSB1494038
Now: PLW04
LOCK WASHER 3/8
Price
N/A
PSB1494039
Now: PN08
HEX NUT 3/8-16
Price
N/A
PSB1494040
Now: PB09
HEX BOLT 5/16-18 X 1/2
Price
N/A
PSB1494041
WORK LIGHT MOUNTING BRACKET
Price
N/A
PSB1494042
STRAIN RELIEF TYPE-3 M20-1.5
Price
N/A
PSB1494043
WORK LIGHT ASSEMBLY
Price
N/A
PSB1494044
EXT TOOTH WASHER 1/2
Price
N/A
PSB1494045
Now: PLW07
LOCK WASHER 1/2
Price
N/A
PSB1494046
HEX NUT 1/2-18
Price
N/A
P
KNOB BOLT 1/4-20 X 3/8, 6-LOBE, D1-1/2
$1.60
Enter quantity between 1 and 99
P
KNOB BOLT 5/16-18 X 1/2, 6-LOBE, D1-1/2
$1.60
Enter quantity between 1 and 99
PSB1494049
Now: PW06
FLAT WASHER 1/4
Price
N/A
PSB1494050
Now: PW07
FLAT WASHER 5/16
Price
N/A
PSB1494051
Now: PN05
HEX NUT 1/4-20
Price
N/A
PSB1494052
TAP SCREW M3.5 X 10
Price
N/A
PSB1494053
*DISCD*BASE PLATE
Price
N/A
P
BASE
$65.25
Enter quantity between 1 and 99
PSB1494055
Now: PFH25
FLAT HD SCR 5/16-18 X 1
Price
N/A
PSB1494056
Now: PN02
HEX NUT 5/16-18
Price
N/A
PSB1494057
CORD PLATE
Price
N/A
PSB1494058
FLANGE SCREW 10-24 X 1/4
Price
N/A
PSB1494059
STRAIN RELIEF TYPE-1 1/2
Price
N/A
PSB1494060
Now: PS18
PHLP HD SCR 10-24 X 1/4
Price
N/A
PSB1494061
ON/OFF SWITCH JI-HONG J9301-1YT
Price
N/A
PSB1494062
*DISCD*VARIABLE-SPEED DIAL
Price
N/A
PSB1494063
WRENCH 38MM CLOSED-END
Price
N/A
P
MACHINE ID LABEL
$16.40
Enter quantity between 1 and 99
P
MODEL NUMBER LABEL
$16.40
Enter quantity between 1 and 99
PSB1494103
CONTROL PANEL LABEL
Price
N/A
PSB1494104
SB DK BLUE TOUCH-UP AEROSOL 5oz
Price
N/A
P
MANUAL SB1494 MFD-12.21+ V1.02.21
$14.65
Enter quantity between 1 and 99