Parts for W1669 34" Benchtop Radial Drill Press

Parts Diagrams for W1669 - 34" Benchtop Radial Drill Press

IMPORTANT

Parts may have multiple versions that have changed over time. This will be indicated by V1, V2, V3, etc. in the parts description, followed by the version month and year that it was first used. Example: V2.01.17 indicates version 2 of a part went into use in January 2017. Please reference the manufacture date on the ID Label for your machine to ensure you are selecting the correct part when multiple versions are indicated.

If you cannot locate your part below, please contact our tech support department at techsupport@grizzly.com or 570-546-9663.

Please note: All parts ship out of our Springfield, Missouri facility.

Parts List for Parts for W1669 34" Benchtop Radial Drill Press

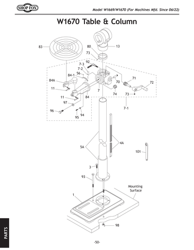
1
BASE
Price
N/A
2
FLANGE
$12.95
Enter quantity between 1 and 99
3
Now: PB09M
HEX BOLT M8-1.25 X 20
Price
N/A
4
RACK
$18.70
Enter quantity between 1 and 99
5
COLUMN
$39.20
Enter quantity between 1 and 99
6
TABLE SUPPORT ARM FOR W1669
$19.85
Enter quantity between 1 and 99
7
GEARED TABLE SUPPORT BRACKET V1.08.00
$47.45
Enter quantity between 1 and 99
7-1
COMPLETE TABLE BRACKET ASSY
$154.95
Enter quantity between 1 and 99
7-2
TABLE TILT SCALE
$1.90
Enter quantity between 1 and 99
8
GEAR
Price
N/A
9
RETAINER RING
$7.00
Enter quantity between 1 and 99
10
HEX NUT
$2.25
Enter quantity between 1 and 99
11
CLAMP BOLT
$7.60
Enter quantity between 1 and 99
12
LOCK HANDLE ASSY
$4.70
Enter quantity between 1 and 99
13
HORIZONTAL COLUMN BRACKET
$24.15
Enter quantity between 1 and 99
14
Now: PSS02
SET SCREW 5/16-18 X 3/8
Price
N/A
15
LOCK KNOB
$1.49
Enter quantity between 1 and 99
16
MOUNT PLATE V1.08.00
$17.25
Enter quantity between 1 and 99
16A
MOUNT PLATE V2.10.04
$18.40
Enter quantity between 1 and 99
16A-1
MOTOR MOUNT PLATE
$14.75
Enter quantity between 1 and 99
17
SPRING
$1.90
Enter quantity between 1 and 99
18
ADJUSTMENT BOLT
Price
N/A
19
MOTOR 1/2HP 110V
$207.40
Enter quantity between 1 and 99
19-1
S CAPACITOR 150M 125V
Price
N/A
19-2
CAPACITOR COVER
Price
N/A
19-3
MOTOR FAN
Price
N/A
19-4
FAN COVER
Price
N/A
19-5
Now: PS17M
PHLP HD SCR M4-.7 X 6
Price
N/A
19-6
Now: PW05M
FLAT WASHER 4MM
Price
N/A
19-7
CENTRIFUGAL SWITCH
$36.70
Enter quantity between 1 and 99
19-8
CONTACT PLATE
$14.75
Enter quantity between 1 and 99
19A
S CAPACITOR 150M 125V
Price
N/A
19B
CAPACITOR COVER
Price
N/A
19C
MOTOR FAN
Price
N/A
19D
FAN COVER
Price
N/A
19V2
MOTOR 1/2HP 120V 1-PH V2.03.25
$466.95
Enter quantity between 1 and 99
19V2-1
S CAPACITOR 200M 125V
$37.25
Enter quantity between 1 and 99
19V2-2
CAPACITOR COVER
Price
N/A
19V2-3
MOTOR FAN
Price
N/A
19V2-4
FAN COVER
Price
N/A
19V2-5
Now: PS17M
PHLP HD SCR M4-.7 X 6
Price
N/A
19V2-6
Now: PW05M
FLAT WASHER 4MM
Price
N/A
19V2-7
CENTRIFUGAL SWITCH
Price
N/A
19V2-8
CONTACT PLATE
Price
N/A
20
PULLEY COVER
Price
N/A
21
MOTOR PULLEY
Price
N/A
22
V-BELT 0-1480
$4.05
Enter quantity between 1 and 99
23
UNTHREADED FEMALE KNOB
$1.49
Enter quantity between 1 and 99
23-1
SCREW THAT FASTENS KNOB
$6.90
Enter quantity between 1 and 99
24
LOCK PIN ASSY
$1.90
Enter quantity between 1 and 99
25
SPINDLE PULLEY
Price
N/A
26
DRIVE SLEEVE V2.01.05
Price
N/A
26A
DRIVE SLEEVE V2.01.05
$20.15
Enter quantity between 1 and 99
27
Now: PR23M
INT RETAINING RING 40MM
Price
N/A
28
BALL BEARING 6203-2RS
Price
N/A
28A
SPACER
Price
N/A
29
KNOB
$1.49
Enter quantity between 1 and 99
30
KNOB AND SHAFT
$9.70
Enter quantity between 1 and 99
31
Now: PLN08
LOCK NUT 1/2-20
Price
N/A
32
COVER WITH SPRING
Price
N/A
33
HORIZ COLUMN
Price
N/A
33A
HORIZONTAL RACK
$19.85
Enter quantity between 1 and 99
34
HEADSTOCK
$56.85
Enter quantity between 1 and 99
35
Now: D2751
Paddle Switch 125V/250V
Price
N/A
36
Now: PSS02
SET SCREW 5/16-18 X 3/8
Price
N/A
37
Now: PS22
PHLP HD SCR 10-24 X 5/8
Price
N/A
38
SWITCH MOUNT COVER
Price
N/A
38-1
SWITCH MOUNTING PLATE
$5.50
Enter quantity between 1 and 99
39
RUBBER WASHER
$1.90
Enter quantity between 1 and 99
40
QUILL
$15.85
Enter quantity between 1 and 99
41
BALL BEARING 6202-2RS
Price
N/A
42
SPINDLE SHAFT JT #33
Price
N/A
43
CHUCK KEY
Price
N/A
44
CHUCK 5/8"
$18.65
Enter quantity between 1 and 99
45
SCALE SLEEVE
$17.25
Enter quantity between 1 and 99
45A-1
DEPTH STOP ROD V2.04.02
Price
N/A
45A-2
DEPTH STOP ROD BRACKET
$6.85
Enter quantity between 1 and 99
45A-3
DEPTH STOP MOUNT
Price
N/A
45A-4
DEPTH STOP BRACKET V1
Price
N/A
45A-4V2
DEPTH STOP BRACKET V2.12.12
Price
N/A
46
PINION
Price
N/A
46-1
CHUCK KEY
$1.90
Enter quantity between 1 and 99
46A
CHUCK KEY
$1.90
Enter quantity between 1 and 99
47
FEED COLLAR
Price
N/A
48
HANDLE
Price
N/A
49
DEGREE SCALE
Price
N/A
50
Now: PR03M
EXT RETAINING RING 12MM
Price
N/A
51
BALL BEARING 6201-2RS
Price
N/A
52
POWER CORD
$17.25
Enter quantity between 1 and 99
53
SET SCREW M6-1 X 10
Price
N/A
53A
PULLEY LOCK NUT V2.01.05
$2.90
Enter quantity between 1 and 99
54
Now: PS07
PHLP HD SCR 1/4-20 X 3/8
Price
N/A
55
SPINDLE SCALE
Price
N/A
56
RIVET
Price
N/A
57
POINTER
Price
N/A
58
LOCK KNOB
$1.90
Enter quantity between 1 and 99
59
HEADSTOCK SET SCREW 5/16-18 X 1
$1.90
Enter quantity between 1 and 99
60
Now: PN02
HEX NUT 5/16-18
Price
N/A
61
HANDLE
Price
N/A
62
SHOP FOX NAMEPLATE
$4.35
Enter quantity between 1 and 99
63
WIRE STRAP
Price
N/A
64
Now: PS06
PHLP HD SCR 10-24 X 3/8
Price
N/A
65
MOTOR SWITCH CORD
Price
N/A
66
SPEED CHART
Price
N/A
67
SPINDLE PULLEY BOLT
$1.90
Enter quantity between 1 and 99
68
Now: PW07
FLAT WASHER 5/16
Price
N/A
69
***SEE EXT. DESCRIPTION***
Item is no longer available
Price
N/A
69A
CAPACITOR
$19.85
Enter quantity between 1 and 99
70
PIN
Price
N/A
71
WORM PINION
$5.75
Enter quantity between 1 and 99
72
LIFT HANDLE
Price
N/A
73
SET SCREW M6-1 X 10
Price
N/A
74
WORM GEAR
$3.25
Enter quantity between 1 and 99
75
SAFETY LABEL
Price
N/A
75V3
MACHINE ID LABEL ETL V3.03.25
$16.95
Enter quantity between 1 and 99
76
LOCKING GIB
Price
N/A
77
Now: PW01M
FLAT WASHER 8MM
Price
N/A
78
CAPSCREW M10
$1.90
Enter quantity between 1 and 99
79
Now: PW04M
FLAT WASHER 10MM
Price
N/A
80
COLUMN RING
Price
N/A
81
HEX BOLT
$1.90
Enter quantity between 1 and 99
82
WASHER
$1.90
Enter quantity between 1 and 99
83
TABLE
$125.50
Enter quantity between 1 and 99
84
COLUMN SUPPORT ARM 6"
$52.15
Enter quantity between 1 and 99
84-1
TABLE TILT SCALE INDICATOR
$1.90
Enter quantity between 1 and 99
85
SAFETY GOGGLES LABEL V1
$3.15
Enter quantity between 1 and 99
85V2
COMBO WARNING LABEL V3.04.24
Price
N/A
86
LONG HAIR SAFETY LABEL
$1.25
Enter quantity between 1 and 99
87
HEX WRENCH 3MM
Price
N/A
88
HEX WRENCH 5MM
Price
N/A
89
TAP SCREW #8 X 3/8
Price
N/A
90
STYROFOAM
$65.45
Enter quantity between 1 and 99
91
HEX WRENCH 10MM
Price
N/A
93
RUBBER FLAT WASHER 8MM
$1.90
Enter quantity between 1 and 99
94
GUIDE ROD 16 X 30MM
Price
N/A
98
WING NUT M8-1.25
Price
N/A
99
Now: PW02M
FLAT WASHER 5MM
Price
N/A
102
Now: D4580
Chuck Guard for 34" Bench-Top Radial Drill Press
Price
N/A
102-1
Now: PS51M
PHLP HD SCR M4-.7 X 30
Price
N/A
102-2
Now: PN04M
HEX NUT M4-.7
Price
N/A
102-3
TAP SCREW M2.2 X 4.5
Price
N/A
102-4
HEX BOLT M5-.8 X 12
Price
N/A
102-5
WING NUT M5-.8
Price
N/A
102-6
Now: PS38M
PHLP HD SCR M4-.7 X 10
Price
N/A
102-7
Now: PW05M
FLAT WASHER 4MM
Price
N/A
109
RUBBER BUMPER
Price
N/A
110
ROLL PIN 6 X 20
Price
N/A
111
PLASTIC PIN 5 X 40
$1.90
Enter quantity between 1 and 99
115
SHOP FOX WHITE M1006
Price
N/A
116
GLOSSY BLACK
Price
N/A
117
TIPPING HAZARD LABEL
$1.25
Enter quantity between 1 and 99
118
ELECTRICITY 1.4W X 1.2H
Price
N/A
119
CLOSE DOOR LABEL V2.06.22
Price
N/A
MAN
MANUAL W1669/70 MFD-12.03-12.04 V1.01.05
$16.25
Enter quantity between 1 and 99
MANV2
MANUAL W1669/70 MFD-01.05-03.18 V2.03.18
$14.65
Enter quantity between 1 and 99
MANV3
MANUAL W1669/70 MFD-04.18-05.22 V3.07.18
$14.65
Enter quantity between 1 and 99
MANV4
MANUAL W1669 W1670 MFD-06.22-02.25 V4.06
$14.65
Enter quantity between 1 and 99
MANV5
MANUAL W1669 W1670 MFD-03.25+ V5.02.25
$22.65
Enter quantity between 1 and 99