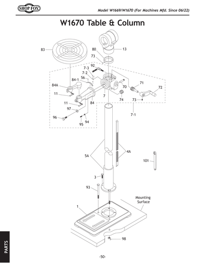
Parts for W1670 - 34" Floor Radial Drill Press

Part Diagram for W1670
Part Diagram for W1670
Part Diagram for W1670
Part Diagram for W1670
Part Diagram for W1670
Part Diagram for W1670
Part Diagram for W1670
Part Diagram for W1670
Part Diagram for W1670
Part Diagram for W1670
Part Diagram for W1670
Part Diagram for W1670
Part Diagram for W1670
Part Diagram for W1670

IMPORTANT: Parts may have multiple versions that have changed over time. This will be indicated by V1, V2, V3, etc. in the parts description, followed by the version month and year that it was first used. Example: V2.01.17 indicates version 2 of a part went into use in January 2017. Please reference the manufacture date on the ID Label for your machine to ensure you are selecting the correct part when multiple versions are indicated.

If you cannot locate your part below, please contact our tech support department at techsupport@grizzly.com or 570-546-9663.

Please note: All parts ship out of our Springfield, Missouri facility.

Ref #
Part #
Description
1
Price
$144.15
2
Price
$96.00
2A
Price
$54.25
3
HEX BOLT M10-1.5 X 35
Price
N/A
4A
Price
$39.20
5
COLUMN
Price
N/A
5A
*DISCD*COLUMN
Item is no longer available
Price
N/A
6
TABLE SUPPORT ARM
Price
N/A
7
GEARED TABLE BRACKET V2.02.04
Price
N/A
7-1
COLUMN/TABLE BRACKET ASSY V2.02.04
Price
N/A
7-2
DEGREE SCALE
Price
N/A
7-3
RIVET
Price
N/A
8
GEAR
Price
N/A
9
RETAINER RING
Price
N/A
10
HEX NUT
Price
N/A
11
LOCK HANDLE M10-1.5
Price
N/A
12
LOCK HANDLE ASSY
Price
N/A
13
HORIZONTAL COLUMN BRACKET
Price
$21.25
14
SET SCREW 5/16-18 X 3/8
Price
N/A
15
LOCK KNOB
Price
N/A
16
MOUNT PLATE V1.08.00
Price
N/A
17
SPRING
Price
N/A
18
ADJUSTMENT BOLT
Price
N/A
19
MOTOR 1/2HP 110V
Price
N/A
19-1
S CAPACITOR 150M 125V
Price
N/A
19-2
CAPACITOR COVER
Price
N/A
19-3
MOTOR FAN
Price
N/A
19-4
FAN COVER
Price
N/A
19A
S CAPACITOR 150M 125V
Price
N/A
19B
CAPACITOR COVER
Price
N/A
19C
MOTOR FAN
Price
N/A
19D
FAN COVER
Price
N/A
20
PULLEY COVER
Price
N/A
21
MOTOR PULLEY
Price
N/A
22
V-BELT 0-1480
Price
N/A
23
UNTHREADED FEMALE KNOB
Price
N/A
24
LOCK PIN ASSY
Price
N/A
25
SPINDLE PULLEY
Price
N/A
26
DRIVE SLEEVE V2.01.05
Price
N/A
27
INT RETAINING RING 40MM
Price
N/A
28
BALL BEARING 6203-2RS
Price
N/A
28A
SPACER
Price
N/A
29
KNOB M10-1.5
Price
N/A
30
KNOB AND SHAFT
Price
N/A
31
LOCK NUT 1/2-20
Price
N/A
32
SPRING COVER
Price
N/A
32-1
RETURN SPRING
Price
N/A
33
HORIZONTAL COLUMN TUBE
Price
N/A
34
HEADSTOCK
Price
N/A
35
Paddle Switch 125V/250V
Price
N/A
36
SET SCREW 5/16-18 X 3/8
Price
N/A
37
X1670037
Now: PS22
PHLP HD SCR 10-24 X 5/8
Price
N/A
38
SWITCH MOUNT BOX
Price
N/A
39
RUBBER WASHER
Price
N/A
40
QUILL
Price
N/A
41
BALL BEARING 6202-2RS
Price
N/A
42
SPINDLE SHAFT JT #33
Price
N/A
43
CHUCK KEY
Price
N/A
44
CHUCK W/KEY
Price
N/A
45
SCALE SLEEVE
Price
N/A
45A
DEPTH STOP ROD V2.04.02
Price
N/A
45A-3
DEPTH STOP BRACKET V1
Price
N/A
45A-3V2
DEPTH STOP BRACKET V2.12.12
Price
N/A
46
PINION
Price
N/A
47
FEED COLLAR
Price
N/A
48
HANDLE
Price
N/A
49
DEGREE SCALE
Price
N/A
50
EXT RETAINING RING 12MM
Price
N/A
51
BALL BEARING 6201-2RS
Price
N/A
52
POWER CORD
Price
N/A
53
SET SCREW M6-1 X 10
Price
N/A
53A
PULLEY LOCK NUT V2.01.05
Price
N/A
54
X1670054
Now: PS07
PHLP HD SCR 1/4-20 X 3/8
Price
N/A
55
SPINDLE SCALE
Price
N/A
56
RIVET
Price
N/A
57
POINTER
Price
N/A
58
LOCK KNOB
Price
N/A
59
HEADSTOCK SET SCREW 5/16-18 X 1
Price
N/A
6
X167006
Now: PK02M
KEY 5 X 5 X 40
Price
N/A
60
X1670060
Now: PN02
HEX NUT 5/16-18
Price
N/A
61
HANDLE
Price
N/A
62
SHOP FOX NAMEPLATE
Price
N/A
63
WIRE STRAP
Price
N/A
64
X1670064
Now: PS06
PHLP HD SCR 10-24 X 3/8
Price
N/A
65
MOTOR SWITCH CORD
Price
N/A
66
SPEED CHART
Price
N/A
67
SPINDLE PULLEY BOLT
Price
N/A
68
X1670068
Now: PW07
FLAT WASHER 5/16
Price
N/A
69
***SEE EXT. DESCRIPTION***
Price
N/A
69A
S CAPACITOR 150M 125V
Price
N/A
71
WORM PINION
Price
N/A
72
LIFT HANDLE
Price
N/A
73
SET SCREW M6-1 X 10
Price
N/A
74
WORM GEAR
Price
N/A
75
SAFETY LABEL
Price
N/A
75V3
MACHINE ID LABEL ETL V3.03.25
Price
$16.95
76
LOCKING GIB
Price
N/A
77
FLAT WASHER 8MM
Price
N/A
78
CAPSCREW M10
Price
N/A
79
FLAT WASHER 10MM
Price
N/A
80
COLUMN RING
Price
N/A
81
HEX BOLT
Price
N/A
82
WASHER
Price
N/A
83
ROUND TABLE
Price
N/A
84
COLUMN SUPPORT ARM V1.09.02
Price
N/A
84-1
DEGREE SCALE
Price
N/A
84A
Price
$55.40
85
SAFETY GOGGLES LABEL V1
Price
N/A
85V2
COMBO WARNING LABEL V3.04.24
Price
N/A
86
LONG HAIR SAFETY LABEL
Price
N/A
87
HEX WRENCH 3MM
Price
N/A
88
HEX WRENCH 5MM
Price
N/A
90
Price
$52.50
91
Price
$65.45
92
CLAMP BOLT M12-1.75 X 50
Price
N/A
93
HEX BOLT M8-1.25 X 125
Price
N/A
96
HEX BOLT 5/8-13 X 1-1/2
Price
$1.90
98
WING NUT M8-1.25
Price
N/A
101
Price
$4.60
102
Chuck Guard for 34" Bench-Top Radial Drill Press
Price
N/A
102-1
PHLP HD SCR M4-.7 X 30
Price
N/A
102-2
HEX NUT M4-.7
Price
N/A
102-3
TAP SCREW M2.2 X 4.5
Price
N/A
102-4
HEX BOLT M5-.8 X 12
Price
N/A
102-5
WING NUT M5-.8
Price
N/A
102-6
PHLP HD SCR M4-.7 X 10
Price
N/A
102-7
FLAT WASHER 4MM
Price
N/A
109
RUBBER BUMPER
Price
N/A
110
ROLL PIN 6 X 20
Price
N/A
111
PLASTIC PIN 5 X 40
Price
N/A
115
SHOP FOX WHITE M1006
Price
N/A
116
GLOSSY BLACK
Price
N/A
117
TIPPING HAZARD LABEL
Price
N/A
118
ELECTRICITY 1.4W X 1.2H
Price
N/A
119
CLOSE DOOR LABEL V2.06.22
Price
N/A
MANUAL
Price
$16.25