Parts for W1754 20" Planer with Built in Mobile Base

Parts Diagrams for W1754 - 20" Planer with Built in Mobile Base

IMPORTANT

Parts may have multiple versions that have changed over time. This will be indicated by V1, V2, V3, etc. in the parts description, followed by the version month and year that it was first used. Example: V2.01.17 indicates version 2 of a part went into use in January 2017. Please reference the manufacture date on the ID Label for your machine to ensure you are selecting the correct part when multiple versions are indicated.

If you cannot locate your part below, please contact our tech support department at techsupport@grizzly.com or 570-546-9663.

Please note: All parts ship out of our Springfield, Missouri facility.

Parts List for Parts for W1754 20" Planer with Built in Mobile Base

1
HANDLE
$9.50
Enter quantity between 1 and 99
2
Now: PN09M
HEX NUT M12-1.75
Price
N/A
3
Now: PW06M
FLAT WASHER 12MM
Price
N/A
5
HAND WHEEL
$22.35
Enter quantity between 1 and 99
6
COLLAR
Item is no longer available
Price
N/A
7
Now: PR29M
INT RETAINING RING 32MM
Price
N/A
8
BALL BEARING 6203ZZ
Price
N/A
9
Now: PK48M
KEY 4 X 4 X 20
Price
N/A
10
WORM GEAR
$18.00
Enter quantity between 1 and 99
11
WORM HOUSING
Item is no longer available
Price
N/A
12
CAP SCREW M6-1 X 55
Price
N/A
13
ROLLER
Item is no longer available
Price
N/A
14
ROLLER STAND
$8.95
Enter quantity between 1 and 99
15
CAP SCREW M6-1 X 16
Price
N/A
16
E-CLIP 8MM
Price
N/A
17
KNIFE GAUGE
$2.30
Enter quantity between 1 and 99
18
KNIFE GAUGE SHAFT
$3.20
Enter quantity between 1 and 99
19
DUST HOOD
$32.40
Enter quantity between 1 and 99
20
FLANGE BOLT M6-1 X 12
Price
N/A
21
UPPER COVER
Item is no longer available
Price
N/A
22
FLANGE BOLT M6-1 X 12
Price
N/A
23
GASKET
Item is no longer available
Price
N/A
24
GEAR BOX COVER
Item is no longer available
Price
N/A
26
CAP SCREW M8-1.25 X 40
Price
N/A
27
ROLL PIN 6 X 20
Price
N/A
28
SAFETY HATCH
Item is no longer available
Price
N/A
29
SAFETY HATCH
Item is no longer available
Price
N/A
30
FLANGE BOLT M6-1 X 10
Price
N/A
31
BRACKET ASSEMBLY
$1.75
Enter quantity between 1 and 99
31-1
BRACKET
Item is no longer available
Price
N/A
31-2
IDLE PULLEY
Item is no longer available
Price
N/A
31-3
IDLE SHAFT
Item is no longer available
Price
N/A
32
SHAFT
Item is no longer available
Price
N/A
33
COLLAR
Item is no longer available
Price
N/A
34
EXTENSION SPRING
$1.49
Enter quantity between 1 and 99
35
HANGER
Item is no longer available
Price
N/A
36
CAP SCREW M6-1 X 10
Price
N/A
37
CHIP DEFLECTOR PLATE
$4.35
Enter quantity between 1 and 99
38
FLANGE BOLT M6-1 X 15
Price
N/A
39
Now: PW03M
FLAT WASHER 6MM
Price
N/A
40
PLATE SPRING
Item is no longer available
Price
N/A
41
FLANGE BOLT M6-1 X 12
Price
N/A
42
PLATE SPRING
Item is no longer available
Price
N/A
43
FLANGE BOLT M6-1 X 12
Price
N/A
44
ADJUSTING SHAFT
$1.49
Enter quantity between 1 and 99
45
SET SCREW M6-1 X 12
Price
N/A
46
SET SCREW M6-1 X 20
Price
N/A
47
Now: PN01M
HEX NUT M6-1
Price
N/A
48
SET OF 4 KNIVES
$166.45
Enter quantity between 1 and 99
49
$7.25
Enter quantity between 1 and 99
50
GIB SCREW
$1.49
Enter quantity between 1 and 99
51
COMPRESSION SPRING
$1.90
Enter quantity between 1 and 99
52
JACK SCREW M5-.8 X 12
Price
N/A
53
CUTTERHEAD
Item is no longer available
Price
N/A
54
KEY 8 X 8 X 36
Price
N/A
55
BALL BEARING 6206ZZ
Price
N/A
56
Now: PB83M
HEX BOLT M6-1 X 16
Price
N/A
57
Now: PW03M
FLAT WASHER 6MM
Price
N/A
58
SPROCKET
$20.50
Enter quantity between 1 and 99
59
SCALE
$1.90
Enter quantity between 1 and 99
60
Now: PW03M
FLAT WASHER 6MM
Price
N/A
61
Now: PS14M
PHLP HD SCR M6-1 X 12
Price
N/A
62
CUT LIMIT POINTER
Item is no longer available
Price
N/A
63
Now: PW03M
FLAT WASHER 6MM
Price
N/A
64
Now: PS14M
PHLP HD SCR M6-1 X 12
Price
N/A
65
CUT LIMITER PLATE
Item is no longer available
Price
N/A
66
HEX BOLT M5-.8 X 12
Price
N/A
67
HEAD CASTING
Item is no longer available
Price
N/A
68
OUTFEED ROLLER
$90.25
Enter quantity between 1 and 99
68V2
Now: D4785
Rubber Outfeed Roller for W1754/ST1014
Price
N/A
69
Now: PK01M
KEY 5 X 5 X 22
Price
N/A
70
COMPRESSION SPRING
$1.90
Enter quantity between 1 and 99
71
HEAD CASTING OILER SET SCREW
Item is no longer available
Price
N/A
72
BUSHING
$2.90
Enter quantity between 1 and 99
72-1
SWITCH BOX BACK COVER
Item is no longer available
Price
N/A
72-2
CONTACTOR NHD C35-D 220V
Item is no longer available
Price
N/A
72-3
OL RELAY NHD NTH-32 26-32
Item is no longer available
Price
N/A
72-4
SWITCH BOX FRONT COVER
Item is no longer available
Price
N/A
73
PLATE
$1.90
Enter quantity between 1 and 99
74
Now: PB09M
HEX BOLT M8-1.25 X 20
Price
N/A
75
SET SCREW M6-1 X 20
Price
N/A
76
Now: PN01M
HEX NUT M6-1
Price
N/A
77
SHAFT
Item is no longer available
Price
N/A
78
SET SCREW M6-1 X 16
Price
N/A
79
CHIP BREAKER
$38.50
Enter quantity between 1 and 99
80
SET SCREW M6-1 X 20
Price
N/A
81
Now: PN01M
HEX NUT M6-1
Price
N/A
82
BRACKET
Item is no longer available
Price
N/A
83
LOCKING ROD
Item is no longer available
Price
N/A
84
Now: PR03M
EXT RETAINING RING 12MM
Price
N/A
85
Now: PN09M
HEX NUT M12-1.75
Price
N/A
85-1
LOCK WASHER 12MM
Price
N/A
86
PRESSURE PLATE
Item is no longer available
Price
N/A
87
Now: PB09M
HEX BOLT M8-1.25 X 20
Price
N/A
88
LOCK WASHER 8MM
Price
N/A
89
E-CLIP 15MM
Price
N/A
90
ANTI-KICKBACK SHAFT COLLAR
Price
N/A
91
ANTI-KICKBACK FINGER
Item is no longer available
Price
N/A
92
SHAFT
Item is no longer available
Price
N/A
93
SET SCREW M8-1.25 X 12
Price
N/A
94
Now: PB83M
HEX BOLT M6-1 X 16
Price
N/A
95
Now: PW03M
FLAT WASHER 6MM
Price
N/A
96
SPROCKET
$17.25
Enter quantity between 1 and 99
97
CHAIN 06B-1 X 67
$8.65
Enter quantity between 1 and 99
98
Now: PK01M
KEY 5 X 5 X 22
Price
N/A
99
INFEED ROLLER
$94.20
Enter quantity between 1 and 99
100
Now: PB02M
HEX BOLT M6-1 X 12
Price
N/A
101
Now: PW03M
FLAT WASHER 6MM
Price
N/A
102
CUTTERHEAD PULLEY
Item is no longer available
Price
N/A
103
MOTOR PULLEY 28MM
$32.00
Enter quantity between 1 and 99
103-1
MOTOR PULLEY WASHER 11MM
Item is no longer available
Price
N/A
103-2
FLAT HD SCR M10-1.5 X 20
Price
N/A
104
Now: PW01M
FLAT WASHER 8MM
Price
N/A
105
Now: PB07M
HEX BOLT M8-1.25 X 25
Price
N/A
106
BELT GUARD
Item is no longer available
Price
N/A
107
FLANGE BOLT M6-1 X 10
Price
N/A
108
BELT GUARD BOLT
$1.49
Enter quantity between 1 and 99
109
Now: PW01M
FLAT WASHER 8MM
Price
N/A
110
Now: PN03M
HEX NUT M8-1.25
Price
N/A
111
Now: PVM60
V-BELT M60 3L600
Price
N/A
112
BELT COVER
Item is no longer available
Price
N/A
114
STAR KNOB M8-1.25
$1.90
Enter quantity between 1 and 99
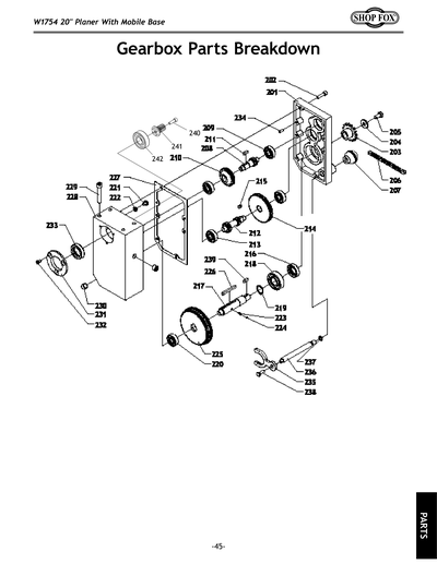
201
GEAR BOX COVER
Item is no longer available
Price
N/A
202
CAP SCREW M6-1 X 25
Price
N/A
203
SPROCKET
$6.90
Enter quantity between 1 and 99
204
Now: PW01M
FLAT WASHER 8MM
Price
N/A
205
Now: PB03M
HEX BOLT M8-1.25 X 16
Price
N/A
206
CHAIN 06B-1 X 51
$6.15
Enter quantity between 1 and 99
207
BALL KNOB M10-1.5
$1.90
Enter quantity between 1 and 99
208
SHAFT
$14.40
Enter quantity between 1 and 99
209
BALL BEARING 6201-2RS
Price
N/A
210
GEAR
Item is no longer available
Price
N/A
211
Now: PK19M
KEY 5 X 5 X 14
Price
N/A
212
SHAFT
$15.85
Enter quantity between 1 and 99
213
BALL BEARING 6201-2RS
Price
N/A
214
GEAR
$11.25
Enter quantity between 1 and 99
215
Now: PK06M
KEY 5 X 5 X 10
Price
N/A
216
OIL SEAL 20 X 35 X 7
$3.65
Enter quantity between 1 and 99
217
SHAFT
$5.10
Enter quantity between 1 and 99
218
BALL BEARING 6204ZZ
Price
N/A
219
Now: PR09M
EXT RETAINING RING 20MM
Price
N/A
220
BALL BEARING 6201-2RS
Price
N/A
221
Now: PS03M
PHLP HD SCR M6-1 X 8
Price
N/A
222
Now: PW03M
FLAT WASHER 6MM
Price
N/A
223
COMPRESSION SPRING
$1.49
Enter quantity between 1 and 99
224
STEEL BALL 4MM
Price
N/A
225
GEAR
$28.50
Enter quantity between 1 and 99
226
Now: PK36M
KEY 5 X 5 X 50
Price
N/A
227
PACKING PIECE
$1.90
Enter quantity between 1 and 99
228
GEAR BOX
Item is no longer available
Price
N/A
229
CAP SCREW M8-1.25 X 50
Price
N/A
230
OIL PLUG
Item is no longer available
Price
N/A
231
FLANGE COVER
Item is no longer available
Price
N/A
232
FLAT HD CAP SCR M5-.8 X 12 C10.9
Price
N/A
233
OIL SEAL 25 X 40 X 10
$3.65
Enter quantity between 1 and 99
234
PIN 5 X 10
Item is no longer available
Price
N/A
235
CLUTCH
$1.49
Enter quantity between 1 and 99
236
HANDLE SHAFT
$3.25
Enter quantity between 1 and 99
237
O-RING 16 X 2.4
Price
N/A
238
HEX LOCTITE SCREW
Item is no longer available
Price
N/A
239
Now: PK08M
KEY 5 X 5 X 16
Price
N/A
240
CAP SCREW M6-1 X 20 LH
Price
N/A
241
GEAR 14T
$17.65
Enter quantity between 1 and 99
242
BALL BEARING 6204ZZ
Price
N/A
301
ENCLOSED STAND
Item is no longer available
Price
N/A
302
COVER
Item is no longer available
Price
N/A
303
FLAT HD SCR M6-1 X 20
Price
N/A
304
MOTOR PLATE
Item is no longer available
Price
N/A
305
SET SCREW M6-1 X 12
Price
N/A
306
PLATE CONNECTING ROD
Item is no longer available
Price
N/A
307
SET SCREW M6-1 X 12
Price
N/A
308
PLATE CONNECTING ROD
Item is no longer available
Price
N/A
309
HEX BOLT M10-1.5 X 70
Price
N/A
310
Now: PW04M
FLAT WASHER 10MM
Price
N/A
311
Now: PN02M
HEX NUT M10-1.5
Price
N/A
312
COLLAR
Item is no longer available
Price
N/A
313
SET SCREW M6-1 X 8
Price
N/A
314
ADJUST BOLT
Item is no longer available
Price
N/A
315
Now: PN09M
HEX NUT M12-1.75
Price
N/A
316
Now: PW06M
FLAT WASHER 12MM
Price
N/A
317
MOTOR 5HP 240V 1-PH
$606.35
Enter quantity between 1 and 99
317-1
MOTOR FAN COVER
Item is no longer available
Price
N/A
317-10
BALL BEARING 6204ZZ
Price
N/A
317-2
MOTOR FAN
$5.45
Enter quantity between 1 and 99
317-3
R CAPACITOR 60M 400V
$8.60
Enter quantity between 1 and 99
317-4
S CAPACITOR 300M 300V
Item is no longer available
Price
N/A
317-5
MOTOR JUNCTION BOX COVER
Item is no longer available
Price
N/A
317-6
MOTOR LABEL
Item is no longer available
Price
N/A
317-7
CENT SWITCH 3/4-3450
Price
N/A
317-8
CONTACT PLT-TUNGSTEN 5HP OR LESS
Price
N/A
317-9
BALL BEARING 6206ZZ
Price
N/A
318
Now: PK12M
KEY 5 X 5 X 30
Price
N/A
319
Now: PW01M
FLAT WASHER 8MM
Price
N/A
320
Now: PN03M
HEX NUT M8-1.25
Price
N/A
321
HEX BOLT M8-1.25 X 45
Price
N/A
322
STRAIN RELIEF
Item is no longer available
Price
N/A
323
Now: PN03M
HEX NUT M8-1.25
Price
N/A
324
Now: PW01M
FLAT WASHER 8MM
Price
N/A
325
SLEEVE
$1.49
Enter quantity between 1 and 99
326
UNIVERSAL PULLEY
$3.20
Enter quantity between 1 and 99
327
HEX BOLT M8-1.25 X 70
Price
N/A
328
RUBBER FOOT
Item is no longer available
Price
N/A
329
Now: PR16M
EXT RETAINING RING 9MM
Price
N/A
330
Now: PW06M
FLAT WASHER 12MM
Price
N/A
331
SHAFT 12MM
$1.75
Enter quantity between 1 and 99
332
CAP SCREW M8-1.25 X 50
Price
N/A
333
Now: PW01M
FLAT WASHER 8MM
Price
N/A
334
Now: PN03M
HEX NUT M8-1.25
Price
N/A
335
Now: PN02M
HEX NUT M10-1.5
Price
N/A
336
Now: PW04M
FLAT WASHER 10MM
Price
N/A
337
Now: PB45M
HEX BOLT M8-1.25 X 100
Price
N/A
338
Now: PW01M
FLAT WASHER 8MM
Price
N/A
339
TROLLEY WHEEL BOLT
$1.49
Enter quantity between 1 and 99
340
Now: PR21M
INT RETAINING RING 35MM
Price
N/A
341
BALL BEARING 6202ZZ
Price
N/A
342
TROLLEY WHEEL
Item is no longer available
Price
N/A
343
SLEEVE
$4.35
Enter quantity between 1 and 99
344
TROLLEY UNIVERSAL KIT
$23.40
Enter quantity between 1 and 99
345
Now: PW04M
FLAT WASHER 10MM
Price
N/A
346
LOCK NUT M12-1.75
Price
N/A
347
HEX BOLT M10-1.5 X 55
Price
N/A
348
BRACKET
Item is no longer available
Price
N/A
349
PEDAL
Item is no longer available
Price
N/A
349A
COMPLETE PEDAL ASSEMBLY
Item is no longer available
Price
N/A
350V2
MAG SWITCH ASSY V2.01.11
$223.20
Enter quantity between 1 and 99
350V2-1
MAG SWITCH COVER ASSEMBLY
Item is no longer available
Price
N/A
350V2-2
CONTACTOR NHD C-35D 220V
Item is no longer available
Price
N/A
350V2-3
OL RELAY NHD NTH-32 26-32A
Item is no longer available
Price
N/A
351
BUTTON HD CAP SCR M5-.8 X 20
Price
N/A
352
Now: PW02M
FLAT WASHER 5MM
Price
N/A
353
Now: PN06M
HEX NUT M5-.8
Price
N/A
354
FRONT COVER
Item is no longer available
Price
N/A
355
BUTTON HD CAP SCR M6-1 X 20
Price
N/A
356
FLANGE BOLT M8-1.25 X 20
Price
N/A
357
SWITCH MOUNTING BRACKET
Item is no longer available
Price
N/A
358
FLANGE BOLT M6-1 X 16
Price
N/A
359
FLANGE BOLT M6-1 X 16
Price
N/A
360
BALL STRAIN RELIEF
Item is no longer available
Price
N/A
361
SWITCH BOX
$14.10
Enter quantity between 1 and 99
362
SWITCH FACE COVER
$6.90
Enter quantity between 1 and 99
363V2
START BUTTON V2.01.11
$18.00
Enter quantity between 1 and 99
364
INDICATOR LIGHT
$3.65
Enter quantity between 1 and 99
365V2
STOP BUTTON V2.01.11
Price
N/A
366
TAP SCREW ST4.2 X 8
Item is no longer available
Price
N/A
367
POWER CORD 12G 3W 72" V1
Item is no longer available
Price
N/A
367V2
POWER CORD 12G 3W 72" L6-30P V2.07.12
$40.25
Enter quantity between 1 and 99
401
TABLE/BED
Item is no longer available
Price
N/A
402
ROLLER
Item is no longer available
Price
N/A
403
BALL BEARING 6201-2RS
Price
N/A
404
ECCENTRIC SHAFT
Item is no longer available
Price
N/A
405
SET SCREW M6-1 X 12
Price
N/A
406
LOCK BAR
$2.15
Enter quantity between 1 and 99
407
LOCK SLEEVE
$2.20
Enter quantity between 1 and 99
408
LOCKING ROD
$2.90
Enter quantity between 1 and 99
409
STAR KNOB M12-1.75
Item is no longer available
Price
N/A
410
EXTENSION WING
$105.70
Enter quantity between 1 and 99
411
LOCK WASHER 8MM
Price
N/A
412
Now: PW01M
FLAT WASHER 8MM
Price
N/A
413
Now: PB20M
HEX BOLT M8-1.25 X 35
Price
N/A
414
SET SCREW M8-1.25 X 20
Price
N/A
501
BASE
Item is no longer available
Price
N/A
502
Now: PB38M
HEX BOLT M12-1.75 X 60
Price
N/A
503
Now: PN09M
HEX NUT M12-1.75
Price
N/A
504
Now: PW06M
FLAT WASHER 12MM
Price
N/A
505
COLUMN
Item is no longer available
Price
N/A
506
BALL BEARING 6202ZZ
Price
N/A
507
Now: PR21M
INT RETAINING RING 35MM
Price
N/A
508
COLUMN
Item is no longer available
Price
N/A
509
Now: PR22M
INT RETAINING RING 38MM
Price
N/A
510
SET SCREW M10-1.5 X 12
Price
N/A
511
LEAD SCREW
Item is no longer available
Price
N/A
512
LEAD SCREW
Item is no longer available
Price
N/A
513
LEAD NUT
$2.90
Enter quantity between 1 and 99
514
CAP SCREW M8-1.25 X 20
Price
N/A
515
BUSHING
Item is no longer available
Price
N/A
516
GEAR
Item is no longer available
Price
N/A
517
Now: PK69M
KEY 4 X 4 X 12
Price
N/A
518
Now: PR03M
EXT RETAINING RING 12MM
Price
N/A
519
SPROCKET
$6.90
Enter quantity between 1 and 99
520
Now: PK08M
KEY 5 X 5 X 16
Price
N/A
521
Now: PW04M
FLAT WASHER 10MM
Price
N/A
522
Now: PN02M
HEX NUT M10-1.5
Price
N/A
523
BRACKET ASSEMBLY
$5.75
Enter quantity between 1 and 99
524
Now: PR05M
EXT RETAINING RING 15MM
Price
N/A
525
Now: PB07M
HEX BOLT M8-1.25 X 25
Price
N/A
526
SPROCKET
$5.45
Enter quantity between 1 and 99
527
Now: PW01M
FLAT WASHER 8MM
Price
N/A
528
CRANE POST
Item is no longer available
Price
N/A
529
Now: PR81M
EXT RETAINING RING 21MM
Price
N/A
530
PIPE BAND
Item is no longer available
Price
N/A
531
Now: PS09M
PHLP HD SCR M5-.8 X 10
Price
N/A
532
DUST BOOT
$1.90
Enter quantity between 1 and 99
533
CHAIN 08A-1 X 66
Item is no longer available
Price
N/A
600
READ MANUAL 2W X 3.3H V2.07.05
Price
N/A
601
MACHINE ID LABEL NO-CSA V1
Item is no longer available
Price
N/A
601V2
MACHINE ID LABEL CSA V2.07.12
Item is no longer available
Price
N/A
602
SAFETY GLASSES 2W X 3.3H V2.04.08
Price
N/A
603
SPEED CHANGE LABEL
Item is no longer available
Price
N/A
604
DECORATIVE STRIPE TAPE
Item is no longer available
Price
N/A
605
MODEL NUMBER LABEL
Item is no longer available
Price
N/A
606
Now: D3377
Nameplate - Large
Price
N/A
607
SHOP FOX OFF WHITE REF G9970 G9971
Price
N/A
608
EAR PROTECTION 2W X 3.3H V2.04.08
Price
N/A
609
RESPIRATOR LABEL
Item is no longer available
Price
N/A
610
ELECTRICITY 1.4W X 1.2H
Price
N/A
612
GLOSSY BLACK
Price
N/A
613
LUBRICATION LABEL
Item is no longer available
Price
N/A
614
CUTTERHEAD WARNING LABEL
Item is no longer available
Price
N/A
615
DISCONNECT POWER LABEL
Item is no longer available
Price
N/A
616
SHUT COVER WARNING LABEL
Item is no longer available
Price
N/A
617
HAND WHEEL LABEL
Item is no longer available
Price
N/A
MAN
MANUAL FOR W1754
Item is no longer available
Price
N/A
S240
CAP SCREW M6-1 X 20 LH
Price
N/A
S242
BALL BEARING 6204ZZ
Price
N/A