Parts for W1756 43" 25 HP 3-Phase Wide-Belt Sander

Parts Diagrams for W1756 - 43" 25 HP 3-Phase Wide-Belt Sander

IMPORTANT

Parts may have multiple versions that have changed over time. This will be indicated by V1, V2, V3, etc. in the parts description, followed by the version month and year that it was first used. Example: V2.01.17 indicates version 2 of a part went into use in January 2017. Please reference the manufacture date on the ID Label for your machine to ensure you are selecting the correct part when multiple versions are indicated.

If you cannot locate your part below, please contact our tech support department at techsupport@grizzly.com or 570-546-9663.

Please note: All parts ship out of our Springfield, Missouri facility.

Parts List for Parts for W1756 43" 25 HP 3-Phase Wide-Belt Sander

1
ELECTRICAL CONTROL BOX
Item is no longer available
Price
N/A
2
HINGE
Price
N/A
3
DOOR
Price
N/A
4
BASE PLATE
Price
N/A
5
Now: PN05
HEX NUT 1/4-20
Price
N/A
6
Now: PLW02
LOCK WASHER 1/4
Price
N/A
7
CONTROL PANEL
$82.70
Enter quantity between 1 and 99
8
Now: PS07M
PHLP HD SCR M4-.7 X 8
Price
N/A
9
CURRENT SENSOR
$51.50
Enter quantity between 1 and 99
10
TRANSFORMER V1.04.05
Price
N/A
10V2
TRANSFORMER 250VA 440V-200/220V
Price
N/A
11
CONTACTOR SCHN LC1D38 220V
Price
N/A
12
OL RELAY SCHN LR3D35 30-38A
Price
N/A
13
FUSE 4A GL CT 2PC V1.07.05
Price
N/A
13V2
FUSE 4A V2.03.10
Price
N/A
14
OL RELAY SCHN LR3D12 5.5-8A
Price
N/A
15
CONTACTOR SCHN LC1D09 220V
Price
N/A
15-1
MAGNETIC CONTACTOR LC1-096
Item is no longer available
Price
N/A
16
CONTACTOR SCHN LC1D25 220V
Item is no longer available
Price
N/A
17
GROUND TERMINAL V1.04.05
Price
N/A
17V2
GROUND TERMINAL V2.03.10
Price
N/A
18
Now: PS51M
PHLP HD SCR M4-.7 X 30
Price
N/A
19
TERMINAL PLATE V1.05.02
Price
N/A
19V2
TERMINAL PLATE V2.03.10
Price
N/A
20
Now: PW06
FLAT WASHER 1/4
Price
N/A
21
Now: PLW02
LOCK WASHER 1/4
Price
N/A
22
Now: PB19
HEX BOLT 1/4-20 X 1/2
Price
N/A
23
PU CONNECTOR 1/2"
Price
N/A
24
PU CONNECTOR 3/4"
Price
N/A
25
CABLE CONNECTOR 1"
Price
N/A
26
DIGITAL AMP METER V2.02.06
Price
N/A
27
STAR/DELTA TIMER SCHNEIDER LADS2
Price
N/A
28
START SWITCH
Item is no longer available
Price
N/A
29
STOP SWITCH
Item is no longer available
Price
N/A
32
POWER INDICATOR LIGHT 220V 22MM WHT
Price
N/A
33
E-STOP BUTTON 250V 10A
Price
N/A
34
WIRE COLUMN
Item is no longer available
Price
N/A
35
COMPUTER W/CONTROL PANEL
Price
N/A
36
WIRE COLUMN
Item is no longer available
Price
N/A
37
440V CONVERSION KIT
Price
N/A
37-1
OL RELAY SCHN LR3D21 12-18A
Price
N/A
37-2
OL RELAY SCHN LR3D08 2.5-4A
Price
N/A
38
CONTACTOR SCHN LC1D09 220V
Item is no longer available
Price
N/A
100
PLATEN REMOVAL TOOL
Item is no longer available
Price
N/A
101
*DISCD*SENSOR PIN
Price
N/A
102
TOOL BOX
Price
N/A
103
FELT PLATEN PAD 44"
Price
N/A
104
GRAPHITE PAD 44" X 3.54"
Price
N/A
105
DOOR HANDLE
Price
N/A
106
SANDING BELT #100 43 X 60"
Price
N/A
107
SANDING BELT #180 43 X 60"
Price
N/A
108
Now: PSDP2
SCREWDRIVER PHILLIPS #2
Price
N/A
109
Now: PSDF2
SCREWDRIVER FLAT #2
Price
N/A
110
WRENCH 8 X 10MM OPEN-ENDS
Price
N/A
111
WRENCH 12 X 14MM OPEN-ENDS
Price
N/A
112
WRENCH 17 X 19MM OPEN-ENDS
Price
N/A
113
HEX WRENCH SET
Price
N/A
114
UPPER FRAME COVER V1
Item is no longer available
Price
N/A
114V2
UPPER FRAME COVER V2.02.22
Item is no longer available
Price
N/A
115
DUST PORT 4"
Price
N/A
116
Now: PS14M
PHLP HD SCR M6-1 X 12
Price
N/A
117
LEFT ACCESS PANEL
Item is no longer available
Price
N/A
118
RIGHT ACCESS PANEL
Item is no longer available
Price
N/A
119
DOOR LOCK
Item is no longer available
Price
N/A
120
Now: PB07
HEX BOLT 5/16-18 X 3/4
Price
N/A
121
Now: PW07
FLAT WASHER 5/16
Price
N/A
122
Now: PLW01
LOCK WASHER 5/16
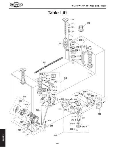
Price
N/A
123
RIGHT LOWER DOOR FRAME
Item is no longer available
Price
N/A
124
LEFT LOWER DOOR FRAME
Item is no longer available
Price
N/A
125
Now: PFH03
FLAT HD SCR 1/4-20 X 1/2
Price
N/A
126
PROTECTION PLATE FRONT
Price
N/A
127
Now: PW06
FLAT WASHER 1/4
Price
N/A
128
Now: PLW02
LOCK WASHER 1/4
Price
N/A
129
Now: PS14M
PHLP HD SCR M6-1 X 12
Price
N/A
130
Now: PB83M
HEX BOLT M6-1 X 16
Price
N/A
131
STANDOFF BRACKET
Item is no longer available
Price
N/A
200
MACHINE FRAME
Item is no longer available
Price
N/A
201
MOTOR BASE
Item is no longer available
Price
N/A
202
MOTOR BASE HINGE
Item is no longer available
Price
N/A
203
Now: PN06
HEX NUT 1/2-12
Price
N/A
204
MOTOR BASE ADJUSTMENT ROD
Item is no longer available
Price
N/A
205
Now: PLW07
LOCK WASHER 1/2
Price
N/A
206
Now: PB41
HEX BOLT 1/2-12 X 1-1/2
Price
N/A
207
Now: PW01
FLAT WASHER 1/2
Price
N/A
208
MOTOR 25HP 220V/440V 3-PH
Price
N/A
208-1
MOTOR FAN
Item is no longer available
Price
N/A
208-2
MOTOR FAN COVER
Item is no longer available
Price
N/A
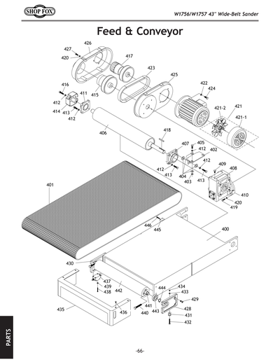
209
PULLEY 5"
Item is no longer available
Price
N/A
210
CAP SCREW 5/16-18 X 1-1/4
Price
N/A
211
Now: PLW01
LOCK WASHER 5/16
Price
N/A
212
KEY 14 X 9 X 105
Item is no longer available
Price
N/A
213
Now: PB03
HEX BOLT 5/16-18 X 1
Price
N/A
214
Now: PLW01
LOCK WASHER 5/16
Price
N/A
215
ROTOR
Item is no longer available
Price
N/A
217
PULLEY BUSHING
Item is no longer available
Price
N/A
218
Now: PVB68
V-BELT B68
Price
N/A
219
FLAT HD SCR M5-.8 X 8
Price
N/A
220
BRAKE BRACKET
Price
N/A
221
Now: PW02
FLAT WASHER 3/8
Price
N/A
222
Now: PLW04
LOCK WASHER 3/8
Price
N/A
223
Now: PB21
HEX BOLT 3/8-16 X 3/4
Price
N/A
224
FLAT HEAD NUT 5/8 X 11
Price
N/A
225
CAP SCREW 1/4-20 X 3/4
Price
N/A
226
*** USE P04861126***
Price
N/A
227
LIMIT SWITCH PLATE
Price
N/A
228
Now: PB02
HEX BOLT 1/4-20 X 5/8
Price
N/A
229
Now: PLW02
LOCK WASHER 1/4
Price
N/A
230
Now: PW06
FLAT WASHER 1/4
Price
N/A
231
BACK COVER
Item is no longer available
Price
N/A
233
Now: PB19
HEX BOLT 1/4-20 X 1/2
Price
N/A
247
RIGHT BRAKE ASSEMBLY
Item is no longer available
Price
N/A
247-1
BRAKE CALIPER
Item is no longer available
Price
N/A
247-10
BRAKE PIN
Price
N/A
247-11
CAP SCREW 10-24 X 5/8
Price
N/A
247-12
Now: PLW04
LOCK WASHER 3/8
Price
N/A
247-13
Now: PN08
HEX NUT 3/8-16
Price
N/A
247-14
CAP SCREW 1/4-20 X 1/2
Price
N/A
247-15
BRAKE GASKET
Price
N/A
247-2
BREAK BRACKET FRONT GUARD
Price
N/A
247-4
BRAKE LINING SET
Price
N/A
247-5
BRAKE LINING SET
Item is no longer available
Price
N/A
247-6
BRAKE ARBOR
Price
N/A
247-7
BRAKE COMPRESSION SPRING
Price
N/A
247-8
BRAKE INSIDE PIECE
Price
N/A
247-9
Now: PFH04
FLAT HD SCR 1/4-20 X 5/8
Price
N/A
300
ELEVATION SCREW 1 X 5 X 280
Price
N/A
301
Now: PB03
HEX BOLT 5/16-18 X 1
Price
N/A
302
Now: PW07
FLAT WASHER 5/16
Price
N/A
303
Now: PLW01
LOCK WASHER 5/16
Price
N/A
304
Now: PLW04
LOCK WASHER 3/8
Price
N/A
306
Now: PB18
HEX BOLT 3/8-16 X 1
Price
N/A
307
ELEVATION SLIDE
Price
N/A
308
DUST BOOT
Price
N/A
309
Now: PB07
HEX BOLT 5/16-18 X 3/4
Price
N/A
310
Now: PLW01
LOCK WASHER 5/16
Price
N/A
311
CHAIN 3/8"
Item is no longer available
Price
N/A
312
NUT HOUSING ASSEMBLY
$80.95
Enter quantity between 1 and 99
312-1
NUT HOUSING
Price
N/A
312-2
***USE P08190402***
Price
N/A
312-3
THRUST BEARING 51107
Price
N/A
312-4
Now: PR12M
EXT RETAINING RING 35MM
Price
N/A
312-5
SPROCKET WHEEL
Price
N/A
313
ELEVATION GEAR BOX ASSEMBLY
$372.90
Enter quantity between 1 and 99
313-1
ELEVATION GEAR BOX
Price
N/A
313-10
BEARING CAP
Price
N/A
313-11
CAP SCREW 1/4-20 X 5/8
Price
N/A
313-12
SPROCKET WHEEL
Price
N/A
313-13
Now: PSS08
SET SCREW 5/16-18 X 1/2
Price
N/A
313-2
WORM GEAR
Price
N/A
313-3
BALL BEARING 6005ZZ
Price
N/A
313-4
BEARING CAP
Price
N/A
313-5
CAP SCREW 1/4-20 X 3/4
Price
N/A
313-6
WORM SHAFT
Price
N/A
313-7
BALL BEARING 6002ZZ
Price
N/A
313-8
BEARING CAP
Price
N/A
313-9
CAP SCREW 10-24 X 5/8
Price
N/A
315
PULLEY
Price
N/A
316
Now: PVA34
V-BELT A34
Price
N/A
317
PULLEY
Price
N/A
318
Now: PSS07
SET SCREW 1/4-20 X 1/2
Price
N/A
319
Now: PLW01
LOCK WASHER 5/16
Price
N/A
320
Now: PB07
HEX BOLT 5/16-18 X 3/4
Price
N/A
321
Now: PSS07
SET SCREW 1/4-20 X 1/2
Price
N/A
322
HAND WHEEL
Price
N/A
323
Now: PB31
HEX BOLT 1/4-20 X 1
Price
N/A
324
Now: PB31
HEX BOLT 1/4-20 X 1
Price
N/A
325
Now: PLW02
LOCK WASHER 1/4
Price
N/A
325-1
Now: PW06
FLAT WASHER 1/4
Price
N/A
326
MOTOR BASE ADJUSTMENT ROD
Price
N/A
327
Now: PW01
FLAT WASHER 1/2
Price
N/A
328
Now: PN06
HEX NUT 1/2-12
Price
N/A
329
Now: PLW07
LOCK WASHER 1/2
Price
N/A
330
MOTOR 1/4HP 220V/440V 3-PH
Price
N/A
330-1
MOTOR FAN COVER
Price
N/A
330-2
MOTOR FAN
Price
N/A
331
Now: PN05
HEX NUT 1/4-20
Price
N/A
332
Now: PB89
HEX BOLT 1/2-12 X 4-1/2
Price
N/A
333
PROXIMITY SWITCH FIXING PLATE
Price
N/A
335
Now: PB19
HEX BOLT 1/4-20 X 1/2
Price
N/A
336
PROXIMITY SWITCH
Price
N/A
337
Now: PS97M
PHLP HD SCR M3-.5 X 34
Price
N/A
338
Now: PN07M
HEX NUT M3-.5
Price
N/A
339
Now: PK14
KEY 5/16 X 5/16 X 3/4
Price
N/A
340
Now: PK48M
KEY 4 X 4 X 20
Price
N/A
341
Now: PK37M
KEY 4 X 4 X 16
Price
N/A
342
SPROCKET WHEEL SET
Item is no longer available
Price
N/A
342-1
SPROCKET WHEEL ADJUSTOR
Price
N/A
342-10
Now: PB07
HEX BOLT 5/16-18 X 3/4
Price
N/A
342-2
SPROCKET SHAFT
Price
N/A
342-3
Now: G3850
Bearing - 35mm x 17mm
Price
N/A
342-4
ADJUSTMENT SPROCKET WHEEL
Price
N/A
342-5
SPROCKET WHEEL ADJUSTMENT ROD
Price
N/A
342-6
Now: PW02
FLAT WASHER 3/8
Price
N/A
342-7
Now: PN08
HEX NUT 3/8-16
Price
N/A
342-8
Now: PN02
HEX NUT 5/16-18
Price
N/A
342-9
Now: PLW01
LOCK WASHER 5/16
Price
N/A
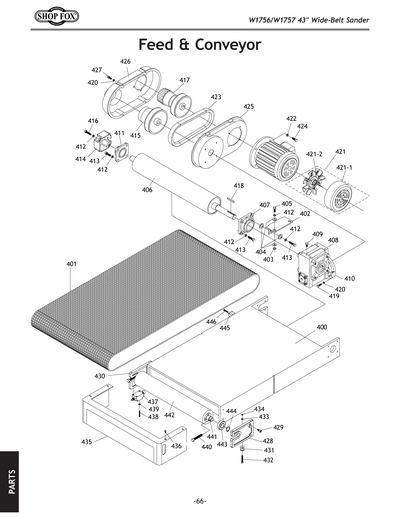
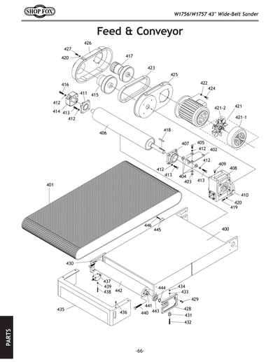
400
CONVEYOR TABLE
Item is no longer available
Price
N/A
401
CONVEYOR BELT
$1,629.05
Enter quantity between 1 and 99
402
REDUCER FIX PLATE
Price
N/A
403
CUSHION
Price
N/A
404
Now: PW02
FLAT WASHER 3/8
Price
N/A
405
Now: PB32M
HEX BOLT M10-1.5 X 25
Price
N/A
406
OUTFEED ROLLER
Price
N/A
407
BEARING UCF206
Price
N/A
408
GEARBOX
Price
N/A
409
BREATHER
Price
N/A
410
PLUG
Price
N/A
411
MOUNTED BEARING UCF205
Price
N/A
412
Now: PLW04
LOCK WASHER 3/8
Price
N/A
413
Now: PB24
HEX BOLT 3/8-16 X 1-1/4
Price
N/A
414
BEARING CAP
Price
N/A
415
DRIVEN PULLEY
Price
N/A
416
Now: PB16
HEX BOLT 3/8-16 X 1-1/2
Price
N/A
417
***USE P0539345***
Price
N/A
418
KEY 8 X 8 X 55
Price
N/A
419
Now: PB07M
HEX BOLT M8-1.25 X 25
Price
N/A
420
LOCK WASHER 8MM
Price
N/A
421
MOTOR 2HP 220V/440V 3-PH
Price
N/A
421-1
FAN COVER
Price
N/A
421-2
FAN
Price
N/A
422
LOCK WASHER 10MM
Price
N/A
423
TIMING BELT
Price
N/A
424
CAP SCREW M10-1.5 X 25
Price
N/A
425
BASE PLATE
Price
N/A
426
VARIABLE SPEED UNIT COVER
Price
N/A
427
SET SCREW M8-1.25 X 25
Price
N/A
428
INFEED ROLLER BRACKET
Price
N/A
429
CAP SCREW 3/8-16 X 3/4
Price
N/A
430
INFEED ROLLER BRACKET
Price
N/A
431
CONVEYOR BELT POSITIONING WHEEL
Price
N/A
432
CAP SCREW 5/16-18 X 2
Price
N/A
433
Now: PLW01
LOCK WASHER 5/16
Price
N/A
434
Now: PN02
HEX NUT 5/16-18
Price
N/A
435
EMGNCY BRAKE PUSH-PLATE
Price
N/A
436
Now: PS04
PHLP HD SCR 1/4-20 X 1/2
Price
N/A
437
***USE P0539306***
Price
N/A
438
Now: PS10
PHLP HD SCR 10-24 X 1-1/2
Price
N/A
439
LOCK WASHER 10MM
Price
N/A
440
Now: PB95
HEX BOLT 1/2-12 X 3
Price
N/A
441
INFEED ROLLER SHAFT
Price
N/A
442
INFEED ROLLER
Price
N/A
443
BALL BEARING 6206ZZ
Price
N/A
444
Now: PR15M
EXT RETAINING RING 30MM
Price
N/A
445
ELEVATION ALUMINUM LIMITER
Price
N/A
446
CAP SCREW 1/4-20 X 1-1/2
Price
N/A
500
SQUARE FRAME
Price
N/A
502
BRACKET
Price
N/A
503
SQUARE FRAME SEAL RIGHT
Price
N/A
505
SQUARE FRAME SEAL LEFT
Price
N/A
507
Now: PFH03
FLAT HD SCR 1/4-20 X 1/2
Price
N/A
508
Now: PLW04
LOCK WASHER 3/8
Price
N/A
509
Now: PB18
HEX BOLT 3/8-16 X 1
Price
N/A
510
Now: PLW07
LOCK WASHER 1/2
Price
N/A
511
CAP SCREW 1/2-12 X 1-1/2
Price
N/A
513
Now: PS04
PHLP HD SCR 1/4-20 X 1/2
Price
N/A
514
CAP SCREW 5/16-18 X 3/4
Price
N/A
515
CAP SCREW 5/16-18 X 1
Price
N/A
517
AIR CYLINDER
Price
N/A
518
LIMIT SWITCH HOLDER L-TYPE
Price
N/A
519
LIMIT SWITCH CERAMIC ASSY
Price
N/A
519-1
LIMIT SWITCH CERAMIC TIP
Price
N/A
520
LIMIT SWITCH CERAMIC TIP
Price
N/A
520-1
LIMIT SWITCH CERAMIC TIP
Price
N/A
521
LIMIT SWITCH HOLDER
Price
N/A
522
AIR NOZZLE FEMALE
Price
N/A
523
AIR FORK
Price
N/A
524
AIR SENSOR NOZZLE MALE
Price
N/A
525
THROTTLE VALVE
Price
N/A
526
THROTTLE VALVE BASE
Price
N/A
527
PLATE
Price
N/A
528
ALUMINUM DISC
Price
N/A
529
OIL CAP
Price
N/A
529-1
OIL CUP GASKET
$15.75
Enter quantity between 1 and 99
530
ALUMINUM PLATE
Price
N/A
531
Now: PS52M
PHLP HD SCR M4-.7 X 20
Price
N/A
532
Now: PS02M
PHLP HD SCR M4-.7 X 12
Price
N/A
533
SANDING BELT POWER OFF PLATE
Price
N/A
534
Now: PN11
HEX NUT 3/8-24
Price
N/A
535
Now: PW07
FLAT WASHER 5/16
Price
N/A
536
Now: PLW01
LOCK WASHER 5/16
Price
N/A
537
Now: PB09
HEX BOLT 5/16-18 X 1/2
Price
N/A
539
CAP SCREW 10-24 X 3/4
Price
N/A
540
Now: PN07
HEX NUT 10-24
Price
N/A
541
CONNECTOR OF OIL CAP
Price
N/A
542
SHAFT OF OIL CAP
Price
N/A
543
Now: PB53
HEX BOLT 1/2-12 X 1
Price
N/A
544
CAP SCREW 1/2-12 X 1-1/2
Price
N/A
550
ROLLER BRACKET UPPER
Price
N/A
551
***USE P99796202***
Price
N/A
552
***USE P0539403***
Price
N/A
553
CARTRIDGE BEARING UCC205
Price
N/A
554
SET SCREW M6-1 X 6
Price
N/A
555
CAP SCREW 3/8-16 X 3/4
Price
N/A
556
Now: PLW04
LOCK WASHER 3/8
Price
N/A
557
GREASE FITTING W/CAP 1/16" STRAIGHT
Price
N/A
558
KNOB
Price
N/A
559
ECCENTRIC ROD
Price
N/A
560
CAP SCREW 1/2-12 X 3-1/4
Price
N/A
561
Now: PW01
FLAT WASHER 1/2
Price
N/A
562
ECCENTRIC
Price
N/A
563
CLEVIS ASSEMBLY
Price
N/A
564
Now: PR05M
EXT RETAINING RING 15MM
Price
N/A
565
Now: PN27M
HEX NUT M10-1.5 LH
Price
N/A
566
Now: PN06
HEX NUT 1/2-12
Price
N/A
567
OSCILLATING AIR CYLINDER 50 X 4
Price
N/A
567-4
ALUMINUM PLATE
Price
N/A
567-5
FLAT HD SCR M6-1 X 12
Price
N/A
567-6
DIAPHRAM
Price
N/A
567-8
Now: PN07
HEX NUT 10-24
Price
N/A
567-9
CAP SCREW 10-24 X 3/4
Price
N/A
567V2
OSCILLATING AIR CYLINDER 50 X 4
Price
N/A
568
OSCILLATION AIR CYLINDER 30 X 4 V2.01.14
Price
N/A
569
ECCENTRIC SHAFT FRAME
Price
N/A
570
Now: PB11
HEX BOLT 5/16-18 X 1-1/2
Price
N/A
571
Now: PN02
HEX NUT 5/16-18
Price
N/A
572
CONNECTOR 1/4N X 1/4T X 90-DEG
Item is no longer available
Price
N/A
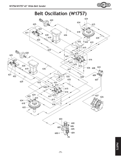
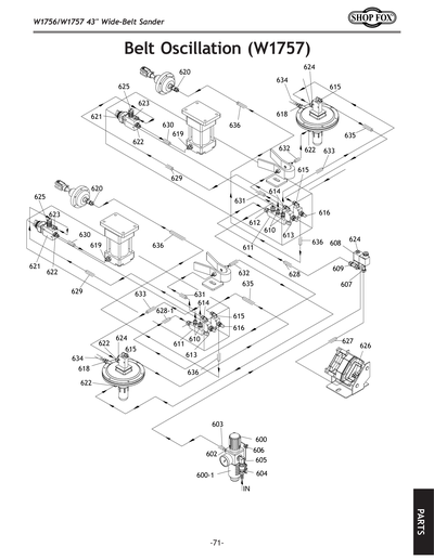
600
PRESSURE REGULATOR
Item is no longer available
Price
N/A
600-1
FILTER CUP AND REGULATOR W/ GAUGE
Price
N/A
602
CONNECTOR, BRONZE
Price
N/A
603
FLEXIBLE HOSE 8MM
Price
N/A
604
AIR SWITCH
Price
N/A
605
ELBOW 1/4T X 1/4T 90DEG
Price
N/A
606
Now: PS22
PHLP HD SCR 10-24 X 5/8
Price
N/A
607
ELBOW
Price
N/A
608
SOLENOID VALVE
Price
N/A
609
T-FITTING 5/16N X 5/16N X 1/8T
Price
N/A
610
CONNECTOR 1/4N X 1/4T
Item is no longer available
Price
N/A
611
MANIFOLD 1/4N
Item is no longer available
Price
N/A
612
MANIFOLD 1/4N 3-PORT
Price
N/A
613
ELBOW 1/4T X 1/8T 90º
Price
N/A
614
CONNECTOR 1/4N X 1/8T 90DEG
Price
N/A
615
CONNECTOR 1/4N X 1/8T 90DEG
Price
N/A
616
THROTTLE VALVE
Price
N/A
617
CONNECTOR 1/4N X 1/8T 90DEG
Price
N/A
618
CONNECTOR 1/4N 90-DEG
Item is no longer available
Price
N/A
619
CONNECTOR 1/4N X 3/8T
Price
N/A
620
CONNECTOR 1/4N X 1/4T X 90-DEG
Item is no longer available
Price
N/A
621
***USE P99799122***
Price
N/A
622
***USE P0539518***
Price
N/A
623
CONNECTOR 1/4N X 1/8T 90°
Item is no longer available
Price
N/A
624
BUFFER
Price
N/A
626
CONNECTOR 5/16N X 1/8T 90DEG
Price
N/A
627
FLEXIBLE HOSE 8 X 700MM
Item is no longer available
Price
N/A
628
FLEXIBLE HOSE 8 X 1400MM
Item is no longer available
Price
N/A
629
FLEXIBLE HOSE 6MM
Price
N/A
630
FLEXIBLE HOSE 6MM
Price
N/A
631
FLEXIBLE HOSE 6MM
Price
N/A
632
FLEXIBLE HOSE 6MM
Price
N/A
633
FLEXIBLE HOSE 6MM
Price
N/A
634
CONNECTOR 1/4N
Price
N/A
635
FLEXIBLE HOSE 6 X 650MM
Item is no longer available
Price
N/A
636
FLEXIBLE HOSE 6 X 1500/1700MM
Item is no longer available
Price
N/A
700
BEARING HOUSING
Price
N/A
701
RUBBER ROLLER
Price
N/A
702
FASTENING TUBE
Price
N/A
703
CARTRIDGE BEARING UCC206
Price
N/A
704
PULLEY
Price
N/A
705
CAP SCREW 5/16-18 X 1-1/4
Price
N/A
706
KEY 8 X 8 X 30
Price
N/A
707
Now: PLW01
LOCK WASHER 5/16
Price
N/A
708
***SEE EXT. DESCRIPTION***
Price
N/A
709
Now: PLW07
LOCK WASHER 1/2
Price
N/A
710
Now: PB41
HEX BOLT 1/2-12 X 1-1/2
Price
N/A
711
CAP SCREW 1/4-20 X 1/2
Price
N/A
712
BEARING CAP
Price
N/A
713
STRAIGHT GREASE FITTING W/CAP
Price
N/A
714
GREASE FITTING 90 DEG W/CAP
Price
N/A
715
PLUG
Price
N/A
716
PULLEY COVER
Item is no longer available
Price
N/A
717
Now: PS02
PHLP HD SCR 1/4-20 X 3/4
Price
N/A
718
Now: PLW02
LOCK WASHER 1/4
Price
N/A
719
SPANNER CAP
Price
N/A
721
BEARING HOUSING
Price
N/A
722
STEEL ROLLER
Price
N/A
723
SET SCREW M6-1 X 6
Price
N/A
724
CARTRIDGE BEARING UCC205
Price
N/A
725
HANDLE
Price
N/A
726
FLAT HD SCR 5/8 X 11
Price
N/A
727
BEARING BRACKET PAD
Price
N/A
728
GRAPHITE BRACKET MALE 44"
Price
N/A
729
GRAPHITE BRACKET FEMALE 44"
Price
N/A
730
FELT PLATEN PAD 44"
Price
N/A
731
GRAPHITE PAD 44" X 3.54"
Price
N/A
732
Now: PS01
PHLP HD SCR 10-24 X 1/2
Price
N/A
733
GRAPHITE PRESSURE PLATE 44"
Price
N/A
734
GRAPHITE BRACKET BASE
Price
N/A
735
GRAPHITE BRACKET SHAFT
Item is no longer available
Price
N/A
736
FASTENING TUBE
Price
N/A
737
Now: PSS03
SET SCREW 1/4-20 X 3/8
Price
N/A
738
KEY 6 X 6 X 25
Price
N/A
739
COMPRESSION SPRING 3.5 X 21 X 65
Price
N/A
740
HOUSING
Price
N/A
741
GRAPHITE BRACKET SHAFT
Price
N/A
742
CAP SCREW 3/8-16 X 3/4
Price
N/A
743
Now: PW02
FLAT WASHER 3/8
Price
N/A
744
Now: PW02
FLAT WASHER 3/8
Price
N/A
745
GRAPHITE BRACKET ADJUSTMENT ASSEMBLY
Item is no longer available
Price
N/A
745-1
HANDLE
Price
N/A
745-2
Now: PSS08
SET SCREW 5/16-18 X 1/2
Price
N/A
745-3
ADJUSTMENT RING
Price
N/A
746
Now: PB03
HEX BOLT 5/16-18 X 1
Price
N/A
747
Now: PW07
FLAT WASHER 5/16
Price
N/A
748
HANDLE
Price
N/A
754
CAP SCREW 5/16-18 X 1-1/4
Price
N/A
757
BALL BEARING 6206ZZ
Price
N/A
761
PISTON SLIDERAIL
Item is no longer available
Price
N/A
762
PISTON BRACKET
Item is no longer available
Price
N/A
763
SPRING 2 X 16 X 60
Price
N/A
764
PIN 10 X 35MM
Price
N/A
765
CAP SCREW 1/4-20 X 1/2
Price
N/A
766
Now: PB11
HEX BOLT 5/16-18 X 1-1/2
Price
N/A
768
Now: PB12
HEX BOLT 5/16-18 X 1-1/4
Price
N/A
769
Now: PLW01
LOCK WASHER 5/16
Price
N/A
770
Now: PN02
HEX NUT 5/16-18
Price
N/A
771
PISTON ROLLER SHAFT ASSY LONG
Price
N/A
771-1
PISTON ROLLER SHAFT ASSY LONG
Price
N/A
771-2
PISTON ROLLER
Item is no longer available
Price
N/A
771-3
Now: G3850
Bearing - 35mm x 17mm
Price
N/A
771-4
SHAFT BEARING COLLAR
Price
N/A
771-5
Now: PSS03
SET SCREW 1/4-20 X 3/8
Price
N/A
771-6
Now: PN05
HEX NUT 1/4-20
Price
N/A
800
MACHINE ID LABEL
$16.40
Enter quantity between 1 and 99
801
Now: D3377
Nameplate - Large
Price
N/A
802
SANDER KICKBACK LABEL
Item is no longer available
Price
N/A
803
DUST MASK LABEL
Item is no longer available
Price
N/A
804
HAND PINCH LABEL
Item is no longer available
Price
N/A
805
SAFETY GLASSES 2W X 3.3H V2.04.08
Price
N/A
806
BRAKE LABEL
Item is no longer available
Price
N/A
807
EMERGENCY STRIPE LABEL
Price
N/A
808
SHOP FOX WHITE M1006
Price
N/A
809
DECORATIVE STRIPING
Item is no longer available
Price
N/A
810
MODEL NUMBER LABEL
Item is no longer available
Price
N/A
811
ROTATION LABEL
Item is no longer available
Price
N/A
812
NOTICE LABEL
Item is no longer available
Price
N/A
813
READ MANUAL 2W X 3.3H V2.07.05
Price
N/A
814
DISCONNECT POWER LABEL
Item is no longer available
Price
N/A
815
CONVERSION CHART LABEL
Item is no longer available
Price
N/A
816
AMP LOAD METER LABEL
Item is no longer available
Price
N/A
817
CONTROL PANEL LABEL
Item is no longer available
Price
N/A
818
DANGER STRIPE LABEL
Price
N/A
819
ELECTRICITY 1.4W X 1.2H
Price
N/A
MAN
MANUAL FOR W1756 08/07
Item is no longer available
Price
N/A