Parts for G0509G 16" x 40" 3-Phase Gunsmithing Metal Lathe

Parts Diagrams for G0509G - 16" x 40" 3-Phase Gunsmithing Metal Lathe

IMPORTANT

Parts may have multiple versions that have changed over time. This will be indicated by V1, V2, V3, etc. in the parts description, followed by the version month and year that it was first used. Example: V2.01.17 indicates version 2 of a part went into use in January 2017. Please reference the manufacture date on the ID Label for your machine to ensure you are selecting the correct part when multiple versions are indicated.

If you cannot locate your part below, please contact our tech support department at techsupport@grizzly.com or 570-546-9663.

Please note: All parts ship out of our Springfield, Missouri facility.

Parts List for Parts for G0509G 16" x 40" 3-Phase Gunsmithing Metal Lathe

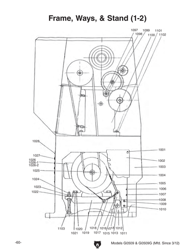
1
CHUCK 3-JAW 8"
$779.90
Enter quantity between 1 and 99
1-1
CHUCK 3-JAW EXT JAWS 3PC SET
$211.70
Enter quantity between 1 and 99
1-2
INTERNAL JAW SET 3-PC
$211.70
Enter quantity between 1 and 99
3
TOOL POST W/TOOL HOLDER
Price
N/A
4
COMPLETE FOLLOW REST
Price
N/A
6
FACEPLATE 14"
Price
N/A
7
TOOL BOX
Price
N/A
8
TOOL HOLDER
Price
N/A
9
WRENCH SET
Price
N/A
11
CAM LOCK T-WRENCH
Price
N/A
12
TOOL HOLDER T-WRENCH
Price
N/A
13
CHUCK 4-JAW T-WRENCH
Price
N/A
14
CHUCK 3-JAW T-WRENCH
Price
N/A
15
CHUCK 4-JAW CAMLOCK STUDS
Price
N/A
16
OIL BOTTLE
Price
N/A
17
ADAPTER MT#6-MT#4
Price
N/A
18
CAST IRON FEET SET OF 6
Price
N/A
19
JACKING STUDS W/NUTS
Price
N/A
20
HEX WRENCH SET
Price
N/A
22
SPIDER SCREW 4-PC SET
$18.00
Enter quantity between 1 and 99
23
Now: PSDP2
SCREWDRIVER PHILLIPS #2
Price
N/A
24
STANDARD SCREWDRIVER #2
Price
N/A
27
CARBIDE TIP DEAD CENTER MT#4
Price
N/A
28
STANDARD TIP DEAD CENTER MT#4
Price
N/A
34
CHUCK 4-JAW 12"
Price
N/A
35
MANUAL MICROMETER STOP KIT
Price
N/A
36
TAILSTOCK COOLANT KIT
Price
N/A
37
CUTTING COOLANT HOSE
Price
N/A
38
HALOGEN WORK LIGHT ASSY
Price
N/A
38V2
LED WORK LAMP ASSY.
Price
N/A
39
HALOGEN BULB 50W 24V BI-PIN
Price
N/A
39V2
LED BULB 24V MR16 (1W X 3) V3.05.15
Price
N/A
61
TAPER PIN 8 X 85
$3.65
Enter quantity between 1 and 99
79
RACK
$120.40
Enter quantity between 1 and 99
80
MICROMETER STOP
Price
N/A
448
LEVER
$26.75
Enter quantity between 1 and 99
619
SHAFT
Price
N/A
631
SHAFT
$40.15
Enter quantity between 1 and 99
828
GIB
Price
N/A
832
CROSS SLIDE
Price
N/A
867
GIB
Price
N/A
873
HALF NUT
Price
N/A
878
FEED SCREW
Price
N/A
1001
Now: PS68M
PHLP HD SCR M6-1 X 10
Price
N/A
1002
COVER
$414.75
Enter quantity between 1 and 99
1003
STAND
$4,478.60
Enter quantity between 1 and 99
1004
PULLEY
Price
N/A
1005
BELT BRAKE
Price
N/A
1006
Now: PS68M
PHLP HD SCR M6-1 X 10
Price
N/A
1007
Now: PS68M
PHLP HD SCR M6-1 X 10
Price
N/A
1008
SWITCH SEAT
$40.15
Enter quantity between 1 and 99
1009
Now: PN04M
HEX NUT M4-.7
Price
N/A
1010
CAP SCREW M4-.7 X 30
Price
N/A
1011
LIMIT SWITCH
Price
N/A
1012
MOTOR SEAT BRACKET
$133.70
Enter quantity between 1 and 99
1013
SHAFT
Price
N/A
1014
$17.90
Enter quantity between 1 and 99
1015
BRAKE ARM
$31.25
Enter quantity between 1 and 99
1016
SHAFT
$57.95
Enter quantity between 1 and 99
1017
SPRING
Price
N/A
1018
SHAFT
$31.25
Enter quantity between 1 and 99
1019
MOTOR SEAT
$182.75
Enter quantity between 1 and 99
1020
Now: PB31M
HEX BOLT M10-1.5 X 40
Price
N/A
1021
LOCK WASHER 10MM
Price
N/A
1022
LOCK WASHER 16MM
Price
N/A
1023
Now: PN13M
HEX NUT M16-2
Price
N/A
1024
STUD-UDE M16-2 X 150 38 100
$13.40
Enter quantity between 1 and 99
1025
PULLEY WASHER 8MM
Price
N/A
1026
MAIN MOTOR 3-4HP 220V 3-PH
Price
N/A
1026-1
MOTOR FAN COVER
$60.20
Enter quantity between 1 and 99
1026-2
MOTOR FAN
$62.45
Enter quantity between 1 and 99
1027
COVER
$58.25
Enter quantity between 1 and 99
1028
CAP SCREW M6-1 X 10
Price
N/A
1029
COVER
$13.40
Enter quantity between 1 and 99
1030
SLEEVE
$13.40
Enter quantity between 1 and 99
1031
BRACKET
$44.60
Enter quantity between 1 and 99
1032
$22.35
Enter quantity between 1 and 99
1033
BRAKE PEDAL
$75.85
Enter quantity between 1 and 99
1042
CAP SCREW M8-1.25 X 10
Price
N/A
1043
CLEVIS PIN 7.5 X 25
$2.25
Enter quantity between 1 and 99
1044
E-CLIP 6MM
Price
N/A
1045
ROD
Price
N/A
1046
LEVER
Price
N/A
1049
KNURLED THUMB NUT
$3.65
Enter quantity between 1 and 99
1050
MOUNTING HEAD STUD
Price
N/A
1051
Now: PN02M
HEX NUT M10-1.5
Price
N/A
1052
Now: PB35M
HEX BOLT M12-1.75 X 40
Price
N/A
1055
CAP SCREW M12-1.75 X 40
Price
N/A
1056
DOWEL PIN 12 X 30MM
$2.25
Enter quantity between 1 and 99
1057
COVER
$49.10
Enter quantity between 1 and 99
1058
GUARD ASSEMBLY
Price
N/A
1059
GAP BLOCK
$300.85
Enter quantity between 1 and 99
1060
CAP SCREW M10-1.5 X 45
Price
N/A
1062
Now: PN03M
HEX NUT M8-1.25
Price
N/A
1063
CAP SCREW M8-1.25 X 50
Price
N/A
1064
RACK
Price
N/A
1065
CLUTCH
$26.75
Enter quantity between 1 and 99
1066
STEEL BALL 8MM
Price
N/A
1067
TAPER PIN 5 X 45
Price
N/A
1068
COMPRESSION SPRING 1.2 X 6 X 46
$2.25
Enter quantity between 1 and 99
1069
CLUTCH SCREW M10-1.5 X 10
Price
N/A
1070
SLEEVE
Price
N/A
1071
DOWEL PIN
Price
N/A
1072
FLAT WASHER 28MM
Price
N/A
1073
Now: PR19M
EXT RETAINING RING 28MM
Price
N/A
1074
Now: PK08M
KEY 5 X 5 X 16
Price
N/A
1075
COMPRESSION SPRING 1.8 X 2.5 X 55
Price
N/A
1076
COVER
$13.40
Enter quantity between 1 and 99
1077
CAP SCREW M6-1 X 30
Price
N/A
1078
ROLL PIN 6 X 30
Price
N/A
1080
ROD
Price
N/A
1081
FEED ROD ROUND V1.06.06
$120.40
Enter quantity between 1 and 99
1082
LEADSCREW
Price
N/A
1082-1
DOWEL PIN
Price
N/A
1083
SLEEVE
$13.40
Enter quantity between 1 and 99
1084
SET SCREW M6-1 X 6
Price
N/A
1085
CAP SCREW M8-1.25 X 35
Price
N/A
1086
SLEEVE
$6.70
Enter quantity between 1 and 99
1087
*DISCD*TAPER PIN 6 X 50
Price
N/A
1088
THRUST BEARING 51203
Price
N/A
1089
SLEEVE
$13.40
Enter quantity between 1 and 99
1090
SET SCREW M6-1 X 8
Price
N/A
1091
PLUG
$6.70
Enter quantity between 1 and 99
1092
END PLAY ADJUSTMENT NUT
$6.70
Enter quantity between 1 and 99
1093
STEEL BALL 10MM
Price
N/A
1094
COMPRESSION SPRING 1 X 9 X 20
$2.25
Enter quantity between 1 and 99
1095
CAP SCREW M6-1 X 8
Price
N/A
1096
BRACKET
$93.65
Enter quantity between 1 and 99
1097
STUD- FT M12-1.75 X 116
$4.50
Enter quantity between 1 and 99
1098
Now: PN09M
HEX NUT M12-1.75
Price
N/A
1099
Now: PW06M
FLAT WASHER 12MM
Price
N/A
1100
$4,901.90
Enter quantity between 1 and 99
1101
Now: PB24M
HEX BOLT M12-1.75 X 45
Price
N/A
1102
LOCK WASHER 12MM
Price
N/A
1112
SHAFT
$22.35
Enter quantity between 1 and 99
1200
COMPLETE STEADY REST
$334.25
Enter quantity between 1 and 99
1302
CONTACTOR SIEMENS 40E 24V
Price
N/A
1302-1
OL RELAY SIEMENS JRS2-12.5 0.63-1A
$84.85
Enter quantity between 1 and 99
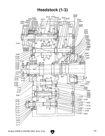
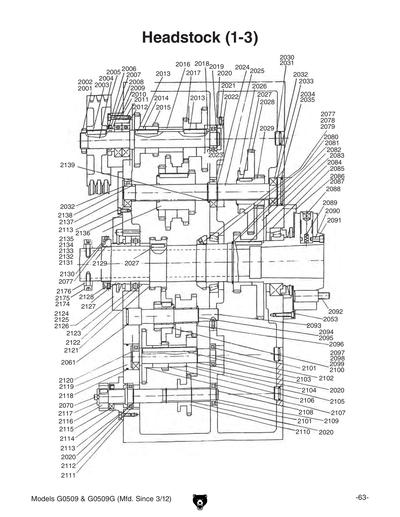
2001
SPANNER NUT M30-1.5
Price
N/A
2002
EXT TOOTH WASHER 30MM
Price
N/A
2003
Now: PK41M
KEY 8 X 8 X 40
Price
N/A
2004
SHAFT
$89.15
Enter quantity between 1 and 99
2005
PULLEY
$133.70
Enter quantity between 1 and 99
2006
SPACER
$13.40
Enter quantity between 1 and 99
2007
OIL SEAL
Price
N/A
2008
O-RING 36 X 3.5
Price
N/A
2009
BEARING COVER
Price
N/A
2010
PACKING
Price
N/A
2011
CAP SCREW M6-1 X 40
Price
N/A
2012
BALL BEARING 6206ZZ
Price
N/A
2013
KEY 8 X 8 X 50
Price
N/A
2014
GEAR 38T
$151.60
Enter quantity between 1 and 99
2015
GEAR 33T
$120.40
Enter quantity between 1 and 99
2016
SLEEVE
$31.25
Enter quantity between 1 and 99
2017
GEAR 23T
$129.25
Enter quantity between 1 and 99
2018
GEAR 33T
$196.15
Enter quantity between 1 and 99
2019
BALL BEARING 6205ZZ
Price
N/A
2020
Now: PR11M
EXT RETAINING RING 25MM
Price
N/A
2021
SET SCREW M5-.8 X 16
Price
N/A
2022
PLUG
$8.95
Enter quantity between 1 and 99
2023
BALL BEARING E206
Price
N/A
2024
Now: PR15M
EXT RETAINING RING 30MM
Price
N/A
2025
SHAFT
$138.20
Enter quantity between 1 and 99
2026
Now: PR56M
EXT RETAINING RING 45MM
Price
N/A
2027
KEY 8 X 8 X 30
Price
N/A
2028
GEAR 60T
$258.50
Enter quantity between 1 and 99
2029
GEAR 21T
$120.40
Enter quantity between 1 and 99
2030
PLUG
$8.95
Enter quantity between 1 and 99
2031
*DISCD*O-RING 19 X 2.65
Price
N/A
2032
BALL BEARING 6305ZZ
Price
N/A
2033
EXT RETAINING RING 62MM
$4.50
Enter quantity between 1 and 99
2034
COVER
$13.40
Enter quantity between 1 and 99
2035
O-RING 56 X 3.5MM
$2.25
Enter quantity between 1 and 99
2036
PLATE
$49.10
Enter quantity between 1 and 99
2037
FLAT HD SCR M3-.5 X 15
$2.25
Enter quantity between 1 and 99
2038
PACKING
$12.10
Enter quantity between 1 and 99
2039
COVER
$17.90
Enter quantity between 1 and 99
2040
CASTING
$111.45
Enter quantity between 1 and 99
2041
ROLL PIN 5 X 30
Price
N/A
2042
GEAR 43T
$40.15
Enter quantity between 1 and 99
2043
BRACKET
$36.15
Enter quantity between 1 and 99
2044
SLEEVE
$13.40
Enter quantity between 1 and 99
2045
SET SCREW M6-1 X 10
Price
N/A
2046
PLUG
$8.95
Enter quantity between 1 and 99
2047
RUBBER MAT
Price
N/A
2048
SHAFT
$31.25
Enter quantity between 1 and 99
2049
LEVER
$26.75
Enter quantity between 1 and 99
2050
FORK
$17.90
Enter quantity between 1 and 99
2051
O-RING 14 X 2.65
Price
N/A
2052
PLUG
$8.95
Enter quantity between 1 and 99
2053
CAP SCREW M6-1 X 30
Price
N/A
2054
OIL PLUG
$8.95
Enter quantity between 1 and 99
2055
FORK
$17.90
Enter quantity between 1 and 99
2056
LEVER
$26.75
Enter quantity between 1 and 99
2057
STEEL BALL 10MM
Price
N/A
2058
COMPRESSION SPRING 0.9 X 9 X 35
$2.25
Enter quantity between 1 and 99
2059
BRACKET
$31.25
Enter quantity between 1 and 99
2060
SET SCREW M6-1 X 10
Price
N/A
2061
O-RING 28 X 3.1MM
$2.25
Enter quantity between 1 and 99
2062
COVER
$17.90
Enter quantity between 1 and 99
2063
LEVER HUB
$29.00
Enter quantity between 1 and 99
2064
O-RING 10 X 2.65MM
$2.25
Enter quantity between 1 and 99
2066
LEVER
Price
N/A
2067
LEVER HUB
$29.00
Enter quantity between 1 and 99
2068
Now: PR04M
EXT RETAINING RING 6MM
Price
N/A
2069
Now: PK05M
KEY 4 X 4 X 10
Price
N/A
2070
CAP SCREW M6-1 X 12
Price
N/A
2071
PLATE
Price
N/A
2072
SHAFT
$6.70
Enter quantity between 1 and 99
2073
COMPRESSION SPRING 0.9 X 9 X 40
$2.25
Enter quantity between 1 and 99
2074
LEVER
$26.75
Enter quantity between 1 and 99
2075
BRACKET
$13.40
Enter quantity between 1 and 99
2076
FORK
$17.90
Enter quantity between 1 and 99
2077
SET SCREW M6-1 X 8
Price
N/A
2078
SPANNER NUT
$22.35
Enter quantity between 1 and 99
2079
LEAD PLUG
$22.35
Enter quantity between 1 and 99
2080
TAPERED ROLLER BEARING 32016 P5 F
$378.85
Enter quantity between 1 and 99
2081
Now: PR97M
EXT RETAINING RING 75MM
Price
N/A
2082
GEAR 43T
$180.50
Enter quantity between 1 and 99
2083
GEAR 82T
$343.20
Enter quantity between 1 and 99
2084
Now: PK111
KEY 8 X 8 X 60
Price
N/A
2085
TAPERED ROLLER BEARING 33014 P5
$325.35
Enter quantity between 1 and 99
2086
COVER
$164.95
Enter quantity between 1 and 99
2087
PACKING
Price
N/A
2088
CAM LOCK
Price
N/A
2089
COMPRESSION SPRING
$2.25
Enter quantity between 1 and 99
2090
CAM LOCK CAP SCREW
$2.25
Enter quantity between 1 and 99
2091
SPINDLE D1-6
$1,439.70
Enter quantity between 1 and 99
2092
CHUCK 4-JAW CAMLOCK STUDS
Price
N/A
2093
SHAFT
$62.45
Enter quantity between 1 and 99
2094
SPACER
$4.50
Enter quantity between 1 and 99
2095
Now: PR10M
EXT RETAINING RING 22MM
Price
N/A
2096
GEAR 36T
$209.50
Enter quantity between 1 and 99
2097
GEAR 24T
$98.10
Enter quantity between 1 and 99
2098
GEAR 48T
$151.60
Enter quantity between 1 and 99
2099
Now: PK34M
KEY 5 X 5 X 20
Price
N/A
2100
Now: PR62M
EXT RETAINING RING 42MM
Price
N/A
2101
BALL BEARING 6204-2RS
Price
N/A
2102
SHAFT
$62.45
Enter quantity between 1 and 99
2103
KEY 8 X 8 X 115
$4.50
Enter quantity between 1 and 99
2104
GEAR 26T
$127.10
Enter quantity between 1 and 99
2105
SLEEVE
$17.90
Enter quantity between 1 and 99
2106
GEAR 24T
$107.00
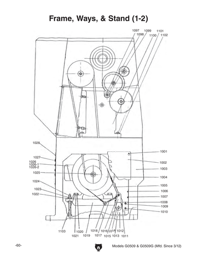
Enter quantity between 1 and 99
2107
GEAR 48T
$147.10
Enter quantity between 1 and 99
2108
SHAFT
$109.20
Enter quantity between 1 and 99
2109
Now: PR09M
EXT RETAINING RING 20MM
Price
N/A
2110
GEAR 36T
$127.10
Enter quantity between 1 and 99
2111
PACKING
$6.70
Enter quantity between 1 and 99
2112
BALL BEARING 6005-2RS
Price
N/A
2113
CAP SCREW M6-1 X 14
Price
N/A
2114
COVER
$31.25
Enter quantity between 1 and 99
2115
OIL SEAL
$6.70
Enter quantity between 1 and 99
2116
CHANGE GEAR 24T
$40.15
Enter quantity between 1 and 99
2117
SPACER
$3.65
Enter quantity between 1 and 99
2118
O-RING 46 X 3.5
$2.25
Enter quantity between 1 and 99
2119
COVER
$17.90
Enter quantity between 1 and 99
2120
BALL BEARING 6204-2RS
Price
N/A
2121
GEAR 48T
$236.20
Enter quantity between 1 and 99
2122
SLEEVE
$24.60
Enter quantity between 1 and 99
2123
BALL BEARING 6213 P5 NTN
$89.15
Enter quantity between 1 and 99
2124
COVER
$71.35
Enter quantity between 1 and 99
2125
PACKING
$31.25
Enter quantity between 1 and 99
2126
CAP SCREW M6-1 X 25
Price
N/A
2127
O-RING
$42.40
Enter quantity between 1 and 99
2128
SET SCREW M6-1 X 10
Price
N/A
2129
SPANNER NUT
$17.90
Enter quantity between 1 and 99
2130
COUNTER WEIGHT
$6.70
Enter quantity between 1 and 99
2131
GEAR 39T
$144.90
Enter quantity between 1 and 99
2132
GEAR 54T
$231.75
Enter quantity between 1 and 99
2133
GEAR 47T
$209.50
Enter quantity between 1 and 99
2134
GEAR 31T
$162.70
Enter quantity between 1 and 99
2135
Now: PR13M
EXT RETAINING RING 65MM
Price
N/A
2136
PACKING
$6.70
Enter quantity between 1 and 99
2137
COVER
$31.25
Enter quantity between 1 and 99
2138
SPACER
$6.70
Enter quantity between 1 and 99
2139
SPACER
$31.25
Enter quantity between 1 and 99
2140
PLATE
$31.25
Enter quantity between 1 and 99
2141
COVER ALUMINUM
$445.65
Enter quantity between 1 and 99
2142
Now: PS79M
PHLP HD SCR M3-.5 X 8
Price
N/A
2143
KNURLED NUT M10-1.5
$6.70
Enter quantity between 1 and 99
2144
STUD- FT M10-1.5 X 85
Price
N/A
2145
Now: PN02M
HEX NUT M10-1.5
Price
N/A
2146
LEVER W/HUB ASSEMBLY
$17.90
Enter quantity between 1 and 99
2147
BRACKET SCREW M12-1.75 X 20
$2.25
Enter quantity between 1 and 99
2148
BRACKET
$13.40
Enter quantity between 1 and 99
2149
BRACKET
$17.90
Enter quantity between 1 and 99
2150
FORK
$17.90
Enter quantity between 1 and 99
2151
SIGHT GLASS 16MM
Price
N/A
2152
LEVER BRACKET
$44.60
Enter quantity between 1 and 99
2153
Now: PK14M
KEY 5 X 5 X 18
Price
N/A
2154
RIVET 2 X 5MM NAMEPLATE, ALUMINUM
Price
N/A
2155
PLATE
$13.40
Enter quantity between 1 and 99
2156
STEEL BALL 6.5MM
Price
N/A
2157
COMPRESSION SPRING 1 X 5 X 22
$2.25
Enter quantity between 1 and 99
2158
SET SCREW M8-1.25 X 12
Price
N/A
2159
LEVER SHAFT
$22.35
Enter quantity between 1 and 99
2160
DOWEL PIN
$2.25
Enter quantity between 1 and 99
2161
LEVER
Price
N/A
2162
BRACKET
$17.90
Enter quantity between 1 and 99
2163
GEAR SHAFT 37T
$75.85
Enter quantity between 1 and 99
2164
LEVER BRACKET
$44.60
Enter quantity between 1 and 99
2165
COVER
$31.25
Enter quantity between 1 and 99
2166
KEY 6 X 6 X 14
Price
N/A
2167
BRACKET ADJUSTING SCREW
$6.70
Enter quantity between 1 and 99
2168
CAP SCREW M10-1.5 X 50
Price
N/A
2169
Now: PW04M
FLAT WASHER 10MM
Price
N/A
2170
HINGE
$6.90
Enter quantity between 1 and 99
2171
CAP SCREW M4-.7 X 6
Price
N/A
2172
COVER
$66.90
Enter quantity between 1 and 99
2173
CAP SCREW M8-1.25 X 25
Price
N/A
2174
SPIDER BOLT 3/8-24 X 1-1/2"
$6.90
Enter quantity between 1 and 99
2175
SPIDER BOLT 3/8-24 X 1/2"
$6.90
Enter quantity between 1 and 99
2176
Now: PN11
HEX NUT 3/8-24
Price
N/A
3001
E-CLIP 20MM
Price
N/A
3002
ROLLER BEARING 943/20
$26.75
Enter quantity between 1 and 99
3003
OIL SEAL
$12.10
Enter quantity between 1 and 99
3004
SHAFT
$73.60
Enter quantity between 1 and 99
3005
CAP SCREW M8-1.25 X 16
Price
N/A
3006
Now: PW10M
FLAT WASHER 14MM
Price
N/A
3007
KEY 8 X 8 X 28
$2.25
Enter quantity between 1 and 99
3008
SLEEVE
$44.60
Enter quantity between 1 and 99
3009
CHANGE GEAR 57T
$57.95
Enter quantity between 1 and 99
3010
SHAFT
$8.95
Enter quantity between 1 and 99
3011
Now: PN32M
HEX NUT M14-2
Price
N/A
3012
SLEEVE
$22.35
Enter quantity between 1 and 99
3013
WIDE WASHER 14MM
$8.95
Enter quantity between 1 and 99
3014
ROLLER BEARING 160105
$31.25
Enter quantity between 1 and 99
3015
Now: PR25M
INT RETAINING RING 47MM
Price
N/A
3017
CHANGE GEAR 44T/56T
Price
N/A
3018
BELLCRANK SWING ARM
$75.85
Enter quantity between 1 and 99
3019
CAP SCREW M6-1 X 16
Price
N/A
3020
BRACKET
$22.35
Enter quantity between 1 and 99
3021
Now: PW13M
FLAT WASHER 20MM
Price
N/A
3022
GEAR 39T/20T
$164.95
Enter quantity between 1 and 99
3023
BALL BEARING 7000104
$31.25
Enter quantity between 1 and 99
3024
SHAFT
$93.65
Enter quantity between 1 and 99
3025
GEAR 38T
$66.90
Enter quantity between 1 and 99
3026
GEAR 22T
$40.15
Enter quantity between 1 and 99
3027
GEAR 19T
$40.15
Enter quantity between 1 and 99
3028
GEAR 20T
$40.15
Enter quantity between 1 and 99
3029
GEAR 24T
$44.60
Enter quantity between 1 and 99
3030
GEAR 23T
$44.60
Enter quantity between 1 and 99
3031
GEAR 27T
$49.10
Enter quantity between 1 and 99
3032
GEAR 23T/19T
$93.65
Enter quantity between 1 and 99
3033
GEAR 24T
$44.60
Enter quantity between 1 and 99
3034
GEAR 28T
$53.50
Enter quantity between 1 and 99
3035
GEAR 26T
$53.50
Enter quantity between 1 and 99
3036
GEAR 38T
$66.90
Enter quantity between 1 and 99
3037
Now: PW18M
FLAT WASHER 18MM
Price
N/A
3038
BALL BEARING 6203-OPEN
Price
N/A
3039
Now: PR23M
INT RETAINING RING 40MM
Price
N/A
3040
CLUTCH
$31.25
Enter quantity between 1 and 99
3041
Now: PR02M
EXT RETAINING RING 14MM
Price
N/A
3042
CLUTCH GEAR
$66.90
Enter quantity between 1 and 99
3043
SHAFT
$75.85
Enter quantity between 1 and 99
3044
Now: PW23M
FLAT WASHER 30MM
Price
N/A
3045
PACKING
$6.70
Enter quantity between 1 and 99
3046
COVER
$35.70
Enter quantity between 1 and 99
3047
LOCK WASHER 6MM
Price
N/A
3049
Now: PR18M
EXT RETAINING RING 17MM
Price
N/A
3050
KEY 3 X 3 X 12
Price
N/A
3051
$44.60
Enter quantity between 1 and 99
3052
BRACKET
$49.10
Enter quantity between 1 and 99
3053
SHAFT
$8.95
Enter quantity between 1 and 99
3054
FORK
$31.25
Enter quantity between 1 and 99
3055
FORK
$31.25
Enter quantity between 1 and 99
3056
CAP SCREW M6-1 X 16
Price
N/A
3057
LOCK WASHER 6MM
Price
N/A
3058
FORK
Price
N/A
3059
CASTING
$534.75
Enter quantity between 1 and 99
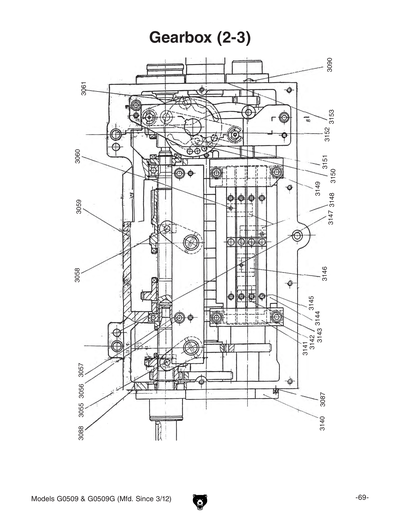
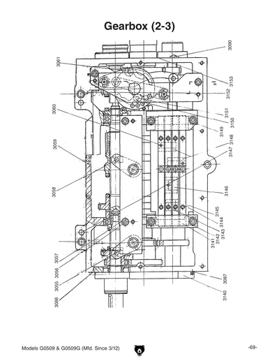
3060
CAP SCREW M5-.8 X 20
Price
N/A
3061
FORK
$17.90
Enter quantity between 1 and 99
3062
LEVER
Price
N/A
3063
COMPRESSION SPRING 1 X 8 X 32
Price
N/A
3064
LEVER
Price
N/A
3065
SELECTOR
$13.40
Enter quantity between 1 and 99
3067
COVER
Price
N/A
3068
*DISCD*O-RING 30 X 2.65
Price
N/A
3069
COVER
$44.60
Enter quantity between 1 and 99
3070
CAP SCREW M5-.8 X 25
Price
N/A
3071
BRACKET
$31.25
Enter quantity between 1 and 99
3072
O-RING 38.7 X 2.65MM
$4.50
Enter quantity between 1 and 99
3073
CAP SCREW M6-1 X 16
Price
N/A
3074
BRACKET
$17.90
Enter quantity between 1 and 99
3075
SET SCREW M6-1 X 6
Price
N/A
3076
CAP SCREW
$4.50
Enter quantity between 1 and 99
3077
STEEL BALL 6MM
Price
N/A
3078
FORK
$23.20
Enter quantity between 1 and 99
3079
FORK
$23.20
Enter quantity between 1 and 99
3080
FORK
$23.20
Enter quantity between 1 and 99
3081
FORK
$23.20
Enter quantity between 1 and 99
3082
DRIVE PLATE
$24.60
Enter quantity between 1 and 99
3083
COMPRESSION SPRING .8 X 5 X 17
$2.25
Enter quantity between 1 and 99
3084
PLATE TOP
$24.60
Enter quantity between 1 and 99
3085
SLEEVE
$13.40
Enter quantity between 1 and 99
3086
CAP SCREW M6-1 X 35
Price
N/A
3087
PLUG
$6.70
Enter quantity between 1 and 99
3088
OIL INLET PIPE
$6.70
Enter quantity between 1 and 99
3089
CAP SCREW M6-1 X 65
Price
N/A
3090
SIGHT GLASS 20MM
Price
N/A
3091
Now: PS05M
PHLP HD SCR M5-.8 X 8
Price
N/A
3094
PLATE
$44.60
Enter quantity between 1 and 99
3095
PLATE
$8.95
Enter quantity between 1 and 99
3096
LEVER
$26.75
Enter quantity between 1 and 99
3097
CAP SCREW M6-1 X 85
Price
N/A
3098
PACKING
$6.70
Enter quantity between 1 and 99
3099
PACKING
$6.70
Enter quantity between 1 and 99
3100
THRUST WASHER 24MM
$8.95
Enter quantity between 1 and 99
3101
SHAFT
$93.65
Enter quantity between 1 and 99
3102
GEAR 30T/19T
$93.65
Enter quantity between 1 and 99
3103
THRUST WASHER 24MM
Price
N/A
3104
Now: PK08M
KEY 5 X 5 X 16
Price
N/A
3105
GEAR 22T
$44.60
Enter quantity between 1 and 99
3106
SHAFT
$124.85
Enter quantity between 1 and 99
3107
Now: PR11M
EXT RETAINING RING 25MM
Price
N/A
3108
GEAR 22T
$40.15
Enter quantity between 1 and 99
3109
GEAR 22T
$40.15
Enter quantity between 1 and 99
3110
GEAR 33T
$66.90
Enter quantity between 1 and 99
3111
GEAR 22T
$40.15
Enter quantity between 1 and 99
3112
Now: PW18M
FLAT WASHER 18MM
Price
N/A
3113
SHAFT NUT
$8.95
Enter quantity between 1 and 99
3114
SET SCREW M5-.8 X 5
Price
N/A
3115
SHAFT
$66.90
Enter quantity between 1 and 99
3116
Now: PR10M
EXT RETAINING RING 22MM
Price
N/A
3117
Now: PK15M
KEY 5 X 5 X 35
Price
N/A
3118
GEAR 33T
$115.90
Enter quantity between 1 and 99
3119
GEAR 36T/20T
$75.85
Enter quantity between 1 and 99
3120
ROLLER BEARING 101
$26.75
Enter quantity between 1 and 99
3121
Now: PR03M
EXT RETAINING RING 12MM
Price
N/A
3122
BRACKET
$35.70
Enter quantity between 1 and 99
3123
OIL SEAL
$13.40
Enter quantity between 1 and 99
3124
Now: P8105
THRUST BEARING 8105
Price
N/A
3125
BRACKET
$17.90
Enter quantity between 1 and 99
3126
THRUST WASHER 16MM
Price
N/A
3127
SET SCREW M8-1.25 X 8
Price
N/A
3128
Now: PR39M
EXT RETAINING RING 8MM
Price
N/A
3129
COMPRESSION SPRING .8 X 5 X 17
Price
N/A
3130
STEEL BALL 6.5MM
Price
N/A
3131
LEVER
$24.60
Enter quantity between 1 and 99
3132
LEVER
$17.90
Enter quantity between 1 and 99
3133
FORK
$6.70
Enter quantity between 1 and 99
3134
ROLL PIN 4 X 25
Price
N/A
3135
PACKING
$4.50
Enter quantity between 1 and 99
3136
LEVER
$24.60
Enter quantity between 1 and 99
3137
COMPRESSION SPRING .8 X 5 X 17
Price
N/A
3138
SELECTOR BAR
$40.15
Enter quantity between 1 and 99
3139
SHAFT
$13.40
Enter quantity between 1 and 99
3140
COVER
$49.10
Enter quantity between 1 and 99
3141
PLATE
$13.40
Enter quantity between 1 and 99
3142
PLATE
$13.40
Enter quantity between 1 and 99
3143
FORK
$33.45
Enter quantity between 1 and 99
3144
ROLL PIN 5 X 18
Price
N/A
3145
ROLL PIN 3 X 10
Price
N/A
3146
FORK
$33.45
Enter quantity between 1 and 99
3147
TAPER PIN 8 X 90
$4.50
Enter quantity between 1 and 99
3148
FORK
$33.45
Enter quantity between 1 and 99
3149
PLATE
$13.40
Enter quantity between 1 and 99
3150
ROLL PIN 3 X 14
Price
N/A
3151
FORK
$17.90
Enter quantity between 1 and 99
3152
CAP SCREW M8-1.25 X 60
Price
N/A
3153
PACKING
$8.95
Enter quantity between 1 and 99
3154
Now: PS07M
PHLP HD SCR M4-.7 X 8
Price
N/A
3155
CAP SCREW M5-.8 X 12
Price
N/A
3156
Now: PW03M
FLAT WASHER 6MM
Price
N/A
3157
SLEEVE
$8.95
Enter quantity between 1 and 99
3158
O-RING 16 X 2.65MM
$4.50
Enter quantity between 1 and 99
3159
LEVER
Price
N/A
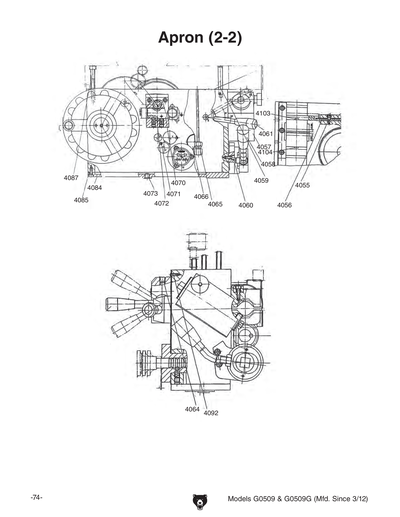
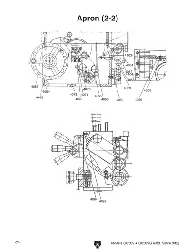
4001
APRON CASTING
Price
N/A
4002
SHAFT
Price
N/A
4003
CAP SCREW M5-.8 X 25
Price
N/A
4006
NAME PLATE
$31.25
Enter quantity between 1 and 99
4007
SLEEVE
$35.70
Enter quantity between 1 and 99
4008
HANDLE
Price
N/A
4009
CAP SCREW
Price
N/A
4010
HAND WHEEL
Price
N/A
4011
DIAL
$44.60
Enter quantity between 1 and 99
4012
STEEL BALL 6.5MM
Price
N/A
4013
COMPRESSION SPRING
$2.25
Enter quantity between 1 and 99
4014
SCREW PLUG
$6.70
Enter quantity between 1 and 99
4015
SET SCREW M5-.8 X 25
Price
N/A
4016
WOODRUFF KEY 5 X 6.5 X 16MM
$2.25
Enter quantity between 1 and 99
4017
GEAR 81T
$111.45
Enter quantity between 1 and 99
4018
CAP SCREW M6-1 X 10
Price
N/A
4020
KEY 6 X 6 X 18
Price
N/A
4021
GEAR 80T/60T
$258.50
Enter quantity between 1 and 99
4022
GEAR 72T/60T
$209.50
Enter quantity between 1 and 99
4023
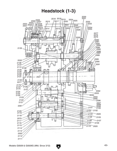
DOWEL PIN 4 X 20
Price
N/A
4024
SHAFT
Price
N/A
4025
LEVER HUB
$42.40
Enter quantity between 1 and 99
4026
SLEEVE
$13.40
Enter quantity between 1 and 99
4027
LEVER
$13.40
Enter quantity between 1 and 99
4028
ROLL PIN 5 X 22
Price
N/A
4029
GEAR 18T
$31.25
Enter quantity between 1 and 99
4030
O-RING 11.2 X 2.65
Price
N/A
4032
ROLL PIN 5 X 22
Price
N/A
4033
SHAFT
$31.25
Enter quantity between 1 and 99
4034
Now: PR06M
EXT RETAINING RING 16MM
Price
N/A
4035
INDICATOR PLATE
$8.95
Enter quantity between 1 and 99
4036
RIVET 2 X 6MM
Price
N/A
4037
SHAFT
$49.10
Enter quantity between 1 and 99
4038
O-RING 25.8 X 3.55MM
$2.25
Enter quantity between 1 and 99
4039
SLEEVE
$31.25
Enter quantity between 1 and 99
4040
O-RING 16 X 1.8
$2.25
Enter quantity between 1 and 99
4041
PLUG
$8.95
Enter quantity between 1 and 99
4043
E-CLIP 8MM
Price
N/A
4044
CAP SCREW M8-1.25 X 10
Price
N/A
4045
ROLL PIN 5 X 45
Price
N/A
4046
SHAFT
Price
N/A
4047
LEVER HUB
$24.60
Enter quantity between 1 and 99
4048
HANDLE
Price
N/A
4049
O-RING 11.2 X 2.65
Price
N/A
4050
Now: PW23M
FLAT WASHER 30MM
Price
N/A
4051
BEVEL DRIVE GEAR 23T ROUND BORE V
$57.95
Enter quantity between 1 and 99
4052
CAP SCREW M5-.8 X 16
Price
N/A
4053
$31.25
Enter quantity between 1 and 99
4054
SET SCREW M5-.8 X 6
Price
N/A
4055
CAP SCREW
$3.65
Enter quantity between 1 and 99
4056
LEVER
$13.40
Enter quantity between 1 and 99
4057
BRACKET
Price
N/A
4058
SPINDLE CONTROLER LEVER
Price
N/A
4058-1
SPINDLE CONTROL BRACKET
$27.00
Enter quantity between 1 and 99
4059
DOWEL PIN 8 X 60MM
$3.65
Enter quantity between 1 and 99
4060
CAP SCREW M6-1 X 16
Price
N/A
4061
GEAR 18T/60T
$120.40
Enter quantity between 1 and 99
4062
$2.25
Enter quantity between 1 and 99
4064
*DISCD*BALL OILER 8MM
Price
N/A
4065
VALVE
$31.25
Enter quantity between 1 and 99
4066
SIGHT GLASS 20MM
Price
N/A
4067
$8.95
Enter quantity between 1 and 99
4068
HALF BRACKET
Price
N/A
4069
STOP
$13.40
Enter quantity between 1 and 99
4070
GEAR SHAFT 14T
$44.60
Enter quantity between 1 and 99
4071
SET SCREW M6-1 X 6
Price
N/A
4072
CAP SCREW M5-.8 X 40
Price
N/A
4073
PLUG
$8.95
Enter quantity between 1 and 99
4074
FORK
$53.50
Enter quantity between 1 and 99
4075
ROLL PIN 4 X 30
Price
N/A
4076
PACKING
$4.50
Enter quantity between 1 and 99
4077
CAP SCREW M4-.7 X 10
Price
N/A
4078
COVER
$22.35
Enter quantity between 1 and 99
4079
SHAFT
$40.15
Enter quantity between 1 and 99
4080
BEVEL DRIVE GEAR 64T
$191.65
Enter quantity between 1 and 99
4081
THRUST WASHER 78MM
$12.10
Enter quantity between 1 and 99
4082
GEAR 18T
Price
N/A
4083
Now: PK10M
KEY 5 X 5 X 12
Price
N/A
4084
BOTTOM PLATE
$82.50
Enter quantity between 1 and 99
4085
PACKING
Price
N/A
4086
*DISCD* O-RING 17 X 2.65
Price
N/A
4087
CAP SCREW M8-1.25 X 60
Price
N/A
4088
GEAR 18T
$31.25
Enter quantity between 1 and 99
4089
Now: P8106
THRUST BEARING 8106
Price
N/A
4090
NEEDLE BEARING
$26.75
Enter quantity between 1 and 99
4091
Now: PR15M
EXT RETAINING RING 30MM
Price
N/A
4092
Now: PS38M
PHLP HD SCR M4-.7 X 10
Price
N/A
4102
HALF NUT
Price
N/A
4103
Now: PB02M
HEX BOLT M6-1 X 12
Price
N/A
4104
Now: PB04M
HEX BOLT M6-1 X 10
Price
N/A
4105
LEVER BUSHING
$6.70
Enter quantity between 1 and 99
4106
FLAT HD SCR M6-1 X 20
Price
N/A
4107
SWITCH BRACKET
$44.60
Enter quantity between 1 and 99
4107-1
HEX BUSHING
$22.35
Enter quantity between 1 and 99
4107-2
SPACER
$1.90
Enter quantity between 1 and 99
4107-3
SPRING
$1.90
Enter quantity between 1 and 99
4107-4
ROLL PIN
$1.90
Enter quantity between 1 and 99
4107-5
SET SCREW -DOG POINT
$1.90
Enter quantity between 1 and 99
4107-6
SET SCREW
$1.90
Enter quantity between 1 and 99
4107-7
$2.60
Enter quantity between 1 and 99
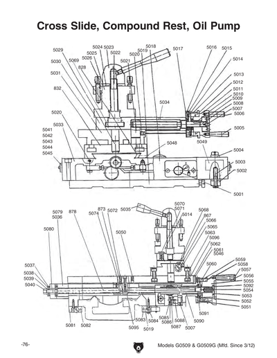
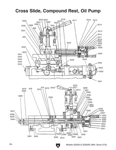
5000
COMPOUND SLIDE ASSEMBLY
$1,314.65
Enter quantity between 1 and 99
5001
PUMP BODY
$53.50
Enter quantity between 1 and 99
5002
CLAMP BLOCK
Price
N/A
5003
SUPPORT SCREW
$2.25
Enter quantity between 1 and 99
5004
CLAMP SCREW
$3.65
Enter quantity between 1 and 99
5005
HANDLE
Price
N/A
5006
HANDLE
Price
N/A
5007
CAP SCREW M6-1 X 8
Price
N/A
5008
FEED SCREW
Price
N/A
5009
PLUG
Price
N/A
5010
Now: PK69M
KEY 4 X 4 X 12
Price
N/A
5011
HANDLE
Price
N/A
5012
DIAL COMPOUND REST
Price
N/A
5013
STEEL BALL 8MM
Price
N/A
5014
COMPRESSION SPRING .5 X 5 X 18
Price
N/A
5015
STEEL BALL 6MM
Price
N/A
5016
SEAT
$44.60
Enter quantity between 1 and 99
5017
Now: P8101
THRUST BEARING 8101
Price
N/A
5018
PLUG
$8.95
Enter quantity between 1 and 99
5019
$53.50
Enter quantity between 1 and 99
5020
SET SCREW M6-1 X 10
Price
N/A
5021
BLOCK NUT
Price
N/A
5022
TOOL POST SHAFT
$31.25
Enter quantity between 1 and 99
5023
*DISCD*CLAMP
Item is no longer available
Price
N/A
5026
TOOLING SCREW M10-1.5 X 50
$8.95
Enter quantity between 1 and 99
5030
COMPOUND REST
Price
N/A
5031
SWIVEL TABLE
$180.50
Enter quantity between 1 and 99
5033
CARRIAGE
Price
N/A
5034
*discd*ball Oiler 6mm
Price
N/A
5035
QUICK CHANGE TOOL POST CLAMP HANDLE
Price
N/A
5036
SET SCREW M8-1.25 X 20
Price
N/A
5037
Now: P8100
THRUST BEARING 8100
Price
N/A
5038
BEARING COVER
$31.25
Enter quantity between 1 and 99
5039
BRACKET
$8.95
Enter quantity between 1 and 99
5040
CLAMPING NUT M10-1.5
$2.25
Enter quantity between 1 and 99
5041
WIPER
Price
N/A
5042
WIPER COVER
$8.95
Enter quantity between 1 and 99
5043
CAP SCREW M5-.8 X 16
Price
N/A
5044
WIPER
Price
N/A
5045
WIPER COVER
$8.95
Enter quantity between 1 and 99
5046
CAP SCREW M5-.8 X 12
Price
N/A
5048
CAP SCREW M8-1.25 X 16
Price
N/A
5049
PLATE
$13.40
Enter quantity between 1 and 99
5050
*DISCD*BALL OILER 8MM
Price
N/A
5051
BRACKET
Price
N/A
5052
CAP SCREW M4-.7 X 10
Price
N/A
5053
CLAMP SCREW
Price
N/A
5054
Now: PS31M
PHLP HD SCR M6-1 X 35
Price
N/A
5055
WHEEL
Price
N/A
5056
HANDLE SPACER
Price
N/A
5057
SHOULDER SCREW
Price
N/A
5058
FEED DIAL
$53.50
Enter quantity between 1 and 99
5059
HANDLE SPACER
$35.70
Enter quantity between 1 and 99
5060
THRUST WASHER
Price
N/A
5061
WIPER COVER
Price
N/A
5062
WIPER
Price
N/A
5063
Now: PN02M
HEX NUT M10-1.5
Price
N/A
5065
SET SCREW M8-1.25 X 8
Price
N/A
5066
STEEL BALL 6MM
Price
N/A
5068
GIB SCREW
$6.70
Enter quantity between 1 and 99
5069
SLEEVE
$8.95
Enter quantity between 1 and 99
5070
BUSHING
$6.70
Enter quantity between 1 and 99
5071
DETENT PIN
$4.50
Enter quantity between 1 and 99
5072
SET SCREW M6-1 X 20
Price
N/A
5074
BRACKET
Price
N/A
5079
BRACKET
$35.70
Enter quantity between 1 and 99
5080
SPACER
$8.95
Enter quantity between 1 and 99
5081
GIB
Price
N/A
5082
GIB
Price
N/A
5083
***USE P05095082***
Price
N/A
5084
CAP SCREW M6-1 X 20
Price
N/A
5085
DOCK WASHER 4MM
$4.50
Enter quantity between 1 and 99
5086
GEAR 25T
$40.15
Enter quantity between 1 and 99
5087
CAP SCREW M5-.8 X 10
Price
N/A
5088
SHAFT
Price
N/A
5090
GEAR SHAFT 16T
Price
N/A
5091
Now: P8103
THRUST BEARING 8103
Price
N/A
5092
Now: PK96M
KEY 3 X 3 X 20
Price
N/A
5095
CAP SCREW M6-1 X 25
Price
N/A
5096
CAP SCREW M10-1.5 X 25
Price
N/A
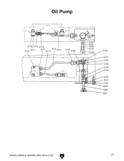
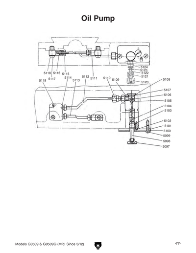
5097
KNOB
$8.95
Enter quantity between 1 and 99
5098
PISTON
$22.35
Enter quantity between 1 and 99
5099
DOME HD SCR M5-.8 X 15
$2.25
Enter quantity between 1 and 99
5100
PUMP INDICATOR PLATE
$8.95
Enter quantity between 1 and 99
5101
PLATE
$17.90
Enter quantity between 1 and 99
5102
FLAT HD SCR M5-.8 X 12
Price
N/A
5103
O-RING 8 X 2.65MM
$2.25
Enter quantity between 1 and 99
5104
COMPRESSION SPRING 1 X 7 X 45
$2.25
Enter quantity between 1 and 99
5105
STEEL BALL 5MM
Price
N/A
5106
COMPRESSION SPRING 0.5 X 4 X 15
$2.25
Enter quantity between 1 and 99
5107
PLUG
$8.95
Enter quantity between 1 and 99
5108
O-RING 11.2 X 1.8MM
$2.25
Enter quantity between 1 and 99
5109
PUMP
$49.10
Enter quantity between 1 and 99
5110
FITTING BRASS
$15.65
Enter quantity between 1 and 99
5111
TUBE JOINT
$31.25
Enter quantity between 1 and 99
5112
LUBE TUBE 5MM
$31.25
Enter quantity between 1 and 99
5113
LUBE TUBE 5MM
Price
N/A
5114
DISTRIBUTOR
$31.25
Enter quantity between 1 and 99
5115
FITTING BRASS
$8.95
Enter quantity between 1 and 99
5116
DOUBLE TAPER SHEATH
$4.50
Enter quantity between 1 and 99
5117
Now: PW04M
FLAT WASHER 10MM
Price
N/A
5118
STEADY REST PORT BOLT
$4.50
Enter quantity between 1 and 99
5119
SET SCREW M4-.7 X 5
Price
N/A
5120
VALVE
$31.25
Enter quantity between 1 and 99
5121
FITTING NUT BRASS
$8.95
Enter quantity between 1 and 99
5122
FITTING BRASS
$8.95
Enter quantity between 1 and 99
5123
LUBE TUBE 6 X 150MM
$42.40
Enter quantity between 1 and 99
5124
FITTING BRASS
$8.95
Enter quantity between 1 and 99
5200
THREAD DIAL ASSEMBLY
$165.00
Enter quantity between 1 and 99
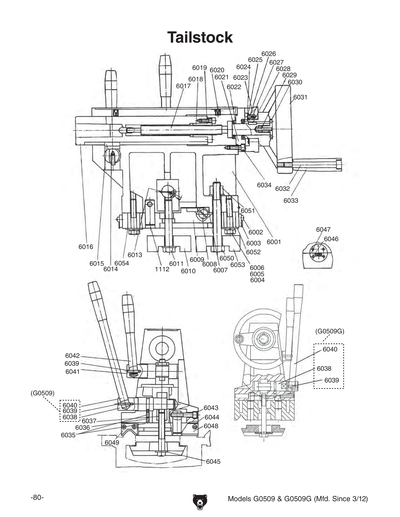
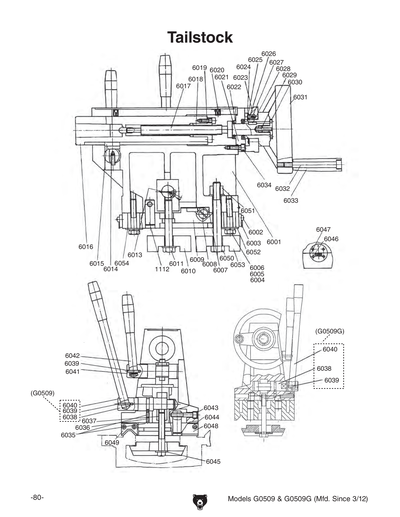
6000
TAILSTOCK ASSEMBLY
$757.60
Enter quantity between 1 and 99
6001
TAILSTOCK
$133.70
Enter quantity between 1 and 99
6002
Now: PS38M
PHLP HD SCR M4-.7 X 10
Price
N/A
6003
BEDWAY WIPER
$8.95
Enter quantity between 1 and 99
6004
HEX BOLT M10-1.5 X 45
Price
N/A
6005
LOCK WASHER 10MM
Price
N/A
6006
LOCK WASHER 10MM
Price
N/A
6007
$57.95
Enter quantity between 1 and 99
6008
GIB SCREW
$4.50
Enter quantity between 1 and 99
6009
TAILSTOCK BASE
$191.95
Enter quantity between 1 and 99
6010
CLAMPING BLOCK
$57.95
Enter quantity between 1 and 99
6011
HEX BOLT M12-1.75 X 100
Price
N/A
6013
ROLL PIN 5 X 16
Price
N/A
6014
SET SCREW M6-1 X 16
Price
N/A
6015
Now: PK08M
KEY 5 X 5 X 16
Price
N/A
6016
QUILL
$167.65
Enter quantity between 1 and 99
6017
FEED SCREW
Price
N/A
6018
FEED NUT
Price
N/A
6019
SET SCREW M6-1 X 16
Price
N/A
6020
*DISCD*BALL OILER 8MM
Price
N/A
6021
BRACKET
$42.40
Enter quantity between 1 and 99
6022
THRUST BEARING 51104
Price
N/A
6023
DIAL
$66.90
Enter quantity between 1 and 99
6024
Now: PR37M
EXT RETAINING RING 32MM
Price
N/A
6025
SEALING RING
$2.25
Enter quantity between 1 and 99
6026
STEEL BALL 6.5MM
Price
N/A
6027
FLAT SPRING 0.6 X 5 X 16MM
$2.25
Enter quantity between 1 and 99
6028
Now: PK23M
KEY 5 X 5 X 25
Price
N/A
6029
SET SCREW M5-.8 X 25
Price
N/A
6030
PLUG
$8.95
Enter quantity between 1 and 99
6031
HAND WHEEL
Price
N/A
6032
SHOULDER BOLT
Price
N/A
6033
HANDLE
Price
N/A
6034
CAP SCREW M5-.8 X 20
Price
N/A
6035
SET SCREW M6-1 X 10
Price
N/A
6036
SET SCREW M6-1 X 10
Price
N/A
6037
ADJUSTING BLOCK
$22.35
Enter quantity between 1 and 99
6038
RECEIVER HUB
$23.40
Enter quantity between 1 and 99
6039
Now: PK23M
KEY 5 X 5 X 25
Price
N/A
6040
LEVER
$22.35
Enter quantity between 1 and 99
6041
SHAFT
$35.70
Enter quantity between 1 and 99
6042
LEVER
$35.70
Enter quantity between 1 and 99
6043
CAP SCREW M8-1.25 X 50
Price
N/A
6044
BEDWAY WIPER
$8.95
Enter quantity between 1 and 99
6045
Now: PW06M
FLAT WASHER 12MM
Price
N/A
6046
RIVET 2 X 8MM
$2.25
Enter quantity between 1 and 99
6047
OFFSET INDICATOR PLATE
$3.65
Enter quantity between 1 and 99
6048
BEDWAY WIPER PLATE
$8.95
Enter quantity between 1 and 99
6049
BEDWAY WIPER PLATE
$8.95
Enter quantity between 1 and 99
6050
Now: PB76M
HEX BOLT M12-1.75 X 110
Price
N/A
6051
HIGH NUT M12-1.75
$2.25
Enter quantity between 1 and 99
6052
Now: PW04M
FLAT WASHER 10MM
Price
N/A
6053
CLAMPING BLOCK
$57.95
Enter quantity between 1 and 99
6054
Now: PW04M
FLAT WASHER 10MM
Price
N/A
7001
ROLL PIN 5 X 26
Price
N/A
7002
SET SCREW M6-1 X 8
Price
N/A
7003
KNURLED KNOB
$17.90
Enter quantity between 1 and 99
7005
SUPPORT SHAFT
$24.60
Enter quantity between 1 and 99
7006
SET SCREW M6-1 X 6
Price
N/A
7007
BALL BEARING 6000-2RS
Price
N/A
7008
BALL BEARING 626ZZ
Price
N/A
7009
SLEEVE
$42.40
Enter quantity between 1 and 99
7010
FLANGE BUSHING
$17.90
Enter quantity between 1 and 99
7011
SCREW SHAFT
$31.25
Enter quantity between 1 and 99
7016
KNURLED THUMB KNOB M10-1.5 X 25
Price
N/A
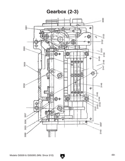
7023
UPPER CASTING
$182.75
Enter quantity between 1 and 99
7024
SLEEVE
Price
N/A
7025
ROLL PIN 5 X 32
Price
N/A
7027
KNURLED KNOB LARGE
$22.35
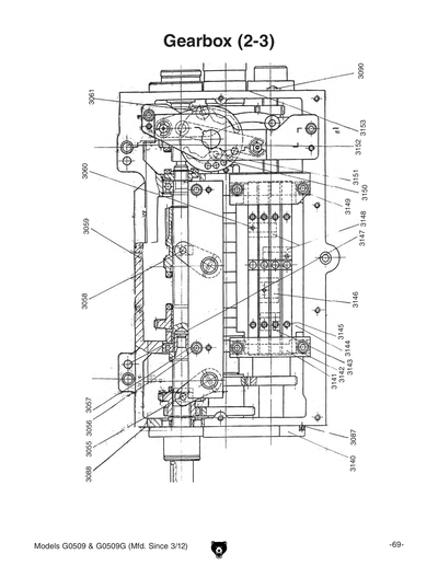
Enter quantity between 1 and 99
7028
CASTING LOWER
$334.25
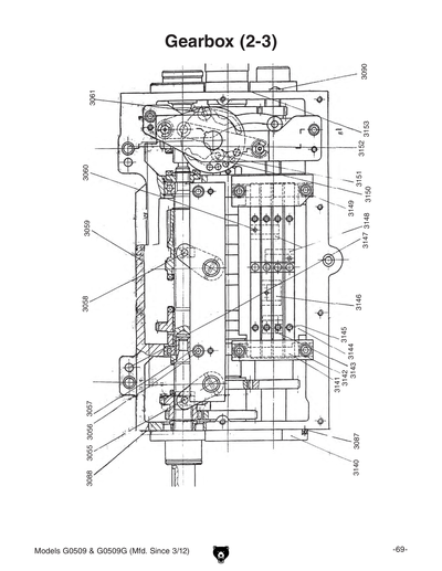
Enter quantity between 1 and 99
7029
Now: PN13M
HEX NUT M16-2
Price
N/A
7030
CLAMPING BRACKET
$57.95
Enter quantity between 1 and 99
7031
Now: PW08M
FLAT WASHER 16MM
Price
N/A
7032
HEX BOLT M16-2 X 80
Price
N/A
7033
DOWEL PIN 10 X 50MM
$4.50
Enter quantity between 1 and 99
7034
ROLL PIN 10 X 50
Price
N/A
7035
CLAMPING SCREW
$13.40
Enter quantity between 1 and 99
7043
FOLLOW REST CASTING
$347.65
Enter quantity between 1 and 99
7047
CAP SCREW M10-1.5 X 40
Price
N/A
7048
Now: PW04M
FLAT WASHER 10MM
Price
N/A
8001
POWER LAMP
$33.45
Enter quantity between 1 and 99
8002
PUMP SWITCH
$53.50
Enter quantity between 1 and 99
8003
EMERGENCY STOP SWITCH
Price
N/A
8004
JOG BUTTON HUI LA103 22MM BLK
Price
N/A
8006
WORK LAMP ASSEMBLY
Price
N/A
8006-1
BULB
Price
N/A
8008
CUTTING COOLANT HOSE
Price
N/A
8009
TAILSTOCK COOLANT KIT
$84.70
Enter quantity between 1 and 99
8010
FUSE HOUSING
Price
N/A
8011
***USE P05098010***
Price
N/A
8012
CONTACTOR SIEMENS 22E 24V
Price
N/A
8012-1
OL RELAY SIEMENS 3UA50 16-25A
Price
N/A
8018
PUMP W/MOTOR 220V 3PH
Price
N/A
8019
PUMP W/MOTOR 220V 3PH
Price
N/A
8019-1
PUMP POWER CORD ASSY
$22.35
Enter quantity between 1 and 99
8020
CIRCUIT BREAKER 50A HUIL DZ451-63 C50 3P
Price
N/A
8021
LIMIT SWITCH
Price
N/A
8022
TERMINAL BLOCK 40-P
$40.15
Enter quantity between 1 and 99
8023
*DISCD*TRANSFORMER V1
Item is no longer available
Price
N/A
8023V2
TRANSFORMER JKB5 120VA 220/415V-24/220V
$260.75
Enter quantity between 1 and 99
8024
MAIN POWER BOX
$147.10
Enter quantity between 1 and 99
8026
MAIN POWER ON/OFF SWITCH
Price
N/A
8027
MOTOR ROTATION LIMIT SWITCH
Price
N/A
8028
SWITCH 2-SPEED
Price
N/A
8029
POWER-IN JUNCTION BOX
$30.35
Enter quantity between 1 and 99
9001
THREADING CHART 4 X 19-1/16"
$29.15
Enter quantity between 1 and 99
9002
GEARBOX PANEL
Price
N/A
9003
SWITCH PANEL
$44.60
Enter quantity between 1 and 99
9004
ENTANGLEMENT SLEEVES LABEL
$7.65
Enter quantity between 1 and 99
9005
RUBBER MAT
Price
N/A
9006
Now: G8589
Nameplate - Large
Price
N/A
9007
MODEL NUMBER LABEL
$16.40
Enter quantity between 1 and 99
9008
THREAD DIAL CHART
$8.95
Enter quantity between 1 and 99
9009
UNLOCK CARRIAGE LABEL
Price
N/A
9010
ELECTRICITY 1.4W X 1.2H
Price
N/A
9011
DISCONNECT POWER-DOOR 2W X 3.3H
Price
N/A
9012
READ MANUAL 2W X 3.3H V2.07.05
Price
N/A
9013
SAFETY GLASSES 2W X 3.3H V2.04.08
Price
N/A
9014
HEADSTOCK PANEL
Price
N/A
9015
DATA LABEL
$66.90
Enter quantity between 1 and 99
9016
ENTANGLEMENT LABEL
$15.35
Enter quantity between 1 and 99
9017
WARNING TAPE
$22.35
Enter quantity between 1 and 99
9018
LIGHT BEIGE REF G4003G
Price
N/A
9019
N/S GRIZZLY GREEN G1023S
Price
N/A
MAN
MANUAL FOR G0509G 05/07
$14.75
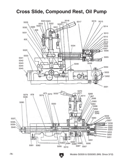
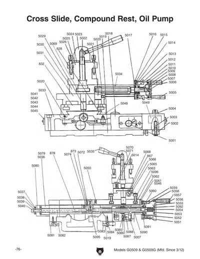
Enter quantity between 1 and 99