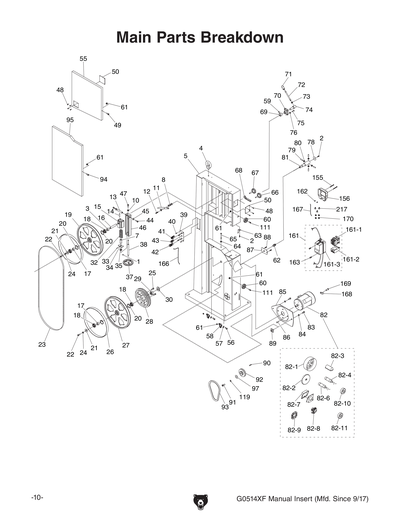
Parts for G0514XF 19" 3 HP Extreme-Series Bandsaw with Foot Brake

Parts Diagrams for G0514XF - 19" 3 HP Extreme-Series Bandsaw with Foot Brake

IMPORTANT

Parts may have multiple versions that have changed over time. This will be indicated by V1, V2, V3, etc. in the parts description, followed by the version month and year that it was first used. Example: V2.01.17 indicates version 2 of a part went into use in January 2017. Please reference the manufacture date on the ID Label for your machine to ensure you are selecting the correct part when multiple versions are indicated.

If you cannot locate your part below, please contact our tech support department at techsupport@grizzly.com or 570-546-9663.

Please note: All parts ship out of our Springfield, Missouri facility.

Parts List for Parts for G0514XF 19" 3 HP Extreme-Series Bandsaw with Foot Brake

1
SET SCREW M6-1 X 10
Price
N/A
2
FLANGE SCREW M5-.8 X 10
Price
N/A
3
BUSHING
Price
N/A
4
LIFTING EYE BOLT M10-1.5
Price
N/A
5
*DISCD*MACHINE BODY
Item is no longer available
Price
N/A
7
BUSHING
Price
N/A
8
Now: PW03M
FLAT WASHER 6MM
Price
N/A
10
Now: PN01M
HEX NUT M6-1
Price
N/A
11
POINTER
Price
N/A
12
STEP SCREW M4-.7 X 5
Price
N/A
13
HINGE SHAFT
Price
N/A
14
ROLL PIN 5 X 36
Price
N/A
15
UPPER WHEEL SHAFT HINGE
Price
N/A
16
UPPER WHEEL SHAFT
Price
N/A
17
BUSHING
Price
N/A
18
BALL BEARING 6204-2RS
Price
N/A
19
UPPER WHEEL 19"
Price
N/A
20
Now: PR25M
INT RETAINING RING 47MM
Price
N/A
21
WHEEL FLAT WASHER 8MM
Price
N/A
22
CAP SCREW M8-1.25 X 16
Price
N/A
23
SAW BLADE 143" X 3/4" X 5MM
Price
N/A
24
LOCK WASHER 8MM
Price
N/A
25
CAP SCREW M8-1.25 X 20
Price
N/A
26
Bandsaw Tire for 19" Bandsaws (Pair)
Price
N/A
27
LOWER WHEEL 19"
Price
N/A
28
WHEEL PULLEY/BRAKE DRUM
Price
N/A
29
Now: PN32
HEX NUT 1-14
Price
N/A
30
Now: PLW09
LOCK WASHER 1"
Price
N/A
32
COMPRESSION SPRING 7 X 8 X 90
Price
N/A
33
ROLL PIN 3 X 16
Price
N/A
34
ALIGNMENT PLATE
Price
N/A
35
THRUST BEARING 51201
Price
N/A
37
HANDWHEEL TYPE-17 137D X 10B-S
Price
N/A
38
***USE P0640X038***
Price
N/A
39
CONTROL PANEL PLATE
Price
N/A
40
TAP SCREW M4 X 10
Price
N/A
41
KEYED POWER SWITCH
Price
N/A
42
ON BUTTON
Price
N/A
43
E-STOP BUTTON 250V 10A
Price
N/A
44
CAP SCREW M8-1.25 X 16
Price
N/A
45
FENDER WASHER 8MM
Price
N/A
46
UPPER WHEEL SLIDING BRACKET
Price
N/A
47
CAP SCREW M8-1.25 X 50
Price
N/A
48
RIVET 3 X 10MM BLIND, STEEL
Price
N/A
49
CAP SCREW M6-1 X 10
Price
N/A
50
CLEAR WINDOW
Price
N/A
55
UPPER WHEEL COVER W/LABELS & WINDOW
Price
N/A
56
CAP SCREW M6-1 X 25
Price
N/A
57
Now: PW03M
FLAT WASHER 6MM
Price
N/A
58
***USE P0566B032***
Price
N/A
59
CAP SCREW M6-1 X 25
Price
N/A
60
STAR KNOB
Price
N/A
61
LOCK NUT M6-1
Price
N/A
62
STRAIN RELIEF TYPE-1 5/8
Price
N/A
63
HEIGHT POINTER
Price
N/A
64
Now: PN03M
HEX NUT M8-1.25
Price
N/A
65
HEX BOLT M8-1.25 X 90
Price
N/A
66
STAR KNOB BOLT M10-1.5 X 20
Price
N/A
67
STAR KNOB BOLT M10-1.5 X 55
Price
N/A
68
THREADED HANDLE M10-1.5
Price
N/A
69
CAM
Price
N/A
70
PILLOW BLOCK
Price
N/A
71
HANDLE M12-1.75
Price
N/A
72
LEVER
Price
N/A
73
Now: PN09M
HEX NUT M12-1.75
Price
N/A
74
LEVER HUB
Price
N/A
75
BUTTON HD CAP SCR M8-1.25 X 20
Price
N/A
76
LOCK WASHER 8MM
Price
N/A
78
SHAFT COVER
Price
N/A
79
SET SCREW M8-1.25 X 20
Price
N/A
80
Now: PN03M
HEX NUT M8-1.25
Price
N/A
81
LOWER WHEEL SHAFT
Item is no longer available
Price
N/A
82
MOTOR 3HP 220V 1-PH
$766.15
Enter quantity between 1 and 99
82-1
MOTOR FAN COVER
$55.55
Enter quantity between 1 and 99
82-10
BALL BEARING 6205ZZ
Price
N/A
82-11
BALL BEARING 6203ZZ
Price
N/A
82-2
MOTOR FAN
Item is no longer available
Price
N/A
82-3
CAPACITOR COVER
Price
N/A
82-4
S CAPACITOR 300M 250V 1-3/4 X 2-1/2
Price
N/A
82-6
R CAPACITOR 60M 250V 1-1/2 X 2-1/2
Price
N/A
82-7
MOTOR JUNCTION BOX
Item is no longer available
Price
N/A
82-8
CENTRIFUGAL SWITCH W/ CONTACT PLATE
Item is no longer available
Price
N/A
82-9
CENTRIFUGAL SWITCH W/ CONTACT PLATE
Price
N/A
83
Now: PB32M
HEX BOLT M10-1.5 X 25
Price
N/A
84
LOCK WASHER 10MM
Price
N/A
85
MOTOR MOUNT BRACKET
Price
N/A
86
BUTTON HD CAP SCR M8-1.25 X 20
Price
N/A
87
STRAIN RELIEF PLATE 2-HOLE
Price
N/A
88
TAP SCREW M4 X 10
Price
N/A
89
PILLOW BLOCK
Price
N/A
90
Now: PK15M
KEY 5 X 5 X 35
Price
N/A
91
Now: PB81M
HEX BOLT M8-1.25 X 20 LH
Price
N/A
92
MOTOR PULLEY
Price
N/A
93
Now: PVA42
V-BELT A42
Price
N/A
94
CAP SCREW M6-1 X 10
Price
N/A
95
LOWER WHEEL COVER W/LABELS
Price
N/A
97
FENDER WASHER 8MM
Price
N/A
98
CAP SCREW M10-1.5 X 35
Price
N/A
99
Now: PN02M
HEX NUT M10-1.5
Price
N/A
103
LOCK WASHER 10MM
Price
N/A
104
Now: PW04M
FLAT WASHER 10MM
Price
N/A
111
CAP SCREW M10-1.5 X 20
Price
N/A
112
Now: PW01M
FLAT WASHER 8MM
Price
N/A
119
Now: PW05M
FLAT WASHER 4MM
Price
N/A
122
LOCK WASHER 8MM
Price
N/A
123
Now: PB03M
HEX BOLT M8-1.25 X 16
Price
N/A
125
FENCE ASSEMBLY
Price
N/A
126
TABLE
Item is no longer available
Price
N/A
127
Table Insert for G0555X, G0457, G0513 Series, G0514 Series and G0640X
Price
N/A
128
TABLE LOCK PIN
Price
N/A
129
CAP SCREW M5-.8 X 10
Price
N/A
130
Now: PW02M
FLAT WASHER 5MM
Price
N/A
131
GUIDE POST COVER
Price
N/A
133
SHOULDER SCREW
Price
N/A
134
WASHER 5MM (PLASTIC)
Price
N/A
135
***USE P0513142***
Price
N/A
143
***USE P0513158***
Price
N/A
144
CAP SCREW M6-1 X 20
Price
N/A
147
BUTTON HD CAP SCR M8-1.25 X 20
Price
N/A
148
LOCK WASHER 8MM
Price
N/A
152
UPPER BLADE GUIDE ASSEMBLY
Price
N/A
153
***USE P0513X151***
Price
N/A
154
MITER GAUGE ASSY
Price
N/A
155
FLANGE SCREW M5-.8 X 50
Price
N/A
156
TERMINAL BOX
Price
N/A
161
MAG SWITCH 220V SDE MA-18
Item is no longer available
Price
N/A
161-1
CONTACTOR SDE MA18 220-240V
$104.95
Enter quantity between 1 and 99
161-2
OL RELAY SDE RA-20 12-18A
Item is no longer available
Price
N/A
161-3
SWITCH BOX
Item is no longer available
Price
N/A
162
Now: PS38M
PHLP HD SCR M4-.7 X 10
Price
N/A
163
Now: PS09M
PHLP HD SCR M5-.8 X 10
Price
N/A
166
MOTOR CORD 14G 3W
Price
N/A
167
CONNECTING CORD
Item is no longer available
Price
N/A
168
CORD CLAMP
Price
N/A
169
FLANGE SCREW M5-.8 X 12
Price
N/A
170
EXT TOOTH WASHER 5MM
Price
N/A
201
MODEL NUMBER LABEL
$1.35
Enter quantity between 1 and 99
202
Now: G8589
Nameplate - Large
Price
N/A
203
DONT OPEN 2W X 3.3H
Price
N/A
204
GUARD ADJ LABEL
Price
N/A
205
SCALE DIRECTIONS LABEL
Price
N/A
206
GLASSES/RESPIRATOR 1.5W X 2.5H
Price
N/A
207
***USE PLABEL-19A***
Price
N/A
208
READ MANUAL 2W X 3.3H V2.07.05
Price
N/A
209
ELECTRICITY 1.4W X 1.2H
Price
N/A
211
UNPLUG BANDSAW 2W X 3.3H
Price
N/A
213
GREY PUTTY REF G0504
Price
N/A
214
TENSION ADJ LABEL
Price
N/A
215
N/S GRIZZLY GREEN G1023S
Price
N/A
216
MACHINE ID LABEL
$16.40
Enter quantity between 1 and 99
217
WIRE NUT 12-18 AWG
Price
N/A
218
Now: PW01M
FLAT WASHER 8MM
Price
N/A
219
FOOT BRAKE SWITCH
Price
N/A
220
Now: PN28
HEX NUT 5-40
Price
N/A
221
SWITCH CORD
Price
N/A
222
FLEXIBLE CORD CONDUIT 1/2" X 42"
Price
N/A
223
GROMMET 11 X 10MM PLASTIC
Price
N/A
224
TAP SCREW M4 X 8
Price
N/A
225
CORD CLIP 5/8"
Price
N/A
226
Now: PS51M
PHLP HD SCR M4-.7 X 30
Price
N/A
227
RUBBER CLIP
Price
N/A
228
FOOT BRAKE LEVER
Price
N/A
229
STEP BOLT M7-1 X 10 W/BUSHING
Price
N/A
230
CAP SCREW M6-1 X 16
Price
N/A
231
BRAKE EXTENSION SPRING
Price
N/A
232
Now: PN01M
HEX NUT M6-1
Price
N/A
233
NYLON PAD
Price
N/A
234
FOOT PAD
Price
N/A
235
LOCK WASHER 6MM
Price
N/A
236
BUSHING
Price
N/A
237
BRAKE SHOE
Price
N/A
238
CAP SCREW M6-1 X 25
Price
N/A
239
CAP SCREW M8-1.25 X 25
Price
N/A
240
LOCK WASHER 8MM
Price
N/A
241
Now: PW01M
FLAT WASHER 8MM
Price
N/A
242
BUSHING
Price
N/A
243
Now: PB08M
HEX BOLT M6-1 X 20
Price
N/A
244
CAP SCREW M6-1 X 16
Price
N/A
245
GUIDE POST ASSEMBLY
$102.95
Enter quantity between 1 and 99
246
BLADE QUICK-RELEASE LABEL
Item is no longer available
Price
N/A
247
LOWER WHEEL NOTICE
Item is no longer available
Price
N/A
248
Now: H7942
Extreme Series Nameplate
Price
N/A
249
GRIZZLY.COM LABEL 10",GREEN
Price
N/A
MANUAL
MANUAL G0514X-X3 MFG 01/06-04/09 V1
Price
N/A