Parts for G0526 6" x 60" Jointer w/ V-Helical Cutterhead

Parts Diagrams for G0526 - 6" x 60" Jointer w/ V-Helical Cutterhead

IMPORTANT

Parts may have multiple versions that have changed over time. This will be indicated by V1, V2, V3, etc. in the parts description, followed by the version month and year that it was first used. Example: V2.01.17 indicates version 2 of a part went into use in January 2017. Please reference the manufacture date on the ID Label for your machine to ensure you are selecting the correct part when multiple versions are indicated.

If you cannot locate your part below, please contact our tech support department at techsupport@grizzly.com or 570-546-9663.

Please note: All parts ship out of our Springfield, Missouri facility.

Parts List for Parts for G0526 6" x 60" Jointer w/ V-Helical Cutterhead

1
BASE
$184.50
Enter quantity between 1 and 99
1V2
BASE
$273.30
Enter quantity between 1 and 99
2
INFEED TABLE
$157.95
Enter quantity between 1 and 99
2V2
INFEED TABLE V2.12.22
Price
N/A
3
*DISCD*OUTFEED TABLE
Item is no longer available
Price
N/A
3V2
OUTFEED/ INFEED TABLE/ BASE ASSY
Price
N/A
4
$1.60
Enter quantity between 1 and 99
4V2
GIB
Price
N/A
5
TABLE LOCK HANDLE
$4.60
Enter quantity between 1 and 99
5V2
TABLE LOCK HANDLE
Price
N/A
6
Now: PSS01
SET SCREW 5/16-18 X 1
Price
N/A
6V2
Now: PSS01
SET SCREW 5/16-18 X 1
Price
N/A
7
Now: PN02
HEX NUT 5/16-18
Price
N/A
7V2
Now: PN02
HEX NUT 5/16-18
Price
N/A
8
TABLE ADJUST ROD
$10.65
Enter quantity between 1 and 99
8V2
PIVOT SHAFT 19 X 178MM
Price
N/A
9
HANDWHEEL
$27.20
Enter quantity between 1 and 99
9A
HANDWHEEL HANDLE
$17.85
Enter quantity between 1 and 99
9V2
HANDWHEEL TYPE-21 123D X 20-B X 5/16-18
Price
N/A
10
Now: PSS11
SET SCREW 1/4-20 X 1/4
Price
N/A
10V2
Now: PSS11
SET SCREW 1/4-20 X 1/4
Price
N/A
11
LOCK COLLAR
$4.60
Enter quantity between 1 and 99
11V2
LOCK COLLAR
Price
N/A
12
TABLE ADJUST LEVER
$16.05
Enter quantity between 1 and 99
12V2
OUTFEED TABLE LEADSCREW
Price
N/A
14
BELT GUARD
Price
N/A
14V2
BELT GUARD
Price
N/A
15
Now: PW07
FLAT WASHER 5/16
Price
N/A
15V2
Now: PW07
FLAT WASHER 5/16
Price
N/A
16
LEADSCREW BRACKET
$7.25
Enter quantity between 1 and 99
16V2
LEADSCREW BRACKET
Price
N/A
17V2
Now: PS04
PHLP HD SCR 1/4-20 X 1/2
Price
N/A
18
CUTTERHEAD GUARD
$16.05
Enter quantity between 1 and 99
18V2
CUTTERHEAD GUARD V2.12.22
Price
N/A
19
GUARD TORSION PIN
$9.10
Enter quantity between 1 and 99
19V2
GUARD SHAFT V2.12.22
Price
N/A
20
SPRING PLATE
Price
N/A
21
SPRING 22.3 X 24
Price
N/A
21V2
TORSION SPRING 2 X 17 X 15 V2.12.22
Price
N/A
22
*DISCD*SPRING HOUSING
Price
N/A
22V2
Now: PW04M
FLAT WASHER 10MM
Price
N/A
23
HOUSING MOUNT
Price
N/A
23V2
Now: PR01M
EXT RETAINING RING 10MM
Price
N/A
24
Now: PS25
PHLP HD SCR 8-32 X 5/8
Price
N/A
24V2
Now: PW06
FLAT WASHER 1/4
Price
N/A
25
CAP SCREW 5/16-18 X 1
Price
N/A
25V2
CAP SCREW 5/16-18 X 1
Price
N/A
26
SCALE
Price
N/A
26V2
DEPTH-OF-CUT SCALE
Price
N/A
27
POINTER
$1.60
Enter quantity between 1 and 99
27V2
POINTER
Price
N/A
28
RIVET 2 X 5
$1.60
Enter quantity between 1 and 99
28V2
RIVET 2 X 5 NAMEPLATE
Price
N/A
29
*DISCD*FENCE SUPPORT
Price
N/A
29V2
CARRIAGE SUPPORT
Price
N/A
30
Now: PB24
HEX BOLT 3/8-16 X 1-1/4
Price
N/A
30V2
Now: PB24
HEX BOLT 3/8-16 X 1-1/4
Price
N/A
31
SPACER
$1.60
Enter quantity between 1 and 99
32
KEY 3/8 X 3/8 X 9 W/HOLE
$2.75
Enter quantity between 1 and 99
32V2
Now: PK16
KEY 3/8 X 3/8 X 9
Price
N/A
33
ROLL PIN 4 X 12
Price
N/A
33V2
ROLL PIN 4 X 12
Price
N/A
34
Now: PW02
FLAT WASHER 3/8
Price
N/A
34V2
Now: PW02
FLAT WASHER 3/8
Price
N/A
35
Now: PS23
PHLP HD SCR 8-32 X 1/4
Price
N/A
35V2
Now: PS23
PHLP HD SCR 8-32 X 1/4
Price
N/A
36
Now: PB23
HEX BOLT 5/16-18 X 2-1/2
Price
N/A
36V2
Now: PB23
HEX BOLT 5/16-18 X 2-1/2
Price
N/A
39
LOCK HANDLE 5/16 MALE
$7.90
Enter quantity between 1 and 99
40
Now: PW07
FLAT WASHER 5/16
Price
N/A
40V2
Now: PW07
FLAT WASHER 5/16
Price
N/A
41
Now: PW03
FLAT WASHER #10
Price
N/A
41V2
Now: PW03
FLAT WASHER #10
Price
N/A
42
Now: PS01
PHLP HD SCR 10-24 X 1/2
Price
N/A
42V2
Now: PS01
PHLP HD SCR 10-24 X 1/2
Price
N/A
43
Now: PW01
FLAT WASHER 1/2
Price
N/A
43V2
Now: PW01
FLAT WASHER 1/2
Price
N/A
49
SET SCREW M5-.8 X 8
Price
N/A
49V2
SET SCREW M6-1 X 20
Price
N/A
51
Now: PB19
HEX BOLT 1/4-20 X 1/2
Price
N/A
51V2
Now: PB19
HEX BOLT 1/4-20 X 1/2
Price
N/A
52
Now: PW06
FLAT WASHER 1/4
Price
N/A
52V2
Now: PW06
FLAT WASHER 1/4
Price
N/A
53
DUST PORT
$6.20
Enter quantity between 1 and 99
55
CUTTERHEAD GUARD LABEL 4.1W X 2.2H
Price
N/A
58V2
REVOLVING HANDLE 5/16-18, 3/4 X 3-1/4
Price
N/A
101
FENCE
$138.90
Enter quantity between 1 and 99
101V2
FENCE
Price
N/A
102
PIVOT SPRING STUD
$3.65
Enter quantity between 1 and 99
102V2
PIVOT STUD 1/2-20 X 5/8
Price
N/A
103
FENCE HINGE
$12.40
Enter quantity between 1 and 99
103V2
FENCE HINGE
Price
N/A
104
Now: PSS13
SET SCREW 3/8-16 X 1-1/2
Price
N/A
104V2
SET SCREW 3/8-16 X 1-1/2 CONE-PT
Price
N/A
105
Now: PSS01
SET SCREW 5/16-18 X 1
Price
N/A
105V2
Now: PN08
HEX NUT 3/8-16
Price
N/A
106
TILT LEVER
Price
N/A
106V2
TILT LEVER
Price
N/A
107
KNOB
Price
N/A
107V2
KNOB
Price
N/A
108
Now: PFH30
FLAT HD CAP SCR 1/4-20 X 1-3/4
Price
N/A
108V2
FLAT HD CAP SCR 5/16-18 X 1-5/8
Price
N/A
109
FENCE BRACKET
$3.05
Enter quantity between 1 and 99
109V2
FENCE BRACKET
Price
N/A
110
FENCE STOP BRACKET
$2.75
Enter quantity between 1 and 99
110V2
FENCE STOP BRACKET
Price
N/A
111
FENCE BRACKET HEX HD BOLT 5/16-18
Price
N/A
111V2
SHOULDER BOLT 5/16-18 X 112, 3/8 X 3/4
Price
N/A
112
Now: PN19
HEX NUT 7/16-14
Price
N/A
112V2
Now: PN19
HEX NUT 7/16-14
Price
N/A
113
FENCE ADJUSTMENT ROD
$4.30
Enter quantity between 1 and 99
113V2
STANDOFF STUD 7/16-14 X 1-1/4, 5/8-18,
Price
N/A
114
FENCE TILT CLAMP
$4.30
Enter quantity between 1 and 99
114V2
FENCE TILT CLAMP
Price
N/A
115
STOP TAB 90DEG
Price
N/A
115V2
STOP TAB-90 DEG
Price
N/A
116
ROLL PIN 4 X 12
Price
N/A
116V2
ROLL PIN 4 X 12
Price
N/A
117
FENCE BASE HEX HD BOLT 1/4-20 X 3/8
$1.60
Enter quantity between 1 and 99
117V2
SHOULDER BOLT 5/16-18 X 3/8, 1/4 X 3/8
Price
N/A
118
STOP TAB
$1.60
Enter quantity between 1 and 99
118V2
SWING STOP
Price
N/A
119
JAM NUT 5/8-18
$1.60
Enter quantity between 1 and 99
119V2
Now: PN09
HEX NUT 5/8-18
Price
N/A
120
FENCE TILT SLEEVE
$1.60
Enter quantity between 1 and 99
120V2
FENCE TILT BUSHING
Price
N/A
121
FENCE BASE
$28.75
Enter quantity between 1 and 99
121V2
FENCE CARRIAGE
Price
N/A
122
Now: PW01
FLAT WASHER 1/2
Price
N/A
122V2
Now: PW01
FLAT WASHER 1/2
Price
N/A
123
LOCK HANDLE 1/2-12 X 1-1/4
$11.50
Enter quantity between 1 and 99
123V2
FENCE LOCK 1/2-12 X 1-1/8
Price
N/A
124
FENCE BASE NUT 1/2-12
Price
N/A
124V2
FENCE TILT LOCK NUT 1/2-12
Price
N/A
125
Now: PB03
HEX BOLT 5/16-18 X 1
Price
N/A
125V2
Now: PB03
HEX BOLT 5/16-18 X 1
Price
N/A
126
Now: PN02
HEX NUT 5/16-18
Price
N/A
126V2
Now: PN02
HEX NUT 5/16-18
Price
N/A
127
Now: PB22
HEX BOLT 5/16-18 X 1-3/4
Price
N/A
127V2
Now: PB22
HEX BOLT 5/16-18 X 1-3/4
Price
N/A
128
FENCE LOCK BRACKET
$13.60
Enter quantity between 1 and 99
128V2
FENCE LOCK BRACKET
Price
N/A
129
Now: PS04
PHLP HD SCR 1/4-20 X 1/2
Price
N/A
129V2
Now: PS04
PHLP HD SCR 1/4-20 X 1/2
Price
N/A
130
Now: PW06
FLAT WASHER 1/4
Price
N/A
130V2
Now: PW06
FLAT WASHER 1/4
Price
N/A
131
POST
$3.95
Enter quantity between 1 and 99
131V2
SUPPORT PIN 1/4 X 1/2 (PLASTIC)
Price
N/A
132
Now: PN01
HEX NUT 1/2-20
Price
N/A
132V2
Now: PN01
HEX NUT 1/2-20
Price
N/A
133
Now: PW01
FLAT WASHER 1/2
Price
N/A
133V2
Now: PW01
FLAT WASHER 1/2
Price
N/A
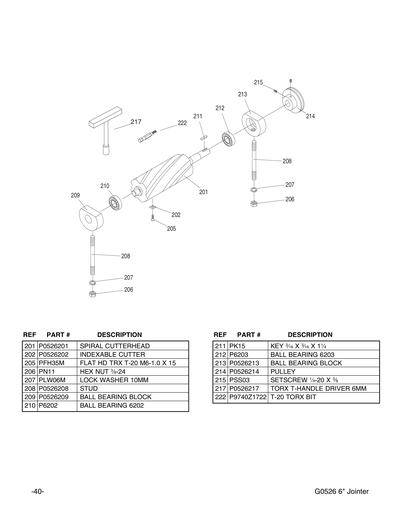
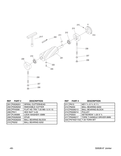
201
SPIRAL CUTTERHEAD
$692.55
Enter quantity between 1 and 99
201A
CUTTERHEAD ASSY
$538.00
Enter quantity between 1 and 99
201V2
V-HELICAL CUTTERHEAD ASSEMBLY 6"
Price
N/A
202
Now: H7319
Indexable Carbide Inserts - 14 x 14 x 2mm, 10-Pk.
Price
N/A
202V2
Now: H9893
Indexable Carbide Insert - 15 x 15 x 2.5mm, 10-Pk.
Price
N/A
203V2
FLAT HD TORX T20 M6-1 X 15
Price
N/A
204V2
T-HANDLE BIT DRIVER 1/4"
Price
N/A
205
FLAT HD TORX T20 M6-1 X 15
Price
N/A
205V2
Now: PBT01
TORX BIT T-20
Price
N/A
206
Now: PN11
HEX NUT 3/8-24
Price
N/A
206V2
Now: PN11
HEX NUT 3/8-24
Price
N/A
207
LOCK WASHER 10MM
Price
N/A
207V2
Now: PLW04
LOCK WASHER 3/8
Price
N/A
208
STUD
$3.65
Enter quantity between 1 and 99
208V2
STUD-SE 3/18-16 X 3-1/2, 3/4"
Price
N/A
209
BALL BEARING BLOCK
$9.40
Enter quantity between 1 and 99
209V2
BEARING BLOCK (LEFT)
Price
N/A
210
BALL BEARING 6202ZZ
Price
N/A
210V2
BALL BEARING 6202-2RS
Price
N/A
211
Now: PK15
KEY 3/16 X 3/16 X 1-1/4
Price
N/A
211V2
KEY 5 X 5 X 30 RE
Price
N/A
212
BALL BEARING 6203ZZ
Price
N/A
212V2
BALL BEARING 6203-2RS
Price
N/A
213
BALL BEARING BLOCK
$9.40
Enter quantity between 1 and 99
213V2
BEARING BLOCK (RIGHT)
Price
N/A
214
PULLEY
$10.65
Enter quantity between 1 and 99
214V2
CUTTERHEAD PULLEY
Price
N/A
215
Now: PSS03
SET SCREW 1/4-20 X 3/8
Price
N/A
215V2
Now: PSS03
SET SCREW 1/4-20 X 3/8
Price
N/A
217
WRENCH T-HANDLE TORX 6MM
Price
N/A
221
CHEATER BAR FOR T-20 BIT
Price
N/A
222
T-20 TORX BIT
Price
N/A
301
CABINET STAND
$282.30
Enter quantity between 1 and 99
301A
COMPLETE CABINET STAND ASSY BOX 2
$437.45
Enter quantity between 1 and 99
301V2
CABINET STAND
Price
N/A
302
CABINET DOOR
$27.80
Enter quantity between 1 and 99
302V2
REAR ACCESS PANEL
Price
N/A
303
KNOB 3/8-16
$1.60
Enter quantity between 1 and 99
303V2
Now: PS24
PHLP HD SCR 8-32 X 3/8
Price
N/A
304
LATCH
$1.60
Enter quantity between 1 and 99
304V2
Now: PW02M
FLAT WASHER 5MM
Price
N/A
305
Now: PN02
HEX NUT 5/16-18
Price
N/A
305V2
STRAIN RELIEF TYPE-3 MG20A
Price
N/A
306
Now: PW07
FLAT WASHER 5/16
Price
N/A
306V2
Now: PW07
FLAT WASHER 5/16
Price
N/A
307
TAP SCREW #8 X 1/2
Price
N/A
307V2
TAP SCREW #8 X 1/2
Price
N/A
308
BACK SWITCH PLATE
$20.55
Enter quantity between 1 and 99
308V2
BACK PANEL
Price
N/A
309
*DISCD*SWITCH BOX
Item is no longer available
Price
N/A
309V2
SWITCH HOUSING
Price
N/A
310
PEDESTAL
$3.95
Enter quantity between 1 and 99
310V2
SWITCH PLATE
Price
N/A
311A
ON SWITCH ASSY
$18.15
Enter quantity between 1 and 99
311AV2
ON BUTTON TAICHUAN 110/220V
Price
N/A
311B
LIGHT INDICATOR ASSY
$16.05
Enter quantity between 1 and 99
311BV2
INDICATOR LIGHT NHD NLD-22 110/220V
Price
N/A
311C
OFF SWITCH ASSY
$9.40
Enter quantity between 1 and 99
311CV2
E-STOP BUTTON TAICHUAN
Price
N/A
312
Now: PB02
HEX BOLT 1/4-20 X 5/8
Price
N/A
312V2
Now: PB02
HEX BOLT 1/4-20 X 5/8
Price
N/A
313
Now: PW06
FLAT WASHER 1/4
Price
N/A
313V2
Now: PW06
FLAT WASHER 1/4
Price
N/A
314
PEDESTAL MOUNT
$55.55
Enter quantity between 1 and 99
314V2
PEDESTAL BRACKET
Price
N/A
315
Now: PB03
HEX BOLT 5/16-18 X 1
Price
N/A
315V2
Now: PB03
HEX BOLT 5/16-18 X 1
Price
N/A
316
*DISCD*MAG SWITCH 110V MA-15
Item is no longer available
Price
N/A
316V2
MAG SWITCH ASSY 110V
Price
N/A
316V2-1
CONTACTOR NHD C-09D 220V
Price
N/A
316V2-2
OL RELAY NHD NTH-21 17-21A
Price
N/A
316XV2
MAG SWITCH ASSY 220V
Price
N/A
316XV2-1
CONTACTOR NHD C-09D 220V
Price
N/A
316XV2-2
OL RELAY NHD NTH-11 8-11A
Price
N/A
317
MOTOR PULLEY
$8.80
Enter quantity between 1 and 99
317V2
MOTOR PULLEY
Price
N/A
318
Now: PSS03
SET SCREW 1/4-20 X 3/8
Price
N/A
318V2
Now: PSS03
SET SCREW 1/4-20 X 3/8
Price
N/A
319
Now: PVA54
V-BELT A54
Price
N/A
319V2
Now: PVA36
V-BELT A36
Price
N/A
320
MOTOR 1.5HP 110V/220V 1-PH
$217.35
Enter quantity between 1 and 99
320-1
FAN COVER
$14.85
Enter quantity between 1 and 99
320-2
$3.65
Enter quantity between 1 and 99
320-3
WIRING COVER
$7.90
Enter quantity between 1 and 99
320-4
S CAPACITOR 300M 125V 1-3/4 X 3-3/8
Price
N/A
320-5
CAPACITOR COVER
$2.75
Enter quantity between 1 and 99
320V2
MOTOR 1.5HP 110/220V 1-PH
Price
N/A
320V2-1
MOTOR FAN
Price
N/A
320V2-2
MOTOR FAN COVER
Price
N/A
320V2-3
JUNCTION BOX
Price
N/A
320V2-4
S CAPACITOR 300MFD 125V 2 X 4-1/8
Price
N/A
320V2-5
CAPACITOR COVER
Price
N/A
320V2-6
CENTRIFUGAL SWITCH 21 2587
Price
N/A
320V2-7
CONTACT PLATE 27 X 69 X CPT 7MM
Price
N/A
320V2-8
BALL BEARING 6203-2RS
Price
N/A
320V2-9
BALL BEARING 6202-2RS
Price
N/A
321
Now: PK04
KEY 3/16 X 3/16 X 1-3/4
Price
N/A
321V2
KEY 5 X 5 X 30 RE
Price
N/A
322
Now: PS01
PHLP HD SCR 10-24 X 1/2
Price
N/A
322V2
Now: PS21M
PHLP HD SCR M4-.7 X 15
Price
N/A
323
Now: PW03
FLAT WASHER #10
Price
N/A
324
Now: PN07
HEX NUT 10-24
Price
N/A
325
STRAIN RELIEF
$1.60
Enter quantity between 1 and 99
327
MOTOR BRACKET
$26.00
Enter quantity between 1 and 99
327V2
MOTOR BRACKET
$36.60
Enter quantity between 1 and 99
328
POWER CORD 16G X 3W 24"L
Price
N/A
328V2
MOTOR CORD 14G 3W 19" V2.03.23
Price
N/A
329
POWER CORD 16G X 3W 73"L
Price
N/A
329V2
CONTROL PANEL CORD 4W 47"
Price
N/A
330
CONTROL CORD
$16.95
Enter quantity between 1 and 99
330V2
POWER CORD 14G 3W 86" 5-15P V2.03.23
Price
N/A
331
Now: PB07
HEX BOLT 5/16-18 X 3/4
Price
N/A
331V2
Now: PCB01
CARRIAGE BOLT 5/16-18 X 5/8
Price
N/A
332
Now: PW07
FLAT WASHER 5/16
Price
N/A
332V2
Now: PW07
FLAT WASHER 5/16
Price
N/A
333
Now: PN02
HEX NUT 5/16-18
Price
N/A
333V2
Now: PN02
HEX NUT 5/16-18
Price
N/A
334
MACHINE ID/WARNING LABEL
$16.40
Enter quantity between 1 and 99
334V2
Now: W1001
Jointer Dust Hood
Price
N/A
335
Now: G8588
Nameplate - Small
Price
N/A
338
WRENCH 8 X 10MM OPEN-ENDS
Price
N/A
338V2
WRENCH 8 X 10MM OPEN-ENDS
Price
N/A
339
WRENCH 12 X 14MM OPEN-ENDS
Price
N/A
339V2
WRENCH 12 X 14MM OPEN-ENDS
Price
N/A
340
HEX WRENCH 3MM
Price
N/A
340V2
HEX WRENCH 3MM
Price
N/A
341
PUSH PADDLE GRIZZLY
$12.40
Enter quantity between 1 and 99
341V2
PUSH BLOCK
Price
N/A
342
Now: PLW04
LOCK WASHER 3/8
Price
N/A
342V2
Now: PLW04
LOCK WASHER 3/8
Price
N/A
343
Now: PB21
HEX BOLT 3/8-16 X 3/4
Price
N/A
343V2
Now: PB21
HEX BOLT 3/8-16 X 3/4
Price
N/A
344
Now: PW06
FLAT WASHER 1/4
Price
N/A
345
Now: PS04
PHLP HD SCR 1/4-20 X 1/2
Price
N/A
346
Now: PB65
HEX BOLT 3/8-16 X 5/8
Price
N/A
348
Now: PW02
FLAT WASHER 3/8
Price
N/A
349
MAG SWITCH 220V MA-9
$124.40
Enter quantity between 1 and 99
350V2
WHEEL (BLACK) V2.03.19
Price
N/A
351
SAFETY GLASSES 2W X 3.3H V2.04.08
Price
N/A
351V2
HEX BOLT 3/8-24 X 60
Price
N/A
352
READ MANUAL 2W X 3.3H V2.07.05
Price
N/A
352V2
Now: PN11
HEX NUT 3/8-24
Price
N/A
354
ELECTRICITY 1.4W X 1.2H
Price
N/A
360V2
FOOT PEDAL ASSEMBLY V2.03.19
Price
N/A
361V2
PEDAL
Price
N/A
362V2
PEDAL BRACKET
Price
N/A
363V2
TROLLEY BRACKET (UPPER)
Price
N/A
364V2
TROLLEY BRACKET (LOWER)
Price
N/A
365V2
CLEVIS PIN, HEADLESS-GROOVED
Price
N/A
366V2
*DISCD*FLAT WASHER 13 X 27 X 3MM
Price
N/A
367V2
E-CLIP 12MM
Price
N/A
368V2
Now: PB06
HEX BOLT 5/16-18 X 2
Price
N/A
369V2
Now: PW07
FLAT WASHER 5/16
Price
N/A
370V2
Now: PB121
HEX BOLT 5/16-18 X 4
Price
N/A
371V2
Now: PW07
FLAT WASHER 5/16
Price
N/A
372V2
Now: PLN03
LOCK NUT 5/16-18
Price
N/A
376V2
Now: PB35
HEX BOLT 3/8-16 X 2-1/2
Price
N/A
377V2
Now: PW02
FLAT WASHER 3/8
Price
N/A
378V2
Now: PN08
HEX NUT 3/8-16
Price
N/A
380V2
FOOT 3/8-16 X 2
Price
N/A
381V2
Now: PW02
FLAT WASHER 3/8
Price
N/A
382V2
Now: PN08
HEX NUT 3/8-16
Price
N/A
383V2
Now: PB15
HEX BOLT 5/16-18 X 3/8
Price
N/A
408V2
GREEN TAPE 100 X 1620MM
Price
N/A
501V2
MACHINE ID LABEL
$16.40
Enter quantity between 1 and 99
502V2
CUTTERHEAD EXPOSURE WARNING LABEL
Price
N/A
503V2
ELECTRICITY 1.4W X 1.2H
Price
N/A
504V2
DISCONNECT 110V 1.5W X 2.5H
Price
N/A
505V2
CUTTERHEAD WARNING LABEL
Price
N/A
506V2
EYE/EAR/LUNG 1.5W X 2.5H
Price
N/A
507V2
MODEL NUMBER LABEL
$16.40
Enter quantity between 1 and 99
508V2
***USE PGZCOM-9E***
Price
N/A
509V2
GREEN & BLACK SERIES LABEL
$6.80
Enter quantity between 1 and 99
510V2
ANNIV EDITION BLACK REF G0555LANV
Price
N/A
511V2
READ MANUAL 1.5W X 2.5H
Price
N/A
512V2
N/S GRIZZLY GREEN G1023S
Price
N/A
BAG1
SPIRAL CUTTERHEAD BAG
$64.95
Enter quantity between 1 and 99
BAG2
JOINTER MOUNTING HARDWARE BAG
$7.90
Enter quantity between 1 and 99
BAG3
PEDESTAL SWITCH HARDWARE BAG
$10.00
Enter quantity between 1 and 99
BAG4
HARDWARE BAG LARGE
$48.65
Enter quantity between 1 and 99
BAG5
HANDWHEEL BAG
$73.40
Enter quantity between 1 and 99
BAG6
CUTTERHEAD GUARD BAG
$27.20
Enter quantity between 1 and 99
BAG7
DUST PORT BAG
$20.85
Enter quantity between 1 and 99
MANUAL
MANUAL FOR G0526 10/03
$14.65
Enter quantity between 1 and 99
MANV2
MANUAL G0526 MFD-06.24+ V1.07.24
$22.80
Enter quantity between 1 and 99