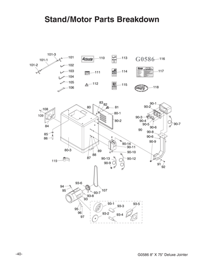
Parts for G0586 8" Jointer w/2 HP Motor

Parts Diagrams for G0586 - 8" Jointer w/2 HP Motor

IMPORTANT

Parts may have multiple versions that have changed over time. This will be indicated by V1, V2, V3, etc. in the parts description, followed by the version month and year that it was first used. Example: V2.01.17 indicates version 2 of a part went into use in January 2017. Please reference the manufacture date on the ID Label for your machine to ensure you are selecting the correct part when multiple versions are indicated.

If you cannot locate your part below, please contact our tech support department at techsupport@grizzly.com or 570-546-9663.

Please note: All parts ship out of our Springfield, Missouri facility.

Parts List for Parts for G0586 8" Jointer w/2 HP Motor

1
FENCE LOCK HANDLE
$5.50
Enter quantity between 1 and 99
2
WASHER 7 X 29 X 3MM
$1.85
Enter quantity between 1 and 99
3
FENCE BRACKET
$48.60
Enter quantity between 1 and 99
4
ROLL PIN 4 X 14
$1.85
Enter quantity between 1 and 99
5
STOP TAB
$1.75
Enter quantity between 1 and 99
6
FENCE SHOULDER BOLT 5/16-18 X 5/8
$1.85
Enter quantity between 1 and 99
7
FENCE
$188.15
Enter quantity between 1 and 99
7A
*DISCD*COMPLETE FENCE ASSY
Item is no longer available
Price
N/A
8
SWIVEL SHAFT
$3.40
Enter quantity between 1 and 99
9
Now: PN02
HEX NUT 5/16-18
Price
N/A
10
Now: PB12
HEX BOLT 5/16-18 X 1-1/4
Price
N/A
11
FENCE LOCK NUT
$2.20
Enter quantity between 1 and 99
12
COVER
$4.60
Enter quantity between 1 and 99
13
Now: PW03
FLAT WASHER #10
Price
N/A
14
Now: PS06
PHLP HD SCR 10-24 X 3/8
Price
N/A
15
*DISCD*TOOTH GIB
Item is no longer available
Price
N/A
16
Now: PS01
PHLP HD SCR 10-24 X 1/2
Price
N/A
17
SHOULDER BOLT 9.5 X 5/16 -18NC, 39.2
$1.85
Enter quantity between 1 and 99
18
TAB BLOCK
$1.85
Enter quantity between 1 and 99
19
SPACING COLLAR
$2.20
Enter quantity between 1 and 99
20
Now: PN09
HEX NUT 5/8-18
Price
N/A
21
PIVOT NUT
$5.50
Enter quantity between 1 and 99
22
SHOULDER STUD
$6.70
Enter quantity between 1 and 99
23
Now: PB22
HEX BOLT 5/16-18 X 1-3/4
Price
N/A
24
Now: PN19
HEX NUT 7/16-14
Price
N/A
25
STOP TAB
$2.25
Enter quantity between 1 and 99
26
FENCE BLOCK
Price
N/A
27
FENCE HINGE
$12.10
Enter quantity between 1 and 99
28
CONE POINT SET SCREW 3/8-16 X 1-1/2
$2.05
Enter quantity between 1 and 99
29
Now: PN08
HEX NUT 3/8-16
Price
N/A
30
*DISCD*DOG PT SET SCR 3/8-16 X 1-1/2
Item is no longer available
Price
N/A
31
Now: PB76
HEX BOLT 5/16-18 X 1-5/8
Price
N/A
32
Now: PN01
HEX NUT 1/2-20
Price
N/A
33
ROUND FEMALE KNOB
Price
N/A
34
STUD-DE 3/8-16 X 3-1/8, 3/8
Price
N/A
35
Now: PW02
FLAT WASHER 3/8
Price
N/A
36
CAP SCREW 3/8-16 X 1-1/2
Price
N/A
37
TABLE BRACKET
$60.70
Enter quantity between 1 and 99
38
FENCE KEY
$3.20
Enter quantity between 1 and 99
39
BUSHING
Item is no longer available
Price
N/A
40
WORM GEAR
$9.40
Enter quantity between 1 and 99
41
BALL BEARING 6000ZZ
Price
N/A
42
ROLL PIN 3 X 20
Price
N/A
43
Now: PR20M
INT RETAINING RING 28MM
Price
N/A
44
Now: PR03M
EXT RETAINING RING 12MM
Price
N/A
45
Now: PSS11
SET SCREW 1/4-20 X 1/4
Price
N/A
46
HANDWHEEL
$9.40
Enter quantity between 1 and 99
46-1
HANDLE
Item is no longer available
Price
N/A
47
*DISCD*WORM GEAR
Item is no longer available
Price
N/A
48
*DISCD*BRACKET
Item is no longer available
Price
N/A
49
Now: PS22
PHLP HD SCR 10-24 X 5/8
Price
N/A
50
Now: PLW03
LOCK WASHER #10
Price
N/A
51
TABLE ASSEMBLY
Item is no longer available
Price
N/A
51-1
INFEED TABLE
$287.70
Enter quantity between 1 and 99
51-10
TABLE BRACKET
$12.10
Enter quantity between 1 and 99
51-11
Now: PLW04
LOCK WASHER 3/8
Price
N/A
51-12
CAP SCREW 3/8-16 X 1-1/4
Price
N/A
51-13
WORM GEAR
$9.40
Enter quantity between 1 and 99
51-14
Now: PK01M
KEY 5 X 5 X 22
Price
N/A
51-15
BRACKET
Item is no longer available
Price
N/A
51-16
CAP SCREW 1/2-12 X 1-3/4
Price
N/A
51-17
Now: PSS03
SET SCREW 1/4-20 X 3/8
Price
N/A
51-18
COLLAR
$2.05
Enter quantity between 1 and 99
51-2
Now: PLW07
LOCK WASHER 1/2
Price
N/A
51-3
$3.40
Enter quantity between 1 and 99
51-4
*DISCD*BASE
Item is no longer available
Price
N/A
51-5
Now: PSS01
SET SCREW 5/16-18 X 1
Price
N/A
51-6
Now: PN02
HEX NUT 5/16-18
Price
N/A
51-7
OUTFEED TABLE
$284.95
Enter quantity between 1 and 99
51-8
CAP SCREW 5/16-18 X 1/2
Price
N/A
51-9
Now: PW07
FLAT WASHER 5/16
Price
N/A
52
CUTTERHEAD PULLEY
$8.80
Enter quantity between 1 and 99
53
Now: PSS02
SET SCREW 5/16-18 X 3/8
Price
N/A
54
*DISCD*BEARING HOUSING
Item is no longer available
Price
N/A
55
BALL BEARING 6204ZZ
Price
N/A
56
Now: PK01M
KEY 5 X 5 X 22
Price
N/A
57
*DISCD*CUTTERHEAD
Item is no longer available
Price
N/A
57-1
COMPRESSION SPRING
$3.20
Enter quantity between 1 and 99
57-2
JACK SCREW
$1.85
Enter quantity between 1 and 99
57-3
KNIFE 4PC
$62.55
Enter quantity between 1 and 99
57-4
KNIFE GIB
$6.70
Enter quantity between 1 and 99
57-5
GIB BOLT M6-.9 X 7
$1.85
Enter quantity between 1 and 99
58
STUD-DE 5/16-24 X 4-3/4 5/8RH
$2.20
Enter quantity between 1 and 99
59
Now: PW02
FLAT WASHER 3/8
Price
N/A
60
Now: PN08
HEX NUT 3/8-16
Price
N/A
61
BASE DOUBLE END STUD
Item is no longer available
Price
N/A
62
BELT COVER
Price
N/A
63
ROUND KNOB 5/16-18
$2.05
Enter quantity between 1 and 99
64
Now: PR48M
EXT RETAINING RING 11MM
Price
N/A
65
CUTTERHEAD GUARD
Price
N/A
66
ROLL PIN 6 X 36
Price
N/A
67
TORSION SPRING
$1.85
Enter quantity between 1 and 99
68
*DISCD*PIVOT SHAFT
Item is no longer available
Price
N/A
69
ROLL PIN 5 X 28
Price
N/A
70
*DISCD*SWIVELING LOCK HANDLE 1/4-18 X 1"
Item is no longer available
Price
N/A
71
STEEL BALL 6MM
Price
N/A
72
DEPTH SCALE
$2.05
Enter quantity between 1 and 99
72-1
RIVET 2 X 4MM NAMEPLATE, COPPER
Price
N/A
73
HANDWHEEL 6"
$25.10
Enter quantity between 1 and 99
73-1
HANDLE
$16.05
Enter quantity between 1 and 99
74
Now: PW07
FLAT WASHER 5/16
Price
N/A
75
Now: PS38
PHLP HD SCR 5/16-18 X 1/2
Price
N/A
76
DEPTH POINTER
Item is no longer available
Price
N/A
77
Now: PS23
PHLP HD SCR 8-32 X 1/4
Price
N/A
78
GUARD LOCK HANDLE
$3.40
Enter quantity between 1 and 99
79
*DISCD*RABBET TABLE
Item is no longer available
Price
N/A
80
*DISCD*STD ASSY W/MTOR 2HP 110V/220V 1PH
Item is no longer available
Price
N/A
80-1
COVER
$19.10
Enter quantity between 1 and 99
80-2
SEAL
$1.85
Enter quantity between 1 and 99
80-3
CABINET STAND
Item is no longer available
Price
N/A
81
STAR KNOB 3/8-16 X 7/8
$2.20
Enter quantity between 1 and 99
82
LATCH
$2.20
Enter quantity between 1 and 99
83
Now: PN08
HEX NUT 3/8-16
Price
N/A
84
DUST PORT
$4.60
Enter quantity between 1 and 99
85
Now: PLW04
LOCK WASHER 3/8
Price
N/A
86
CABINET STAND MOUNTING BOLT
$3.40
Enter quantity between 1 and 99
87
Now: PN06M
HEX NUT M5-.8
Price
N/A
88
Now: PW02M
FLAT WASHER 5MM
Price
N/A
89
Now: PS06M
PHLP HD SCR M5-.8 X 20
Price
N/A
90
PEDESTAL SWITCH ASSY
$171.50
Enter quantity between 1 and 99
90-1
SWITCH BOX
$22.15
Enter quantity between 1 and 99
90-10
STRAIN RELIEF M15 TYPE-6 ST
$5.50
Enter quantity between 1 and 99
90-11
MAGNETIC SWITCH 220V
$86.40
Enter quantity between 1 and 99
90-11A
SWITCH 110V
$136.45
Enter quantity between 1 and 99
90-12
POWER CORD 12G X 3W 86"L
Price
N/A
90-13
POWER CORD 12G X 3W 36"L
Price
N/A
90-14
SWITCH COVER SCREW PLASTIC
$2.20
Enter quantity between 1 and 99
90-15
COMPLETE SWITCH BOX ASSY
$56.80
Enter quantity between 1 and 99
90-2
*DISCD*SWITCH PANEL
Item is no longer available
Price
N/A
90-3
STOP SWITCH
Price
N/A
90-4
POWER INDICATOR LIGHT 220V 22MM RED
Price
N/A
90-5
START SWITCH TE XB4-BA31
$31.75
Enter quantity between 1 and 99
90-6
Now: PS09M
PHLP HD SCR M5-.8 X 10
Price
N/A
90-7
CONTROL CORD 18AWG X 5C
$22.05
Enter quantity between 1 and 99
90-8
PEDESTAL ARM
$34.80
Enter quantity between 1 and 99
90-9
RELIEF SB8R-3
$2.05
Enter quantity between 1 and 99
91
Now: PW01M
FLAT WASHER 8MM
Price
N/A
92
Now: PB09M
HEX BOLT M8-1.25 X 20
Price
N/A
93
MOTOR 2HP 110V/220V 1-PH
$272.05
Enter quantity between 1 and 99
93-1
FAN COVER
$13.80
Enter quantity between 1 and 99
93-2
*DISCD*FAN
Item is no longer available
Price
N/A
93-3
CAPACITOR COVER
Item is no longer available
Price
N/A
93-4
S CAPACITOR 400M 125V 1-3/4 X 3-3/8
Price
N/A
93-5
JUNCTION BOX
$7.20
Enter quantity between 1 and 99
93-6
MOTOR PULLEY
$13.95
Enter quantity between 1 and 99
93-7
Now: PSS15
SET SCREW 3/8-16 X 3/8
Price
N/A
93-8
Now: PK12M
KEY 5 X 5 X 30
Price
N/A
94
CAP SCREW 5/16-18 X 1
Price
N/A
95
Now: PW07
FLAT WASHER 5/16
Price
N/A
96
Now: PLW01
LOCK WASHER 5/16
Price
N/A
97
Now: PN02
HEX NUT 5/16-18
Price
N/A
101
KNIFE SETTING JIG ASSY
Item is no longer available
Price
N/A
101-1
KNIFE SETTING JIG ROD
$3.20
Enter quantity between 1 and 99
101-2
KNIFE SETTING JIG FOOT
$3.40
Enter quantity between 1 and 99
101-3
E-CLIP 9MM
Price
N/A
102
HEX WRENCH 3MM
Price
N/A
103
HEX WRENCH 4MM
Price
N/A
104
HEX WRENCH 5MM
Price
N/A
105
WRENCH 8 X 10MM OPEN-ENDS
Price
N/A
106
WRENCH 12 X 14MM OPEN-ENDS
Price
N/A
107
Now: PVM40
V-BELT M40 3L400
Price
N/A
108
Now: PS07
PHLP HD SCR 1/4-20 X 3/8
Price
N/A
109
Now: PW06
FLAT WASHER 1/4
Price
N/A
110
GRIZZLY LOGO-FLAT METALLIC
$2.75
Enter quantity between 1 and 99
111
*DISCD*CUTTERHEAD GUARD WARNING
Item is no longer available
Price
N/A
112
ELECTRICITY 1.4W X 1.2H
Price
N/A
113
SAFETY GLASSES 2W X 3.3H V2.04.08
Price
N/A
114
*DISCD*PUSH BLOCKS WARNING
Item is no longer available
Price
N/A
115
READ MANUAL 2W X 3.3H V2.07.05
Price
N/A
116
MODEL NUMBER LABEL
Item is no longer available
Price
N/A
117
MACHINE ID LABEL
Item is no longer available
Price
N/A
118
Now: G8588
Nameplate - Small
Price
N/A
119
GREEN TAPE 48 X 2000MM
$9.40
Enter quantity between 1 and 99
BAG1
*DISCD*KNIFE SETTING JIG HARDWARE BAG
Item is no longer available
Price
N/A
BAG2
TOOLS & FASTENER HARDWARE BAG
$15.25
Enter quantity between 1 and 99
BAG3
PEDESTAL & SWITCH HARDWARE BAG
$3.20
Enter quantity between 1 and 99
MANUAL
MANUAL FOR G0586 06/05
$14.65
Enter quantity between 1 and 99
PART
MISC PART FOR THE G0586
Item is no longer available
Price
N/A