Parts for G0609X 12" x 84" Jointer w/ Spiral Cutterhead

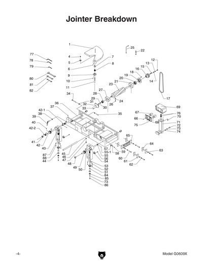
Parts Diagrams for G0609X - 12" x 84" Jointer w/ Spiral Cutterhead

IMPORTANT

Parts may have multiple versions that have changed over time. This will be indicated by V1, V2, V3, etc. in the parts description, followed by the version month and year that it was first used. Example: V2.01.17 indicates version 2 of a part went into use in January 2017. Please reference the manufacture date on the ID Label for your machine to ensure you are selecting the correct part when multiple versions are indicated.

If you cannot locate your part below, please contact our tech support department at techsupport@grizzly.com or 570-546-9663.

Please note: All parts ship out of our Springfield, Missouri facility.

Parts List for Parts for G0609X 12" x 84" Jointer w/ Spiral Cutterhead

1
CUTTERHEAD GUARD
Price
N/A
4
FLAT HD SCR M8-1.25 X 16
Price
N/A
5
CUTTERHEAD GUARD FLAT WASHER
Price
N/A
6
SET SCREW M6-1 X 12
Price
N/A
7
ADAPTER
Price
N/A
8
TORSION SPRING
Price
N/A
9
SHAFT COLLAR
Price
N/A
10
SET SCREW M6-1 X 12
Price
N/A
11
SHAFT
Price
N/A
12
CUTTERHEAD PULLEY SCREW
Price
N/A
13
LOCK WASHER 10MM
Price
N/A
14
Now: PW04M
FLAT WASHER 10MM
Price
N/A
15
Now: PK111
KEY 8 X 8 X 60
Price
N/A
16
CAST IRON CUTTERHEAD PULLEY V1.01.09
Price
N/A
16V2
ALUMINUM CUTTERHEAD PULLEY V2.03.09
Price
N/A
17
Now: PVA54
V-BELT A54
Price
N/A
17V2
RIBBED V-BELT 8PK-1371 V2.03.09
Price
N/A
18
CAP SCREW M6-1 X 20
Price
N/A
19
BEARING COVER
Price
N/A
20
BALL BEARING 6206ZZ
Price
N/A
21
BEARING SUPPORT
Price
N/A
22
DRIVER BIT TORX T20
Price
N/A
23
SPIRAL CUTTERHEAD 12" V1
$2,021.50
Enter quantity between 1 and 99
23V2
SPIRAL CUTTERHEAD 12" V2.04.15
Item is no longer available
Price
N/A
24
Indexable Carbide Inserts - 14.18 x 14.18 x 2mm, 10-Pk.
Price
N/A
24V2
Now: H7319
Indexable Carbide Inserts - 14 x 14 x 2mm, 10-Pk.
Price
N/A
25
L-WRENCH TORX T20
Price
N/A
26
INSERT SCREW TORX T20 M6-1 X 15
Price
N/A
27
BEARING SUPPORT
Price
N/A
28
BALL BEARING 6204-2RS
Price
N/A
29
Now: PW01M
FLAT WASHER 8MM
Price
N/A
30
CUTTERHEAD SCREW
Price
N/A
31
Now: PN02M
HEX NUT M10-1.5
Price
N/A
32
BEARING COVER
Price
N/A
33
CAP SCREW M6-1 X 20
Price
N/A
34
HEX BOLT M10-1.5 X 150
Price
N/A
35
SET SCREW M10-1.5 X 60
Price
N/A
36
BASE
Price
N/A
37
SET SCREW M6-1 X 12
Price
N/A
38
Now: PW04M
FLAT WASHER 10MM
Price
N/A
39
LOCK HANDLE
Price
N/A
40
SET SCREW M6-1 X 8
Price
N/A
41
ECCENTRIC BUSHING
Price
N/A
42
SHAFT
Price
N/A
42-1
LEFT TORSION SPRING
Price
N/A
42-2
RIGHT TORSION SPRING
Price
N/A
43
STOP BLOCK
Price
N/A
44
Now: PR21M
INT RETAINING RING 35MM
Price
N/A
45
SHAFT
Price
N/A
46
LOCK WASHER 10MM
Price
N/A
47
Now: PB32M
HEX BOLT M10-1.5 X 25
Price
N/A
48
BUSHING
Price
N/A
49
WORM GEAR
Price
N/A
50
Now: PK12M
KEY 5 X 5 X 30
Price
N/A
51
GEAR
Price
N/A
52
WORM
Price
N/A
53
Now: PK37M
KEY 4 X 4 X 16
Price
N/A
54
SLIDE STOP BLOCK
Price
N/A
55
SLIDE STOP BLOCK
Price
N/A
55-1
SET SCREW M8-1.25 X 10
Price
N/A
56
BASE FLAT SCREW
Price
N/A
57
POINTER
Price
N/A
58
Now: PW02M
FLAT WASHER 5MM
Price
N/A
59
Now: PS09M
PHLP HD SCR M5-.8 X 10
Price
N/A
60
Now: PB73M
HEX BOLT M10-1.5 X 50
Price
N/A
61
CLAMP BLOCK
Price
N/A
62
LOCK WASHER 10MM
Price
N/A
63
Now: PW04M
FLAT WASHER 10MM
Price
N/A
64
CLAMPING BLOCK (OUTER)
Price
N/A
65
CLAMP PLATE
Price
N/A
66
TAP SCREW M4 X 8
Price
N/A
67
*DISCD*STOP BUTTON 1 ARROW V1
Price
N/A
67V2
E-STOP BUTTON W/3 ARROW NHD NLB22-R V2
Price
N/A
68
*DISCD*START BUTTON SOLID V1
Price
N/A
68V2
START BUTTON CLEAR V2.01.11
Price
N/A
69
SWITCH BOX
Price
N/A
70
FLANGE SCREW M6-1 X 16
Price
N/A
71
SWITCH BOX BRACKET
Price
N/A
72
Now: PB32M
HEX BOLT M10-1.5 X 25
Price
N/A
73
LOCK WASHER 10MM
Price
N/A
74
Now: PW04M
FLAT WASHER 10MM
Price
N/A
75
CONTROL PANEL PLATE
Price
N/A
76
STRAIN RELIEF M20 TYPE-6 ST
Price
N/A
77
HEX WRENCH 10MM
Price
N/A
78
HEX WRENCH 8MM
Price
N/A
79
HEX WRENCH 3MM
Price
N/A
80
WRENCH 17 X 19MM OPEN-ENDS
Price
N/A
81
WRENCH 12 X 14MM OPEN-ENDS
Price
N/A
82
WRENCH 10 X 12MM OPEN-ENDS
Price
N/A
83
T-HANDLE WRENCH 4MM
Price
N/A
84
BUSHING
Price
N/A
85
BALL BEARING 6202ZZ
Price
N/A
86
Now: PB06M
HEX BOLT M8-1.25 X 12
Price
N/A
87
Now: PW03M
FLAT WASHER 6MM
Price
N/A
88
Now: PB02M
HEX BOLT M6-1 X 12
Price
N/A
101
LEFT TABLE
Price
N/A
102
LEFT TABLE LIP
Price
N/A
103
LOCK WASHER 10MM
Price
N/A
104
CAP SCREW M10-1.5 X 35
Price
N/A
105
SHAFT
Price
N/A
106
RIGHT TABLE
Price
N/A
107
RIGHT TABLE LIP
Price
N/A
108
CAP SCREW M10-1.5 X 35
Price
N/A
109
LOCK WASHER 10MM
Price
N/A
110
RABBETING ARM
Price
N/A
111
CAP SCREW M10-1.5 X 30
Price
N/A
112
LOCK WASHER 10MM
Price
N/A
113
DEPTH SCALE
Price
N/A
114
RIVET 2 X 4MM NAMEPLATE, STEEL
Price
N/A
115
Now: PW03M
FLAT WASHER 6MM
Price
N/A
116
CAP SCREW M6-1 X 10
Price
N/A
117
DUST DEFLECTOR
Price
N/A
118
CAP SCREW M5-.8 X 25
Price
N/A
119
STOP BLOCK
Price
N/A
120
BAR
Price
N/A
201
FENCE BRACKET
Price
N/A
202
Now: PW06M
FLAT WASHER 12MM
Price
N/A
203
LOCK WASHER 12MM
Price
N/A
204
CAP SCREW M12-1.75 X 30
Price
N/A
205
SLIDING RAIL
Price
N/A
206
CAP SCREW M5-.8 X 14
Price
N/A
207
SLIDING BRACKET
Price
N/A
210
BLOCK
Price
N/A
211
Now: PW01M
FLAT WASHER 8MM
Price
N/A
212
Now: PB07M
HEX BOLT M8-1.25 X 25
Price
N/A
213
COLLAR
Price
N/A
214
SET SCREW M8-1.25 X 12
Price
N/A
215
SET SCREW M6-1 X 12
Price
N/A
216
Now: PB30M
HEX BOLT M8-1.25 X 55
Price
N/A
217
Now: PN03M
HEX NUT M8-1.25
Price
N/A
218
COLLAR
Price
N/A
219
ECCENTRIC SHAFT
Price
N/A
220
HANDLE ROD
Price
N/A
221
HANDLE
Price
N/A
222
SLIDING BUSHING ASSY
Price
N/A
223
Now: PW06M
FLAT WASHER 12MM
Price
N/A
224
FENCE BRACKET HEX NUT M12-1.75
Price
N/A
225
LEFT BRACKET
Price
N/A
226
PIN
Price
N/A
227
HANDLE
Price
N/A
228
HANDLE ROD
Price
N/A
229
Now: PN09M
HEX NUT M12-1.75
Price
N/A
230
FENCE
Price
N/A
231
CLAMP
Price
N/A
232
CAP SCREW M10-1.5 X 25
Price
N/A
233
LOCK LEVER ASSY
Price
N/A
234
LOCK LEVER FLAT WASHER 13 X 35 X 3
Price
N/A
235
DOUBLE END THREADED ROD
Price
N/A
236
ROLL PIN 5 X 20
Price
N/A
237
ACORN NUT M12-1.75 PINNED
Price
N/A
238
SUPPORT BRACKET
Price
N/A
239
Now: PB09M
HEX BOLT M8-1.25 X 20
Price
N/A
240
Now: PN03M
HEX NUT M8-1.25
Price
N/A
241
RIGHT BRACKET
Price
N/A
242
Now: PN03M
HEX NUT M8-1.25
Price
N/A
243
Now: PB20M
HEX BOLT M8-1.25 X 35
Price
N/A
245
RIVET 2 X 5MM NAMEPLATE, STEEL
Price
N/A
301
LEFT ACCESS DOOR
Price
N/A
301-1
BUTTON HD CAP SCR M6-1 X 20
Price
N/A
301-2
Now: PW03M
FLAT WASHER 6MM
Price
N/A
302
DUST HOOD
Price
N/A
302-1
BUTTON HD CAP SCR M6-1 X 10
Price
N/A
304
TAP SCREW M4 X 8
Price
N/A
305
CABINET
Price
N/A
306
RUBBER WASHER 8MM
Price
N/A
307
SET SCREW M8-1.25 X 15
Price
N/A
308
PULLEY COVER
Price
N/A
309
TENSION ROD
Price
N/A
310
Now: PW06M
FLAT WASHER 12MM
Price
N/A
311
Now: PN09M
HEX NUT M12-1.75
Price
N/A
312
TENSION PLATE
Price
N/A
313
HEX BOLT M10-1.5 X 45
Price
N/A
314
Now: PW04M
FLAT WASHER 10MM
Price
N/A
315
MOTOR 3HP 1PH 240V 60HZ V1.06.06
Price
N/A
315-1
Now: PK33M
KEY 5 X 5 X 45
Price
N/A
315-1V2
Now: PK33M
KEY 5 X 5 X 45
Price
N/A
315-2
MOTOR FAN COVER V1.06.06
Price
N/A
315-2V2
MOTOR FAN COVER V1
Price
N/A
315-3
MOTOR FAN V1.06.06
Price
N/A
315-3V2
MOTOR FAN V1
Price
N/A
315-4
CENTRIFUGAL SWITCH V1.06.06
Price
N/A
315-4V2
CENT SWITCH 5/8-3450
Price
N/A
315-5
S CAPACITOR 200M 250V 1-9/16 X 3-9/16
Price
N/A
315-5V2
S CAPACITOR 250M 250V 1-3/4 X 3-1/2 V2
Price
N/A
315-6
R CAPACITOR 20M 450V 1-9/16 X 2-3/4
Price
N/A
315-6V2
R CAP 40M 450V 1-1/2 X 3-1/2 V2.05.08
Price
N/A
315-7
JUNCTION BOX V1.06.06
Price
N/A
315-7V2
JUNCTION BOX V2.05.08
Price
N/A
315A
MOTOR 3HP 240V 1-PH V2.03.08
Price
N/A
315A-1
Now: PK33M
KEY 5 X 5 X 45
Price
N/A
315A-2
MOTOR FAN COVER V2.03.08
Price
N/A
315A-3
MOTOR FAN V2.03.08
Price
N/A
315A-4
CENT SWITCH 5/8-3450
Price
N/A
315A-5
S CAPACITOR 200M 250V 1-9/16 X 3-9/16
Price
N/A
315A-6
R CAPACITOR 20M 400V V2.03.08
Price
N/A
315A-7
JUNCTION BOX V2.03.08
Price
N/A
315V2
MOTOR 3HP 220V 1-PH V2.05.08
Item is no longer available
Price
N/A
315V2-10
CONTACT PLT-TUNGSTEN 5HP OR LESS
Price
N/A
315V2-11
WASHER 8.38 X 29.88 X 29.88MM
Item is no longer available
Price
N/A
315V2-12
Now: PB09M
HEX BOLT M8-1.25 X 20
Price
N/A
315V2-8
BALL BEARING 6205ZZ
Price
N/A
315V2-9
BALL BEARING 6203ZZ
Price
N/A
316
CAST IRON MOTOR PULLEY V1.01.09
Price
N/A
316V2
ALUMINUM MOTOR PULLEY V2.03.09
Price
N/A
317
SET SCREW M10-1.5 X 16
Price
N/A
318
MOTOR BRACKET
Price
N/A
319
Now: PN09M
HEX NUT M12-1.75
Price
N/A
320
Now: PN02M
HEX NUT M10-1.5
Price
N/A
321
PULLEY COVER LOCK KNOB
Price
N/A
322
BUTTON HD CAP SCR M6-1 X 20
Price
N/A
323
RIGHT ACCESS DOOR
Price
N/A
324
LATCH HEX NUT M6-1
Price
N/A
325
Now: PW03M
FLAT WASHER 6MM
Price
N/A
326
ADAPTOR
Price
N/A
327
LATCH
Price
N/A
328
SMALL PANEL GASKET
Price
N/A
329
CAP SCREW M10-1.25 X 25
Price
N/A
330
LOCK WASHER 10MM
Price
N/A
331
CONTROL PANEL CORD GASKET
Price
N/A
332
CAP SCREW M6-1 X 10
Price
N/A
333
Now: PW03M
FLAT WASHER 6MM
Price
N/A
334
*DISCD*MAGNETIC SWITCH V1
Price
N/A
334-1
Now: PS06M
PHLP HD SCR M5-.8 X 20
Price
N/A
334-2
CONTACTOR 12D 230V
Price
N/A
334-3
MAG SWITCH COVER ASSEMBLY
Price
N/A
334-4
OL RELAY NHD NTH-17 14-17A
Price
N/A
334-5
MAG SWITCH COVER ASSEMBLY
Price
N/A
334V2
MAGNETIC SWITCH V2.01.11
Price
N/A
335
SWITCH PLATE
Price
N/A
336
Now: PW02M
FLAT WASHER 5MM
Price
N/A
337
Now: PN06M
HEX NUT M5-.8
Price
N/A
338
SET SCREW M6-1 X 8
Price
N/A
339
COLLAR
Price
N/A
340
SPIRAL GEAR SHAFT
Price
N/A
341
Now: PR29M
INT RETAINING RING 32MM
Price
N/A
342
BALL BEARING 6206ZZ
Price
N/A
343
BEARING SUPPORT
Price
N/A
344
FLAT HD SCR M6-1 X 8
Price
N/A
345
FLANGE SCREW M6-1 X 16
Price
N/A
346
HANDWHEEL
Price
N/A
347
ROLL PIN 4 X 10
Price
N/A
348
Now: PN09M
HEX NUT M12-1.75
Price
N/A
349
Now: PW06M
FLAT WASHER 12MM
Price
N/A
350
FOLDING HANDLE
Price
N/A
351
Now: PK34M
KEY 5 X 5 X 20
Price
N/A
352
Now: W1400
Safety Push Block - Small
Price
N/A
356V2
POWER CORD 12G 3W 72" 6-20P V2.08.12
Price
N/A
401
MACHINE ID LABEL NO-CSA V1
Item is no longer available
Price
N/A
401V2
MACHINE ID LABEL CSA V2.08.12
Item is no longer available
Price
N/A
402
CUTTERHEAD WARNING LABEL
Price
N/A
403
CUTTERHEAD GUARD LABEL 4.1W X 2.2H
Price
N/A
404
ELECTRICITY 1.4W X 1.2H
Price
N/A
405
CONTROL PANEL PLATE
Price
N/A
406
SAFETY GLASSES 2W X 3.3H V2.04.08
Price
N/A
407
READ MANUAL 2W X 3.3H V2.07.05
Price
N/A
408
Now: G8589
Nameplate - Large
Price
N/A
409
GRIZZLY NAME PLATE-LARGE
$19.00
Enter quantity between 1 and 99
410
MODEL NUMBER LABEL
Item is no longer available
Price
N/A
411
*DISCD*UNPLUG POWER 220-440 LABEL
Price
N/A
412
N/S GRIZZLY GREEN G1023S
Price
N/A
413
GREY PUTTY REF G0504
Price
N/A
414
GREY PUTTY REF G0504
Price
N/A
415
DIRECTION LABEL FOR OUTFEED TABLE
Item is no longer available
Price
N/A
MAN
MANUAL G0609 MFG 07/12 V2.07.12
Price
N/A
MANV2
MANUAL G0609 MFG 07/12 V2.07.12
Price
N/A