Parts for G0641 Double Cut-Off Miter Saw

Parts Diagrams for G0641 - Double Cut-Off Miter Saw

IMPORTANT

Parts may have multiple versions that have changed over time. This will be indicated by V1, V2, V3, etc. in the parts description, followed by the version month and year that it was first used. Example: V2.01.17 indicates version 2 of a part went into use in January 2017. Please reference the manufacture date on the ID Label for your machine to ensure you are selecting the correct part when multiple versions are indicated.

If you cannot locate your part below, please contact our tech support department at techsupport@grizzly.com or 570-546-9663.

Please note: All parts ship out of our Springfield, Missouri facility.

Parts List for Parts for G0641 Double Cut-Off Miter Saw

1
SAFETY HOOD
Item is no longer available
Price
N/A
2
GUARD FRONT
Item is no longer available
Price
N/A
3
Now: PW01M
FLAT WASHER 8MM
Price
N/A
4
WING SCREW M8-1.25 X 20
Item is no longer available
Price
N/A
5
WING SCREW M6-1 X 16
Item is no longer available
Price
N/A
6
TRANSPARENT GUARD CENTER
Item is no longer available
Price
N/A
7
Now: PB83M
HEX BOLT M6-1 X 16
Price
N/A
8
Now: PW03M
FLAT WASHER 6MM
Price
N/A
9
TRANSPARENT GUARD SIDE
Item is no longer available
Price
N/A
10
HOLD DOWN BRACKET
Item is no longer available
Price
N/A
11
INNER GUARD
Item is no longer available
Price
N/A
12
Now: PB09M
HEX BOLT M8-1.25 X 20
Price
N/A
13
COMPLETE TABLE & CABINET ASSY
Price
N/A
13A
COMPLETE TABLE & CABINET ASSY
Item is no longer available
Price
N/A
14
Now: PB02M
HEX BOLT M6-1 X 12
Price
N/A
15
PNEUMATIC SWITCH BRACKET
Item is no longer available
Price
N/A
16
CAP SCREW M4-.7 X 25
Price
N/A
17
Now: PB03M
HEX BOLT M8-1.25 X 16
Price
N/A
18
Now: PW01M
FLAT WASHER 8MM
Price
N/A
19
CABINET ACCESS PANEL
Item is no longer available
Price
N/A
20
CAP SCREW M8-1.25 X 16
Price
N/A
21
Now: PB10M
HEX BOLT M6-1 X 25
Price
N/A
22
PNEUMATIC ACCESS DOOR
Item is no longer available
Price
N/A
23
PNEUMATIC CONTROL BOX
Item is no longer available
Price
N/A
24
DOOR LATCH
Item is no longer available
Price
N/A
25
COMPLETE TABLE & CABINET ASSY
Price
N/A
26
DUST PORT 4"
Item is no longer available
Price
N/A
27
CAP SCREW M5-.8 X 10
Price
N/A
28
COMPLETE CABINET FRAME FRNT W/PLATE ASSY
Price
N/A
28A
COMPLETE CABINET FRAME FRNT W/PLATE ASSY
Item is no longer available
Price
N/A
29
Now: H8588
113" x 3/4" x .032" x 6 TPI Pos Claw Bandsaw Blade
Price
N/A
30
Now: PS21M
PHLP HD SCR M4-.7 X 15
Price
N/A
31
COMPLETE CABINET FRAME FRNT W/PLATE ASSY
Price
N/A
32
Now: PS08M
PHLP HD SCR M5-.8 X 12
Price
N/A
101
Now: PVM37
V-BELT M37 3L370
Price
N/A
102
BLADE PULLEY LEFT
Item is no longer available
Price
N/A
103
BLADE PULLEY RIGHT
Item is no longer available
Price
N/A
104
SET SCREW M8-1.25 X 10
Price
N/A
105
MOTOR PULLEY
Item is no longer available
Price
N/A
106
Now: PN03M
HEX NUT M8-1.25
Price
N/A
107
BEARING SPACER
Item is no longer available
Price
N/A
108
BALL BEARING 6204ZZ
Price
N/A
109
COMPLETE MOTOR BASE RIGHT ASSY
Price
N/A
109A
COMPLETE MOTOR BASE RIGHT ASSY
Item is no longer available
Price
N/A
110
Now: PW01M
FLAT WASHER 8MM
Price
N/A
111
Now: PB20M
HEX BOLT M8-1.25 X 35
Price
N/A
112
ARBOR BOLT M12-1.75 X 40 RH
Item is no longer available
Price
N/A
113
ARBOR FLANGE
Item is no longer available
Price
N/A
114
Now: PN09M
HEX NUT M12-1.75
Price
N/A
114A
COMPLETE MOTOR BASE LEFT ASSY
Item is no longer available
Price
N/A
115
SAW BLADE 12" 120TPI
Item is no longer available
Price
N/A
116
COMPLETE MOTOR BASE RIGHT ASSY
Price
N/A
117
BALL BEARING 6004Z
Price
N/A
118
COMPLETE MOTOR BASE RIGHT ASSY
Price
N/A
119
ARBOR RIGHT
Item is no longer available
Price
N/A
120
BALL BEARING 6205Z
Price
N/A
1201A
COMPLETE TIE ROD PIVOT BOLT ASSY
Item is no longer available
Price
N/A
121
SET SCREW M6-1 X 20
Price
N/A
122
COMPLETE MOTOR BASE RIGHT ASSY
Price
N/A
123
Now: PB83M
HEX BOLT M6-1 X 16
Price
N/A
124
Now: PB24M
HEX BOLT M12-1.75 X 45
Price
N/A
125
Now: PW06M
FLAT WASHER 12MM
Price
N/A
126
THREADED BLOCK
Item is no longer available
Price
N/A
127
COMPLETE MOTOR BASE RIGHT ASSY
Price
N/A
128
HOLD DOWN ROD
Item is no longer available
Price
N/A
129
LOCK WASHER 12MM
Price
N/A
130
HOLD DOWN NEOPRENE TIP
$10.10
Enter quantity between 1 and 99
131
HOLD DOWN BRACE
Item is no longer available
Price
N/A
132
SET SCREW M6-1 X 10
Price
N/A
133
FLAT HD SCR M5-.8 X 15
Price
N/A
134
ALUMINUM BLOCK
Item is no longer available
Price
N/A
135
BAKELITE INSERT RIGHT
Item is no longer available
Price
N/A
136
BAKELITE INSERT LEFT
Item is no longer available
Price
N/A
137
Now: PB29M
HEX BOLT M6-1 X 30
Price
N/A
138
Now: PN01M
HEX NUT M6-1
Price
N/A
139
COMPLETE MOTOR BASE LEFT ASSY
Price
N/A
140
ADJUSTING PLATE
Item is no longer available
Price
N/A
141
CAP SCREW M6-1 X 20
Price
N/A
142
SET SCREW M8-1.25 X 20
Price
N/A
143
BLADE SIDE GUARD
Item is no longer available
Price
N/A
144
ARBOR LEFT
Item is no longer available
Price
N/A
145
ARBOR BOLT M12-1.75 X 40 LH
Item is no longer available
Price
N/A
201
TIE-ROD W/PIVOT BOLT
Price
N/A
201A
TIE-ROD W/PIVOT BOLT
Item is no longer available
Price
N/A
202
SHAFT
Item is no longer available
Price
N/A
203
LOCK WASHER 12MM
Price
N/A
204
Now: PN09M
HEX NUT M12-1.75
Price
N/A
205
TIE-ROD W/PIVOT BOLT
Price
N/A
206
PIVOT BRACKET
Item is no longer available
Price
N/A
207
Now: PW04M
FLAT WASHER 10MM
Price
N/A
208
CAP SCREW M10-1.5 X 35
Price
N/A
209
DRILLED HEADLESS CLEVIS PIN
Item is no longer available
Price
N/A
210
HAIRPIN COTTER PIN 160MM
Item is no longer available
Price
N/A
211
Now: PW13M
FLAT WASHER 20MM
Price
N/A
212
ROCKER ARM
Item is no longer available
Price
N/A
213
PIVOT HEAD NUT
Item is no longer available
Price
N/A
213A
COMPLETE MAIN AIR CYLINDER ASSY
Item is no longer available
Price
N/A
214
SET SCREW M6-1 X 10
Price
N/A
215
HEX BOLT M10-1.5 X 65
Price
N/A
216
LOCK WASHER 10MM
Price
N/A
217
Now: PN02M
HEX NUT M10-1.5
Price
N/A
218
HAIRPIN COTTER PIN 80MM
Item is no longer available
Price
N/A
219
MOUNTING BLOCK
Item is no longer available
Price
N/A
301
FENCE STOP
Item is no longer available
Price
N/A
302
LOCK HANDLE M8-1.25 X 35
Price
N/A
303
CLAMP PLATE
Item is no longer available
Price
N/A
304
ROLL PIN 6 X 25
Price
N/A
305
FENCE SCALE 0" - 16-1/2"
Item is no longer available
Price
N/A
306
FENCE SCALE 16-1/2" - 64"
Item is no longer available
Price
N/A
307
FENCE RIGHT
Item is no longer available
Price
N/A
308
Now: PB03M
HEX BOLT M8-1.25 X 16
Price
N/A
309
Now: PW01M
FLAT WASHER 8MM
Price
N/A
310
Now: PN03M
HEX NUT M8-1.25
Price
N/A
311
SUPPORT LEG
Item is no longer available
Price
N/A
312
Now: PN04
HEX NUT 5/8-11
Price
N/A
313
MOUNTING FOOD W/HEX NUTS
Item is no longer available
Price
N/A
314
Now: PB09M
HEX BOLT M8-1.25 X 20
Price
N/A
315
WING SUPPORT BRACKET
Item is no longer available
Price
N/A
316
EXTENSION WING RIGHT
Item is no longer available
Price
N/A
317
EXTENSION WING LEFT
Item is no longer available
Price
N/A
318
FENCE LEFT
Item is no longer available
Price
N/A
319
Now: PW01M
FLAT WASHER 8MM
Price
N/A
320
CAP SCREW M8-1.25 X 20
Price
N/A
321
Now: PW02M
FLAT WASHER 5MM
Price
N/A
322
CAP SCREW M5-.8 X 12
Price
N/A
323
Now: PS08M
PHLP HD SCR M5-.8 X 12
Price
N/A
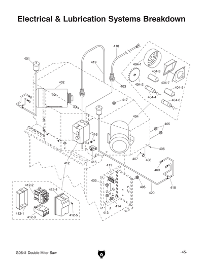
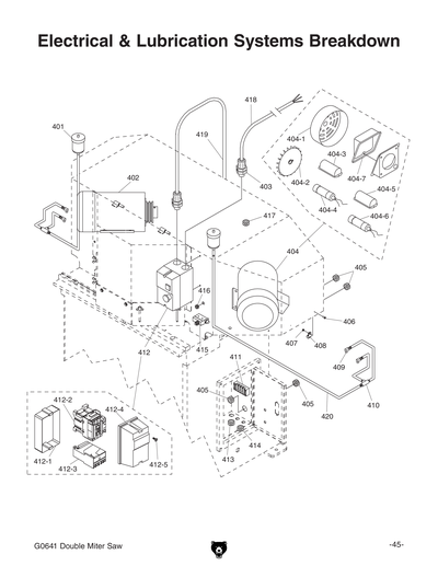
401
OIL RESERVOIR
Item is no longer available
Price
N/A
402
MOTOR 2HP 220V 1-PH 10A LEFT
Item is no longer available
Price
N/A
403
STRAIN RELIEF M25 TYPE-6 ST
Item is no longer available
Price
N/A
404
MOTOR 2HP 1PH 220V RIGHT
Item is no longer available
Price
N/A
404-1
MOTOR FAN COVER
Item is no longer available
Price
N/A
404-2
MOTOR FAN
Item is no longer available
Price
N/A
404-3
S CAPACITOR COVER
Item is no longer available
Price
N/A
404-4
S CAPACITOR 500M 125V 1-3/4 X 3-3/4
Price
N/A
404-5
MOTOR WIRING JUNCTION BOX
Price
N/A
404-6
R CAPACITOR 50M 250V 1-1/2 X 2-3/8
Price
N/A
404-7
MOTOR WIRING JUNCTION BOX
Item is no longer available
Price
N/A
405
STRAIN RELIEF 27MM
Item is no longer available
Price
N/A
406
Now: PS08M
PHLP HD SCR M5-.8 X 12
Price
N/A
407
Now: PN06M
HEX NUT M5-.8
Price
N/A
408
CABLE CLAMP
Price
N/A
409
OIL LINE ELBOW CONNECTOR 4MM
Item is no longer available
Price
N/A
410
OIL LINE TEE CONNECTOR 4MM
Item is no longer available
Price
N/A
411
TERMINAL BOARD 6P
Item is no longer available
Price
N/A
412
ON/OFF MAGNETIC SWITCH
Item is no longer available
Price
N/A
412-1
SWITCH BASE
Item is no longer available
Price
N/A
412-2
CONTACTOR SDE MA-30 220V
Item is no longer available
Price
N/A
412-3
OL RELAY SDE RA-30 22-34A
Item is no longer available
Price
N/A
412-4
SWITCH COVER
Item is no longer available
Price
N/A
412-5
SWITCH COVER SCREW
Item is no longer available
Price
N/A
413
STRAIN RELIEF 22MM
Item is no longer available
Price
N/A
414
STRAIN RELIEF 17MM
Item is no longer available
Price
N/A
415
SAFETY SWITCH
Item is no longer available
Price
N/A
416
STRAIN RELIEF 14MM
Item is no longer available
Price
N/A
417
STRAIN RELIEF 20MM
Item is no longer available
Price
N/A
418
POWER CORD
Item is no longer available
Price
N/A
419
MOTOR CORD
Item is no longer available
Price
N/A
420
OIL LINE 4MM
Item is no longer available
Price
N/A
501
Now: PB83M
HEX BOLT M6-1 X 16
Price
N/A
502
Now: PW03M
FLAT WASHER 6MM
Price
N/A
503
LIMIT SWITCH BRACKET
Item is no longer available
Price
N/A
504
LIMIT SWITCH MOUNT
Item is no longer available
Price
N/A
505
AIR LIMIT SWITCH
Item is no longer available
Price
N/A
506
AIR DIFFUSER 1/8" NPT
Price
N/A
507
COMPLETE HOLD DOWN AIR CYLINDER A
Price
N/A
507A
COMPLETE HOLD DOWN AIR CYLINDER A
Item is no longer available
Price
N/A
508
Now: PN01M
HEX NUT M6-1
Price
N/A
509
Now: PS18M
PHLP HD SCR M4-.7 X 25
Price
N/A
510
CAP SCREW M6-1 X 16
Price
N/A
511
AIR SUPPLY UNIT MACP 300-10A
Price
N/A
512
TEE CONNECTOR 3/8"
Item is no longer available
Price
N/A
513
PIPE ELBOW MALE 3/8" X 8MM
Price
N/A
514
AIR INLET CONNECTOR 1/4 NPT
Price
N/A
515
PIPE REDUCER 3/8 X 1/4"
Price
N/A
516
MALE CONNECTOR PT-3/8" X 6MM
Price
N/A
517
AIR PRESSURE VALVE
Price
N/A
518
TEE CONNECTOR 1/8" X 6MM
Item is no longer available
Price
N/A
519
CAP SCREW M4-.7 X 40
Price
N/A
520
Now: PN04M
HEX NUT M4-.7
Price
N/A
521
VALVE 5-OUTLET
Item is no longer available
Price
N/A
522
AIR MUFFLER 3/8"
Item is no longer available
Price
N/A
523
FLEXIBLE HOSE 3/4"
Item is no longer available
Price
N/A
524
FOOT SWITCH ASSY
Price
N/A
525
COMPLETE HOLD DOWN AIR CYLINDER A
Price
N/A
526
MALE ELBOW 1/4" X 6MM
Item is no longer available
Price
N/A
527
AIR PRESSURE REGULATOR 1/4"
Item is no longer available
Price
N/A
528
TEE CONNECTOR 1/4" X 6MM
Item is no longer available
Price
N/A
529
CAP SCREW M5-.8 X 12
Price
N/A
530
COMPLETE HOLD DOWN AIR CYLINDER A
Price
N/A
531
AIR PRESSURE GAUGE 1/4"
Item is no longer available
Price
N/A
532
MAIN AIR CYLINDER
Item is no longer available
Price
N/A
533
VALVE 6-OUTLET
Item is no longer available
Price
N/A
534
COMPLETE HOLD DOWN AIR CYLINDER A
Price
N/A
535
COMPLETE HOLD DOWN AIR CYLINDER A
Price
N/A
536
COMPLETE HOLD DOWN AIR CYLINDER A
Price
N/A
537
ADAPTER 1/2 X 3/8"
Item is no longer available
Price
N/A
538
AIR LINE 5MM/ID 8MM/OD
Item is no longer available
Price
N/A
539
AIR LINE 4MM/ID 6MM/OD
Item is no longer available
Price
N/A
601
MACHINE ID LABEL
Item is no longer available
Price
N/A
602
EYE/LUNG HAZARD LABEL VERT
Item is no longer available
Price
N/A
603
DO NOT OPEN WARNING LABEL
Item is no longer available
Price
N/A
604
AMPUTATION HAZARD LABEL VERT
Item is no longer available
Price
N/A
605
SAFETY GLASSES 2W X 3.3H V2.04.08
Price
N/A
606
READ MANUAL 2W X 3.3H V2.07.05
Price
N/A
607
DISCONNECT POWER LABEL VERT
Item is no longer available
Price
N/A
608
EAR PROTECTION 2W X 3.3H V2.04.08
Price
N/A
609
MODEL NUMBER LABEL
Item is no longer available
Price
N/A
610
N/S GRIZZLY GREEN G1023S
Price
N/A
611
GREY PUTTY REF G0504
Price
N/A
612
Now: G8589
Nameplate - Large
Price
N/A
MAN
MANUAL FOR G0641 01/08
Item is no longer available
Price
N/A