Parts for G0665 SLOW SPEED COLD CUT SAW

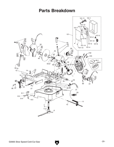
Parts Diagrams for G0665 - SLOW SPEED COLD CUT SAW

IMPORTANT

Parts may have multiple versions that have changed over time. This will be indicated by V1, V2, V3, etc. in the parts description, followed by the version month and year that it was first used. Example: V2.01.17 indicates version 2 of a part went into use in January 2017. Please reference the manufacture date on the ID Label for your machine to ensure you are selecting the correct part when multiple versions are indicated.

If you cannot locate your part below, please contact our tech support department at techsupport@grizzly.com or 570-546-9663.

Please note: All parts ship out of our Springfield, Missouri facility.

Parts List for Parts for G0665 SLOW SPEED COLD CUT SAW

1
*DISCD*MACHINE BED
Item is no longer available
Price
N/A
2
*DISCD*REVOLVING ARM
Item is no longer available
Price
N/A
2-1
*DISCD*ANGLE INDICATOR SCALE
$4.90
Enter quantity between 1 and 99
2-2
RIVET 2 X 4MM NAMEPLATE, STEEL
Price
N/A
3
*DISCD*LOCK PIN
Item is no longer available
Price
N/A
4
*DISCD*BUSHING
Item is no longer available
Price
N/A
5
*DISCD*LEVER
Item is no longer available
Price
N/A
6
CAP SCREW M8-1.25 X 30
Price
N/A
7
*DISCD*BASE PIN
Item is no longer available
Price
N/A
8
*DISCD*VISE BASE
Item is no longer available
Price
N/A
8-1
*DISCD*SUPPORT PLATE
Item is no longer available
Price
N/A
8-2
Now: PW02M
FLAT WASHER 5MM
Price
N/A
8-3
CAP SCREW M5-.8 X 12
Price
N/A
8-4
Now: PW03M
FLAT WASHER 6MM
Price
N/A
8-5
CAP SCREW M6-1 X 10
Price
N/A
10
*DISCD*WORK STOP ASSEMBLY
Price
N/A
10A
*DISCD*WORK STOP ASSEMBLY
Item is no longer available
Price
N/A
11
*DISCD*WORK STOP ASSEMBLY
Price
N/A
12
*DISCD*VISE
Item is no longer available
Price
N/A
12-1
*DISCD*QUICK RELEASE LEVER
Item is no longer available
Price
N/A
13
*DISCD*VISE JAW
Item is no longer available
Price
N/A
14
CAP SCREW M12-1.75 X 25
Price
N/A
15
*DISCD*CLAMP WASHER
Item is no longer available
Price
N/A
17
*DISCD*OILER
Item is no longer available
Price
N/A
18
*DISCD*VISE HANDWHEEL
Item is no longer available
Price
N/A
19
ROLL PIN 6 X 40
Price
N/A
20
*DISCD*LEADSCREW
Item is no longer available
Price
N/A
21
*DISCD*AUXILIARY STABILIZING BRACKET
Item is no longer available
Price
N/A
29
*DISCD*COOLANT TRAY
Item is no longer available
Price
N/A
30
*DISCD*COOLANT VALVE
Item is no longer available
Price
N/A
31
*DISCD*COOLANT TUBE
Item is no longer available
Price
N/A
33
*DISCD*TANK FILTER
Item is no longer available
Price
N/A
34
FLAT HD SCR M8-1.25 X 18
Price
N/A
35
*DISCD*HINGE NUT
Item is no longer available
Price
N/A
36
*DISCD*HINGE PIN
Item is no longer available
Price
N/A
37
*DISCD*SPRING HOOK SCREW
Item is no longer available
Price
N/A
38
CAP SCREW M8-1.25 X 25
Price
N/A
39
*DISCD*HINGE BUSHING
Item is no longer available
Price
N/A
40
*DISCD*HEAD LEVER W/HANDGRIP
Item is no longer available
Price
N/A
41
Now: PN13M
HEX NUT M16-2
Price
N/A
42
*DISCD*HEAD LEVER W/HANDGRIP
Price
N/A
43
*DISCD*RING
Item is no longer available
Price
N/A
44
*DISCD*PLUG
Item is no longer available
Price
N/A
45
*DISCD*BLADE SHAFT
Item is no longer available
Price
N/A
46
Extra Blade for G0665
Price
N/A
47
*DISCD*BLADE FLANGE PIN SCREW
Item is no longer available
Price
N/A
48
*DISCD*BLADE FLANGE
Item is no longer available
Price
N/A
49
*DISCD*CAP SCREW M12-1.75 X 30 LH
Item is no longer available
Price
N/A
50
*DISCD*FIXED GUARD
Item is no longer available
Price
N/A
51
CAP SCREW M6-1 X 15
Price
N/A
52
*DISCD*COOLANT TUBE
Item is no longer available
Price
N/A
53
*DISCD*MOBILE GUARD
Item is no longer available
Price
N/A
54
Now: PR71M
EXT RETAINING RING 60MM
Price
N/A
55
CAP SCREW M6-1 X 25
Price
N/A
56
CAP SCREW M6-1 X 10
Price
N/A
57
*DISCD*MOBILE GUARD ROD
Item is no longer available
Price
N/A
58
CAP SCREW M8-1.25 X 20
Price
N/A
59
LOCK NUT M8-1.25
Price
N/A
60
*DISCD*TIE ROD SUPPORT
Item is no longer available
Price
N/A
61
ROLL PIN 5 X 20
Price
N/A
62
CAP SCREW M8-1.25 X 16
Price
N/A
63
*DISCD*PINION GEAR
Item is no longer available
Price
N/A
64
SET SCREW M8-1.25 X 8
Price
N/A
65
*DISCD*PINION GEAR RETAINING WASHER
Item is no longer available
Price
N/A
66
*DISCD*PINION GEAR SCREW M12-1.75 X 25
Item is no longer available
Price
N/A
67
BALL BEARING 6301ZZ
Price
N/A
68
*DISCD*HEAD GASKET NUT M16
Item is no longer available
Price
N/A
79
*DISCD*HEAD RETURN TENSION SPRING
Item is no longer available
Price
N/A
82
*DISCD*GEARBOX CASE
Item is no longer available
Price
N/A
85
Now: P609
***use P609***
Price
N/A
86
*DISCD*MOTOR 1.25HP 220V 1-PH
$535.05
Enter quantity between 1 and 99
86-1
*DISCD*MOTOR FAN
Item is no longer available
Price
N/A
86-2
*DISCD*MOTOR FAN COVER
Item is no longer available
Price
N/A
87
Now: PR16M
EXT RETAINING RING 9MM
Price
N/A
88
*DISCD*PUMP CONNECTION BOX
Item is no longer available
Price
N/A
89
CAP SCREW M4-.7 X 16
Price
N/A
90
*DISCD*COOLANT PUMP
Item is no longer available
Price
N/A
91
CAP SCREW M6-1 X 20
Price
N/A
92
*DISCD*OIL LEVEL DRAIN PLUG
Item is no longer available
Price
N/A
93
*DISCD*WORM SCREW
Item is no longer available
Price
N/A
94
*DISCD*HEAD GASKET
$14.40
Enter quantity between 1 and 99
97
Now: PW01M
FLAT WASHER 8MM
Price
N/A
98
CAP SCREW M8-1.25 X 20
Price
N/A
100
Now: PB01M
HEX BOLT M10-1.5 X 30
Price
N/A
101
*DISCD*CONTROL BOX
Item is no longer available
Price
N/A
101-1
*DISCD*CONTROL BOX
Price
N/A
101-10
*DISCD*CONTROL BOX
Price
N/A
101-11
*DISCD*CONTROL BOX
Price
N/A
101-12
*DISCD*CONTROL BOX
Price
N/A
101-13
Now: PS17M
PHLP HD SCR M4-.7 X 6
Price
N/A
101-14
Now: PN04M
HEX NUT M4-.7
Price
N/A
101-2
*DISCD*CONTROL BOX
Price
N/A
101-3
*DISCD*TRANSFORMER 250V
$92.00
Enter quantity between 1 and 99
101-4
*DISCD*CONTROL BOX
Price
N/A
101-5
*DISCD*CONTROL BOX
Price
N/A
101-6
*DISCD*ON/OFF SWITCH KEDU KJD12-10ZF
Item is no longer available
Price
N/A
101-7
*DISCD*CONTROL BOX
Price
N/A
101-8
*DISCD*CONTROL BOX
Price
N/A
101-9
R CAPACITOR 30M 350V 1-5/8 X 3-3/8
Price
N/A
102
Now: PS08M
PHLP HD SCR M5-.8 X 12
Price
N/A
103
Now: PW02M
FLAT WASHER 5MM
Price
N/A
201
*DISCD*COMPLETE STAND ASSY
Price
N/A
201A
*DISCD*COMPLETE STAND ASSY
$595.15
Enter quantity between 1 and 99
202
*DISCD*COMPLETE STAND ASSY
Price
N/A
203
Now: PB20M
HEX BOLT M8-1.25 X 35
Price
N/A
205
Now: PN03M
HEX NUT M8-1.25
Price
N/A
206
Now: PB09M
HEX BOLT M8-1.25 X 20
Price
N/A
207
Now: G8589
Nameplate - Large
Price
N/A
208
TAP SCREW #5 X 3/8
Price
N/A
301
*DISCD*MACHINE ID LABEL
Item is no longer available
Price
N/A
302
*DISCD*AMPUTATION HAZARD LABEL
Item is no longer available
Price
N/A
303
*DISCD*EYE INJURY LABEL
Item is no longer available
Price
N/A
304
*DISCD*READ MANUAL LABEL
Item is no longer available
Price
N/A
305
*DISCD*DISCONNECT POWER LABEL
Item is no longer available
Price
N/A
306
ELECTRICITY 1.4W X 1.2H
Price
N/A
307
*DISCD*CUTTING FLUID LABEL
Item is no longer available
Price
N/A
308
*DISCD*MODEL NUMBER LABEL
Item is no longer available
Price
N/A
309
N/S GRIZZLY GREEN G1023S
Price
N/A
310
GREY PUTTY REF G0504
Price
N/A
MAN
*DISCD*MANUAL FOR G0665 03/08
$11.50
Enter quantity between 1 and 99