Parts for G0765 7" x 14" Variable-Speed Benchtop Metal Lathe

Parts Diagrams for G0765 - 7" x 14" Variable-Speed Benchtop Metal Lathe

IMPORTANT

Parts may have multiple versions that have changed over time. This will be indicated by V1, V2, V3, etc. in the parts description, followed by the version month and year that it was first used. Example: V2.01.17 indicates version 2 of a part went into use in January 2017. Please reference the manufacture date on the ID Label for your machine to ensure you are selecting the correct part when multiple versions are indicated.

If you cannot locate your part below, please contact our tech support department at techsupport@grizzly.com or 570-546-9663.

Please note: All parts ship out of our Springfield, Missouri facility.

Parts List for Parts for G0765 7" x 14" Variable-Speed Benchtop Metal Lathe

1
$267.40
Enter quantity between 1 and 99
2
3-JAW CHUCK 3" W/INTERNAL JAWS
$307.35
Enter quantity between 1 and 99
2-1
INTERNAL JAWS FOR 3-JAW CHUCK 3PC
$81.95
Enter quantity between 1 and 99
3
SPINDLE MT#3
$116.15
Enter quantity between 1 and 99
4
STUD-DE M6-1 X 60, 15
$2.25
Enter quantity between 1 and 99
5
Now: PW03M
FLAT WASHER 6MM
Price
N/A
6
Now: PN01M
HEX NUT M6-1
Price
N/A
7
Now: PK02M
KEY 5 X 5 X 40
Price
N/A
8
Now: PK65M
KEY 4 X 4 X 8
Price
N/A
9
CAP SCREW M5-.8 X 10
Price
N/A
10
BEARING COVER
$5.75
Enter quantity between 1 and 99
11
BALL BEARING 6206ZZ
Price
N/A
12
SPACER
$2.60
Enter quantity between 1 and 99
13
HEADSTOCK CASTING
$178.25
Enter quantity between 1 and 99
14
COMBO GEAR 21T/29T
$17.25
Enter quantity between 1 and 99
15
SPACER
$2.20
Enter quantity between 1 and 99
16
GEAR 45T
$22.35
Enter quantity between 1 and 99
17
SPANNER NUT
$13.70
Enter quantity between 1 and 99
18
SET SCREW M5-.8 X 8
Price
N/A
19
STEEL BALL 5MM
Price
N/A
20
COMPRESSION SPRING 4 X 9
$17.90
Enter quantity between 1 and 99
21
SET SCREW M6-1 X 6
Price
N/A
22
Now: PR03M
EXT RETAINING RING 12MM
Price
N/A
23
BALL BEARING 6001-2RS
Price
N/A
24
COMBO GEAR 12T/20T
$17.90
Enter quantity between 1 and 99
25
Now: PK71M
KEY 4 X 4 X 45
Price
N/A
26
H/L SHAFT
$17.65
Enter quantity between 1 and 99
27
SPINDLE PULLEY
$12.95
Enter quantity between 1 and 99
28
Now: PR01M
EXT RETAINING RING 10MM
Price
N/A
29
TIMING BELT 1.5M-70-9.5
$13.40
Enter quantity between 1 and 99
30
SHIFTING FORK
$6.70
Enter quantity between 1 and 99
31
SHIFTING ARM
$6.90
Enter quantity between 1 and 99
32
H/L LEVER HUB
$8.65
Enter quantity between 1 and 99
33
H/L LEVER M8-1.25 X 10
$1.90
Enter quantity between 1 and 99
35
HANDLE
$4.35
Enter quantity between 1 and 99
36
HANDLE MOUNT
$24.85
Enter quantity between 1 and 99
37
COMPRESSION SPRING
$3.15
Enter quantity between 1 and 99
38
PINION GEAR 25T
$11.65
Enter quantity between 1 and 99
39
INDICATOR
$4.35
Enter quantity between 1 and 99
40
GEAR SHOULDER BOLT M8-1.25 X 5
$3.65
Enter quantity between 1 and 99
41
PINION GEAR 20T W/O KEYWAY
$11.65
Enter quantity between 1 and 99
42
HEADSTOCK SIDE COVER
$31.25
Enter quantity between 1 and 99
43
CAP SCREW M6-1 X 20
Price
N/A
44
CAP SCREW M5-.8 X 10
Price
N/A
45
GEAR 45T
$11.50
Enter quantity between 1 and 99
46
SHAFT
$8.95
Enter quantity between 1 and 99
47
Now: PK65M
KEY 4 X 4 X 8
Price
N/A
48
GEAR MOUNT
$14.30
Enter quantity between 1 and 99
49
CAP SCREW M5-.8 X 15
Price
N/A
50
PINION GEAR 20T W/KEYWAY
$9.30
Enter quantity between 1 and 99
51
Now: PW02M
FLAT WASHER 5MM
Price
N/A
52
CAP SCREW M5-.8 X 10
Price
N/A
53
END GEAR COVER W/ LABELS
$56.25
Enter quantity between 1 and 99
54
CAP SCREW M5-.8 X 40
Price
N/A
55
CAP SCREW M4-.7 X 12
Price
N/A
56
CAP SCREW M6-1 X 6
Price
N/A
57
Now: PW03M
FLAT WASHER 6MM
Price
N/A
58
BUSHING W/KEYWAY
$4.50
Enter quantity between 1 and 99
59
GEAR 80T
$15.15
Enter quantity between 1 and 99
60
SHAFT
$8.95
Enter quantity between 1 and 99
61
PIVOT ARM
$8.65
Enter quantity between 1 and 99
62
Now: PW01M
FLAT WASHER 8MM
Price
N/A
63
Now: PN03M
HEX NUT M8-1.25
Price
N/A
64
SHAFT
$5.85
Enter quantity between 1 and 99
65
THREAD DIAL
$5.45
Enter quantity between 1 and 99
66
GEAR SHAFT 16T
$11.65
Enter quantity between 1 and 99
67
CAP SCREW M6-1 X 16
Price
N/A
68
THREAD DIAL BODY
$5.85
Enter quantity between 1 and 99
69
SET SCREW M4-.7 X 10
Price
N/A
70
APRON
$91.70
Enter quantity between 1 and 99
71
HALF NUT GIB
$4.50
Enter quantity between 1 and 99
74
HALF NUT SHAFT
$2.25
Enter quantity between 1 and 99
75
HALF NUT 2-PC SET
$42.40
Enter quantity between 1 and 99
76
COMPOUND REST ANGLE SCALE
$4.50
Enter quantity between 1 and 99
77
FLAT HD SCR M4-.7 X 10
Price
N/A
78
$12.65
Enter quantity between 1 and 99
79
HALF NUT LEVER
$2.20
Enter quantity between 1 and 99
80
SHAFT
$4.95
Enter quantity between 1 and 99
81
COMBO GEAR 11T/49T V2.05.15
Price
N/A
81V2
COMBO GEAR 11T/49T V2.05.15
$26.75
Enter quantity between 1 and 99
82
GEAR SHAFT 29T V2.05.15
Price
N/A
82V2
GEAR SHAFT 29T V2.05.15
$15.15
Enter quantity between 1 and 99
83
SET SCREW M6-1 X 12
Price
N/A
84
APRON HANDWHEEL
$34.50
Enter quantity between 1 and 99
84-1
TAILSTOCK HANDWHEEL
$35.95
Enter quantity between 1 and 99
84-2
TAILSTOCK GRADUATED DIAL
$18.00
Enter quantity between 1 and 99
84-3
APRON GRADUATED DIAL
$13.95
Enter quantity between 1 and 99
85
APRON HANDWHEEL HANDLE M5
$6.50
Enter quantity between 1 and 99
85-1
TAILSTOCK HANDWHEEL HANDLE M4
$9.00
Enter quantity between 1 and 99
86
CROSS BALL HANDLE 2 PC
$8.65
Enter quantity between 1 and 99
87
GRADUATED DIAL
$8.65
Enter quantity between 1 and 99
88
CROSS LEADSCREW BRACKET
$14.30
Enter quantity between 1 and 99
89
CROSS LEADSCREW
$20.00
Enter quantity between 1 and 99
90
Now: PN06M
HEX NUT M5-.8
Price
N/A
91
CAP SCREW M6-1 X 12
Price
N/A
92
SADDLE CLAMP PLATE
$8.65
Enter quantity between 1 and 99
93
SADDLE
$160.45
Enter quantity between 1 and 99
93V2
SADDLE V2.12.23
$160.45
Enter quantity between 1 and 99
94
CROSS SLIDE GIB
$8.15
Enter quantity between 1 and 99
95
CROSS LEADSCREW NUT
$10.70
Enter quantity between 1 and 99
96
COMPOUND REST SWIVEL BASE
$10.85
Enter quantity between 1 and 99
97
CAP SCREW M8-1.25 X 20
Price
N/A
98
Now: PN04M
HEX NUT M4-.7
Price
N/A
99
SET SCREW M4-.7 X 16
Price
N/A
100
CROSS SLIDE
$69.60
Enter quantity between 1 and 99
101
SET SCREW M5-.8 X 10
Price
N/A
102
CAP SCREW M4-.7 X 10
Price
N/A
105
COMPOUND REST SLIDE BASE
$32.40
Enter quantity between 1 and 99
106
CAP SCREW M4-.7 X 14
Price
N/A
107
COMPOUND REST GIB
$5.45
Enter quantity between 1 and 99
108
COMPOUND REST
$41.00
Enter quantity between 1 and 99
109
INDENT PIN
$2.25
Enter quantity between 1 and 99
110
TOOL POST CAP SCREW M8-1.25 X 25
$1.90
Enter quantity between 1 and 99
111
TOOL POST LOCK LEVER
$2.70
Enter quantity between 1 and 99
112
TOOL POST BODY
$34.50
Enter quantity between 1 and 99
113
STUD-DE M10-1.5 X 50, 15
$1.90
Enter quantity between 1 and 99
114
COMPOUND LEADSCREW
$15.15
Enter quantity between 1 and 99
115
COMPOUND LEADSCREW BRACKET
$12.95
Enter quantity between 1 and 99
116
CAP SCREW M4-.7 X 14
Price
N/A
117
MOTOR COVER (FRONT)
$8.65
Enter quantity between 1 and 99
119
Now: PN02M
HEX NUT M10-1.5
Price
N/A
123
ELECTRICAL CABINET
$33.75
Enter quantity between 1 and 99
124
POWER CORD 18G 3W 60" 5-15
$17.25
Enter quantity between 1 and 99
125
FOOT (RUBBER)
$2.25
Enter quantity between 1 and 99
126
CHIP TRAY
$73.35
Enter quantity between 1 and 99
127
LEADSCREW OUTBOARD BRACKET
$21.60
Enter quantity between 1 and 99
128
Now: PK65M
KEY 4 X 4 X 8
Price
N/A
129
LONGITUDINAL LEADSCREW 16TPI
$66.90
Enter quantity between 1 and 99
130
GEAR SPACER
$9.00
Enter quantity between 1 and 99
131
LEADSCREW END BRACKET
$29.00
Enter quantity between 1 and 99
133
CAP SCREW M3-.5 X 10
Price
N/A
134
RACK
$35.10
Enter quantity between 1 and 99
135
TAILSTOCK CLAMP PLATE
$11.20
Enter quantity between 1 and 99
136
Now: PW04M
FLAT WASHER 10MM
Price
N/A
137
SET SCREW M5-.8 X 16
Price
N/A
138
TAILSTOCK CASTING (UPPER/LOWER)
$167.15
Enter quantity between 1 and 99
139
TAILSTOCK LEADSCREW
$29.15
Enter quantity between 1 and 99
140
TAILSTOCK LEADSCREW BRACKET
$18.00
Enter quantity between 1 and 99
141
CAP SCREW M4-.7 X 10
Price
N/A
142
TAILSTOCK QUILL
$52.50
Enter quantity between 1 and 99
143
DEAD CENTER MT#2
$19.45
Enter quantity between 1 and 99
144
STUD-DE M8-1.25 X 60, 25
$2.25
Enter quantity between 1 and 99
145
CLAMP SLEEVE
$4.70
Enter quantity between 1 and 99
146
QUILL LOCK LEVER
$6.50
Enter quantity between 1 and 99
147
TAILSTOCK LOCKING LEVER
$24.60
Enter quantity between 1 and 99
148
MOTOR PULLEY
$10.45
Enter quantity between 1 and 99
150
MOTOR 110VDC
$172.50
Enter quantity between 1 and 99
150-1
CARBON BRUSH (SINGLE)
$13.70
Enter quantity between 1 and 99
150-2
CARBON BRUSH CAP
$5.45
Enter quantity between 1 and 99
151
MOTOR COVER (REAR)
$21.60
Enter quantity between 1 and 99
152
STRAIN RELIEF 3/4" TYPE-6 ST
$2.20
Enter quantity between 1 and 99
153
SPLASH GUARD
$86.25
Enter quantity between 1 and 99
157
Now: PW02M
FLAT WASHER 5MM
Price
N/A
158
POWER LIGHT
$6.90
Enter quantity between 1 and 99
159
FUSE HOLDER
$2.90
Enter quantity between 1 and 99
160
SPINDLE SPEED DIGITAL READOUT 4WPLJ-2T
$86.25
Enter quantity between 1 and 99
161
POTENTIOMETER B4K7 4.7KOHM
$12.25
Enter quantity between 1 and 99
161-2
SPEED KNOB
$4.50
Enter quantity between 1 and 99
162
F/O/R ROTARY SWITCH TUV ZH-A
$42.45
Enter quantity between 1 and 99
163
CIRCUIT BOARD KSP W/TRANSFORMER
$57.95
Enter quantity between 1 and 99
164
CIRCUIT BOARD JD-0410 W/MOUNTING BRACKET
$200.60
Enter quantity between 1 and 99
165
E-STOP KEDU KJD17B/120V
$38.15
Enter quantity between 1 and 99
166
FUSE 10A 250V FAST-ACTING GLASS
$2.60
Enter quantity between 1 and 99
167
COMPOUND REST BALL HANDLE
$12.95
Enter quantity between 1 and 99
168
SPEED SENSOR WHEEL
$12.65
Enter quantity between 1 and 99
169
SPEED SENSOR H12A5
$18.00
Enter quantity between 1 and 99
170
CAP SCREW M8-1.25 X 25
Price
N/A
171
DEAD CENTER MT#3
$27.00
Enter quantity between 1 and 99
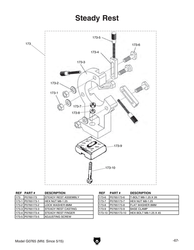
173
STEADY REST ASSEMBLY
$82.70
Enter quantity between 1 and 99
173-1
Now: PN03M
HEX NUT M8-1.25
Price
N/A
173-10
HEX BOLT M8-1.25 X 45
Price
N/A
173-2
LOCK WASHER 8MM
Price
N/A
173-3
STEADY REST CASTING
$38.85
Enter quantity between 1 and 99
173-4
STEADY REST FINGER
$11.90
Enter quantity between 1 and 99
173-5
ADJUSTING SCREW
$6.50
Enter quantity between 1 and 99
173-6
T-BOLT M8-1.25 X 26
$5.45
Enter quantity between 1 and 99
173-7
Now: PN03M
HEX NUT M8-1.25
Price
N/A
173-8
Now: PW01M
FLAT WASHER 8MM
Price
N/A
173-9
BASE CLAMP
$23.40
Enter quantity between 1 and 99
174
FACEPLATE 5"
$43.15
Enter quantity between 1 and 99
175
LATHE CHUCK KEY 3/8" STD
$14.75
Enter quantity between 1 and 99
176
EXTERNAL JAWS 3-PC SET
$111.45
Enter quantity between 1 and 99
177
***USE PAW02.5M***
$2.30
Enter quantity between 1 and 99
178
HEX WRENCH 3MM
Price
N/A
179
HEX WRENCH 4MM
Price
N/A
180
HEX WRENCH 5MM
Price
N/A
181
HEX WRENCH 6MM
Price
N/A
182
BOTTLE FOR OIL
$8.65
Enter quantity between 1 and 99
183
GEAR 30T
$10.85
Enter quantity between 1 and 99
184
GEAR 35T
$8.65
Enter quantity between 1 and 99
185
GEAR 40T
$12.25
Enter quantity between 1 and 99
186
GEAR 45T
$10.85
Enter quantity between 1 and 99
187
GEAR 50T
$11.65
Enter quantity between 1 and 99
188
GEAR 55T
$13.70
Enter quantity between 1 and 99
189
GEAR 57T
$10.85
Enter quantity between 1 and 99
190
GEAR 65T
$10.85
Enter quantity between 1 and 99
191
GEAR 60T
$10.85
Enter quantity between 1 and 99
192
Now: PWR67
WRENCH 6 X 7MM OPEN-ENDS
Price
N/A
193
WRENCH 8 X 10MM OPEN-ENDS
Price
N/A
194
WRENCH 13 X 16MM OPEN-ENDS
Price
N/A
195
ELECTRICAL BARRIER
$4.35
Enter quantity between 1 and 99
196
Now: PS08M
PHLP HD SCR M5-.8 X 12
Price
N/A
197
***USE P0765084-3***
$9.00
Enter quantity between 1 and 99
198
***USE PCAP28M***
$1.25
Enter quantity between 1 and 99
199
LOCK BLOCK
$8.95
Enter quantity between 1 and 99
200
TAILSTOCK LOCKING HANDLE
$12.95
Enter quantity between 1 and 99
201
TAILSTOCK LOCKING CAM
$22.35
Enter quantity between 1 and 99
202
Now: PN01M
HEX NUT M6-1
Price
N/A
203
CLAMPING BLOCK
$17.90
Enter quantity between 1 and 99
204
CAP SCREW M6-1 X 25
Price
N/A
205
SET SCREW M6-1 X 25
Price
N/A
251
MACHINE ID LABEL
$16.40
Enter quantity between 1 and 99
252
THREAD DIAL CHART LABEL
$7.15
Enter quantity between 1 and 99
253
READ MANUAL 1.5W X 2.5H
Price
N/A
254
FACE SHIELD & SAFETY GLASSES 2W X 3.3H
Price
N/A
255
CHANGE DIRECTION NOTICE LABEL
$3.75
Enter quantity between 1 and 99
256
ENTANGLEMENT HAZARD 1.5W X 2.5H
Price
N/A
257
DRO LABEL
$4.65
Enter quantity between 1 and 99
258
SPINDLE SPEED WARNING LABEL
$5.00
Enter quantity between 1 and 99
259
N/S GRIZZLY GREEN G1023S
Price
N/A
260
HALF NUT LEVER LABEL
$4.15
Enter quantity between 1 and 99
261
DISCONNECT 110V 1.5W X 2.5H
Price
N/A
262
SPEED RANGE LABEL
$3.75
Enter quantity between 1 and 99
263
OUTBOARD ENTANGLE WARNING LABEL
$3.75
Enter quantity between 1 and 99
264
FEED RATE GEAR CHART
$9.00
Enter quantity between 1 and 99
265
ELECTRICITY 1.4W X 1.2H
Price
N/A
MAN
MANUAL G0765 MFD-12/13+ V1.03.14
$15.00
Enter quantity between 1 and 99