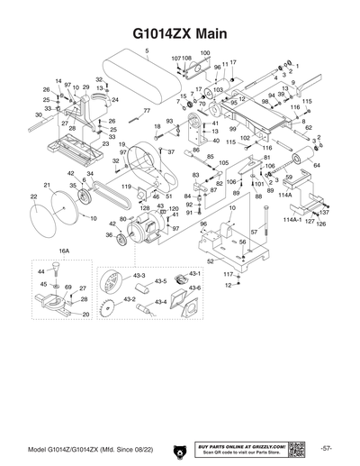
Parts for G1014Z 6" x 48" Belt/9" Disc Z Series Combo Sander

Parts Diagrams for G1014Z - 6" x 48" Belt/9" Disc Z Series Combo Sander

IMPORTANT

Parts may have multiple versions that have changed over time. This will be indicated by V1, V2, V3, etc. in the parts description, followed by the version month and year that it was first used. Example: V2.01.17 indicates version 2 of a part went into use in January 2017. Please reference the manufacture date on the ID Label for your machine to ensure you are selecting the correct part when multiple versions are indicated.

If you cannot locate your part below, please contact our tech support department at techsupport@grizzly.com or 570-546-9663.

Please note: All parts ship out of our Springfield, Missouri facility.

Parts List for Parts for G1014Z 6" x 48" Belt/9" Disc Z Series Combo Sander

1
DUST COVER
$2.00
Enter quantity between 1 and 99
2
Now: PR03M
EXT RETAINING RING 12MM
Price
N/A
3
BALL BEARING 6201-2RS
Price
N/A
4
DRIVER ROLLER SHAFT
$24.70
Enter quantity between 1 and 99
5
Now: D1258
6" x 48" A/O Sanding Belt 100 Grit, 2 Pk.
Price
N/A
6
KEY 5 X 5 X 55
Price
N/A
7
Now: PR05M
EXT RETAINING RING 15MM
Price
N/A
8
SANDING BELT FRAME
$250.00
Enter quantity between 1 and 99
9
BACK STOP
$26.50
Enter quantity between 1 and 99
10
Now: PSS02
SET SCREW 5/16-18 X 3/8
Price
N/A
11
*DISCD*DRIVE ROLLER
$58.65
Enter quantity between 1 and 99
11V2
DRIVE ROLLER V2.04.24
$61.60
Enter quantity between 1 and 99
12
Now: PN02
HEX NUT 5/16-18
Price
N/A
13
Now: PW07
FLAT WASHER 5/16
Price
N/A
14
KNOB 5/16-18
$2.60
Enter quantity between 1 and 99
15
BALL BEARING 6202-2RS W/SNAP RING
Price
N/A
16A
COMPLETE MITER GAUGE ASSY
$30.30
Enter quantity between 1 and 99
17
*DISCD*BUSHING 15 X 19.4 X 12MM
$3.60
Enter quantity between 1 and 99
17V2
BUSHING 15 X 20 X 15.3MM V2.04.24
$3.80
Enter quantity between 1 and 99
18
Now: PCB08
CARRIAGE BOLT 5/16-18 X 1-1/2
Price
N/A
19
PULLEY COVER W/DUST PORT V2.07.00
Price
N/A
20
MITER BAR
$6.40
Enter quantity between 1 and 99
21
CAST IRON DISC V2.02.97
Price
N/A
22
Now: D1323
9" A/O Sanding Disc, 100 Grit PSA, 2 Pk.
Price
N/A
23
TABLE
$90.60
Enter quantity between 1 and 99
24
TRUNNION
$9.10
Enter quantity between 1 and 99
25
Now: PW06
FLAT WASHER 1/4
Price
N/A
26
Now: PS04
PHLP HD SCR 1/4-20 X 1/2
Price
N/A
27
Now: PS06
PHLP HD SCR 10-24 X 3/8
Price
N/A
27A
Now: PFS03
FLANGE SCREW 10-24 X 3/8
Price
N/A
28
MITER GAUGE POINTER
$1.85
Enter quantity between 1 and 99
29
TABLE SUPPORT BRACKET V2.01.98
Price
N/A
30
SUPPORT BAR
$11.85
Enter quantity between 1 and 99
31
TABLE MOUNT L & R (2 PC SET)
Price
N/A
32
Now: PB09
HEX BOLT 5/16-18 X 1/2
Price
N/A
33
TABLE MOUNT L & R (2 PC SET)
$12.45
Enter quantity between 1 and 99
34
Now: PVM24
V-BELT M24 3L240
Price
N/A
35
PULLEY
$23.35
Enter quantity between 1 and 99
36
MOTOR PULLEY
$19.60
Enter quantity between 1 and 99
37
KNOB 10-24
$1.85
Enter quantity between 1 and 99
39
Now: PB03
HEX BOLT 5/16-18 X 1
Price
N/A
40
BRACKET
Price
N/A
41
Now: PB03
HEX BOLT 5/16-18 X 1
Price
N/A
42
Now: PSS02
SET SCREW 5/16-18 X 3/8
Price
N/A
43
MOTOR 3/4HP 110V/220V 1-PH
$304.20
Enter quantity between 1 and 99
43-1
CENTRIFUGAL SWITCH
$5.20
Enter quantity between 1 and 99
43-2
MOTOR FAN
$2.45
Enter quantity between 1 and 99
43-3
MOTOR FAN COVER
$9.40
Enter quantity between 1 and 99
43-4
S CAPACITOR 200M 125V 1-3/8 X 2-1/4
$15.25
Enter quantity between 1 and 99
43-5
S CAPACITOR COVER
$6.95
Enter quantity between 1 and 99
43-6
JUNCTION BOX COVER
$3.65
Enter quantity between 1 and 99
44
KNOB BOLT 1/4-20 X 3/4
$1.60
Enter quantity between 1 and 99
45
PLASTIC WASHER 1/4-16
$1.49
Enter quantity between 1 and 99
46
Now: PW03
FLAT WASHER #10
Price
N/A
49
STRAIN RELIEF M14 TYPE-1 SNAP-IN
$1.70
Enter quantity between 1 and 99
50
SWITCH PLATE
$4.85
Enter quantity between 1 and 99
51
Now: PN07
HEX NUT 10-24
Price
N/A
52
BASE
$143.15
Enter quantity between 1 and 99
53A
Now: G8988
Safety Paddle Switch
Price
N/A
56
Now: PN04
HEX NUT 5/8-11
Price
N/A
57
HEX BOLT 5/8-11 X 9
$10.60
Enter quantity between 1 and 99
58
RUBBER FOOT
$1.60
Enter quantity between 1 and 99
59
IDLER SHAFT V3.08.97
Price
N/A
62B
ROLLER ADJUST BAR
$11.25
Enter quantity between 1 and 99
64
IDLER ROLLER V3.08.97
Price
N/A
65
Now: PCB01
CARRIAGE BOLT 5/16-18 X 5/8
Price
N/A
69
MITER BODY
$11.85
Enter quantity between 1 and 99
70
TILT SCALE
$7.00
Enter quantity between 1 and 99
71
POWER CORD 16G X 3W 73"L
Price
N/A
77
HEX WRENCH 4MM
Price
N/A
80
Now: PK02M
KEY 5 X 5 X 40
Price
N/A
81A
ROCKER PLATE
$7.25
Enter quantity between 1 and 99
82A
SHORT LEVER
$14.05
Enter quantity between 1 and 99
83A
ROCKER ARM
$24.05
Enter quantity between 1 and 99
84A
ECCENTRIC
$2.45
Enter quantity between 1 and 99
85A
LONG LEVER
$3.80
Enter quantity between 1 and 99
86A
KNOB 3/8-16
$2.50
Enter quantity between 1 and 99
87A
SPACER
$1.60
Enter quantity between 1 and 99
88A
Now: PB21
HEX BOLT 3/8-16 X 3/4
Price
N/A
89
CAP SCREW 10-24 X 5/8
Price
N/A
90
MOTOR CORD 16G 3W 12"
$6.40
Enter quantity between 1 and 99
91
Now: PB16
HEX BOLT 3/8-16 X 1-1/2
Price
N/A
92
Now: PW02
FLAT WASHER 3/8
Price
N/A
93
WASHER PLATE 19 X 88
$4.20
Enter quantity between 1 and 99
94
KNOB 3/8-16
$1.60
Enter quantity between 1 and 99
94A
KNOB 3/8-24
$1.60
Enter quantity between 1 and 99
95
Now: PLW01
LOCK WASHER 5/16
Price
N/A
96
Now: PSS18
SET SCREW 5/16-18 X 3/4
Price
N/A
97
FENDER WASHER 5/16 X 21 X 2
$1.60
Enter quantity between 1 and 99
98
Now: PN08
HEX NUT 3/8-16
Price
N/A
99
GRAPHITE PAD 6"W X 17"L
$15.10
Enter quantity between 1 and 99
100
DUST PORT
$27.20
Enter quantity between 1 and 99
101
FENDER WASHER 3/8
$1.60
Enter quantity between 1 and 99
102
BELT DIRECTION ARROW
$1.60
Enter quantity between 1 and 99
103
TABLE TILT POINTER
$1.90
Enter quantity between 1 and 99
104
MACHINE ID LABEL V1
$16.40
Enter quantity between 1 and 99
104V2
MACHINE ID LABEL V2.08.22
$16.40
Enter quantity between 1 and 99
104V3
MACHINE ID LABEL V3.04.24
$10.95
Enter quantity between 1 and 99
105
Now: PN08
HEX NUT 3/8-16
Price
N/A
106
LOCK WASHER 5MM
Price
N/A
107
Now: PB19
HEX BOLT 1/4-20 X 1/2
Price
N/A
108
Now: PW06
FLAT WASHER 1/4
Price
N/A
109
$20.85
Enter quantity between 1 and 99
109A
STAND ASSEMBLY
$189.45
Enter quantity between 1 and 99
110
LOWER BRACE (LONG)
$16.95
Enter quantity between 1 and 99
111
LOWER BRACE (SHORT)
$13.60
Enter quantity between 1 and 99
112
UPPER BRACE (LONG)
$13.60
Enter quantity between 1 and 99
113
UPPER BRACE (SHORT)
$9.70
Enter quantity between 1 and 99
114
*DISCD*IDLER ROLLER GUARD V1.02.03
Item is no longer available
Price
N/A
114A
IDLER ROLLER GUARD V2.03.08
$14.50
Enter quantity between 1 and 99
114A-1
SLEEVE GUARD
$32.65
Enter quantity between 1 and 99
115
LOCK KNOB 1/4-20
$2.60
Enter quantity between 1 and 99
116
Now: PW06
FLAT WASHER 1/4
Price
N/A
117
Now: PW07
FLAT WASHER 5/16
Price
N/A
118
Now: PS06
PHLP HD SCR 10-24 X 3/8
Price
N/A
119
Now: W1042
2-1/2" Universal Dust Port for Shop-Vac & Sears
Price
N/A
120
MOTOR LABEL
$1.05
Enter quantity between 1 and 99
121
ENTANGLEMENT HAZARD 1.5W X 2.5H
Price
N/A
126
LOCK KNOB 10-32
$2.20
Enter quantity between 1 and 99
127
Now: PW03
FLAT WASHER #10
Price
N/A
128
MODEL NUMBER LABEL
$16.40
Enter quantity between 1 and 99
129
READ MANUAL 2.8W X 1.5H
Price
N/A
129V2
COMBO WARNING LABEL V2.08.22
$4.75
Enter quantity between 1 and 99
130
N/S GRIZZLY GREEN G1023S
Price
N/A
131
GLOSSY BLACK
Price
N/A
133
ABRASION INJURY HAZARD
$2.75
Enter quantity between 1 and 99
134
GLASSES/RESPIRATOR 2.8W X 1.5H
Price
N/A
135
DISCONNECT 110V 2.8W X 1.5H
Price
N/A
136
ELECTRICITY 0.5W X 0.4H
Price
N/A
137
Now: PLW03
LOCK WASHER #10
Price
N/A
138
EXT TOOTH WASHER #10
Price
N/A
500
CARTON FOR G1014Z
$16.65
Enter quantity between 1 and 99
501
STYROFOAM 2PC
$12.40
Enter quantity between 1 and 99
MANUAL
MANUAL G1014Z/G1014ZX MFD-04.97-10.07 V1
$14.65
Enter quantity between 1 and 99
MANV2
MANUAL G1014Z/ZX MFD-11.07-7.22 V2.10.17
$13.00
Enter quantity between 1 and 99
MANV3
MANUAL G1014Z/ZX MFD-8.22-3.24 V3.08.22
$13.00
Enter quantity between 1 and 99
MANV4
MANUAL G1014Z/ZX MFD-04.24+ V4.03.24
$15.20
Enter quantity between 1 and 99