Parts for G1021X2 15" 3 HP Extreme Series Planer w/ Helical Cutterhead

Parts Diagrams for G1021X2 - 15" 3 HP Extreme Series Planer w/ Helical Cutterhead

IMPORTANT

Parts may have multiple versions that have changed over time. This will be indicated by V1, V2, V3, etc. in the parts description, followed by the version month and year that it was first used. Example: V2.01.17 indicates version 2 of a part went into use in January 2017. Please reference the manufacture date on the ID Label for your machine to ensure you are selecting the correct part when multiple versions are indicated.

If you cannot locate your part below, please contact our tech support department at techsupport@grizzly.com or 570-546-9663.

Please note: All parts ship out of our Springfield, Missouri facility.

Parts List for Parts for G1021X2 15" 3 HP Extreme Series Planer w/ Helical Cutterhead

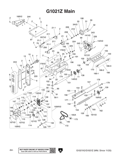
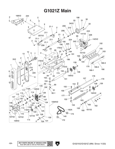
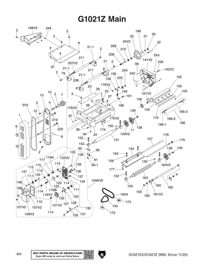
1
KNOB 5/16-18, D1-3/4, ROUND
Price
N/A
2
PULLEY COVER V1
$49.25
Enter quantity between 1 and 99
2V2
PULLEY/BELT COVER
Price
N/A
3
V-BELT M-59 3L590
$11.20
Enter quantity between 1 and 99
3V2
Now: PVM58
V-BELT M58 3L580
Price
N/A
4
STANDOFF-HEX DE
Price
N/A
5
FLANGE BOLT M6-1 X 12
Price
N/A
6
PULLEY GUARD
Price
N/A
7
Now: PW07
FLAT WASHER 5/16
Price
N/A
8
Now: PN02
HEX NUT 5/16-18
Price
N/A
9
Now: PB09M
HEX BOLT M8-1.25 X 20
Price
N/A
10
Now: PW01M
FLAT WASHER 8MM
Price
N/A
11
CUTTERHEAD PULLEY
Price
N/A
12
STRAIN RELIEF 5/8" V1
$7.60
Enter quantity between 1 and 99
12V2
STRAIN RELIEF TYPE-1 5/8"
Price
N/A
13
UPPER COVER
Price
N/A
14
Now: PB07M
HEX BOLT M8-1.25 X 25
Price
N/A
15
CAP SCREW M6-1 X 16
Price
N/A
15V2
FLANGE BOLT M6-1 X 12
Price
N/A
16
Now: PS20M
PHLP HD SCR M5-.8 X 15
Price
N/A
16V2
Now: PS11M
PHLP HD SCR M6-1 X 16
Price
N/A
17
CAP SCREW M6-1 X 20
Price
N/A
18
RETURN ROLLER BRACKET
Price
N/A
19
Now: PK05M
KEY 4 X 4 X 10
Price
N/A
20
HANDWHEEL TYPE-3 151D X 10B-K X 3/8-16
Price
N/A
21
CHIPBREAKER W/BRUSHING
Price
N/A
22
Now: PW04M
FLAT WASHER 10MM
Price
N/A
23
Now: PN08M
HEX NUT M10-1.25
Price
N/A
24
REVOLVING HANDLE 1X3-9/16, 3/8-16X1/2
Price
N/A
25
CHIP DEFLECTOR
Price
N/A
26
Now: PB02M
HEX BOLT M6-1 X 12
Price
N/A
27
Now: PW01M
FLAT WASHER 8MM
Price
N/A
28
FLAT SPRING 84 X 46 X 0.6MM
Price
N/A
29
TENSIONING SET SCREW M22-1.5 X 20
Price
N/A
30
SPACER 8 X 22 X 3MM V2.05.18
Price
N/A
31
CHAIN TENSIONER
Price
N/A
32
SHAFT
Price
N/A
33
IDLER WHEEL
Price
N/A
34
IDLER SHAFT
Price
N/A
35
ROLL PIN 6 X 20
Price
N/A
36
CHAIN COVER V1
$47.45
Enter quantity between 1 and 99
36V2
DRIVE CHAIN COVER V2.05.18
Price
N/A
37
CAP SCREW M8-1.25 X 50
Price
N/A
38
SET SCREW M6-1 X 16
Price
N/A
39
HELICAL SPRING 1 X 33
Price
N/A
40
HANGER
Price
N/A
41
BALL BEARING 6205-2RS
Price
N/A
42
CAP SCREW M6-1 X 10
Price
N/A
43
KEY 8 X 8 X 36
Price
N/A
44
HELICAL CUTTERHEAD 15" V1
$1,150.20
Enter quantity between 1 and 99
44V2
HELICAL CUTTERHEAD 15" V2.05.18
$1,431.25
Enter quantity between 1 and 99
45
MAGNETIC SWITCH ASSEMBLY 3HP V1
$154.25
Enter quantity between 1 and 99
45-1
SWITCH COVER REAR
$25.40
Enter quantity between 1 and 99
45-2
CONTACTOR SDE MA-18 220V
$48.05
Enter quantity between 1 and 99
45-3
OL RELAY SDE RA-20 12-18A
$58.00
Enter quantity between 1 and 99
45-4
SWITCH COVER FRONT
$25.40
Enter quantity between 1 and 99
45-5
POWER CORD 12AWG X 3C
$61.35
Enter quantity between 1 and 99
45-6
MOTOR CORD 12G 3W 33"
Price
N/A
45-7
POWER CORD 12AWG X 3C
$21.50
Enter quantity between 1 and 99
45V2
MAGNETIC SWITCH 3HP 1PH 13A
Price
N/A
45V2-1
MAGNETIC SWITCH COVER (FRONT)
Price
N/A
45V2-2
MAG SWITCH BACK COVER
Price
N/A
45V2-3
***USE P0651150-3***
Price
N/A
45V2-4
OL RELAY SDE RA-20 12-18A
Price
N/A
45V2-5
POWER CORD 12AWG X 3C
Price
N/A
45V2-6
MOTOR CORD 12G 3W 33"
Price
N/A
45V2-7
POWER CORD 12AWG X 3C
Price
N/A
46
SET SCREW M10-1.5 X 12
Price
N/A
47
SET SCREW M8-1.25 X 12
Price
N/A
48
COMPRESSION SPRING 3.5 X 19.7 X 70
Price
N/A
49
BUSHING BLOCK
Price
N/A
50
PLATE
Price
N/A
51
Now: PN01M
HEX NUT M6-1
Price
N/A
52
HEAD CASTING
Price
N/A
53
OUTFEED ROLLER
Price
N/A
54
DEPTH LIMITER
Price
N/A
55
FLAT HD SCR M5-.8 X 8
Price
N/A
56
Now: PK01M
KEY 5 X 5 X 22
Price
N/A
57
SPROCKET V1
$27.35
Enter quantity between 1 and 99
57V2
SPROCKET 31T V2.05.18
Price
N/A
58
Now: PW03M
FLAT WASHER 6MM
Price
N/A
59
Now: PB83M
HEX BOLT M6-1 X 16
Price
N/A
60
CHAIN 31 LINKS V3.01.98
Price
N/A
60-1
Now: PML01
MASTER LINK
Price
N/A
61
SPROCKET 31T
Price
N/A
62
SWITCH MOUNTING PLATE V1
$8.80
Enter quantity between 1 and 99
62V2
SWITCH MOUNTING PLATE V2.05.18
$5.80
Enter quantity between 1 and 99
63
Now: PR03M
EXT RETAINING RING 12MM
Price
N/A
64
CHIPBREAKER ADJ ROD
Price
N/A
65
PIVOT ROD
Price
N/A
66
Now: PN09M
HEX NUT M12-1.75
Price
N/A
67
E-CLIP 15MM
Price
N/A
68
SPACER
Price
N/A
69
ANTI-KICKBACK FINGER
$2.90
Enter quantity between 1 and 99
70
ANTI-KICK SHAFT
Price
N/A
71
INFEED ROLLER
Price
N/A
72
SPROCKET V1
$19.65
Enter quantity between 1 and 99
72V2
SPROCKET 31T V2.05.18
Price
N/A
73
CAP SCREW M6-1 X 12
Price
N/A
74
BALL BEARING 6204ZZ
Price
N/A
75
GEAR 16T V2.12.97
Price
N/A
76
CAP SCREW M6-1 X 25
Price
N/A
77
BALL BEARING 6201-2RS
Price
N/A
78
GEAR 47T V2.04.99
Price
N/A
79
GEARED SHAFT 18T V2.10.97
Price
N/A
80
Now: PK06M
KEY 5 X 5 X 10
Price
N/A
81
GEARBOX COVER V1
$44.70
Enter quantity between 1 and 99
81V2
GEARBOX COVER V2.05.18
Price
N/A
82
LOCATING PIN 8 X 7.55 X 7.95
Price
N/A
83
BALL BEARING 6201ZZ
Price
N/A
84
*DISCD*GEARED SHAFT 22T/18T V1
Price
N/A
84V2
GEARED SHAFT 28T/18T V2.02.19
Price
N/A
85
Now: PK11M
KEY 6 X 6 X 40
Price
N/A
86
GEAR 71T
Price
N/A
87
*DISCD*KNOB 3/8-16, D1-1/4, BALL
Price
N/A
88
CHAIN 23 LINKS
Price
N/A
88-1
Now: PHL01
HALF LINK
Price
N/A
89
SPROCKET 12T W/KEY V2.02.98
Price
N/A
90
OIL PLUG
Price
N/A
90V2
OIL PLUG 1/4 NPT X 3/4" V2.05.18
Price
N/A
91
OIL SEAL 28 X 40 X 8
Price
N/A
92
GEARBOX V1
$69.90
Enter quantity between 1 and 99
92A
GEARBOX ASSEMBLY V2.05.18
Price
N/A
92V2
GEAR BOX
Price
N/A
93
GASKET
Price
N/A
94
COMBO GEAR 92T/96T
Price
N/A
94V2
COMBO GEAR 86T/96T V2.02.19
Price
N/A
95
BEARING SHAFT
Price
N/A
96
SHAFT
Price
N/A
97
COMPRESSION SPRING 0.6 X 5.9 X 16
Price
N/A
98
STEEL BALL 6MM
Price
N/A
99
OIL SEAL 25 X 47 X 6
Price
N/A
100
BALL BEARING 6204ZZ
Price
N/A
101
Now: PK10M
KEY 5 X 5 X 12
Price
N/A
102
SHIFTING FORK
Price
N/A
103
SHIFTING SHAFT
Price
N/A
104
O-RING 11.8 X 2.4 P12 
Price
N/A
105
EXTENSION TABLE (CAST IRON)
$121.10
Enter quantity between 1 and 99
107
TABLE ROLLER SHAFT
Price
N/A
108
Now: G3845
Bearing - 22mm x 8mm
Price
N/A
108V2
Now: G3845
Bearing - 22mm x 8mm
Price
N/A
109
TABLE ROLLER V3.05.99
Price
N/A
109-1
BALL BEARING 608-2RS
Price
N/A
110
LOCK HANDLE 1/2-13 V1
$14.40
Enter quantity between 1 and 99
110V2
KNOB 6-LOBE M12-1.75, D53
Price
N/A
111
THREADED GIB
Price
N/A
112
*DISCD*LOCKING ROD
Price
N/A
113
MAIN TABLE
$224.05
Enter quantity between 1 and 99
114
SET SCREW M6-1 X 12
Price
N/A
115
GIB
Price
N/A
116
RIVET 2 X 5MM NAMEPLATE, COPPER
Price
N/A
117
SPINDLE NUT 16-4
Price
N/A
118
ELEVATION LEADSCREW SHORT 14-4
Price
N/A
119
COLUMN 14-3/8 IN V1.10.95
Price
N/A
120
CHAIN 65 LINK
Price
N/A
121
Now: PR05M
EXT RETAINING RING 15MM
Price
N/A
122
SPROCKET
Price
N/A
123
SHAFT
Price
N/A
124
IDLER BRACKET
Price
N/A
125
BASE
Price
N/A
126
Now: PB07M
HEX BOLT M8-1.25 X 25
Price
N/A
127
BALL BEARING 6202ZZ
Price
N/A
128
Now: PR21M
INT RETAINING RING 35MM
Price
N/A
129
SPROCKET 10T
Price
N/A
130
SCALE COLUMN
Price
N/A
131
SCALE
Price
N/A
132
Now: PS12M
PHLP HD SCR M3-.5 X 6
Price
N/A
133
E-CLIP 12MM
Price
N/A
134
LIFTING HANDLE
Price
N/A
135
Now: PR01M
EXT RETAINING RING 10MM
Price
N/A
136
GEAR 14T
Price
N/A
137
Now: PR22M
INT RETAINING RING 38MM
Price
N/A
138
SPACER
Price
N/A
139
LEADSCREW, PRIMARY
Price
N/A
140
Now: PS09M
PHLP HD SCR M5-.8 X 10
Price
N/A
141
STAND V1
$432.30
Enter quantity between 1 and 99
141V2
STAND V2.05.18
$435.05
Enter quantity between 1 and 99
142
MOTOR ACCESS PANEL
Price
N/A
143
FLAT HD SCR M6-1 X 12
Price
N/A
144
HEX BOLT M8-1.25 X 45
Price
N/A
145
SWITCH BOX V1
$26.35
Enter quantity between 1 and 99
145V2
SWITCH BOX V2.07.22
$90.00
Enter quantity between 1 and 99
146
MOTOR MOUNT PLATE
Price
N/A
147
LOCK COLLAR
Price
N/A
148
SWITCH PLATE
$24.15
Enter quantity between 1 and 99
149
MOTOR 3HP 220V 1-PH V1
$553.05
Enter quantity between 1 and 99
149-1
FAN COVER
$16.95
Enter quantity between 1 and 99
149-2
$16.95
Enter quantity between 1 and 99
149-3
*DISCD*S CAPACITOR 600M 125V 1-1/2X3-1/8
Item is no longer available
Price
N/A
149-4
S CAPACITOR COVER
$16.95
Enter quantity between 1 and 99
149-5
JUNCTION BOX
$21.75
Enter quantity between 1 and 99
149V2
MOTOR 3HP 230V 1-PH V2.05.18
Price
N/A
149V2-1
MOTOR FAN COVER
Price
N/A
149V2-10
BALL BEARING 6203ZZ
Price
N/A
149V2-11
CENTRIFUGAL SWITCH
Price
N/A
149V2-2
***USE P1021Z016V2-3***
Price
N/A
149V2-3
CAPACITOR COVER (RUN)
Price
N/A
149V2-4
JUNCTION BOX
Price
N/A
149V2-5
MOTOR FAN
Price
N/A
149V2-6
S CAPACITOR 400M 125V 1-9/16 X 3-1/2
Price
N/A
149V2-7
R CAP 70M 250V 1-9/16 X 3-1/2 V2.09.18
Price
N/A
149V2-8
CONTACT PLATE
Price
N/A
149V2-9
BALL BEARING 6205ZZ
Price
N/A
150
Now: PB15M
HEX BOLT M8-1.25 X 40
Price
N/A
151
PLATE CONNECTING ROD
Price
N/A
152
Now: PN03M
HEX NUT M8-1.25
Price
N/A
153
Now: PW04M
FLAT WASHER 10MM
Price
N/A
154
ROD END BOLT M10-1.5 X 100, ID 16.5MM
Price
N/A
155
START SWITCH
$18.70
Enter quantity between 1 and 99
156
WRENCH 10 X 13MM OPEN-ENDS
Price
N/A
158
FOOT
Price
N/A
159
HEX WRENCH 6MM
Price
N/A
160
HEX WRENCH 5MM
Price
N/A
161
HEX WRENCH 4MM
Price
N/A
162
HEX WRENCH 3MM
Price
N/A
163
WRENCH 8 X 10MM OPEN-ENDS
Price
N/A
164
WRENCH 12 X 14MM OPEN-ENDS
Price
N/A
165
T-HANDLE TORX DRIVER T-25
Price
N/A
165-1
Now: PBT02
TORX BIT T-25
Price
N/A
166
Now: H9893
Indexable Carbide Insert - 15 x 15 x 2.5mm, 10-Pk.
Price
N/A
167
Now: PFH32
FLAT HEAD TORX 10-32 X 1/2
Price
N/A
168
DUST HOOD
Price
N/A
169
CAP SCREW M5-.8 X 5
$1.60
Enter quantity between 1 and 99
171
WORM GEAR HOUSING
Price
N/A
172
WORM SHAFT
Price
N/A
173
BALL BEARING 6200ZZ
Price
N/A
174
Now: PR35M
INT RETAINING RING 30MM
Price
N/A
176
FRONT CABINET PANEL
$187.20
Enter quantity between 1 and 99
177
STRAIN RELIEF 7/8" TYPE-1 SNAP-IN
$1.85
Enter quantity between 1 and 99
178
RETURN ROLLER
Price
N/A
179
DUST HOOD
$10.65
Enter quantity between 1 and 99
180
FLANGE SCREW M6-1 X 12
Price
N/A
181
CLAMP
Price
N/A
182
Now: PS07M
PHLP HD SCR M4-.7 X 8
Price
N/A
183
EXT TOOTH WASHER 4MM
Price
N/A
184
Now: PS07M
PHLP HD SCR M4-.7 X 8
Price
N/A
185
CAP SCREW M8-1.25 X 45
Price
N/A
185V2
CAP SCREW M8-1.25 X 10
Price
N/A
186
PULLEY GUARD PLATE
Price
N/A
187
STOP SWITCH
Price
N/A
188
GEARBOX COVER PLATE V1
$1.85
Enter quantity between 1 and 99
188V2
GEARBOX COVER PLATE V2.05.18
$3.70
Enter quantity between 1 and 99
189
POWER INDICATOR LIGHT 220V 22MM RED
$12.95
Enter quantity between 1 and 99
190
Now: PW01M
FLAT WASHER 8MM
Price
N/A
191
Now: PB26M
HEX BOLT M8-1.25 X 30
Price
N/A
192
LOCK WASHER 8MM
Price
N/A
193
SWITCH PEDESTAL V1
$50.75
Enter quantity between 1 and 99
193V2
SWITCH PEDESTAL V2.05.18
$44.10
Enter quantity between 1 and 99
193V3
SWITCH PEDESTAL V3.07.22
$128.00
Enter quantity between 1 and 99
194
Now: PN06M
HEX NUT M5-.8
Price
N/A
195
Now: PB96M
HEX BOLT M5-.8 X 10
Price
N/A
196
MOTOR PULLEY 23MM BORE
Price
N/A
196V2
MOTOR PULLEY 23MM BORE
Price
N/A
197
FLAT WASHER 8MM
Price
N/A
198
MOTOR PULLEY HEX BOLT V1
$1.85
Enter quantity between 1 and 99
198V2
Now: PB07M
HEX BOLT M8-1.25 X 25
Price
N/A
199
Now: PK12M
KEY 5 X 5 X 30
Price
N/A
200
CONTROL PANEL LABEL
$16.40
Enter quantity between 1 and 99
201
DISCONNECT POWER LABEL 220V V1
$4.25
Enter quantity between 1 and 99
201V2
DISCONNECT 110V 1.5W X 2.5H
Price
N/A
202
MACHINE ID LABEL V1
$16.40
Enter quantity between 1 and 99
202V2
MACHINE ID LABEL V2.05.18
$16.40
Enter quantity between 1 and 99
202V3
MACHINE ID LABEL V3.02.19
$16.40
Enter quantity between 1 and 99
203
CUTTERHEAD DANGER LABEL
$4.25
Enter quantity between 1 and 99
204
HANDWHEEL DIRECTION LABEL
Price
N/A
205
SHIFT GEARBOX NOTICE
Price
N/A
205V2
SHIFT GEARBOX NOTICE
Price
N/A
205V3
SHIFT GEARBOX NOTICE V2.02.19
Price
N/A
206
GREY PUTTY REF G0504
Price
N/A
207
READ MANUAL 2W X 3.3H V2.07.05
Price
N/A
207V2
READ MANUAL 1.5W X 2.5H
Price
N/A
208
N/S GRIZZLY GREEN G1023S
Price
N/A
209
Now: H7942
Extreme Series Nameplate
Price
N/A
210
Now: G8589
Nameplate - Large
Price
N/A
211
EAR PROTECTION 2W X 3.3H V2.04.08
Price
N/A
212
GLASSES LABEL
$4.25
Enter quantity between 1 and 99
213
ELECTRICITY 1.4W X 1.2H
Price
N/A
214
MOTOR ACCESS LABEL
$4.25
Enter quantity between 1 and 99
215
BELT COVER WARNING LABEL V2.05.18
Price
N/A
215V2
BELT COVER WARNING LABEL V2.05.18
Price
N/A
216
ADD OIL NOTICE
Price
N/A
216V2
ADD OIL NOTICE
Price
N/A
217
MODEL NUMBER LABEL V2.05.18
Price
N/A
217V2
MODEL NUMBER LABEL V2.05.18
$2.40
Enter quantity between 1 and 99
218
STOP OIL FILL TAG 4W X 4H
Price
N/A
219
INVENTORY SHIPPING NOTICE
Price
N/A
220
EYE/EAR/LUNG 1.5W X 2.5H
Price
N/A
221
FLANGE BOLT M6-1 X 12
Price
N/A
222
Now: PN08M
HEX NUT M10-1.25
Price
N/A
223
SPACER 8 X 22 X 3MM V2.05.18
Price
N/A
224
Now: PN01M
HEX NUT M6-1
Price
N/A
225
SET SCREW M6-1 X 12
Price
N/A
226
CAP SCREW M6-1 X 20
Price
N/A
227
Now: PW04M
FLAT WASHER 10MM
Price
N/A
228
Now: PN08M
HEX NUT M10-1.25
Price
N/A
229
SPACER 8 X 22 X 3MM V2.05.18
Price
N/A
230
SET SCREW M10-1.5 X 12
Price
N/A
231
SET SCREW M8-1.25 X 12
Price
N/A
232
SET SCREW M6-1 X 12
Price
N/A
233
Now: PW01M
FLAT WASHER 8MM
Price
N/A
MAN
MANUAL G1021X2 MFD-01.08-04.18
$13.25
Enter quantity between 1 and 99
MANUALV2
MANUAL G1021Z MFD-08.16-01.19 V2.09.18
Price
N/A
MANV3
MANUAL G1021Z MFD-02.19-07.19 V3.02.19
Price
N/A
MANV4
MANUAL G1021Z MFD-08.19-03.20 V4.08.19
Price
N/A
MANV5
MANUAL G1021Z MFD-04.20+ V5.04.20
Price
N/A