Parts for G1023RLA40 10" 5 HP 240V Cabinet Table Saw - 40th Anniversary Edition

Parts Diagrams for G1023RLA40 - 10" 5 HP 240V Cabinet Table Saw - 40th Anniversary Edition

IMPORTANT

Parts may have multiple versions that have changed over time. This will be indicated by V1, V2, V3, etc. in the parts description, followed by the version month and year that it was first used. Example: V2.01.17 indicates version 2 of a part went into use in January 2017. Please reference the manufacture date on the ID Label for your machine to ensure you are selecting the correct part when multiple versions are indicated.

If you cannot locate your part below, please contact our tech support department at techsupport@grizzly.com or 570-546-9663.

Please note: All parts ship out of our Springfield, Missouri facility.

Parts List for Parts for G1023RLA40 10" 5 HP 240V Cabinet Table Saw - 40th Anniversary Edition

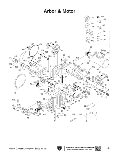
1
CABINET
$470.95
Enter quantity between 1 and 99
2
SCALE
Price
N/A
3
TAP SCREW 10-24 X 3/8
Price
N/A
4
MOTOR ACCESS DOOR
$109.90
Enter quantity between 1 and 99
5
FENCE RESTING BRACKET
$9.85
Enter quantity between 1 and 99
6
BUTTON HD CAP SCR M5-.8 X 8
Price
N/A
7
TOGGLE LATCH
Price
N/A
8
RIGHT ACCESS DOOR
$60.60
Enter quantity between 1 and 99
9
KNOB 1/4-20
Price
N/A
10
Now: PW06
FLAT WASHER 1/4
Price
N/A
11
CABLE CLAMP ACC-3
Price
N/A
12
Now: PW02
FLAT WASHER 3/8
Price
N/A
13
Now: PLW04
LOCK WASHER 3/8
Price
N/A
14
CAP SCREW 3/8-16 X 3/4
Price
N/A
15
STRAIN RELIEF 3/4" TYPE-1 SNAP-IN
Price
N/A
16
PUSH STICK BRACKET
Price
N/A
17
Now: PN05
HEX NUT 1/4-20
Price
N/A
18
DUST PORT
Price
N/A
19
STRAIN RELIEF TYPE-6 M20 ST
Price
N/A
20
Now: D4159
220V/240V Paddle Switch
Price
N/A
21
Now: PS08
PHLP HD SCR 10-24 X 3/4
Price
N/A
22
Now: PW03
FLAT WASHER #10
Price
N/A
23
SWITCH MOUNT BRACKET
$22.50
Enter quantity between 1 and 99
24
Now: PN07
HEX NUT 10-24
Price
N/A
25
SWITCH PLATE BRACE
$22.40
Enter quantity between 1 and 99
26
***SEE EXT. DESCRIPTION***
Price
N/A
27
POWER CORD 12G 3W 72" L6-30P V2.07.14
Price
N/A
28
***USE SEE EXT DESC***
Price
N/A
29
CONTROL WIRE 12G 1W 6"
Price
N/A
30
MOTOR 5HP 240V 1-PH
Price
N/A
31
MOTOR CORD 12G 3W 37"
Price
N/A
32
MOTOR FAN COVER
Price
N/A
33
MOTOR FAN
Price
N/A
34
Now: PW07
FLAT WASHER 5/16
Price
N/A
35
Now: PLW01
LOCK WASHER 5/16
Price
N/A
36
Now: PB03
HEX BOLT 5/16-18 X 1
Price
N/A
37
Now: PK33M
KEY 5 X 5 X 45
Price
N/A
38
MOTOR PULLEY
Price
N/A
39
Now: PSS03
SET SCREW 1/4-20 X 3/8
Price
N/A
40
V-BELT 220J10 RIBBED
Price
N/A
41
FRONT TRUNNION BRACKET
Price
N/A
42
ARBOR PULLEY
Price
N/A
43
Now: PW02
FLAT WASHER 3/8
Price
N/A
44
Now: PLW04
LOCK WASHER 3/8
Price
N/A
45
Now: PN08
HEX NUT 3/8-16
Price
N/A
46
CAP SCREW 5/16-18 X 3/4
Price
N/A
47
PLATE
Price
N/A
48
Now: PS35
PHLP HD SCR 5/16-18 X 3/4
Price
N/A
49
WIRING JUNCTION BOX
Price
N/A
50
ELEVATION HOUSING
Price
N/A
51
LEADSCREW NUT
Price
N/A
52
Now: PB09
HEX BOLT 5/16-18 X 1/2
Price
N/A
53
GAS STRUT
Price
N/A
54
LEADSCREW 1"-8 V2.01.11
Price
N/A
55
Now: PK20M
KEY 5 X 5 X 15
Price
N/A
56
THRUST BEARING 51102
Price
N/A
57
HORIZONTAL BEVEL GEAR
Price
N/A
58
VERTICAL BEVEL GEAR
Price
N/A
59
Now: PSS11
SET SCREW 1/4-20 X 1/4
Price
N/A
60
ANVIL BASE V2.08.10
Price
N/A
61
Now: PW06
FLAT WASHER 1/4
Price
N/A
62
Now: PB19
HEX BOLT 1/4-20 X 1/2
Price
N/A
63
REAR TRUNNION
Price
N/A
64
GIB
Price
N/A
65
Now: PN02
HEX NUT 5/16-18
Price
N/A
66
Now: PSS20
SET SCREW 5/16-18 X 1-1/2
Price
N/A
67
GEARED TRUNNION
Price
N/A
68
CAP SCREW 5/16-18 X 1
Price
N/A
70
REAR TRUNNION BRACKET
Price
N/A
71
HANDWHEEL V2.01.06
Price
N/A
72
LOCK KNOB
Price
N/A
73
HANDLE V3.06.06
Price
N/A
74
Now: PSS04
SET SCREW 1/4-20 X 5/16
Price
N/A
75
WORM 1.410" OD
Price
N/A
76
Now: PSS03
SET SCREW 1/4-20 X 3/8
Price
N/A
77
WAVY WASHER 18MM
Price
N/A
78
BRASS WASHER 3/4
Price
N/A
79
COLLAR
Price
N/A
80
TILT SHAFT
Price
N/A
81
DOWEL PIN
Price
N/A
82
Now: PK15M
KEY 5 X 5 X 35
Price
N/A
83
Now: PB04
HEX BOLT 5/16-18 X 3
Price
N/A
84
POINTER ADAPTER
Price
N/A
85
POINTER
Price
N/A
86
Now: PS23
PHLP HD SCR 8-32 X 1/4
Price
N/A
87
Now: PW07
FLAT WASHER 5/16
Price
N/A
88
Now: PS27
PHLP HD SCR 5/16-18 X 3/8
Price
N/A
89
CAP SCREW 10-24 X 2
Price
N/A
90
Now: PLW03
LOCK WASHER #10
Price
N/A
91
POINTER BRACKET
Price
N/A
92
HORIZONTAL SHAFT
Price
N/A
93
Now: PSS05
SET SCREW 5/16-18 X 1/4
Price
N/A
94
ANVIL BASE PLATE V2.08.10
Price
N/A
95
Now: PW07
FLAT WASHER 5/16
Price
N/A
96
CAP SCREW 1/4-20 X 5/8
Price
N/A
97
BEARING HOUSING CAP
Price
N/A
98
Now: PS22
PHLP HD SCR 10-24 X 5/8
Price
N/A
99
Now: PLW03
LOCK WASHER #10
Price
N/A
100
BALL BEARING 6203-2RS
Price
N/A
101
SPACER A
Price
N/A
102
SPACER B
Price
N/A
103
BEARING HOUSING
Price
N/A
104
BLADE ARBOR
Price
N/A
105
Now: PK02M
KEY 5 X 5 X 40
Price
N/A
106
BLADE 10" X 1/8 X 5/8 X 40T
Price
N/A
107
ARBOR FLANGE
Price
N/A
108
ARBOR NUT 5/8-12 RH
Price
N/A
109
PLATE
Price
N/A
110
DUST PORT
Price
N/A
111
PLUG CA12-1
Price
N/A
112
ADJUSTMENT BLOCK
Price
N/A
113
QUICK RELEASE LEVER
Price
N/A
114
ECCENTRIC SHAFT
Price
N/A
115
ECCENTRIC BOLT
Price
N/A
116
TABLE
Price
N/A
118
EXT WING LEFT
Price
N/A
119
Now: PLW04
LOCK WASHER 3/8
Price
N/A
120
Now: PB24
HEX BOLT 3/8-16 X 1-1/4
Price
N/A
121
Now: PB24
HEX BOLT 3/8-16 X 1-1/4
Price
N/A
122
STANDARD TABLE INSERT
Price
N/A
123
DADO TABLE INSERT
Price
N/A
124
Now: PSS07
SET SCREW 1/4-20 X 1/2
Price
N/A
125
TABLE PLATE
Price
N/A
126
Now: PFH01
FLAT HD SCR 10-24 X 3/8
Price
N/A
128
Now: PW02
FLAT WASHER 3/8
Price
N/A
130
Now: PS06
PHLP HD SCR 10-24 X 3/8
Price
N/A
131
Now: PFH14
FLAT HD SCR 5/16-18 X 3/4
Price
N/A
132
Now: PW07
FLAT WASHER 5/16
Price
N/A
133
Now: PN02
HEX NUT 5/16-18
Price
N/A
134
EXPANSION CLAMP
Price
N/A
135
PLASTIC EXPANSION TUBE
Price
N/A
136
EXT TOOTH WASHER #10
Price
N/A
137
DUST HOSE HOOK
Price
N/A
138
THIN LOCK NUT 5/8-18 LH
Price
N/A
139
STRAIN RELIEF TYPE-6 M20 ST
Price
N/A
140
CABLE TIE FF-150M
Price
N/A
141
Now: PSS21
SET SCREW 3/8-16 X 5/8
Price
N/A
142
S CAPACITOR COVER
Price
N/A
143
S CAPACITOR 400M 125V 1-3/4 X 3-3/8
Price
N/A
144
CENTRIFUGAL SWITCH 3450RPM
Price
N/A
146
R CAPACITOR COVER
Price
N/A
147
V2 R CAPACITOR 60M 300V 1-3/4 X 3-3/8 V2
Price
N/A
148
TAP SCREW #10 X 1/2
Price
N/A
149
HINGE PIN
Price
N/A
150
Now: PS24
PHLP HD SCR 8-32 X 3/8
Price
N/A
151
Now: PN14
HEX NUT 8-32
Price
N/A
152
Now: PN07
HEX NUT 10-24
Price
N/A
153
LATCH HOOK
Price
N/A
154
RIVET BLIND FLUSH
Price
N/A
160
LATCH
Price
N/A
161
Now: PS50
PHLP HD SCR 5-40 X 1/4
Price
N/A
162
Now: PN28
HEX NUT 5-40
Price
N/A
163
CABLE CLAMP
Price
N/A
164
STRIKE LATCH
Price
N/A
165
PHLP HD SCR 2-56 X 3/32
Price
N/A
166
Now: PB02
HEX BOLT 1/4-20 X 5/8
Price
N/A
167
STRAIN RELIEF MG20A-14ST V2.07.14
Price
N/A
168
ON/OFF SWITCH JUNCTION BOX
Price
N/A
169
SWITCH DISABLING LOCK
Price
N/A
170
Now: PS03
PHLP HD SCR 10-24 X 1
Price
N/A
171
Now: PS22
PHLP HD SCR 10-24 X 5/8
Price
N/A
172
MAG SWITCH FRONT COVER
Price
N/A
173
ROLL PIN 8 X 20
Price
N/A
174
MAG SWITCH BACK COVER
Price
N/A
175
CONTACTOR SDE MA-18 240V V1
Price
N/A
176
OL RELAY SDE RA-30 18-26A
Price
N/A
177
MAG SWITCH COVER SCREW
Price
N/A
178
CAP SCREW 5/16-18 X 1-1/2
Price
N/A
179
CAP SCREW 3/8-16 X 1-1/2
Price
N/A
180
CAP SCREW 1/4-20 X 1
Price
N/A
181
QUICK RELEASE BLOCK
Price
N/A
182
Now: PLN03
LOCK NUT 5/16-18
Price
N/A
201
GRIZZLY 40TH ANNIVERSARY LABEL
$3.95
Enter quantity between 1 and 99
202
MACHINE ID LABEL
$6.30
Enter quantity between 1 and 99
203
READ MANUAL 2W X 3.3H V2.07.05
Price
N/A
204
DISCONNECT 220V 2W X 3.3H
Price
N/A
205
GLASSES/RESPIRATOR 2W X 3.3H
Price
N/A
206
ELECTRICITY 1.4W X 1.2H
Price
N/A
207
MODEL NUMBER LABEL
$16.40
Enter quantity between 1 and 99
208
GLOSSY BLACK
Price
N/A
209
GREEN TAPE 90MMH
$12.75
Enter quantity between 1 and 99
211
***SEE EXT DESC***
Price
N/A
213
UL 987 WARNING LABEL
Price
N/A
215
GRIZZLY.COM LABEL 12",GOLD
Price
N/A
216
ARBOR WRENCH 7/8 X 7/8" COMBO
Price
N/A
217
ARBOR WRENCH 7/8" X 1" CLOSED-ENDS
Price
N/A
218
DOOR CLOSED BLADE 2W X 3.3H
Price
N/A
219
PUSH STICK
Price
N/A
220
HEX WRENCH 3MM
Price
N/A
222
HEX WRENCH 5MM
Price
N/A
223
WRENCH 12 X 14MM OPEN-ENDS
Price
N/A
224
TABLE SAW CAUTION BLADE REQUIRED LABEL
Price
N/A
225
DAMPNESS HAZARD LABEL
Price
N/A
300
BLADE GUARD ASSEMBLY
Price
N/A
301
SUPPORT ARM
Price
N/A
302
RIGHT GUARD
Price
N/A
303
LEFT GUARD
Price
N/A
304
SWING PLATE
Price
N/A
305
ROLL PIN 4 X 20
Price
N/A
306
KNOB M6-1 X 20
Price
N/A
307
CLEAR FRONT GUARD
Price
N/A
308
FRONT GUARD BLOCK
Price
N/A
309
Now: PFH04
FLAT HD SCR 1/4-20 X 5/8
Price
N/A
310
FLAT WASHER 6.4 X 21 X 3MM V2.10.20
Price
N/A
311
Now: PLN02
LOCK NUT 1/4-20
Price
N/A
312
Now: PFS17
FLANGE SCREW 10-24 X 1/2
Price
N/A
313
LEFT PAWL
Price
N/A
314
RIGHT PAWL
Price
N/A
315
RETAINER
Price
N/A
316
SPACER
Price
N/A
317
TORSION SPRING
Price
N/A
318
PAWL PIN
Price
N/A
319
Now: PFS02
FLANGE SCREW 10-24 X 1-1/4
Price
N/A
320
ARRESTING SPRING
Price
N/A
321
ROLL PIN 4 X 45
Price
N/A
322
ROLL PIN 4 X 30
Price
N/A
323
Now: PS01
PHLP HD SCR 10-24 X 1/2
Price
N/A
324
FRONT BRACKET
Price
N/A
325
CLEAR TOP WINDOW
Price
N/A
326
SPREADER
Price
N/A
327
RIVING KNIFE
Price
N/A
328
Now: PW06
FLAT WASHER 1/4
Price
N/A
329
FLAT WASHER 6.4 x 21 x 2MM
Price
N/A
400
Now: H5774
Deluxe Cast-Iron Miter Gauge
Price
N/A
401
MITER GAUGE HANDLE V2.10.01
Price
N/A
402
Now: PW07
FLAT WASHER 5/16
Price
N/A
403
MITER GAUGE BODY V2.05.07
Price
N/A
404
MITER BAR ASSY V2.04.03
Price
N/A
405
T-SLOT WASHER 22
Price
N/A
406
Now: PFH09
FLAT HD SCR 1/4-20 X 5/16
Price
N/A
407
Now: PN07
HEX NUT 10-24
Price
N/A
408
Now: PSS32
SET SCREW 10-24 X 3/4
Price
N/A
409
Now: PSS34
SET SCREW 10-24 X 1/2
Price
N/A
410
MITER GAUGE STOP
Price
N/A
411
POINTER
Price
N/A
412
MITER GAUGE SCALE
Price
N/A
413
Now: PSS31
SET SCREW 10-24 X 5/8
Price
N/A
414
ROLL PIN 1.5 X 13
Price
N/A
415
MITER GAUGE HINGE PIN
Price
N/A
501
FENCE LOCKING TAB
Price
N/A
502
KNOB 3/8-16, D1-9/16, TAPERED BALL V2.04.07
Price
N/A
503
BEARING PAD
Price
N/A
504
LOCKING LEVER
Price
N/A
505
FENCE FACING
Price
N/A
506
FRONT RAIL 46-1/2"
Price
N/A
507
REAR RAIL 54-1/2" V2.09.17
Price
N/A
508
FENCE BODY
Price
N/A
512
MAGNIFIED CURSOR
Price
N/A
514
SCALE 32" V2.09.17
Price
N/A
515
FRONT RAIL TUBE 66" V2.09.17
Price
N/A
516
Now: PB05
HEX BOLT 1/4-20 X 3/4
Price
N/A
517
Now: PB88
HEX BOLT 1/4-20 X 1-3/4
Price
N/A
518
Now: PB18
HEX BOLT 3/8-16 X 1
Price
N/A
520
Now: PB25
HEX BOLT 3/8-16 X 1-3/4
Price
N/A
522
Now: PS06
PHLP HD SCR 10-24 X 3/8
Price
N/A
523
SET SCREW 3/8-16 X 5/16
Price
N/A
526
Now: PFH05
FLAT HD SCR 1/4-20 X 3/4
Price
N/A
527
Now: PLN02
LOCK NUT 1/4-20
Price
N/A
528
Now: PLN01
LOCK NUT 3/8-16
Price
N/A
530
Now: PW03
FLAT WASHER #10
Price
N/A
531
Now: PW06
FLAT WASHER 1/4
Price
N/A
532
Now: PW02
FLAT WASHER 3/8
Price
N/A
533
Now: PW06
FLAT WASHER 1/4
Price
N/A
534
Now: PN05
HEX NUT 1/4-20
Price
N/A
544
MAGNET
Price
N/A
545
Now: PS01
PHLP HD SCR 10-24 X 1/2
Price
N/A
550
FENCE WARNING LABEL
Price
N/A
551
RAIL WARNING LABEL
Price
N/A
601
ROUTER TABLE EXT WING
Price
N/A
602
TABLE INSERT 29MM
Price
N/A
603
TABLE INSERT 60MM
Price
N/A
604
ROLL PIN 3 X 9
Price
N/A
605
Now: PB31
HEX BOLT 1/4-20 X 1
Price
N/A
606
EXTENSION LEG
Price
N/A
607
ADJUSTABLE FOOT
Price
N/A
608
Now: PN06
HEX NUT 1/2-12
Price
N/A
609
MOTOR CLAMP PIECE
Price
N/A
610
CLAMP NUT
Price
N/A
611
T-BOLT 1/4-20 X 2"
Price
N/A
612
Now: PN05
HEX NUT 1/4-20
Price
N/A
613
***SEE EXT DESC***
Price
N/A
613V2
***SEE EXT DESC***
Price
N/A
614
Now: PLW04
LOCK WASHER 3/8
Price
N/A
615
Now: PW02
FLAT WASHER 3/8
Price
N/A
616
Now: PN08
HEX NUT 3/8-16
Price
N/A
617
Now: PFH05
FLAT HD SCR 1/4-20 X 3/4
Price
N/A
618
Now: PW06
FLAT WASHER 1/4
Price
N/A
619
Now: PN05
HEX NUT 1/4-20
Price
N/A
620
ROUTER GUARD ASSEMBLY
Price
N/A
621
Now: PS25
PHLP HD SCR 8-32 X 5/8
Price
N/A
622
Now: PWN02
WING NUT 1/4-20
Price
N/A
623
TAP SCREW #8 X 1/2
Price
N/A
624
HORIZONTAL BRACKET
Price
N/A
625
VERTICAL BRACKET
Price
N/A
626
Now: PCB18
CARRIAGE BOLT 1/4-20 X 1/2
Price
N/A
627
GUARD
Price
N/A
628
Now: PW08
FLAT WASHER #8
Price
N/A
629
Now: PLW13
LOCK WASHER #8
Price
N/A
630
Now: PN14
HEX NUT 8-32
Price
N/A
631
Now: PS36
PHLP HD SCR 10-24 X 2-1/2
Price
N/A
632
Now: PW06
FLAT WASHER 1/4
Price
N/A
MAN
MANUAL G1023RLA40 MFD-11.22+ V1.11.22
$14.65
Enter quantity between 1 and 99