Parts for G7946 34" Floor Radial Drill Press

Parts Diagrams for G7946 - 34" Floor Radial Drill Press

IMPORTANT

Parts may have multiple versions that have changed over time. This will be indicated by V1, V2, V3, etc. in the parts description, followed by the version month and year that it was first used. Example: V2.01.17 indicates version 2 of a part went into use in January 2017. Please reference the manufacture date on the ID Label for your machine to ensure you are selecting the correct part when multiple versions are indicated.

If you cannot locate your part below, please contact our tech support department at techsupport@grizzly.com or 570-546-9663.

Please note: All parts ship out of our Springfield, Missouri facility.

Parts List for Parts for G7946 34" Floor Radial Drill Press

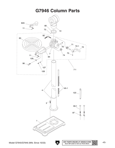
1
BASE V2.04.03
$144.15
Enter quantity between 1 and 99
2
*DISCD*FLANGE
Price
N/A
2A
COLUMN LONG W/HOLDER V3.02.99
Price
N/A
3
Now: PB14M
HEX BOLT M10-1.5 X 35
Price
N/A
4
COLUMN LONG W/HOLDER V3.02.99
$146.65
Enter quantity between 1 and 99
4A
COLUMN W/HOLDER V2.02.99
$108.60
Enter quantity between 1 and 99
4A-1
RACK LONG
$37.25
Enter quantity between 1 and 99
4B
COLUMN W/HOLDER V2.02.99
Price
N/A
5
COLUMN LONG W/HOLDER V3.02.99
Price
N/A
5A
COLUMN LONG W/HOLDER V3.02.99
Price
N/A
6
*DISCD*TABLE BRACKET
$7.50
Enter quantity between 1 and 99
7
GEARED TABLE BRACKET V2.03.99
$82.70
Enter quantity between 1 and 99
7-1
COMPLETE TABLE BRACKET ASSY
$218.90
Enter quantity between 1 and 99
8
GEAR
Price
N/A
9
Now: PR16M
EXT RETAINING RING 9MM
Price
N/A
10
Now: PN03M
HEX NUT M8-1.25
Price
N/A
11
LEVER BOLT M10-1.5 X 50
$1.90
Enter quantity between 1 and 99
12
*DISCD*LOCK HANDLE ASSEMBLY
Price
N/A
13
HORIZ COLUMN BRACKET
$31.65
Enter quantity between 1 and 99
14
Now: PSS02
SET SCREW 5/16-18 X 3/8
Price
N/A
15
*DISCD*KNOB BOLT M8-1.25 X 22
Price
N/A
16
TABLE- ROUND
$54.65
Enter quantity between 1 and 99
16A
MOUNT PLATE V2.06.06
Price
N/A
17
*DISCD*SPRING
Price
N/A
18
ADJUSTMENT BOLT
Price
N/A
19
*DISCD*MOTOR 1/2HP 110V SQUARE COVER V1.
Price
N/A
19-1
MOTOR MOUNT BRACKET V2.02.05
Price
N/A
19-2
CAPACITOR COVER
Price
N/A
19-3
MOTOR FAN
Price
N/A
19-4
FAN COVER
Price
N/A
19-5
Now: PS17M
PHLP HD SCR M4-.7 X 6
Price
N/A
19-6
S CAPACITOR 150M 125V
Price
N/A
19-7
Now: PW05M
FLAT WASHER 4MM
Price
N/A
19A
MOTOR MOUNT BRACKET V2.02.05
Price
N/A
19V3
MOTOR 1/2HP 120V 1-PH V3.10.23
Price
N/A
19V3-1
MOTOR MOUNT BRACKET
$26.60
Enter quantity between 1 and 99
19V3-2
CAPACITOR COVER
$3.15
Enter quantity between 1 and 99
19V3-3
MOTOR FAN
$10.60
Enter quantity between 1 and 99
19V3-4
FAN COVER
$15.45
Enter quantity between 1 and 99
19V3-5
Now: PS17M
PHLP HD SCR M4-.7 X 6
Price
N/A
19V3-6
S CAPACITOR 200M 125V 1-5/16 X 2-3/4
Price
N/A
19V3-7
Now: PW05M
FLAT WASHER 4MM
Price
N/A
20
PULLEY COVER
Price
N/A
21
MOTOR PULLEY
Price
N/A
22
Now: PVM58
V-BELT M58 3L580
Price
N/A
23
COVER KNOB M5-.8
Price
N/A
24
LOCK PIN
Price
N/A
25
SPINDLE PULLEY
Price
N/A
26
DRIVE SLEEVE
Price
N/A
27
Now: PR18M
EXT RETAINING RING 17MM
Price
N/A
28
BALL BEARING 6203ZZ
Price
N/A
28-1
SPACER
Price
N/A
28A
SPACER
Price
N/A
29
KNOB M10-1.5
Price
N/A
30
HORIZ ADJ KNOB
Price
N/A
31
Now: PN60M
HEX NUT M12-1.5 THIN
Price
N/A
32
COVER WITH SPRING
Price
N/A
32-1
COILED SPRING
Price
N/A
33
HORIZ COLUMN
Price
N/A
33-1
HORIZ COLUMN RACK
Price
N/A
34
HEADSTOCK
Price
N/A
35
Now: G8988
Safety Paddle Switch
Price
N/A
35A
DEPTH GAUGE KIT V1
Price
N/A
35A-1
*DISCD*HEEL BLOCK
Price
N/A
35A-2
SCALE V2.11.02
Price
N/A
35A-3
*DISCD*THREADED DEPTH BAR
Price
N/A
35A-4
*DISCD*RIGHT ANGLE BRACKET
Price
N/A
36
SET SCREW M8-1.25 X 10
Price
N/A
37
Now: PS57M
PHLP HD SCR M5-.8 X 14
Price
N/A
38
SWITCH MOUNT COVER
Price
N/A
38-1
SWITCH PLATE
Price
N/A
38-3
PADDLE SWITCH KEY
Price
N/A
39
THRUST WASHER 38MM RUBBER
Price
N/A
40
QUILL SHAFT
Price
N/A
41
BALL BEARING 6202ZZ
Price
N/A
42
SPINDLE SHAFT JT #33
Price
N/A
43
DRL CHK KEY 8.12MM TH-SE 11T SD-15.95MM
Price
N/A
44
***USE P7943091***
Price
N/A
44A
CHUCK B16 3-16MM
$20.50
Enter quantity between 1 and 99
45
DEPTH STOP COLLAR V1.10.98
Price
N/A
45A
DEPTH STOP COLLAR V1.10.98
Price
N/A
45A-1
DEPTH STOP ROD
Price
N/A
45A-2
DEPTH STOP BRACKET
Price
N/A
45A-3
DEPTH STOP BRACKET V1
Price
N/A
45A-3V2
DEPTH STOP BRACKET V2.12.12
Price
N/A
45A-4
DEPTH STOP SCALE
Price
N/A
46
PINION
Price
N/A
46A
DRL CHK KEY 8.12MM TH-SE 11T SD-15.95MM
Price
N/A
47
FEED COLLAR
Price
N/A
48
HANDLE
Price
N/A
49
DEGREE SCALE
Price
N/A
50
Now: PR03M
EXT RETAINING RING 12MM
Price
N/A
51
BALL BEARING 6201ZZ
Price
N/A
52
***USE P0572047***
Price
N/A
53
PULLEY SET NUT
Price
N/A
54
Now: PS68M
PHLP HD SCR M6-1 X 10
Price
N/A
55
SPINDLE SCALE
Price
N/A
56
Now: PS05M
PHLP HD SCR M5-.8 X 8
Price
N/A
57
POINTER
Price
N/A
58
*DISCD*KNOB BOLT M8-1.25 X 22
Price
N/A
59
SET SCREW M8-1.25 X 25
Price
N/A
59A
YELLOW SWITCH KEY
Price
N/A
59B
SWITCH HOUSING
Price
N/A
59C
SWITCH PLATE
Price
N/A
60
Now: PN02
HEX NUT 5/16-18
Price
N/A
61
HANDLE
Price
N/A
62
LOGO
Price
N/A
63
WIRE STRAP
Price
N/A
64
Now: PS06
PHLP HD SCR 10-24 X 3/8
Price
N/A
65
MOTOR SWITCH CORD
Price
N/A
66
SPEED CHART
Price
N/A
67
*DISCD*SPECIAL BOLT
Price
N/A
68
Now: PW07
FLAT WASHER 5/16
Price
N/A
69
DEGREE SCALE
Price
N/A
69-1
CONN. BOX COVER
Price
N/A
69-2
FAN COVER
Price
N/A
69A
*DISCD*MOTOR 1/2HP 110V SQUARE COVER V1.
Price
N/A
70
AXLE
$3.65
Enter quantity between 1 and 99
71
WORM PINION
$4.60
Enter quantity between 1 and 99
72
HANDLE
Price
N/A
72-1
CRANK HANDLE
$4.60
Enter quantity between 1 and 99
73
SET SCREW M6-1 X 10
Price
N/A
73A
Now: PVM59
V-BELT M59 3L590
Price
N/A
74
WORM GEAR
$1.90
Enter quantity between 1 and 99
75
SAFETY LABEL
Price
N/A
76
LOCKING GIB
Price
N/A
77
Now: PW01M
FLAT WASHER 8MM
Price
N/A
78
Now: PB27M
HEX BOLT M12-1.75 X 30
Price
N/A
79
Now: PW04M
FLAT WASHER 10MM
Price
N/A
80
COLUMN RING
$16.95
Enter quantity between 1 and 99
81
Now: PB07M
HEX BOLT M8-1.25 X 25
Price
N/A
82
Now: PW01M
FLAT WASHER 8MM
Price
N/A
83
ROUND TABLE
$125.50
Enter quantity between 1 and 99
84
COLUMN SUPPORT ARM
$51.75
Enter quantity between 1 and 99
84A
TABLE SUPPORT ARM
$55.75
Enter quantity between 1 and 99
85
SAFETY GLASSES 2W X 3.3H V2.04.08
Price
N/A
86
DOOR CLOSED LABEL HORIZ
Price
N/A
87
*DISCD*VERTICAL LOCK 1/8" DOG POINT V2.0
Price
N/A
88
LOCK GAUGE
Price
N/A
89
*DISCD*HORIZONTAL FEED KNOB
Price
N/A
90
*DISCD*HORIZONTAL FEED GEAR
Price
N/A
91
SET SCREW M4-.7 X 5
Price
N/A
92
CLAMP BOLT M12-1.75 X 50
$9.75
Enter quantity between 1 and 99
93
TIPPING WARNING LABEL
Price
N/A
93-1
HEX BOLT M8-1.25 X 125
Price
N/A
94
TABLE SQUARE
Price
N/A
96
HEX BOLT 5/8-13 X 1-1/2
$1.90
Enter quantity between 1 and 99
97
WING NUT 8MM
Price
N/A
98
POINTER
Price
N/A
99
TABLE SUPPORT ARM
Price
N/A
100
LOCK SHOE
Price
N/A
101
RUBBER BUMPER
Price
N/A
102
MACHINE ID LABEL V1
$16.40
Enter quantity between 1 and 99
102V2
MACHINE ID LABEL V2.04.18 (G7946)
$16.40
Enter quantity between 1 and 99
102V3
MACHINE ID LABEL V3.10.23
$16.95
Enter quantity between 1 and 99
103
CENTRIFICAL SWITCH V2.04.00
Price
N/A
104
CONTACT PLATE V2.04.00
Price
N/A
105
DEPTH GAUGE KIT V1
Price
N/A
105V2
DEPTH GAUGE KIT V2.12.12
Price
N/A
106
*DISCD*RIGHT ANGLE BUSHING
Price
N/A
107
WIRE NUT
Price
N/A
108
*DISCD*SQUARE DRIVE KEY
Price
N/A
109
HORIZ COLUMN RACK
Price
N/A
110
STRAIN RELIEF TYPE-1 M12-1.75
Price
N/A
112
LOCK WASHER 10MM
Price
N/A
113
GUIDE ROD 16 X 30MM
Price
N/A
114
Now: PN02M
HEX NUT M10-1.5
Price
N/A
115
THRUST WASHER 8MM RUBBER
Price
N/A
116
ELECTRICITY 1.4W X 1.2H
Price
N/A
117
MOTOR LABEL
Price
N/A
118
CLAMP BOLT M10-1.5 X 25
Price
N/A
119
TAP SCREW #8 X 3/8
Price
N/A
120
HEX WRENCH 3MM
Price
N/A
121
HEX WRENCH 4MM
Price
N/A
123
TABLE BOLT WRENCH
Price
N/A
124
Now: PS68M
PHLP HD SCR M6-1 X 10
Price
N/A
125
Now: PW03M
FLAT WASHER 6MM
Price
N/A
126
CAP SCREW M8-1.25 X 20
Price
N/A
127
Now: PN01M
HEX NUT M6-1
Price
N/A
128
TABLE PIN
Price
N/A
129
Now: PW08M
FLAT WASHER 16MM
Price
N/A
130
Now: PW02M
FLAT WASHER 5MM
Price
N/A
131
SET SCREW M6-1 X 10
Price
N/A
132
CHUCK GUARD ASSEMBLY
Price
N/A
132-1
Now: PS51M
PHLP HD SCR M4-.7 X 30
Price
N/A
132-2
Now: PN04M
HEX NUT M4-.7
Price
N/A
132-3
TAP SCREW M2.2 X 4.5
Price
N/A
132-4
HEX BOLT M5-.8 X 12
Price
N/A
132-5
WING NUT M5-.8
Price
N/A
132-6
Now: PS38M
PHLP HD SCR M4-.7 X 10
Price
N/A
132-7
Now: PW05M
FLAT WASHER 4MM
Price
N/A
133
SHOCK PINCH WARNING LABEL
Price
N/A
134
READ-ENTANGLE-EYE LABEL
Price
N/A
135
N/S GRIZZLY GREEN G1023S
Price
N/A
136
GLOSSY BLACK
Price
N/A
137
ROLL PIN 6 X 20
Price
N/A
138
ROLL PIN 5 X 40
Price
N/A
139
SET SCREW M8-1.25 X 12
Price
N/A
140
ROLL PIN 5 X 20
Price
N/A
200
CARTON FOR G7946
$49.25
Enter quantity between 1 and 99
MANUAL
MANUAL G7945 MFD_01.01-02.07 V1.02.08
Price
N/A
MANV2
MANUAL G7945-46 MFD-03.07-08.17 V2.02.08
Price
N/A
MANV3
MANUAL G7945-46 MFD-09.17-09.23 V2.05.18
Price
N/A
MANV4
MANUAL G7945-46 MFD-10.23+ V4.09.23
Price
N/A