Parts for SB1025 Mill 9" x 42" 3PH

Parts Diagrams for SB1025 - Mill 9" x 42" 3PH

IMPORTANT

Parts may have multiple versions that have changed over time. This will be indicated by V1, V2, V3, etc. in the parts description, followed by the version month and year that it was first used. Example: V2.01.17 indicates version 2 of a part went into use in January 2017. Please reference the manufacture date on the ID Label for your machine to ensure you are selecting the correct part when multiple versions are indicated.

If you cannot locate your part below, please contact our tech support department at techsupport@grizzly.com or 570-546-9663.

Please note: All parts ship out of our Springfield, Missouri facility.

Parts List for Parts for SB1025 Mill 9" x 42" 3PH

PSB10250001
SET SCREW M6-1 X 8
Price
N/A
PSB10250002
PINION SHAFT LEVER
Price
N/A
PSB10250003
PINION SHAFT HUB
Price
N/A
PSB10250004
STEEL BALL 3/16
Price
N/A
PSB10250005
COMPRESSION SPRING
Price
N/A
PSB10250006
Now: PSS05
SET SCREW 5/16-18 X 1/4
Price
N/A
PSB10250007
HUB RETAINER
Price
N/A
PSB10250008
PINION SHAFT HUB SLEEVE
Price
N/A
PSB10250009
CAP SCREW M5-.8 X 12
Price
N/A
PSB10250010
RETURN SPRING COVER
Price
N/A
PSB10250011
FLAT COIL SPRING
Price
N/A
PSB10250012
KEY 3 X 3 X 18
Price
N/A
PSB10250013
RETURN SPRING STUD
Price
N/A
PSB10250014
QUILL PINION SHAFT 10T/16T
Price
N/A
PSB10250015
RIVET 2 X 5MM NAMEPLATE, STEEL
Price
N/A
PSB10250017
ZERO SCALE
Price
N/A
PSB10250018
ROUND KNOB 1/4-20
Price
N/A
PSB10250019
SHIFT CRANK
Price
N/A
PSB10250020
Now: PSS11
SET SCREW 1/4-20 X 1/4
Price
N/A
PSB10250021
COMPRESSION SPRING 9 X 1 X 24MM
Price
N/A
PSB10250022
GEAR SHIFT PLUNGER
Price
N/A
PSB10250023
SHIFT SLEEVE
Price
N/A
PSB10250024
WORM GEAR CRADLE THROW-OUT
Price
N/A
PSB10250025
WORM SHAFT
Price
N/A
PSB10250026
SET SCREW M6-1 X 10
Price
N/A
PSB10250027
KEY 4 X 4 X 18
Price
N/A
PSB10250028
WORM GEAR
Price
N/A
PSB10250029
CLUSTER GEAR RETAINER
Price
N/A
PSB10250030
FEED CLUSTER GEAR 17T/28T/22T
Price
N/A
PSB10250031
Now: PR06M
EXT RETAINING RING 16MM
Price
N/A
PSB10250032
BEVEL GEAR BUSHING
Price
N/A
PSB10250033
BEVEL GEAR THRUST SPACER
Price
N/A
PSB10250034
FEED REVERSE BEVEL PINION
Price
N/A
PSB10250035
Now: PK53M
KEY 3 X 3 X 45
Price
N/A
PSB10250036
WORM GEAR CRADLE ASSEMBLY
Price
N/A
PSB10250037
WORM GEAR CRADLE ASSEMBLY
Price
N/A
PSB10250037A
WORM GEAR CRADLE ASSEMBLY
Price
N/A
PSB10250038
SET SCREW M5-.8 X 6
Price
N/A
PSB10250039
CAP SCREW M6-1 X 10
Price
N/A
PSB10250040
Now: PW03M
FLAT WASHER 6MM
Price
N/A
PSB10250041
WORM GEAR CRADLE ASSEMBLY
Price
N/A
PSB10250042
WORM GEAR CRADLE ASSEMBLY
Price
N/A
PSB10250043
WORM GEAR CRADLE ASSEMBLY
Price
N/A
PSB10250044
KEY 3 X 3 X 12
Price
N/A
PSB10250045
WORM GEAR CRADLE ASSEMBLY
Price
N/A
PSB10250046
CAP SCREW 5/16-18 X 1/2
Price
N/A
PSB10250047
WORM GEAR CRADLE ASSEMBLY
Price
N/A
PSB10250048
WORM GEAR CRADLE ASSEMBLY
Price
N/A
PSB10250049
Now: PK03M
KEY 3 X 3 X 8
Price
N/A
PSB10250050
WORM GEAR CRADLE ASSEMBLY
Price
N/A
PSB10250051
WORM GEAR CRADLE ASSEMBLY
Price
N/A
PSB10250052
WORM GEAR CRADLE ASSEMBLY
Price
N/A
PSB10250053
REVERSE CLUTCH ROD
Price
N/A
PSB10250054
FEED REVERSE BEVEL GEAR ASSY
Price
N/A
PSB10250055
FEED REVERSE BEVEL GEAR ASSY
Price
N/A
PSB10250055A
FEED REVERSE BEVEL GEAR ASSY
Price
N/A
PSB10250056
FEED REVERSE CLUTCH
Price
N/A
PSB10250057
ROLL PIN 3 X 20
Price
N/A
PSB10250058
Now: PR03M
EXT RETAINING RING 12MM
Price
N/A
PSB10250059
FEED WORM SHAFT BUSHING
Price
N/A
PSB10250060
Now: PK39M
KEY 3 X 3 X 10
Price
N/A
PSB10250061
Now: PK52M
KEY 3 X 3 X 15
Price
N/A
PSB10250062
WORM
Price
N/A
PSB10250063
BUSHING
Price
N/A
PSB10250064
CAP SCREW M6-1 X 25
Price
N/A
PSB10250065
SET SCREW M6-1 X 10
Price
N/A
PSB10250066
FEED GEAR SHIFTER FORK
Price
N/A
PSB10250067
CLUSTER GEAR SHIFT CRANK
Price
N/A
PSB10250068
FEED SHIFT ROD
Price
N/A
PSB10250069
CLUSTER GEAR COVER
Price
N/A
PSB10250070
QUILL PINION SHAFT BUSHING
Price
N/A
PSB10250071
OVERLOAD CLUTCH WORM GEAR 30T
Price
N/A
PSB10250072
Now: PR05M
EXT RETAINING RING 15MM
Price
N/A
PSB10250073
PINION OVERLOAD CLUTCH ASSY
Price
N/A
PSB10250073A
PINION OVERLOAD CLUTCH ASSY
Price
N/A
PSB10250074
PINION OVERLOAD CLUTCH ASSY
Price
N/A
PSB10250075
PINION OVERLOAD CLUTCH ASSY
Price
N/A
PSB10250076
SET SCREW M5-.8 X 10
Price
N/A
PSB10250077
PINION OVERLOAD CLUTCH ASSY
Price
N/A
PSB10250078
CLUTCH RING
Price
N/A
PSB10250079
FLAT WASHER 10 X 22 X 3MM
Price
N/A
PSB10250080
Now: PR01M
EXT RETAINING RING 10MM
Price
N/A
PSB10250081
CLUTCH RING SCREW M5-.8 X 16
Price
N/A
PSB10250082
OVERLOAD CLUTCH TRIP LEVER
Price
N/A
PSB10250083
ROLL PIN 5 X 20
Price
N/A
PSB10250084
CLUTCH ARM COVER
Price
N/A
PSB10250085
CAP SCREW M5-.8 X 35
Price
N/A
PSB10250086
Now: PN05
HEX NUT 1/4-20
Price
N/A
PSB10250087
Now: PSS06
SET SCREW 1/4-20 X 3/4
Price
N/A
PSB10250088
COMPRESSION SPRING 1.2 X 6.6 X 42MM
Price
N/A
PSB10250089
OVERLOAD CLUTCH PLUNGER
Price
N/A
PSB10250090
OIL CUP 1/8"
Price
N/A
PSB10250091
TRIP PLUNGER BUSHING
Price
N/A
PSB10250092
FEED TRIP PLUNGER
Price
N/A
PSB10250093
FEED TRIP LEVER
Price
N/A
PSB10250094
TRIP LEVER SCREW M6-1 X 22.5
Price
N/A
PSB10250095
Now: PN04M
HEX NUT M4-.7
Price
N/A
PSB10250096
SET SCREW M4-.7 X 16
Price
N/A
PSB10250097
KNURLED KNOB SCREW M6-1 X 15
Price
N/A
PSB10250098
SCRIBING LEVER
Price
N/A
PSB10250099
REVERSE TRIP BALL LEVER SCREW
Price
N/A
PSB10250100
FEED REVERSE TRIP PLUNGER
Price
N/A
PSB10250101
REVERSE TRIP BALL LEVER
Price
N/A
PSB10250102
QUILL STOP KNOB
Price
N/A
PSB10250103
QUILL MICRO STOP ASSEMBLY
Price
N/A
PSB10250104
QUILL MICRO STOP ASSEMBLY
Price
N/A
PSB10250105
QUILL MICRO STOP ASSEMBLY
Price
N/A
PSB10250105A
QUILL MICRO STOP ASSEMBLY
Price
N/A
PSB10250106
CAP SCREW 3/8-16 X 5/8
Price
N/A
PSB10250107
STOP TRIP BAR ASSEMBLY
Price
N/A
PSB10250107A
STOP TRIP BAR ASSEMBLY
Price
N/A
PSB10250108
STOP TRIP BAR ASSEMBLY
Price
N/A
PSB10250109
STOP TRIP BAR ASSEMBLY
Price
N/A
PSB10250110
ROLL PIN 3 X 12
Price
N/A
PSB10250111
STOP TRIP BAR ASSEMBLY
Price
N/A
PSB10250112
ROLL PIN 3 X 16
Price
N/A
PSB10250113
STOP TRIP BAR ASSEMBLY
Price
N/A
PSB10250114
STOP TRIP BAR ASSEMBLY
Price
N/A
PSB10250115
FEED TRIP BRACKET
Price
N/A
PSB10250116
CAP SCREW M6-1 X 20
Price
N/A
PSB10250117
STOP SHAFT TRIP LEVER
Price
N/A
PSB10250118
HANDWHEEL CLUTCH
Price
N/A
PSB10250119
STEEL BALL 5MM
Price
N/A
PSB10250120
COMPRESSION SPRING
Price
N/A
PSB10250121
SET SCREW M8-1.25 X 6
Price
N/A
PSB10250122
QUILL DEPTH SCALE
Price
N/A
PSB10250123
Now: PS17M
PHLP HD SCR M4-.7 X 6
Price
N/A
PSB10250124
FINE DOWNFEED HANDWHEEL
Price
N/A
PSB10250125
HANDWHEEL HANDLE
Price
N/A
PSB10250126
E-CLIP 5MM
Price
N/A
PSB10250127
KNURLED SLEEVE ASSEMBLY
Price
N/A
PSB10250127A
KNURLED SLEEVE ASSEMBLY
Price
N/A
PSB10250128
KNURLED SLEEVE ASSEMBLY
Price
N/A
PSB10250129
QUILL LOCK NUT M18-2.5
Price
N/A
PSB10250130
QUILL LOCK SLEEVE
Price
N/A
PSB10250131
LOCK HANDLE ASSEMBLY
Price
N/A
PSB10250132
LOCK HANDLE ASSEMBLY
Price
N/A
PSB10250133
LOCK HANDLE ASSEMBLY
Price
N/A
PSB10250133A
LOCK HANDLE ASSEMBLY
Price
N/A
PSB10250134
LOCK HANDLE ASSEMBLY
Price
N/A
PSB10250135
HEAD ROTATION LOCK BOLT 1/2-13 X 6-1/4
Price
N/A
PSB10250136
LOWER CLAMPING BOLT SPACER
Price
N/A
PSB10250137
LOCK BOLT FLAT WASHER
Price
N/A
PSB10250138
LOCK BOLT HEX NUT 1/2-13
Price
N/A
PSB10250139
QUILL HOUSING
Price
N/A
PSB10250201
SPINDLE R8 W/ SPANNER NUT
Price
N/A
PSB10250202
SET SCREW M6-1 X 8
Price
N/A
PSB10250203
QUILL END CAP
Price
N/A
PSB10250204
QUILL SEAL
Price
N/A
PSB10250205
ANGULAR CONTACT BEARING 7207 P4
Price
N/A
PSB10250206
BEARING SPACER ASSEMBLY
Price
N/A
PSB10250206A
BEARING SPACER ASSEMBLY
Price
N/A
PSB10250207
BEARING SPACER ASSEMBLY
Price
N/A
PSB10250208
SLEEVE
Price
N/A
PSB10250209
BALL BEARING 6206ZZ
Price
N/A
PSB10250210
SPANNER LOCK WASHER
Price
N/A
PSB10250211
SPANNER NUT
Price
N/A
PSB10250212
QUILL SKIRT
Price
N/A
PSB10250213
SET SCREW M5-.8 X 6
Price
N/A
PSB10250214
QUILL
Price
N/A
PSB10250215
Now: PW02M
FLAT WASHER 5MM
Price
N/A
PSB10250216
Now: PS09M
PHLP HD SCR M5-.8 X 10
Price
N/A
PSB10250217
DRAWBAR 7/16-20 X 18-1/2
Price
N/A
PSB10250218
DRAWBAR WASHER
Price
N/A
PSB10250301
Now: PN04
HEX NUT 5/8-11
Price
N/A
PSB10250302
FLAT HD SCR M5-.8 X 10
Price
N/A
PSB10250303
TIMING BELT PULLEY AND FLANGE ASSY
Price
N/A
P
TIMING BELT PULLEY AND FLANGE ASSY
$135.00
Enter quantity between 1 and 99
PSB10250304
TIMING BELT PULLEY AND FLANGE ASSY
Price
N/A
PSB10250305
CAP SCREW M5-.8 X 12
Price
N/A
PSB10250306
GEARBOX AND BELT HOUSING ASSY
Price
N/A
PSB10250307
BEARING SPACER ASSEMBLY
Price
N/A
PSB10250307A
BEARING SPACER ASSEMBLY
Price
N/A
PSB10250308
BEARING SPACER ASSEMBLY
Price
N/A
PSB10250309
BALL BEARING 6203VV NSK
Price
N/A
PSB10250310
Now: PK20M
KEY 5 X 5 X 15
Price
N/A
PSB10250311
PINION GEAR AND GEAR SHAFT ASSY
Price
N/A
P
PINION GEAR AND GEAR SHAFT ASSY
$252.40
Enter quantity between 1 and 99
PSB10250312
PINION GEAR AND GEAR SHAFT ASSY
Price
N/A
P
BACK GEAR SHIFTER FORK
$96.95
Enter quantity between 1 and 99
P
STEPPED PIN
$11.85
Enter quantity between 1 and 99
P
BACK GEAR SHIFT CRANK
$58.95
Enter quantity between 1 and 99
P
BACK GEAR SHIFT BUSHING
$34.15
Enter quantity between 1 and 99
P
SHIFT CRANK
$39.85
Enter quantity between 1 and 99
PSB10250318
SET SCREW M6-1 X 6
Price
N/A
PSB10250319
ROUND KNOB 1/4-20
Price
N/A
P
COMPRESSION SPRING
$9.10
Enter quantity between 1 and 99
P
GEAR SHIFT PLUNGER
$11.85
Enter quantity between 1 and 99
P
GEARBOX HOUSING HARDENED HEX NUT 1/4-20
$1.60
Enter quantity between 1 and 99
P
SPLINE GEAR HUB
$235.20
Enter quantity between 1 and 99
PSB10250324
Now: PK70M
KEY 8 X 8 X 12
Price
N/A
P
SPINDLE BULL GEAR
$707.05
Enter quantity between 1 and 99
PSB10250326
GEARBOX AND BELT HOUSING ASSY
Price
N/A
P
GEARBOX AND BELT HOUSING ASSY
$800.00
Enter quantity between 1 and 99
PSB10250327
BALL BEARING 6908VV NSK
Price
N/A
P
INT RETAINING RING
$16.35
Enter quantity between 1 and 99
P
SPANNER LOCK WASHER
$7.00
Enter quantity between 1 and 99
P
SPANNER NUT
$27.20
Enter quantity between 1 and 99
PSB10250331
CAP SCREW M6-1 X 16
Price
N/A
P
T-BOLT
$13.95
Enter quantity between 1 and 99
PSB10250333
Now: PLW05
LOCK WASHER 7/16
Price
N/A
PSB10250334
Now: PN19
HEX NUT 7/16-14
Price
N/A
PSB10250401
MOTOR 2HP 220V 3PH
Item is no longer available
Price
N/A
PSB10250401-1
MOTOR FAN COVER
Item is no longer available
Price
N/A
PSB10250401-2
MOTOR FAN
Item is no longer available
Price
N/A
PSB10250401-3
MOTOR JUNCTION BOX
Item is no longer available
Price
N/A
PSB10250402
Now: PN11
HEX NUT 3/8-24
Price
N/A
P
BELT TENSION ADJUSTMENT LEVER
$12.75
Enter quantity between 1 and 99
PSB10250404
Now: PW01M
FLAT WASHER 8MM
Price
N/A
P
MOTOR PULLEY
$227.05
Enter quantity between 1 and 99
PSB10250406
Now: PK28M
KEY 7 X 7 X 29
Price
N/A
PSB10250407
Now: PW01M
FLAT WASHER 8MM
Price
N/A
PSB10250408
CAP SCREW M8-1.25 X 20
Price
N/A
PSB10250409
Now: PS79M
PHLP HD SCR M3-.5 X 8
Price
N/A
P
CAM RING COVER
$20.55
Enter quantity between 1 and 99
P
CAM RING
$98.45
Enter quantity between 1 and 99
P
CAM RING SCREW M6-1 X 8
$11.20
Enter quantity between 1 and 99
P
MOTOR SHOULDER STUD 1/2-13 X 2-3/16
$6.70
Enter quantity between 1 and 99
PSB10250414
Now: PN02
HEX NUT 5/16-18
Price
N/A
PSB10250415
GEARBOX AND BELT HOUSING ASSY
Price
N/A
P
MOTOR MOUNTING STUD WASHER 21 X 13 X 3MM
$6.70
Enter quantity between 1 and 99
P
MOTOR LOCK NUT
$14.50
Enter quantity between 1 and 99
P
MOTOR LOCK LEVER
$9.70
Enter quantity between 1 and 99
P
KNOB 1/4-20
$38.65
Enter quantity between 1 and 99
PSB10250420
E-CLIP 5MM
Price
N/A
P
BRAKE HANDLE
$54.35
Enter quantity between 1 and 99
PSB10250422
SET SCREW M5-.8 X 6
Price
N/A
P
GROOVED PIN
$10.30
Enter quantity between 1 and 99
P
BRAKE HANDLE PIVOT RING
$5.50
Enter quantity between 1 and 99
PSB10250425
Nameplate 90mm
Price
N/A
PSB10250426
Now: PS05M
PHLP HD SCR M5-.8 X 8
Price
N/A
PSB10250427
RIVET 2 X 5MM NAMEPLATE, STEEL
Price
N/A
P
SPINDLE SPEED PLATE
$30.20
Enter quantity between 1 and 99
P
BRAKE STOP PIN
$38.10
Enter quantity between 1 and 99
P
BRAKE RING SCREW
$10.90
Enter quantity between 1 and 99
P
BRAKE SHOE SET
$111.10
Enter quantity between 1 and 99
P
COMPRESSION SPRING
$9.10
Enter quantity between 1 and 99
PSB10250434
Now: PS12M
PHLP HD SCR M3-.5 X 6
Price
N/A
P
INNER BEARING RETAINING RING
$307.95
Enter quantity between 1 and 99
P
OUTER BEARING RETAINING RING
$110.55
Enter quantity between 1 and 99
PSB10250437
BALL BEARING 6207VV NSK
Price
N/A
PSB10250438
BEARING SPACER SET
Price
N/A
P
BEARING SPACER SET
$86.95
Enter quantity between 1 and 99
PSB10250439
BEARING SPACER SET
Price
N/A
P
COMPRESSION SPRING
$9.10
Enter quantity between 1 and 99
PSB10250441
SET SCREW M3-.5 X 6
Price
N/A
P
BEARING SEAT
$282.60
Enter quantity between 1 and 99
P
SPINDLE PULLEY
$205.30
Enter quantity between 1 and 99
PSB10250444
Now: PVA33
V-BELT A33
Price
N/A
P
SPINDLE PULLEY SPLINE
$250.00
Enter quantity between 1 and 99
PSB10250446
KEY 6 X 6 X 25
Price
N/A
P
TIMING BELT 225L-100
$96.60
Enter quantity between 1 and 99
P
TIMING PULLEY CLUTCH SLEEVE
$22.95
Enter quantity between 1 and 99
PSB10250501
CAP SCREW M8-1.25 X 25
Price
N/A
PSB10250502
ROLL PIN 8 X 30
Price
N/A
PSB10250503
GEAR 33T
Price
N/A
PSB10250504
RIVET 2 X 5MM NAMEPLATE, STEEL
Price
N/A
PSB10250505
HEAD ROTATION SCALE
Price
N/A
PSB10250506
RAM ADAPTER
Price
N/A
PSB10250507
INDICATOR PLATE
Price
N/A
PSB10250508
WORM THRUST WASHER
Price
N/A
PSB10250509
LOCK COLLAR
Price
N/A
PSB10250510
SET SCREW M6-1 X 6
Price
N/A
PSB10250511
Now: PK36M
KEY 5 X 5 X 50
Price
N/A
PSB10250512
HEAD TILT WORM
Price
N/A
PSB10250513
HEAD TILT SCALE
Price
N/A
PSB10250514
TILT LOCK BOLT
Price
N/A
PSB10250515
Now: PW10M
FLAT WASHER 14MM
Price
N/A
PSB10250516
Now: PR19M
EXT RETAINING RING 28MM
Price
N/A
PSB10250517
TILT PIVOT STUD
Price
N/A
PSB10250518
TILT LOCK BOLT BUSHING
Price
N/A
PSB10250519
HEAD TILT WORM SHAFT
Price
N/A
PSB10250520
LIFTING EYE BOLT 3/4-10
Price
N/A
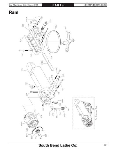
PSB10250521
RAM
Price
N/A
PSB10250522
RAM GIB
Price
N/A
PSB10250523
TURRET CLAMP BOLT
Price
N/A
PSB10250524
RAM PINION SCREW
Price
N/A
PSB10250525
TURRET
Price
N/A
PSB10250526
RAM GIB ADJUSTMENT SCREW
Price
N/A
PSB10250527
Now: PN08
HEX NUT 3/8-16
Price
N/A
PSB10250528
RAM LOCK PLUNGER
Price
N/A
PSB10250529
LOCK LEVER ASSEMBLY
Price
N/A
PSB10250530
LOCK LEVER ASSEMBLY
Price
N/A
PSB10250530A
LOCK LEVER ASSEMBLY
Price
N/A
PSB10250531
LOCK LEVER ASSEMBLY
Price
N/A
PSB10250532
LOCK LEVER ASSEMBLY
Price
N/A
PSB10250533
RAM PINION
Price
N/A
PSB10250534
RAM ROTATION SCALE
Price
N/A
PSB10250535
TURRET BRACKET
Price
N/A
PSB10250601
COLUMN
Price
N/A
PSB10250602
RIVET 2 X 5MM NAMEPLATE, STEEL
Price
N/A
PSB10250603
INDICATOR PLATE
Price
N/A
PSB10250604
REAR COLUMN COVER
Price
N/A
PSB10250605
Now: PS09M
PHLP HD SCR M5-.8 X 10
Price
N/A
PSB10250606
PIPE PLUG 1/2 PT
Price
N/A
PSB10250607
Now: PS40M
PHLP HD SCR M5-.8 X 16
Price
N/A
PSB10250608
Now: PW02M
FLAT WASHER 5MM
Price
N/A
PSB10250609
CAP SCREW M8-1.25 X 16
Price
N/A
PSB10250610
LOCK WASHER 8MM
Price
N/A
PSB10250611
KNEE LOCK LEVER ASSEMBLY
Price
N/A
PSB10250612
KNEE LOCK LEVER ASSEMBLY
Price
N/A
PSB10250613
KNEE LOCK LEVER ASSEMBLY
Price
N/A
PSB10250613A
KNEE LOCK LEVER ASSEMBLY
Price
N/A
PSB10250614
KNEE LOCK LEVER ASSEMBLY
Price
N/A
PSB10250615
UPPER KNEE LOCK PLUNGER
Price
N/A
PSB10250616
LOWER KNEE LOCK PLUNGER
Price
N/A
PSB10250617
THRUST BEARING 51305
Price
N/A
PSB10250618
Now: PK20M
KEY 5 X 5 X 15
Price
N/A
PSB10250619
VERTICAL LEADSCREW W/NUT ASSY
Price
N/A
PSB10250619A
VERTICAL LEADSCREW W/NUT ASSY
Price
N/A
PSB10250620
CAP SCREW M6-1 X 20
Price
N/A
PSB10250621
VERTICAL LEADSCREW W/NUT ASSY
Price
N/A
PSB10250622
GREASE FITTING 1/8" NPT STRAIGHT
Price
N/A
PSB10250623
VERTICAL LEADSCREW HOUSING
Price
N/A
PSB10250624
CAP SCREW 3/8-16 X 1-1/4
Price
N/A
PSB10250625
COOLANT SCREEN
Price
N/A
PSB10250626
KNEE/SADDLE WIPER ASSEMBLY
Price
N/A
PSB10250626A
KNEE/SADDLE WIPER ASSEMBLY
Price
N/A
PSB10250627
KNEE/SADDLE WIPER ASSEMBLY
Price
N/A
PSB10250628
GIB SCREW
Price
N/A
PSB10250629
KNEE GIB
Price
N/A
PSB10250630
Now: PN01
HEX NUT 1/2-20
Price
N/A
PSB10250631
BEVEL GEAR FLAT WASHER 1/2
Price
N/A
PSB10250632
BEVEL GEAR
Price
N/A
PSB10250633
BALL BEARING 6205ZZ
Price
N/A
PSB10250634
KNEE
Price
N/A
PSB10250635
CRANK HANDLE
Price
N/A
PSB10250636
VERTICAL CRANK
Price
N/A
PSB10250637
CRANK CLUTCH
Price
N/A
PSB10250638
FRONT DIAL RETAINER
Price
N/A
PSB10250639
VERTICAL DIAL INCH
Price
N/A
PSB10250640
REAR DIAL RETAINER
Price
N/A
PSB10250641
CAP SCREW M6-1 X 16
Price
N/A
PSB10250642
BEARING RETAINER
Price
N/A
PSB10250643
BALL BEARING 6204Z NSK
Price
N/A
PSB10250644
BEARING SEAT
Price
N/A
PSB10250645
Now: PK47M
KEY 4 X 4 X 15
Price
N/A
PSB10250646
VERTICAL CRANK SHAFT
Price
N/A
PSB10250647
Now: PK48M
KEY 4 X 4 X 20
Price
N/A
PSB10250648
SET SCREW M6-1 X 6
Price
N/A
PSB10250649
BEVEL PINION
Price
N/A
PSB10250650
SET SCREW M6-1 X 8
Price
N/A
PSB10250651
CHIP GUARD SET
Price
N/A
PSB10250651A
CHIP GUARD SET
Price
N/A
PSB10250652
CHIP GUARD SET
Price
N/A
PSB10250653
CHIP GUARD SET
Price
N/A
PSB10250654
WAY COVER SUPPORT
Price
N/A
PSB10250655
Now: PN06M
HEX NUT M5-.8
Price
N/A
PSB10250656
KNEE/SADDLE WIPER ASSEMBLY
Price
N/A
PSB10250657
SADDLE GIB
Price
N/A
PSB10250658
LEFT TABLE LOCK PLUNGER
Price
N/A
PSB10250659
RIGHT TABLE LOCK PLUNGER
Price
N/A
PSB10250660
SADDLE LOCK PLUNGER
Price
N/A
PSB10250661
TABLE GIB SCREW
Price
N/A
PSB10250662
TABLE GIB
Price
N/A
PSB10250663
SADDLE
Price
N/A
PSB10250664
KNEE/SADDLE WIPER ASSEMBLY
Price
N/A
PSB10250665
BUTTON HD CAP SCR M5-.8 X 18
Price
N/A
PSB10250666
FRONT WAY COVER
Price
N/A
PSB10250667
LAMP MOUNTING BRACKET
Price
N/A
PSB10250668
HALOGEN WORK LAMP ASSY 24V
Price
N/A
PSB10250701
Now: PN01
HEX NUT 1/2-20
Price
N/A
PSB10250702
HANDLE
Price
N/A
PSB10250703
CROSS FEED BALL HANDLE
Price
N/A
PSB10250704
KNEE/SADDLE WIPER ASSEMBLY
Price
N/A
PSB10250704A
DIAL HOLDER ASSEMBLY
Price
N/A
PSB10250705
TABLE DIAL INCH
Price
N/A
PSB10250706
DIAL HOLDER ASSEMBLY
Price
N/A
PSB10250707
CAP SCREW M6-1 X 16
Price
N/A
PSB10250708
BEARING RETAINER RING
Price
N/A
PSB10250709
BALL BEARING 6204Z NSK
Price
N/A
PSB10250710
ROLL PIN 5 X 30
Price
N/A
PSB10250711
CAP SCREW 3/8-16 X 1
Price
N/A
PSB10250712
CROSS FEED BEARING BRACKET
Price
N/A
PSB10250713
Now: PK92M
KEY 3 X 3 X 25
Price
N/A
PSB10250714
CROSS FEED LEADSCREW W/NUTS ASSY
Price
N/A
PSB10250714A
CROSS FEED LEADSCREW W/NUTS ASSY
Price
N/A
PSB10250715
Now: PSS01
SET SCREW 5/16-18 X 1
Price
N/A
PSB10250716
Now: PW07
FLAT WASHER 5/16
Price
N/A
PSB10250717
TRAVEL STOP ASSEMBLY
Price
N/A
PSB10250718
TRAVEL STOP ASSEMBLY
Price
N/A
PSB10250719
TRAVEL STOP ASSEMBLY
Price
N/A
PSB10250720
TRAVEL STOP ASSEMBLY
Price
N/A
PSB10250721
TRAVEL STOP ASSEMBLY
Price
N/A
PSB10250722
Now: PR39M
EXT RETAINING RING 8MM
Price
N/A
PSB10250723
LONGITUDINAL BALL HANDLE ASSY
Price
N/A
PSB10250723A
LONGITUDINAL BALL HANDLE ASSY
Price
N/A
PSB10250724
SET SCREW M4-.7 X 5
Price
N/A
PSB10250725
LONGITUDINAL BALL HANDLE ASSY
Price
N/A
PSB10250729
TABLE BEARING BRACKET
Price
N/A
PSB10250730
RUBBER TABLE T-SLOT PLUG
Price
N/A
PSB10250731
PIPE PLUG 1/2 PT
Price
N/A
PSB10250732
LONGITUDINAL LEADSCREW ASSEMBLY
Price
N/A
PSB10250733
CAP SCREW M6-1 X 25
Price
N/A
PSB10250734
Now: PW03M
FLAT WASHER 6MM
Price
N/A
PSB10250735
CROSS FEED LEADSCREW W/NUTS ASSY
Price
N/A
PSB10250736
LEADSCREW NUT BRACKET
Price
N/A
PSB10250737
LONGITUDINAL LEADSCREW ASSEMBLY
Price
N/A
PSB10250738
CROSS FEED LEADSCREW W/NUTS ASSY
Price
N/A
PSB10250739
LONGITUDINAL LEADSCREW ASSEMBLY
Price
N/A
PSB10250740
BEARING RETAINING RING
Price
N/A
PSB10250741
POWER FEED ASSEMBLY
Price
N/A
PSB10250742
BEVEL GEAR BUSHING
Price
N/A
PSB10250743
POWER FEED BEVEL GEAR
Price
N/A
PSB10250744
BEVEL GEAR NUT
Price
N/A
PSB10250745
TABLE 9 X 42"
Price
N/A
PSB10250746
LONGITUDINAL LIMIT SWITCH ASSEMBLY
Price
N/A
PSB10250747
Now: PW02
FLAT WASHER 3/8
Price
N/A
PSB10250748
CAP SCREW 3/8-16 X 1/2
Price
N/A
PSB10250801
ELBOW JOINT M4 X 1/8 PT
Price
N/A
PSB10250802
T-JOINT
Price
N/A
PSB10250803
ONE SHOT OILER ASSEMBLY
Price
N/A
PSB10250804
CAP SCREW M6-1 X 20
Price
N/A
PSB10250805
CAP SCREW M6-1 X 16
Price
N/A
PSB10250806
FLEXIBLE STEEL TUBE 4 X 500MM
Price
N/A
PSB10250807
CAP SCREW M5-.8 X 25
Price
N/A
PSB10250808
OIL DISTRIBUTOR 8-PORT
Price
N/A
PSB10250901
TRANSFORMER 400VA 220/440V-12/110V
Price
N/A
PSB10250902
FUSE HOLDER 30A
Price
N/A
PSB10250903
FUSE 30A
Price
N/A
PSB10250904
FUSE HOLDER 2-5A
Price
N/A
PSB10250905
FUSE 5A
Price
N/A
PSB10250906
FUSE 2A
Price
N/A
PSB10250907
CONTACTOR 100-C09KJ400 4A AC24V
Price
N/A
PSB10250908
TERMINAL BAR 6-POST
Price
N/A
PSB10250909
TERMINAL BAR 17-POST
Item is no longer available
Price
N/A
PSB10250910
POWER RECEPTACLE 100V
Price
N/A
P
CONTROL PANEL ASSEMBLY
$1,020.70
Enter quantity between 1 and 99
PSB10250912
POWER INDICATOR ASSEMBLY
Price
N/A
PSB10250913
SPINDLE START BUTTON ASSEMBLY
Price
N/A
PSB10250914
SPINDLE DIRECTION SWITCH ASSEMBLY
Item is no longer available
Price
N/A
PSB10250915
E-STOP BUTTON AB 800FD-MT44X01
Price
N/A
PSB10250916
SPINDLE STOP BUTTON ASSEMBLY
Price
N/A
P
CONTROL PANEL HOUSING
$473.70
Enter quantity between 1 and 99
PSB10251001
WRENCH 19 X 21MM CLOSED ENDS
Price
N/A
PSB10251002
WRENCH 12 X 14MM OPEN-ENDS
Price
N/A
PSB10251003
HEX WRENCH 1.5-10MM 10PC SET
Price
N/A
PSB10251004
TOOL BOX
Price
N/A
PSB10251005
Now: PSDF2
SCREWDRIVER FLAT #2
Price
N/A
PSB10251006
Now: PSDP2
SCREWDRIVER PHILLIPS #2
Price
N/A
PSB10251007
OIL BOTTLE
Price
N/A
P
MACHINE ID LABEL
$16.40
Enter quantity between 1 and 99
PSB10251102
FACE SHIELD LABEL 2 X 3.25
Price
N/A
PSB10251103
READ MANUAL LABEL 2 X 3.25
Price
N/A
PSB10251105
DOWNFEED WARNING LABEL
Price
N/A
PSB10251107
ENTANGLEMENT LABEL 2 X 3.25
Price
N/A
PSB10251108
Nameplate 90mm
Price
N/A
PSB10251111
MODEL NUMBER LABEL
Item is no longer available
Price
N/A
PSB10251112
Power Feed AL-500SX
Price
N/A
PSB10251113
Power Feed AL-500SX
Price
N/A
PSB10251114
Power Feed AL-500SX
Price
N/A
PSB10251115
Power Feed AL-500SX
Price
N/A
PSB10251118
110V 1PH 5.5A LABEL
Price
N/A
PSB10251119
PLUG RECEPTACLE FIRE HAZARD LABEL
Price
N/A
PSB10251120
ELECTRICAL BOX WARNING LABEL
Price
N/A
PSB10251121
CONTROL PANEL LABEL
Price
N/A
PSB10251122
DISCONNECT POWER LABEL 2 X 3.25
Price
N/A
PSB10251123
QUALIFIED PERSONNEL NOTICE LABEL
Price
N/A
PSB10251124
SB GRAY TOUCH-UP AEROSOL 5oz
Price
N/A
PSB10251125
SB LT BLUE TOUCH-UP AEROSOL 5oz
Price
N/A
PSB10251126
SB DK BLUE TOUCH-UP AEROSOL 5oz
Price
N/A
P
SPINDLE SPEED CHART LABEL
$10.50
Enter quantity between 1 and 99
P
220V 3PH LABEL
$23.10
Enter quantity between 1 and 99
PSB1025MAN
MANUAL FOR SB1024-25-26 04/11
Price
N/A