Parts for SB1027 Mill 9" x 48" EVS

Parts Diagrams for SB1027 - Mill 9" x 48" EVS

IMPORTANT

Parts may have multiple versions that have changed over time. This will be indicated by V1, V2, V3, etc. in the parts description, followed by the version month and year that it was first used. Example: V2.01.17 indicates version 2 of a part went into use in January 2017. Please reference the manufacture date on the ID Label for your machine to ensure you are selecting the correct part when multiple versions are indicated.

If you cannot locate your part below, please contact our tech support department at techsupport@grizzly.com or 570-546-9663.

Please note: All parts ship out of our Springfield, Missouri facility.

Parts List for Parts for SB1027 Mill 9" x 48" EVS

PSB10270001
SET SCREW M6-1 X 8
Price
N/A
PSB10270002
PINION SHAFT LEVER
Price
N/A
PSB10270003
PINION SHAFT HUB
Price
N/A
PSB10270004
STEEL BALL 3/16
Price
N/A
PSB10270005
COMPRESSION SPRING
Price
N/A
PSB10270006
Now: PSS05
SET SCREW 5/16-18 X 1/4
Price
N/A
PSB10270007
HUB RETAINER
Price
N/A
PSB10270008
PINION SHAFT HUB SLEEVE
Price
N/A
PSB10270009
CAP SCREW M5-.8 X 12
Price
N/A
PSB10270010
RETURN SPRING COVER
Price
N/A
PSB10270011
FLAT COIL SPRING
Price
N/A
PSB10270012
KEY 3 X 3 X 18
Price
N/A
PSB10270013
RETURN SPRING STUD
Price
N/A
PSB10270014
QUILL PINION SHAFT 10T/16T
Price
N/A
PSB10270015
RIVET 2 X 5MM NAMEPLATE, STEEL
Price
N/A
PSB10270017
ZERO SCALE
Price
N/A
PSB10270018
ROUND KNOB 1/4-20
Price
N/A
PSB10270019
SHIFT CRANK
Price
N/A
PSB10270020
Now: PSS11
SET SCREW 1/4-20 X 1/4
Price
N/A
PSB10270021
COMPRESSION SPRING 9 X 1 X 24MM
Price
N/A
PSB10270022
GEAR SHIFT PLUNGER
Price
N/A
PSB10270023
SHIFT SLEEVE
Price
N/A
PSB10270024
WORM GEAR CRADLE THROW-OUT
Price
N/A
PSB10270025
WORM SHAFT
Price
N/A
PSB10270026
SET SCREW M6-1 X 10
Price
N/A
PSB10270027
KEY 4 X 4 X 18
Price
N/A
PSB10270028
WORM GEAR
Price
N/A
PSB10270029
CLUSTER GEAR RETAINER
Price
N/A
PSB10270030
FEED CLUSTER GEAR 17T/28T/22T
Price
N/A
PSB10270031
Now: PR06M
EXT RETAINING RING 16MM
Price
N/A
PSB10270032
BEVEL GEAR BUSHING
Price
N/A
PSB10270033
BEVEL GEAR THRUST SPACER
Price
N/A
PSB10270034
FEED REVERSE BEVEL PINION
Price
N/A
PSB10270035
Now: PK53M
KEY 3 X 3 X 45
Price
N/A
PSB10270036
WORM GEAR CRADLE ASSEMBLY
Price
N/A
PSB10270037
WORM GEAR CRADLE ASSEMBLY
Price
N/A
PSB10270037A
WORM GEAR CRADLE ASSEMBLY
Price
N/A
PSB10270038
SET SCREW M5-.8 X 6
Price
N/A
PSB10270039
CAP SCREW M6-1 X 10
Price
N/A
PSB10270040
Now: PW03M
FLAT WASHER 6MM
Price
N/A
PSB10270041
WORM GEAR CRADLE ASSEMBLY
Price
N/A
PSB10270042
WORM GEAR CRADLE ASSEMBLY
Price
N/A
PSB10270043
WORM GEAR CRADLE ASSEMBLY
Price
N/A
PSB10270044
KEY 3 X 3 X 12
Price
N/A
PSB10270045
WORM GEAR CRADLE ASSEMBLY
Price
N/A
PSB10270046
CAP SCREW 5/16-18 X 1/2
Price
N/A
PSB10270047
WORM GEAR CRADLE ASSEMBLY
Price
N/A
PSB10270048
WORM GEAR CRADLE ASSEMBLY
Price
N/A
PSB10270049
Now: PK03M
KEY 3 X 3 X 8
Price
N/A
PSB10270050
WORM GEAR CRADLE ASSEMBLY
Price
N/A
PSB10270051
WORM GEAR CRADLE ASSEMBLY
Price
N/A
PSB10270052
WORM GEAR CRADLE ASSEMBLY
Price
N/A
PSB10270053
REVERSE CLUTCH ROD
Price
N/A
PSB10270054
FEED REVERSE BEVEL GEAR ASSY
Price
N/A
PSB10270055
FEED REVERSE BEVEL GEAR ASSY
Price
N/A
PSB10270055A
FEED REVERSE BEVEL GEAR ASSY
Item is no longer available
Price
N/A
PSB10270056
FEED REVERSE CLUTCH
Price
N/A
PSB10270057
ROLL PIN 3 X 20
Price
N/A
PSB10270058
Now: PR03M
EXT RETAINING RING 12MM
Price
N/A
PSB10270059
FEED WORM SHAFT BUSHING
Price
N/A
PSB10270060
Now: PK39M
KEY 3 X 3 X 10
Price
N/A
PSB10270061
Now: PK52M
KEY 3 X 3 X 15
Price
N/A
PSB10270062
WORM
Price
N/A
PSB10270063
BUSHING
Price
N/A
PSB10270064
CAP SCREW M6-1 X 25
Price
N/A
PSB10270065
SET SCREW M6-1 X 10
Price
N/A
PSB10270066
FEED GEAR SHIFTER FORK
Price
N/A
PSB10270067
CLUSTER GEAR SHIFT CRANK
Price
N/A
PSB10270068
FEED SHIFT ROD
Price
N/A
PSB10270069
CLUSTER GEAR COVER
Price
N/A
PSB10270070
QUILL PINION SHAFT BUSHING
Price
N/A
PSB10270071
OVERLOAD CLUTCH WORM GEAR 30T
Price
N/A
PSB10270072
Now: PR05M
EXT RETAINING RING 15MM
Price
N/A
PSB10270073
PINION OVERLOAD CLUTCH ASSY
Price
N/A
PSB10270073A
PINION OVERLOAD CLUTCH ASSY
Price
N/A
PSB10270074
PINION OVERLOAD CLUTCH ASSY
Price
N/A
PSB10270075
PINION OVERLOAD CLUTCH ASSY
Price
N/A
PSB10270076
SET SCREW M5-.8 X 10
Price
N/A
PSB10270077
PINION OVERLOAD CLUTCH ASSY
Price
N/A
PSB10270078
CLUTCH RING
Price
N/A
PSB10270079
FLAT WASHER 10 X 22 X 3MM
Price
N/A
PSB10270080
Now: PR01M
EXT RETAINING RING 10MM
Price
N/A
PSB10270081
CLUTCH RING SCREW M5-.8 X 16
Price
N/A
PSB10270082
OVERLOAD CLUTCH TRIP LEVER
Price
N/A
PSB10270083
ROLL PIN 5 X 20
Price
N/A
PSB10270084
CLUTCH ARM COVER
Price
N/A
PSB10270085
CAP SCREW M5-.8 X 35
Price
N/A
PSB10270086
Now: PN05
HEX NUT 1/4-20
Price
N/A
PSB10270087
Now: PSS06
SET SCREW 1/4-20 X 3/4
Price
N/A
PSB10270088
COMPRESSION SPRING 1.2 X 6.6 X 42MM
Price
N/A
PSB10270089
OVERLOAD CLUTCH PLUNGER
Price
N/A
PSB10270090
OIL CUP 1/8"
Price
N/A
PSB10270091
TRIP PLUNGER BUSHING
Price
N/A
PSB10270092
FEED TRIP PLUNGER
Price
N/A
PSB10270093
FEED TRIP LEVER
Price
N/A
PSB10270094
TRIP LEVER SCREW M6-1 X 22.5
Price
N/A
PSB10270095
Now: PN04M
HEX NUT M4-.7
Price
N/A
PSB10270096
SET SCREW M4-.7 X 16
Price
N/A
PSB10270097
KNURLED KNOB SCREW M6-1 X 15
Price
N/A
PSB10270098
SCRIBING LEVER
Price
N/A
PSB10270099
REVERSE TRIP BALL LEVER SCREW
Price
N/A
PSB10270100
FEED REVERSE TRIP PLUNGER
Price
N/A
PSB10270101
REVERSE TRIP BALL LEVER
Price
N/A
PSB10270102
QUILL STOP KNOB
Price
N/A
PSB10270103
QUILL MICRO STOP ASSEMBLY
Price
N/A
PSB10270104
QUILL MICRO STOP ASSEMBLY
Price
N/A
PSB10270105
QUILL MICRO STOP ASSEMBLY
Price
N/A
PSB10270105A
QUILL MICRO STOP ASSEMBLY
Item is no longer available
Price
N/A
PSB10270106
CAP SCREW 3/8-16 X 5/8
Price
N/A
PSB10270107
STOP TRIP BAR ASSEMBLY
Price
N/A
PSB10270107A
STOP TRIP BAR ASSEMBLY
Price
N/A
PSB10270108
STOP TRIP BAR ASSEMBLY
Price
N/A
PSB10270109
STOP TRIP BAR ASSEMBLY
Price
N/A
PSB10270110
ROLL PIN 3 X 12
Price
N/A
PSB10270111
STOP TRIP BAR ASSEMBLY
Price
N/A
PSB10270112
ROLL PIN 3 X 16
Price
N/A
PSB10270113
STOP TRIP BAR ASSEMBLY
Price
N/A
PSB10270114
STOP TRIP BAR ASSEMBLY
Price
N/A
PSB10270115
FEED TRIP BRACKET
Price
N/A
PSB10270116
CAP SCREW M6-1 X 20
Price
N/A
PSB10270117
STOP SHAFT TRIP LEVER
Price
N/A
PSB10270118
HANDWHEEL CLUTCH
Price
N/A
PSB10270119
STEEL BALL 5MM
Price
N/A
PSB10270120
COMPRESSION SPRING
Price
N/A
PSB10270121
SET SCREW M8-1.25 X 6
Price
N/A
PSB10270122
QUILL DEPTH SCALE
Price
N/A
PSB10270123
Now: PS17M
PHLP HD SCR M4-.7 X 6
Price
N/A
PSB10270124
FINE DOWNFEED HANDWHEEL
Price
N/A
PSB10270125
FINE DOWNFEED HANDWHEEL
Price
N/A
PSB10270126
E-CLIP 5MM
Price
N/A
PSB10270127
KNURLED SLEEVE ASSEMBLY
Price
N/A
P
KNURLED SLEEVE ASSEMBLY
$17.25
Enter quantity between 1 and 99
PSB10270128
KNURLED SLEEVE ASSEMBLY
Price
N/A
PSB10270129
QUILL LOCK NUT M18-2.5
Price
N/A
PSB10270130
QUILL LOCK SLEEVE
Price
N/A
PSB10270131
LOCK HANDLE ASSEMBLY
Price
N/A
PSB10270132
LOCK HANDLE ASSEMBLY
Price
N/A
PSB10270133
LOCK HANDLE ASSEMBLY
Price
N/A
PSB10270133A
LOCK HANDLE ASSEMBLY
Price
N/A
PSB10270134
LOCK HANDLE ASSEMBLY
Price
N/A
PSB10270135
HEAD ROTATION LOCK BOLT 1/2-13 X 6-1/4
Price
N/A
PSB10270136
LOWER CLAMPING BOLT SPACER
Price
N/A
PSB10270137
LOCK BOLT FLAT WASHER
Price
N/A
PSB10270138
LOCK BOLT HEX NUT 1/2-13
Price
N/A
PSB10270139
QUILL HOUSING
Price
N/A
PSB10270201
SPINDLE R8 W/ SPANNER NUT
Price
N/A
PSB10270202
SET SCREW M6-1 X 8
Price
N/A
PSB10270203
QUILL END CAP
Price
N/A
PSB10270204
QUILL SEAL
Price
N/A
PSB10270205
ANGULAR CONTACT BEARING 7207 P4
Price
N/A
PSB10270206
BEARING SPACER ASSEMBLY
Price
N/A
PSB10270206A
BEARING SPACER ASSEMBLY
Price
N/A
PSB10270207
BEARING SPACER ASSEMBLY
Price
N/A
PSB10270208
SLEEVE
Price
N/A
PSB10270209
BALL BEARING 6206ZZ
Price
N/A
PSB10270210
SPANNER LOCK WASHER
Price
N/A
PSB10270211
SPANNER NUT
Price
N/A
PSB10270212
QUILL SKIRT
Price
N/A
PSB10270213
SET SCREW M5-.8 X 6
Price
N/A
PSB10270214
QUILL
Price
N/A
PSB10270215
Now: PW02M
FLAT WASHER 5MM
Price
N/A
PSB10270216
Now: PS09M
PHLP HD SCR M5-.8 X 10
Price
N/A
PSB10270217
DRAWBAR 7/16-20 X 18-1/2
Price
N/A
PSB10270218
DRAWBAR WASHER
Price
N/A
PSB10270301
GEARBOX PLATE
Price
N/A
PSB10270302
Now: PK70M
KEY 8 X 8 X 12
Price
N/A
PSB10270303
SPINDLE GEAR HUB ASSEMBLY
Price
N/A
PSB10270303A
SPINDLE GEAR HUB ASSEMBLY
Price
N/A
PSB10270304
SPINDLE BULL GEAR
Price
N/A
PSB10270305
BEARING SLEAVE
Price
N/A
PSB10270306
BALL BEARING 6908VV NSK
Price
N/A
PSB10270307
BEARING SPACER ASSEMBLY
Price
N/A
PSB10270307A
BEARING SPACER ASSEMBLY
Price
N/A
PSB10270308
BEARING SPACER ASSEMBLY
Price
N/A
PSB10270309
Now: PR38M
INT RETAINING RING 62MM
Price
N/A
PSB10270310
WAVY SPRING WASHER
Price
N/A
PSB10270311
SPINDLE GEAR HUB ASSEMBLY
Price
N/A
PSB10270312
SPINDLE GEAR HUB ASSEMBLY
Price
N/A
PSB10270313
BEARING SLEEVE WASHER
Price
N/A
PSB10270314
STEP PIN
Price
N/A
PSB10270315
COMPRESSION SPRING
Price
N/A
PSB10270316
FLAT HD CAP SCR M5-.8 X 8
Price
N/A
PSB10270317
INSERT
Price
N/A
PSB10270318
OIL CUP 1/8"
Price
N/A
PSB10270321
DOUBLE END HOUSING STUD
Price
N/A
PSB10270322
Now: PLW05
LOCK WASHER 7/16
Price
N/A
PSB10270323
Now: PN19
HEX NUT 7/16-14
Price
N/A
PSB10270324
Now: PN09
HEX NUT 5/8-18
Price
N/A
PSB10270325
BELT PULLEY GEAR
Price
N/A
PSB10270326
CAP SCREW M5-.8 X 16
Price
N/A
PSB10270327
BULL GEAR PINION BEARING CAP
Price
N/A
PSB10270328
WAVY SPRING WASHER
Price
N/A
PSB10270329
BALL BEARING 6203VV NSK
Price
N/A
PSB10270330
PINION GEAR 30T
Price
N/A
PSB10270331
SET SCREW M8-1.25 X 8
Price
N/A
PSB10270332
PINION GEAR SHAFT
Price
N/A
PSB10270333
Now: PK19M
KEY 5 X 5 X 14
Price
N/A
PSB10270334
Now: PK14M
KEY 5 X 5 X 18
Price
N/A
PSB10270335
GREASE FITTING 1/8" NPT STRAIGHT
Price
N/A
PSB10270336
GEAR BOX AND BELT HOUSING
Price
N/A
PSB10270337
CAP SCREW M8-1.25 X 20
Price
N/A
PSB10270339
BULL GEAR SHIFT PINION
Price
N/A
PSB10270340
HI-LOW DETENT PLATE
Price
N/A
PSB102703406
BELT TENSION ADJUSTMENT LEVER
Item is no longer available
Price
N/A
PSB102703407
KNOB 5/16-18
Item is no longer available
Price
N/A
PSB10270341
CAP SCREW M5-.8 X 12
Price
N/A
PSB10270342
ROLL PIN 3 X 16
Price
N/A
PSB10270343
SET SCREW M5-.8 X 6
Price
N/A
PSB102703439
BRAKE SHOE SET
Price
N/A
PSB10270344
HI-LOW PINION BLOCK
Price
N/A
PSB10270345
CAP SCREW M4-.7 X 16
Price
N/A
PSB102703459
TIMING BELT 225L-100
Price
N/A
PSB10270346
HI-LOW DETENT PLUNGER
Price
N/A
PSB10270347
COMPRESSION SPRING
Price
N/A
PSB10270348
HI-LOW DETENT PLUNGER
Price
N/A
PSB10270349
ROUND KNOB 1/4-20
Price
N/A
P
MOTOR FAN COVER
$217.35
Enter quantity between 1 and 99
P
MOTOR FAN
$398.50
Enter quantity between 1 and 99
PSB10270403
MOTOR ASSEMBLY
Price
N/A
PSB10270403-1
MOTOR ASSEMBLY
Price
N/A
P
MOTOR ASSEMBLY
$772.25
Enter quantity between 1 and 99
PSB10270404
CAP SCREW M12-1.75 X 35
Price
N/A
PSB10270405
Now: PW06M
FLAT WASHER 12MM
Price
N/A
PSB10270406
BELT TENSION ADJUSTMENT LEVER
Price
N/A
P
KNOB 5/16-18
$20.60
Enter quantity between 1 and 99
P
MOTOR PULLEY
$309.45
Enter quantity between 1 and 99
PSB10270409
KEY 8 X 7 X 30
Price
N/A
P
MOTOR PULLEY FLAT WASHER
$42.60
Enter quantity between 1 and 99
PSB10270411
CAP SCREW M8-1.25 X 25
Price
N/A
PSB10270412
CAP SCREW M6-1 X 20
Price
N/A
P
MOTOR ADJUSTMENT BLOCK
$61.35
Enter quantity between 1 and 99
PSB10270414
CAP SCREW M8-1.25 X 40
Price
N/A
PSB10270415
SET SCREW M5-.8 X 6
Price
N/A
P
TOP BEARING COVER
$180.25
Enter quantity between 1 and 99
P
BRAKE SWITCH MOUNTING BLOCK
$67.65
Enter quantity between 1 and 99
PSB10270418
CAP SCREW M5-.8 X 16
Price
N/A
PSB10270419
BRAKE SWITCH
Item is no longer available
Price
N/A
PSB10270420
Now: PW05M
FLAT WASHER 4MM
Price
N/A
PSB10270421
CAP SCREW M4-.7 X 30
Price
N/A
P
BRAKE SWITCH COVER
$63.45
Enter quantity between 1 and 99
PSB10270423
Now: PS09M
PHLP HD SCR M5-.8 X 10
Price
N/A
PSB10270424
GEAR BOX AND BELT HOUSING
Price
N/A
P
GEAR BOX AND BELT HOUSING
$1,971.85
Enter quantity between 1 and 99
P
SPANNER NUT
$17.25
Enter quantity between 1 and 99
P
TABBED SPANNER LOCK WASHER
$7.90
Enter quantity between 1 and 99
PSB10270427
BALL BEARING 6007VV NSK
Price
N/A
P
BEARING SPACER
$73.70
Enter quantity between 1 and 99
P
TIMING BELT 800-8YU-25
$164.55
Enter quantity between 1 and 99
P
SPINDLE PULLEY
$233.70
Enter quantity between 1 and 99
PSB10270431
LOWER SPINDLE PULLEY PLATE
Price
N/A
PSB10270432
Now: PS68M
PHLP HD SCR M6-1 X 10
Price
N/A
PSB10270433
Now: PW03M
FLAT WASHER 6MM
Price
N/A
PSB10270434
BRAKE BEARING CAP
Price
N/A
PSB10270435
BUTTON HD CAP SCR M6-1 X 16
Price
N/A
PSB10270436
BRAKE SHOE PIVOT SLEEVE
Price
N/A
PSB10270437
Now: PS12M
PHLP HD SCR M3-.5 X 6
Price
N/A
PSB10270438
BRAKE SHOE SPRING
Price
N/A
PSB10270439
BRAKE SHOE SET
Price
N/A
PSB10270440
BALL BEARING 6010VV NSK
Price
N/A
PSB10270441
Now: PR47M
EXT RETAINING RING 13MM
Price
N/A
PSB10270442
SET SCREW M6-1 X 8
Price
N/A
PSB10270443
SET SCREW M6-1 X 8
Price
N/A
PSB10270444
BRAKE SHAFT
Price
N/A
PSB10270445
E-CLIP 4MM
Price
N/A
PSB10270446
BRAKE LEVER BRACKET
Price
N/A
PSB10270447
CAPTIVE PIN
Item is no longer available
Price
N/A
PSB10270448
BRAKE LEVER
Price
N/A
PSB10270449
KNOB 3/8-16
Price
N/A
PSB10270450
BRAKE OPERATING FINGER
Price
N/A
PSB10270451
BRAKE FINGER PIVOT STUD
Price
N/A
PSB10270452
Now: PR36M
EXT RETAINING RING 7MM
Price
N/A
PSB10270453
BRAKE SEAT
Price
N/A
PSB10270454
CAP SCREW M6-1 X 16
Price
N/A
PSB10270455
SPINDLE PULLEY SPACER
Price
N/A
P
SPINDLE PULLEY HUB
$296.80
Enter quantity between 1 and 99
PSB10270457
KEY 7 X 7 X 35
Price
N/A
PSB10270458
Now: PK27M
KEY 7 X 7 X 25
Price
N/A
PSB10270459
TIMING BELT 225L-100
Price
N/A
P
SPINDLE PULLEY HUB COLLAR
$19.35
Enter quantity between 1 and 99
PSB10270461
REAR VENT COVER
Price
N/A
PSB10270462
Now: PS05M
PHLP HD SCR M5-.8 X 8
Price
N/A
P
BELT HOUSING BOTTOM COVER
$205.60
Enter quantity between 1 and 99
PSB10270464
Nameplate 90mm
Price
N/A
PSB10270465
Now: PS05M
PHLP HD SCR M5-.8 X 8
Price
N/A
PSB10270466
PULLEY COLLAR
Item is no longer available
Price
N/A
PSB10270501
CAP SCREW M8-1.25 X 25
Price
N/A
PSB10270502
ROLL PIN 8 X 30
Price
N/A
PSB10270503
GEAR 33T
Price
N/A
PSB10270504
RIVET 2 X 5MM NAMEPLATE, STEEL
Price
N/A
PSB10270505
HEAD ROTATION SCALE
Price
N/A
PSB10270506
RAM ADAPTER
Price
N/A
PSB10270507
ZERO SCALE
Price
N/A
PSB10270508
WORM THRUST WASHER
Price
N/A
PSB10270509
LOCK COLLAR
Price
N/A
PSB10270510
SET SCREW M6-1 X 6
Price
N/A
PSB10270511
Now: PK36M
KEY 5 X 5 X 50
Price
N/A
PSB10270512
HEAD TILT WORM
Price
N/A
PSB10270513
HEAD TILT SCALE
Price
N/A
PSB10270514
TILT LOCK BOLT
Price
N/A
PSB10270515
Now: PW10M
FLAT WASHER 14MM
Price
N/A
PSB10270516
LOCK BOLT HEX NUT 1/2-13
Price
N/A
PSB10270517
Now: PR19M
EXT RETAINING RING 28MM
Price
N/A
PSB10270518
TILT PIVOT STUD
Price
N/A
PSB10270519
TILT LOCK BOLT BUSHING
Price
N/A
PSB10270520
HEAD TILT WORM SHAFT
Price
N/A
PSB10270521
LIFTING EYE BOLT 3/4-10
Price
N/A
PSB10270522
RAM
Price
N/A
PSB10270523
RAM GIB
Price
N/A
PSB10270524
TURRET CLAMP BOLT
Price
N/A
PSB10270525
RAM PINION SCREW
Price
N/A
PSB10270526
TURRET
Price
N/A
PSB10270527
RAM GIB ADJUSTMENT SCREW
Price
N/A
PSB10270528
Now: PN08
HEX NUT 3/8-16
Price
N/A
PSB10270529
RAM LOCK PLUNGER
Price
N/A
PSB10270530
LOCK LEVER ASSEMBLY
Price
N/A
PSB10270531
LOCK LEVER ASSEMBLY
Price
N/A
PSB10270531A
LOCK LEVER ASSEMBLY
Price
N/A
PSB10270532
LOCK LEVER ASSEMBLY
Price
N/A
PSB10270533
LOCK LEVER ASSEMBLY
Price
N/A
PSB10270534
RAM PINION
Price
N/A
PSB10270535
RAM ROTATION SCALE
Price
N/A
PSB10270536
TURRET BRACKET
Price
N/A
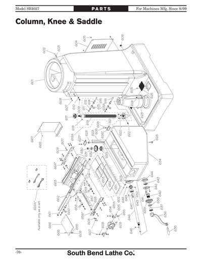
PSB10270601
COLUMN
Price
N/A
PSB10270602
RIVET 2 X 5MM NAMEPLATE, STEEL
Price
N/A
PSB10270603
ZERO SCALE
Price
N/A
PSB10270604
REAR COLUMN COVER
Price
N/A
PSB10270605
Now: PS09M
PHLP HD SCR M5-.8 X 10
Price
N/A
PSB10270606
PIPE PLUG 1/2 PT
Price
N/A
PSB10270607
Now: PS40M
PHLP HD SCR M5-.8 X 16
Price
N/A
PSB10270608
Now: PW02M
FLAT WASHER 5MM
Price
N/A
PSB10270609
CAP SCREW M8-1.25 X 16
Price
N/A
PSB10270610
LOCK WASHER 8MM
Price
N/A
PSB10270611
KNEE LOCK LEVER ASSEMBLY
Price
N/A
PSB10270612
KNEE LOCK LEVER ASSEMBLY
Price
N/A
PSB10270613
KNEE LOCK LEVER ASSEMBLY
Price
N/A
PSB10270613A
KNEE LOCK LEVER ASSEMBLY
Price
N/A
PSB10270614
KNEE LOCK LEVER ASSEMBLY
Price
N/A
PSB10270615
UPPER KNEE LOCK PLUNGER
Price
N/A
PSB10270616
LOWER KNEE LOCK PLUNGER
Price
N/A
PSB10270617
THRUST BEARING 51305
Price
N/A
PSB10270618
Now: PK20M
KEY 5 X 5 X 15
Price
N/A
PSB10270619
VERTICAL LEADSCREW W/NUT ASSY
Price
N/A
PSB10270619A
VERTICAL LEADSCREW W/NUT ASSY
Price
N/A
PSB10270620
CAP SCREW M6-1 X 20
Price
N/A
PSB10270621
VERTICAL LEADSCREW W/NUT ASSY
Price
N/A
PSB10270622
GREASE FITTING 1/8" NPT STRAIGHT
Price
N/A
PSB10270623
VERTICAL LEADSCREW HOUSING
Price
N/A
PSB10270624
CAP SCREW 3/8-16 X 1-1/4
Price
N/A
PSB10270625
COOLANT SCREEN
Price
N/A
PSB10270626
KNEE/SADDLE WIPER ASSEMBLY
Price
N/A
PSB10270626A
KNEE/SADDLE WIPER ASSEMBLY
Price
N/A
PSB10270627
KNEE/SADDLE WIPER ASSEMBLY
Price
N/A
PSB10270628
GIB SCREW
Price
N/A
PSB10270629
KNEE GIB
Price
N/A
PSB10270630
Now: PN01
HEX NUT 1/2-20
Price
N/A
PSB10270631
BEVEL GEAR FLAT WASHER 1/2
Price
N/A
PSB10270632
BEVEL GEAR
Price
N/A
PSB10270633
BALL BEARING 6205ZZ
Price
N/A
PSB10270634
KNEE
Price
N/A
PSB10270635
CRANK HANDLE
Price
N/A
PSB10270636
VERTICAL CRANK
Price
N/A
PSB10270637
CRANK CLUTCH
Price
N/A
PSB10270638
FRONT DIAL RETAINER
Price
N/A
PSB10270639
VERTICAL DIAL INCH
Price
N/A
PSB10270640
REAR DIAL RETAINER
Price
N/A
PSB10270641
CAP SCREW M6-1 X 16
Price
N/A
PSB10270642
BEARING RETAINER
Price
N/A
PSB10270643
BALL BEARING 6204ZZ
Price
N/A
PSB10270644
BEARING SEAT
Price
N/A
PSB10270645
Now: PK47M
KEY 4 X 4 X 15
Price
N/A
PSB10270646
VERTICAL CRANK SHAFT
Price
N/A
PSB10270647
Now: PK48M
KEY 4 X 4 X 20
Price
N/A
PSB10270648
SET SCREW M6-1 X 6
Price
N/A
PSB10270649
BEVEL PINION
Price
N/A
PSB10270650
SET SCREW M6-1 X 8
Price
N/A
PSB10270651
CHIP GUARD SET
Price
N/A
PSB10270651A
CHIP GUARD SET
Price
N/A
PSB10270652
CHIP GUARD SET
Price
N/A
PSB10270653
CHIP GUARD SET
Price
N/A
PSB10270654
WAY COVER SUPPORT
Price
N/A
PSB10270655
Now: PN06M
HEX NUT M5-.8
Price
N/A
PSB10270656
KNEE/SADDLE WIPER ASSEMBLY
Price
N/A
PSB10270657
SADDLE GIB
Price
N/A
PSB10270658
LEFT TABLE LOCK PLUNGER
Price
N/A
PSB10270659
RIGHT TABLE LOCK PLUNGER
Price
N/A
PSB10270660
SADDLE LOCK PLUNGER
Price
N/A
PSB10270661
TABLE GIB SCREW
Price
N/A
PSB10270662
TABLE GIB
Price
N/A
PSB10270663
SADDLE
Price
N/A
PSB10270664
KNEE/SADDLE WIPER ASSEMBLY
Price
N/A
PSB10270665
BUTTON HD CAP SCR M5-.8 X 18
Price
N/A
PSB10270666
FRONT WAY COVER
Price
N/A
PSB10270667
REAR WAY COVER
Price
N/A
PSB10270701
Now: PN01
HEX NUT 1/2-20
Price
N/A
PSB10270702
LONGITUDINAL BALL HANDLE ASSY
Price
N/A
PSB10270703
CROSS FEED BALL HANDLE
Price
N/A
PSB10270704
DIAL HOLDER ASSEMBLY
Price
N/A
PSB10270704A
DIAL HOLDER ASSEMBLY
Price
N/A
PSB10270705
TABLE DIAL INCH
Price
N/A
PSB10270706
DIAL HOLDER ASSEMBLY
Price
N/A
PSB10270707
CAP SCREW M6-1 X 16
Price
N/A
PSB10270708
BEARING RETAINER
Price
N/A
PSB10270709
BALL BEARING 6204ZZ
Price
N/A
PSB10270710
ROLL PIN 5 X 30
Price
N/A
PSB10270711
CAP SCREW 3/8-16 X 1
Price
N/A
PSB10270712
CROSS FEED BEARING BRACKET
Price
N/A
PSB10270713
Now: PK92M
KEY 3 X 3 X 25
Price
N/A
PSB10270714
CROSS FEED LEADSCREW W/NUTS ASSY
Price
N/A
PSB10270714A
CROSS FEED LEADSCREW W/NUTS ASSY
Price
N/A
PSB10270715
Now: PSS01
SET SCREW 5/16-18 X 1
Price
N/A
PSB10270716
Now: PW07
FLAT WASHER 5/16
Price
N/A
PSB10270717
TRAVEL STOP ASSEMBLY
Price
N/A
PSB10270718
TRAVEL STOP ASSEMBLY
Price
N/A
PSB10270719
COMPRESSION SPRING
Item is no longer available
Price
N/A
PSB10270720
TRAVEL STOP ASSEMBLY
Price
N/A
PSB10270721
TRAVEL STOP ASSEMBLY
Price
N/A
PSB10270722
Now: PR36M
EXT RETAINING RING 7MM
Price
N/A
PSB10270723
LONGITUDINAL BALL HANDLE ASSY
Price
N/A
PSB10270723A
LONGITUDINAL BALL HANDLE ASSY
Price
N/A
PSB10270724
SET SCREW M4-.7 X 5
Price
N/A
PSB10270725
LONGITUDINAL BALL HANDLE ASSY
Price
N/A
PSB10270729
CAP SCREW M5-.8 X 8
Price
N/A
P
TABLE BEARING BRACKET COVER
$110.55
Enter quantity between 1 and 99
PSB10270731
RIVET 2 X 5MM NAMEPLATE, STEEL
Price
N/A
P
INDICATOR PLATE
$3.65
Enter quantity between 1 and 99
P
BEARING BRACKET
$210.15
Enter quantity between 1 and 99
PSB10270734
RUBBER TABLE T-SLOT PLUG
Price
N/A
PSB10270735
PIPE PLUG 1/2 PT
Price
N/A
PSB10270736
LONGITUDINAL LEADSCREW W/NUT ASSY
Price
N/A
P
LONGITUDINAL LEADSCREW W/NUT ASSY
$789.15
Enter quantity between 1 and 99
PSB10270737
Now: PR09M
EXT RETAINING RING 20MM
Price
N/A
PSB10270738
CAP SCREW M6-1 X 25
Price
N/A
PSB10270739
Now: PW03M
FLAT WASHER 6MM
Price
N/A
PSB10270740
CROSS FEED LEADSCREW W/NUTS ASSY
Price
N/A
PSB10270741
LEADSCREW NUT BRACKET
Price
N/A
PSB10270742
LONGITUDINAL LEADSCREW W/NUT ASSY
Price
N/A
PSB10270743
CROSS FEED LEADSCREW W/NUTS ASSY
Price
N/A
PSB10270744
LONGITUDINAL LEADSCREW W/NUT ASSY
Price
N/A
P
BEARING RETAINING RING
$110.55
Enter quantity between 1 and 99
PSB10270746
POWER FEED ASSEMBLY
Price
N/A
PSB10270747
BEVEL GEAR BUSHING
Price
N/A
PSB10270748
POWER FEED BEVEL GEAR
Price
N/A
PSB10270749
BEVEL GEAR NUT
Price
N/A
PSB10270750
TABLE 9 X 48 IN
Item is no longer available
Price
N/A
PSB10270751
LONGITUDINAL LIMIT SWITCH ASSEMBLY
Price
N/A
PSB10270752
Now: PW04M
FLAT WASHER 10MM
Price
N/A
PSB10270753
CAP SCREW 3/8-16 X 1/2
Price
N/A
P
POTENTIOMETER ASSY
$36.90
Enter quantity between 1 and 99
PSB10270801
ELBOW JOINT M4 X 1/8 PT
Price
N/A
PSB10270802
T-JOINT
Price
N/A
PSB10270803
ONE SHOT OILER ASSEMBLY
Price
N/A
PSB10270804
CAP SCREW M6-1 X 20
Price
N/A
PSB10270805
CAP SCREW M6-1 X 16
Price
N/A
PSB10270806
FLEXIBLE STEEL TUBE 4 X 500MM
Price
N/A
PSB10270807
CAP SCREW M5-.8 X 25
Price
N/A
PSB10270808
OIL DISTRIBUTOR 8-PORT
Price
N/A
PSB10270901
CAP SCREW M6-1 X 20
Price
N/A
PSB10270902
Now: PW03M
FLAT WASHER 6MM
Price
N/A
P
COOLANT PUMP 1/8HP 220V 1PH 60HZ
$220.10
Enter quantity between 1 and 99
P
BARBED HOSE FITTING 3/4 PT X 1/2 IN
$12.75
Enter quantity between 1 and 99
P
THREADED HOSE CLAMP 3/4 IN
$4.60
Enter quantity between 1 and 99
P
COOLANT HOSE 1/2 X 43-1/2 IN
$29.95
Enter quantity between 1 and 99
P
BARBED HOSE FITTING 5/8 PT X 1/2 IN
$12.75
Enter quantity between 1 and 99
P
STANDPIPE BRACKET
$55.30
Enter quantity between 1 and 99
PSB10270909
CAP SCREW M5-.8 X 12
Price
N/A
P
PIPE ELBOW 90 DEG 3/8 X 3/8 PT
$19.35
Enter quantity between 1 and 99
P
COOLANT VALVE ASSEMBLY
$67.65
Enter quantity between 1 and 99
P
COOLANT NOZZLE 3/8 X 30 IN
$110.55
Enter quantity between 1 and 99
P
PIPE ELBOW 90 DEG 3/8 PT X 1/2 IN
$21.50
Enter quantity between 1 and 99
P
COOLANT HOSE 1/2 X 59 IN
$33.85
Enter quantity between 1 and 99
PSB10270915
HOSE CLAMP 3/4 IN
Item is no longer available
Price
N/A
PSB10270916
SPLASH PAN
Item is no longer available
Price
N/A
PSB10270917
CAP SCREW M5-.8 X 10
Price
N/A
PSB10270918
Now: PW02M
FLAT WASHER 5MM
Price
N/A
PSB10271001
ELECTRIC BOX BACKBOARD
Item is no longer available
Price
N/A
PSB10271002
***SEE EXT. DESCRIPTION***
Item is no longer available
Price
N/A
P
FUSE HOLDER 3P
$56.35
Enter quantity between 1 and 99
P
FUSE 20A
$13.60
Enter quantity between 1 and 99
PSB10271005
CONTACTOR AB C09-400 24V
Item is no longer available
Price
N/A
P
AUX CONTACTOR AB AB-100F-A20
$61.90
Enter quantity between 1 and 99
P
RELAY OMRON MYAJ 24V
$43.50
Enter quantity between 1 and 99
PSB10271008
*DISCD*CONTACTOR AB C09-400 24V
Item is no longer available
Price
N/A
PSB10271009
ELECTRICAL RECEPTACLE 110V
Item is no longer available
Price
N/A
PSB10271010
COOLING FAN ASSEMBLY
Item is no longer available
Price
N/A
PSB10271011
TERMINAL BLOCK 14-POST
Item is no longer available
Price
N/A
P
MAIN POWER SWITCH ASSY AB 194L-A20
$107.80
Enter quantity between 1 and 99
PSB10271013
FUSE 5A
Price
N/A
PSB10271014
FUSE 2A
Price
N/A
PSB10271015
FUSE 5A
Price
N/A
P
FUSE 1A
$1.60
Enter quantity between 1 and 99
P
FUSE HOLDER 4P
$12.75
Enter quantity between 1 and 99
P
TRANSFORMER 500VA 220/440V-12/110V
$496.00
Enter quantity between 1 and 99
PSB10271019
BRAKE RESISTOR 600W 40 OHM
Item is no longer available
Price
N/A
P
ELECTRIC CABINET W/DOOR & LATCH
$1,224.45
Enter quantity between 1 and 99
PSB10271021
CAP SCREW M5-.8 X 20
Price
N/A
PSB10271022
RELAY SOCKET OMRON
Item is no longer available
Price
N/A
PSB10271023
E-STOP BUTTON AB 800FD-MT44X01
Price
N/A
PSB10271024
SPINDLE MOTOR ON BUTTON
Item is no longer available
Price
N/A
PSB10271025
COOLANT SWITCH
Item is no longer available
Price
N/A
P
SPINDLE DIRECTION SWITCH
$30.20
Enter quantity between 1 and 99
P
SPINDLE SPEED DIAL
$87.90
Enter quantity between 1 and 99
P
SPINDLE SPEED KNOB
$35.35
Enter quantity between 1 and 99
PSB10271028
SPINDLE SPEED DISPLAY
Item is no longer available
Price
N/A
PSB10271029
CONTROL PANEL FRONT PLATE
Item is no longer available
Price
N/A
PSB10271030
CONTROL PANEL BOX ASSEMBLY
Item is no longer available
Price
N/A
PSB10271031
CONTROL PANEL ARM ASSEMBLY
Item is no longer available
Price
N/A
PSB10271032
TERMINAL BLOCK 4-POST
Item is no longer available
Price
N/A
PSB10271101
TOOL BOX
Price
N/A
PSB10271102
Now: PSDF2
SCREWDRIVER FLAT #2
Price
N/A
PSB10271103
Now: PSDP2
SCREWDRIVER PHILLIPS #2
Price
N/A
PSB10271104
WRENCH 12 X 14MM OPEN-ENDS
Price
N/A
PSB10271105
WRENCH 19 X 21MM CLOSED ENDS
Price
N/A
PSB10271106
HEX WRENCH 1.5-10MM 10PC SET
Price
N/A
PSB10271107
OIL BOTTLE
Price
N/A
PSB10271108
CONTROL PANEL BRACKET
Item is no longer available
Price
N/A
PSB10271201
ENTANGLEMENT LABEL 3.25 X 2
Price
N/A
P
LUBRICATION DIRECTION LABEL
$7.90
Enter quantity between 1 and 99
PSB10271203
FACE SHIELD/GLASSES LABEL 3.25 X 2
Price
N/A
PSB10271204
READ MANUAL LABEL 3.25 X 2
Price
N/A
P
TRAINED PERSONNEL NOTICE LABEL
$1.85
Enter quantity between 1 and 99
P
MACHINE ID LABEL
$16.40
Enter quantity between 1 and 99
P
CONTROL PANEL LABEL
$11.85
Enter quantity between 1 and 99
PSB10271208
DOWNFEED WARNING LABEL
Price
N/A
PSB10271209
DISCONNECT POWER LABEL 3.25 X 2
Price
N/A
PSB10271210
KEEP DOOR CLOSED LABEL 3.25 X 2
Price
N/A
PSB10271211
Power Feed AL-500SX
Price
N/A
PSB10271212
Power Feed AL-500SX
Price
N/A
PSB10271213
MODEL NUMBER LABEL
Item is no longer available
Price
N/A
PSB10271214
SB DK BLUE TOUCH-UP AEROSOL 5oz
Price
N/A
PSB10271215
SB LT BLUE TOUCH-UP AEROSOL 5oz
Price
N/A
PSB10271216
SB GRAY TOUCH-UP AEROSOL 5oz
Price
N/A
PSB10271217
Power Feed AL-500SX
Price
N/A
PSB10271218
Power Feed AL-500SX
Price
N/A
PSB10271219
110V 1PH LABEL
Price
N/A
P
SPEED RANGE LABEL
$1.35
Enter quantity between 1 and 99
P
220V 1PH LABEL
$1.35
Enter quantity between 1 and 99
PSB10271222
BIOHAZARD WARNING LABEL
Item is no longer available
Price
N/A
PSB10271223
PLUG RECEPTACLE FIRE HAZARD LABEL
Price
N/A
PSB10271224
110V 1PH 5.5A LABEL
Price
N/A
P
MANUAL FOR SB1027 03/10
$45.75
Enter quantity between 1 and 99