Parts for T10097A 8" Grinder / Sharpener

Parts Diagrams for T10097A - 8" Grinder / Sharpener

IMPORTANT

Parts may have multiple versions that have changed over time. This will be indicated by V1, V2, V3, etc. in the parts description, followed by the version month and year that it was first used. Example: V2.01.17 indicates version 2 of a part went into use in January 2017. Please reference the manufacture date on the ID Label for your machine to ensure you are selecting the correct part when multiple versions are indicated.

If you cannot locate your part below, please contact our tech support department at techsupport@grizzly.com or 570-546-9663.

Please note: All parts ship out of our Springfield, Missouri facility.

Parts List for Parts for T10097A 8" Grinder / Sharpener

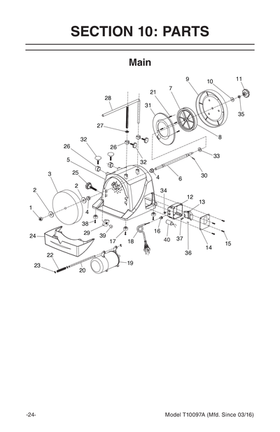
1
Now: PN16M
HEX NUT M12-1.75 LH
Price
N/A
2
Now: PW06M
FLAT WASHER 12MM
Price
N/A
3
Replacement Grinding Wheel for T10097 and T10097A
Price
N/A
4
*DISCD*ARBOR BUSHING
Item is no longer available
Price
N/A
5
*DISCD*MACHINE HOUSING
Item is no longer available
Price
N/A
6
*DISCD*GRINDING WHEEL SPINDLE
Item is no longer available
Price
N/A
7
*DISCD*DRIVE WHEEL 200MM
Item is no longer available
Price
N/A
8
*DISCD*DRIVE WHEEL TIRE
$4.60
Enter quantity between 1 and 99
9
*DISCD*STROPPING WHEEL
Item is no longer available
Price
N/A
10
Now: PW01M
FLAT WASHER 8MM
Price
N/A
11
*DISCD*KNOB M8-1.25
Item is no longer available
Price
N/A
12
*DISCD*SWITCH BOX
Item is no longer available
Price
N/A
13
Now: G8988
Safety Paddle Switch
Price
N/A
14
*DISCD*SWITCH PANEL
$1.49
Enter quantity between 1 and 99
15
TAP SCREW M4 X 16
Price
N/A
16
*DISCD*STRAIN RELIEF PG9 TYPE-3
Item is no longer available
Price
N/A
17
*DISCD*RUBBER FOOT
Item is no longer available
Price
N/A
18
*DISCD*POWER CORD 14G 3W 72" 5-15P
Item is no longer available
Price
N/A
19
*DISCD*MOTOR 1/8HP 110V 1-PH
$108.10
Enter quantity between 1 and 99
19A
*DISCD*MOTOR ASSEMBLY
$138.00
Enter quantity between 1 and 99
20
*DISCD*MOTOR PIVOT SHAFT
Item is no longer available
Price
N/A
21
TAP SCREW M4 X 8
Price
N/A
22
*DISCD*COMPRESSION SPRING
Item is no longer available
Price
N/A
23
E-CLIP 9MM
Price
N/A
24
*DISCD*WATER RESERVOIR
Item is no longer available
Price
N/A
25
*DISCD*KNOB BOLT M8-1.25
Item is no longer available
Price
N/A
26
*DISCD*LOCK COLLAR
Item is no longer available
Price
N/A
27
*DISCD*TOOL REST ADJUSTMENT NUT
Item is no longer available
Price
N/A
28
*DISCD*TOOL REST
Item is no longer available
Price
N/A
29
*DISCD*MOTOR TENSION NUT M8-1.25
Item is no longer available
Price
N/A
30
ROLL PIN 5 X 25
Price
N/A
31
*DISCD*DRIVE WHEEL COVER
Item is no longer available
Price
N/A
32
*DISCD*KNOB BOLT M6-1
Item is no longer available
Price
N/A
33
Now: PW06M
FLAT WASHER 12MM
Price
N/A
34
*DISCD*STRAIN RELIEF 1/2" TYPE-1
Item is no longer available
Price
N/A
35
Now: PN03M
HEX NUT M8-1.25
Price
N/A
36
*DISCD*WIRE NUT
Item is no longer available
Price
N/A
37
*DISCD*WIRE TERMINAL
Item is no longer available
Price
N/A
38
TAP SCREW M4 X 14
Price
N/A
39
*DISCD*MOTOR TENSION COVER
Item is no longer available
Price
N/A
101
MACHINE ID LABEL
Item is no longer available
Price
N/A
102
*DISCD*ROTATION DIRECTION ARROW
Price
N/A
103
READ MANUAL 1.5W X 2.5H
Price
N/A
104
ELECTRICITY 0.5W X 0.4H
Price
N/A
105
GLASSES/RESPIRATOR 2.8W X 1.5H
Price
N/A
MAN
MANUAL T10097A MFD-01.16 V1.03.16
$14.65
Enter quantity between 1 and 99